| ||||||||||||||||||||||||||
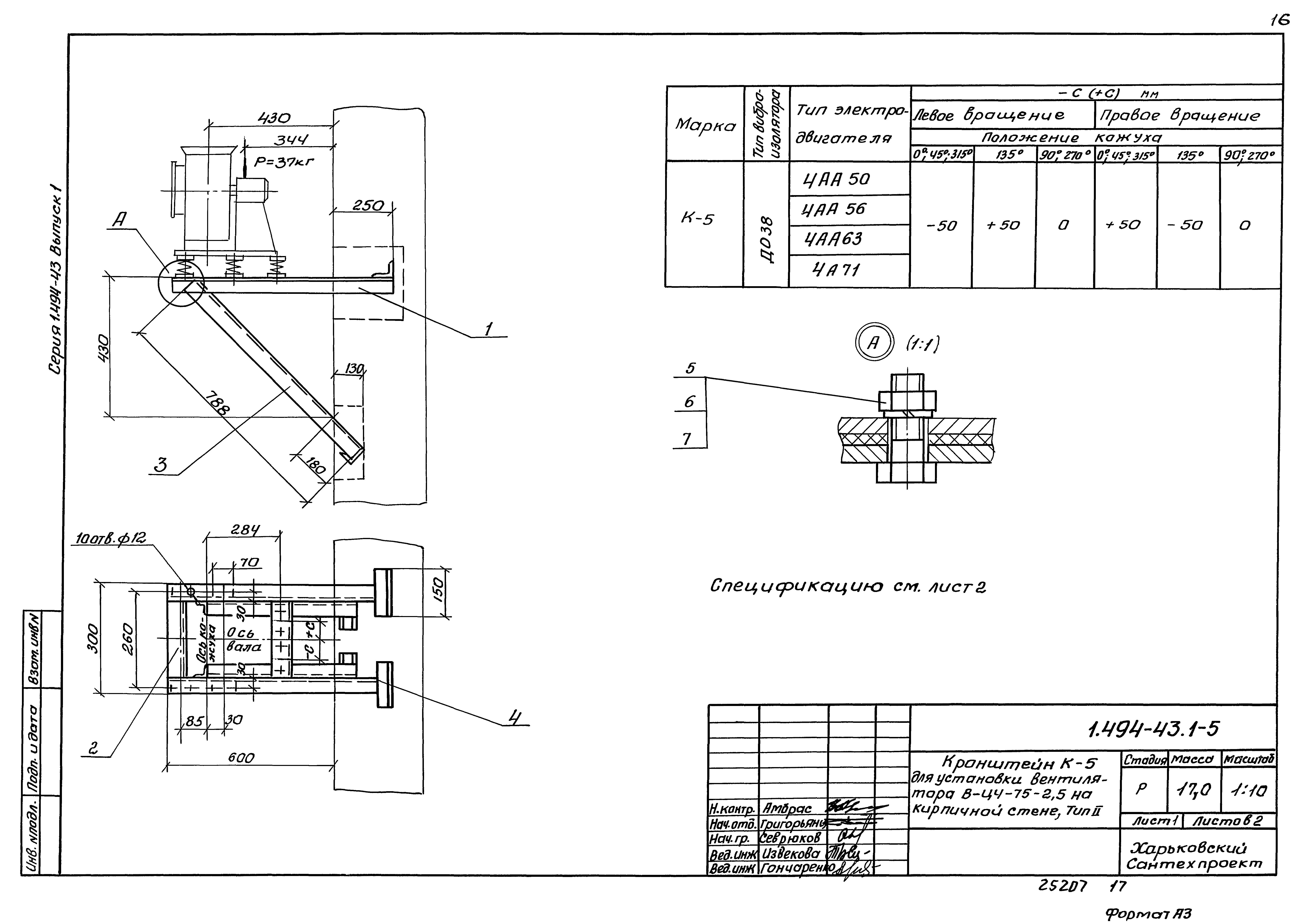
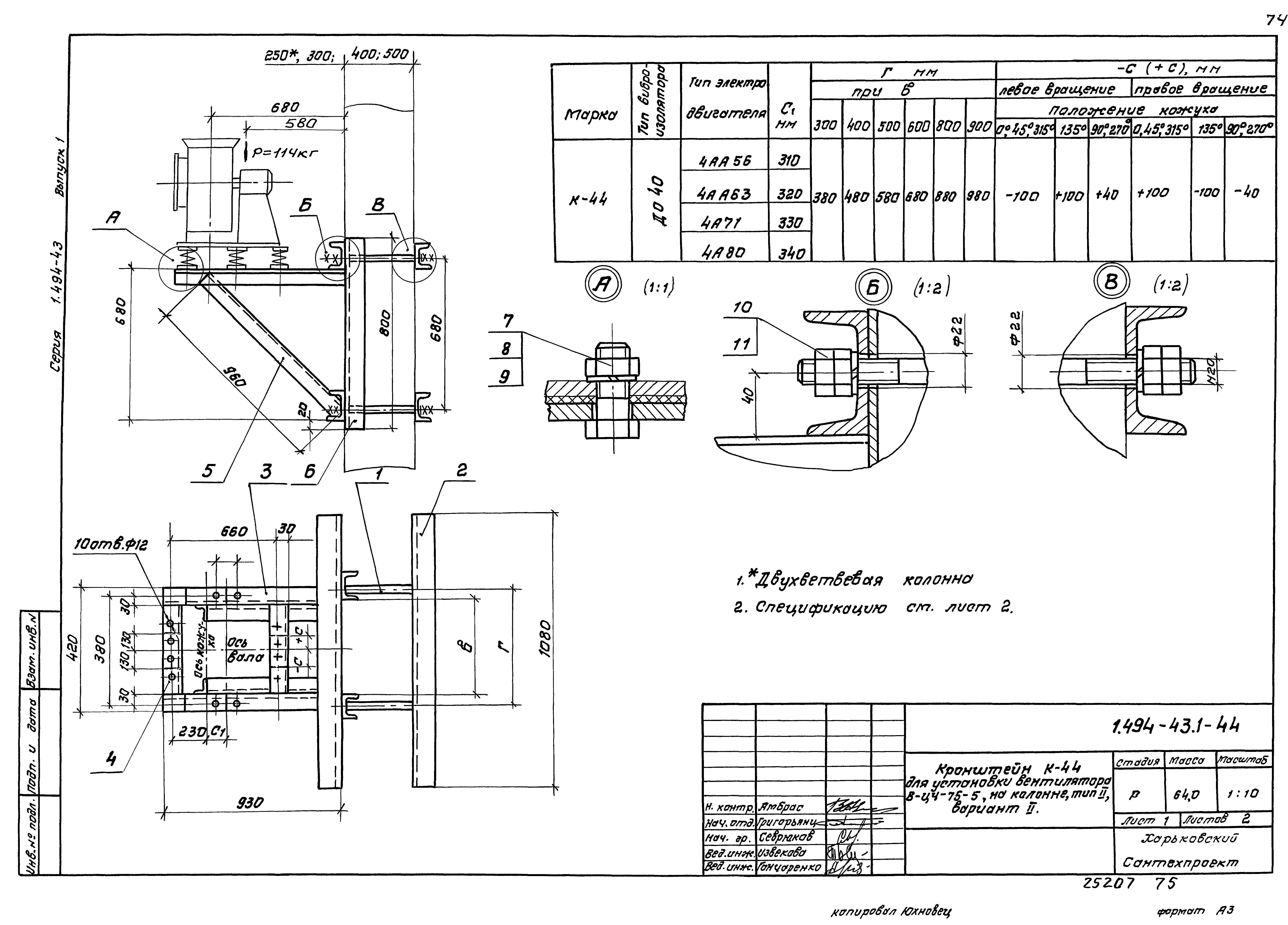
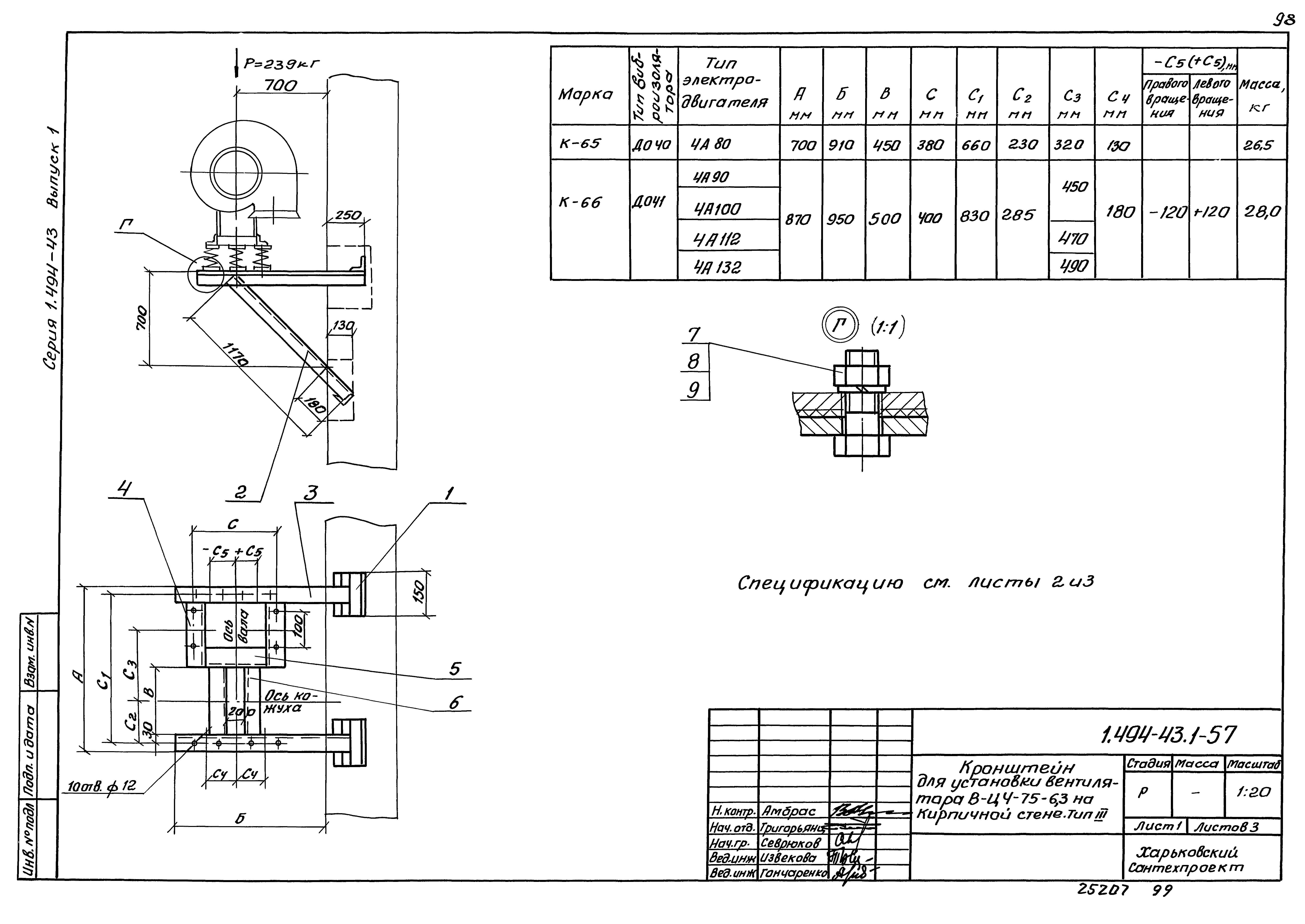
Скачать Серия 1.494-43 Выпуск 1. Установка и крепление центробежных вентиляторов В.Ц4-75 с промежуточными диаметрами колес. Рабочие чертежиДата актуализации: 10.08.2017
|
| Обозначение: | Серия 1.494-43 |
| Обозначение англ: | Series 1.494-43 |
| Статус: | не определен законодательством |
| Название рус.: | Выпуск 1. Установка и крепление центробежных вентиляторов В.Ц4-75 с промежуточными диаметрами колес. Рабочие чертежи |
| Дата добавления в базу: | 01.09.2013 |
| Дата актуализации: | 05.05.2017 |
| Дата введения: | 01.03.1992 |
| Разработан: | Харьковский Сантехпроект |
| Утверждён: | 19.09.1991 Сантехниипроект (26) |
| Расположен в: | |
| Заменяет собой: |


















































































































