| ||||||||||||||||||||||||||||||||||
Скачать Серия 1.134.1-15 Выпуск 2-2. Блоки толщиной 160 мм. Арматурные изделия. Рабочие чертежиДата актуализации: 10.08.2017
|
| Обозначение: | Серия 1.134.1-15 |
| Обозначение англ: | Series 1.134.1-15 |
| Статус: | не определен законодательством |
| Название рус.: | Выпуск 2-2. Блоки толщиной 160 мм. Арматурные изделия. Рабочие чертежи |
| Дата добавления в базу: | 01.09.2013 |
| Дата актуализации: | 05.05.2017 |
| Дата введения: | 15.02.1988 |
| Область применения: | В настоящем выпуске представлены пространственные каркасы и изделия к ним для изготовления блоков внутренних стен |
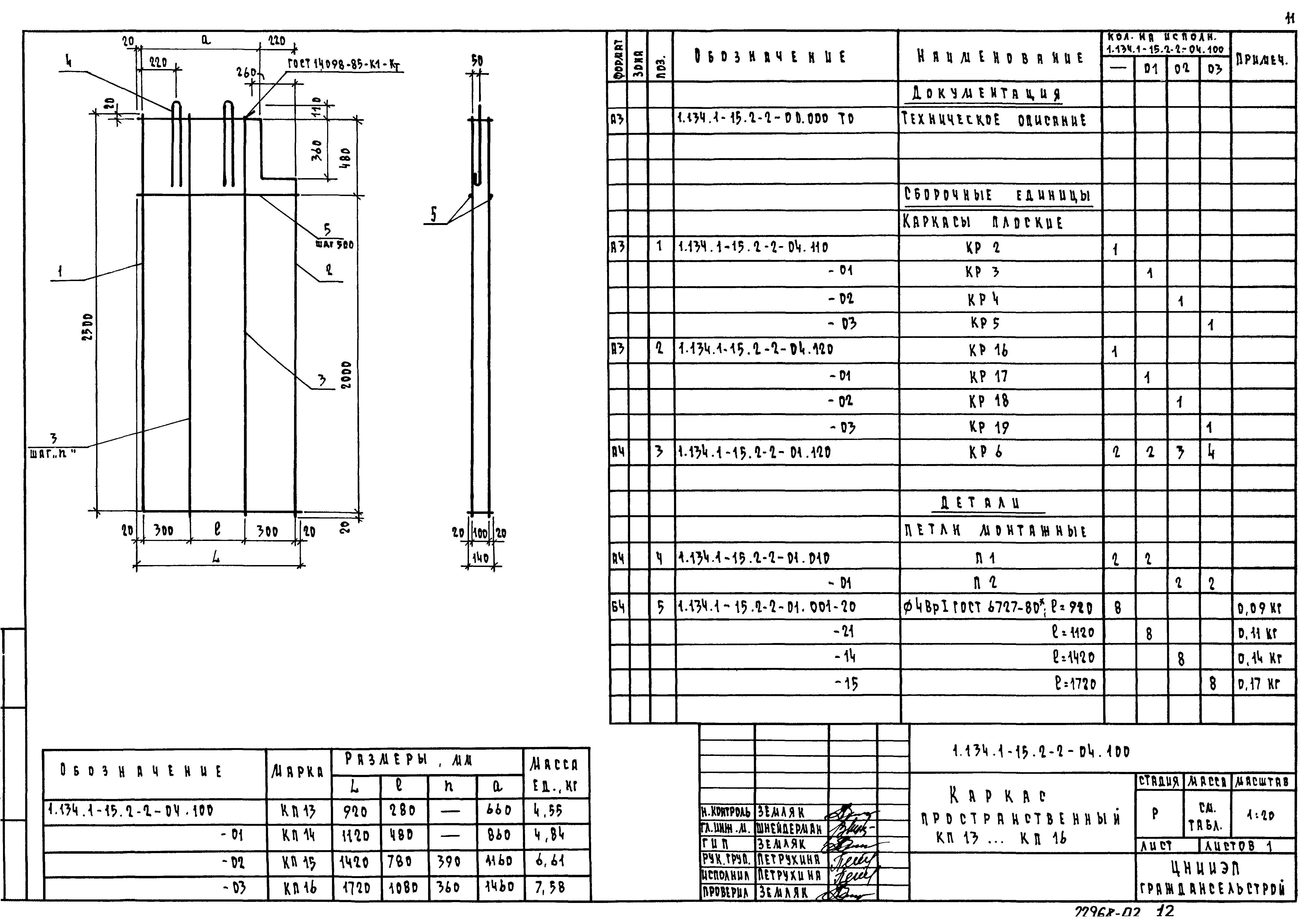
| Оглавление: | 1.134.1-15.2-2-00.000 ТО Техническое описание 1.134.1-15.2-2-01.100 Каркас пространственный КП1… КП5 1.134.1-15.2-2-01.110 Каркас плоский КР1… КР5 1.134.1-15.2-2-01.120 Каркас плоский КР6 1.134.1-15.2-2-02.120 Каркас плоский КР12 1.134.1-15.2-2-02.100 Каркас пространственный КП6… КП10 1.134.1-15.2-2-02.110 Каркас плоский КР7… КР11 1.134.1-15.2-2-03.100 Каркас пространственный КП11, КП12 1.134.1-15.2-2-03.110 Каркас плоский КР13 1.134.1-15.2-2-03.120 Каркас плоский КР14, КР15 1.134.1-15.2-2-04.100 Каркас пространственный КП13… КП16 1.134.1-15.2-2-04.110 Каркас плоский КР16… КР19 1.134.1-15.2-2-05.100 Каркас пространственный КП17, КП18 1.134.1-15.2-2-05.120 Каркас плоский КР21, КР22 1.134.1-15.2-2-05.110 Каркас плоский КР20 1.134.1-15.2-2-06.100 Каркас пространственный КП19…. КП22 1.134.1-15.2-2-06.110 Каркас плоский КР23… КР26 1.134.1-15.2-2-07.100 Каркас пространственный КП23…. КП25 1.134.1-15.2-2-07.110 Каркас плоский КР27 1.134.1-15.2-2-07.120 Каркас плоский КР28… КР30 1.134.1-15.2-2-07.130 Каркас плоский КР31… КР33 1.134.1-15.2-2-08.110 Каркас плоский КР34 1.134.1-15.2-2-08.100 Каркас пространственный КП26…. КП28 1.134.1-15.2-2-09.100 Каркас пространственный КП29 1.134.1-15.2-2-09.110 Каркас плоский КР35 1.134.1-15.2-2-10.100 Каркас пространственный КП30…. КП34 1.134.1-15.2-2-10.110 Каркас плоский КР36… КР40 1.134.1-15.2-2-11.100 Каркас пространственный КП35…. КП40 1.134.1-15.2-2-11.110 Каркас плоский КР41… КР46 1.134.1-15.2-2-01.010 Петля монтажная П1… П4 1.134.1-15.2-2-01.020 Изделие МН1 |
| Разработан: | ЦНИИЭП граждансельстрой |
| Утверждён: | 27.01.1988 Госкомархитектура (23) |
| Издан: | ЦИТП Госстроя СССР (CITP, Gosstroy (USSR) 1988 г. ) |
| Расположен в: | |
| Заменяет собой: | |
| Нормативные ссылки: |
|




























