| ||||||||||||||||||||||||||||||||
Скачать Серия 2.210-1 Выпуск 10. Цоколь и наружные стены подвала каркасно-панельных зданий в конструкциях серии 1.020-1/83. Рабочие чертежиДата актуализации: 10.08.2017
|
| Обозначение: | Серия 2.210-1 |
| Обозначение англ: | Series 2.210-1 |
| Статус: | cправочные материалы, мп, тпр |
| Название рус.: | Выпуск 10. Цоколь и наружные стены подвала каркасно-панельных зданий в конструкциях серии 1.020-1/83. Рабочие чертежи |
| Дата добавления в базу: | 01.09.2013 |
| Дата актуализации: | 05.05.2017 |
| Дата введения: | 01.03.1988 |
| Область применения: | В настоящий выпуск включены типовые детали цоколя и наружных стен подвала каркасно-панельных общественных зданий I - V степени огнестойкости |
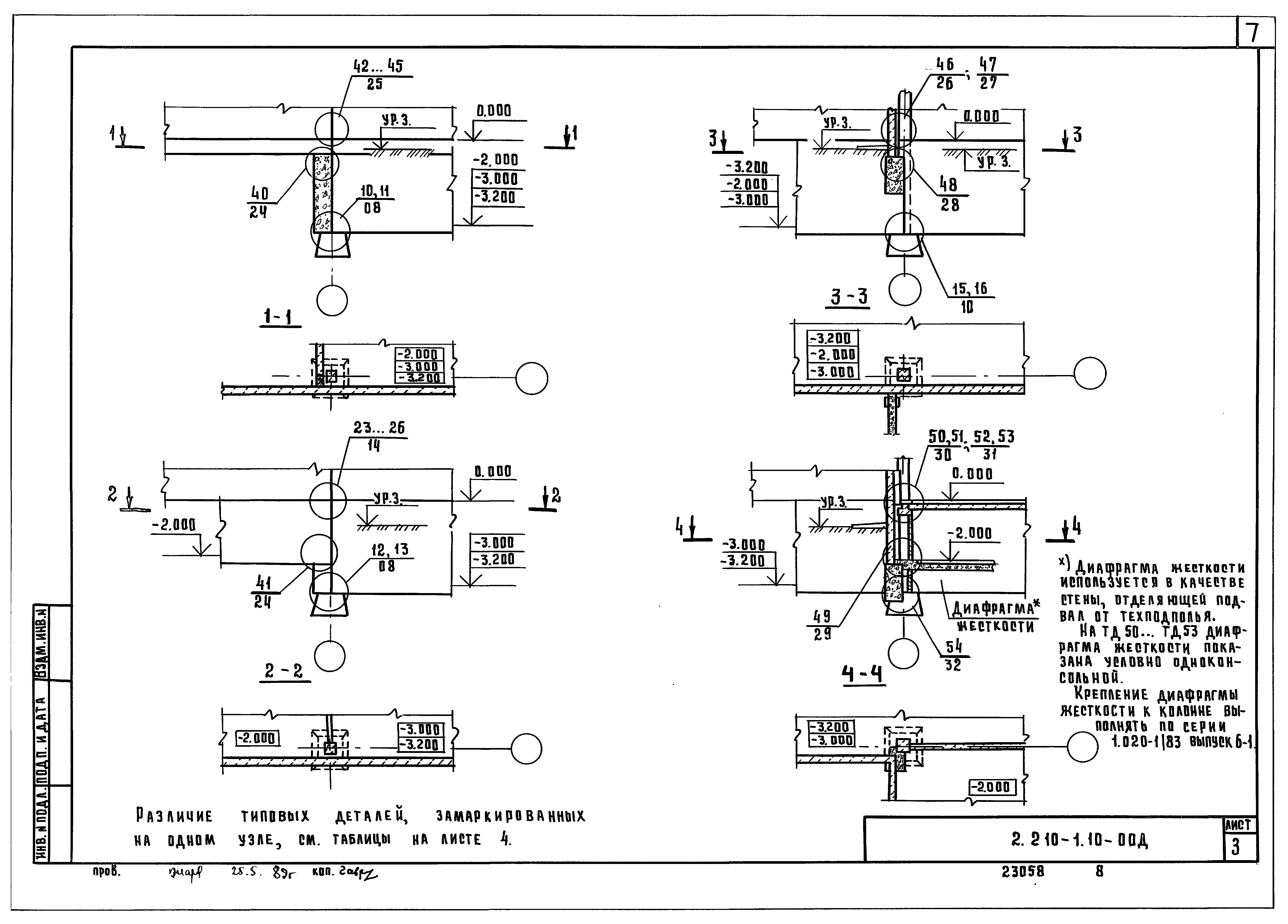
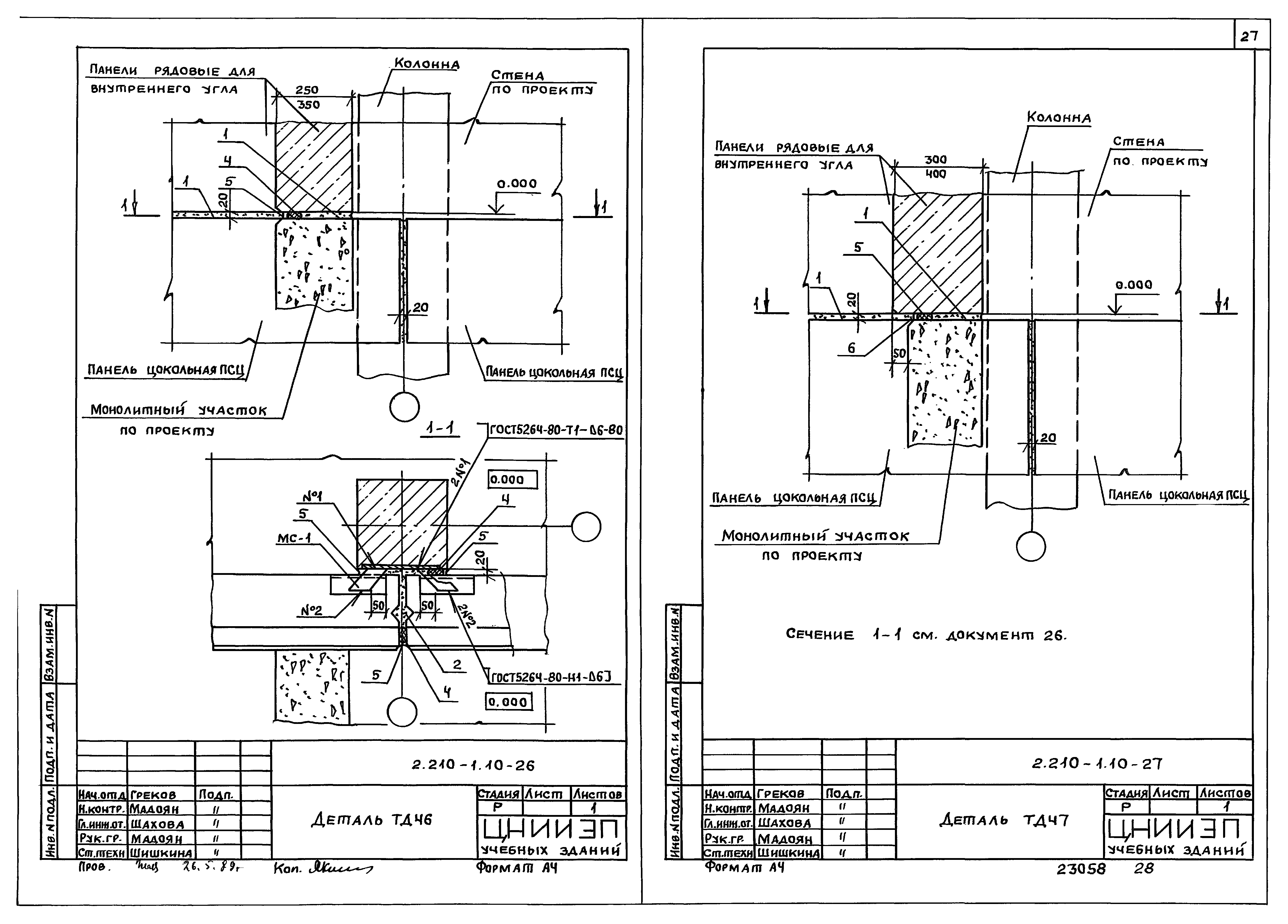
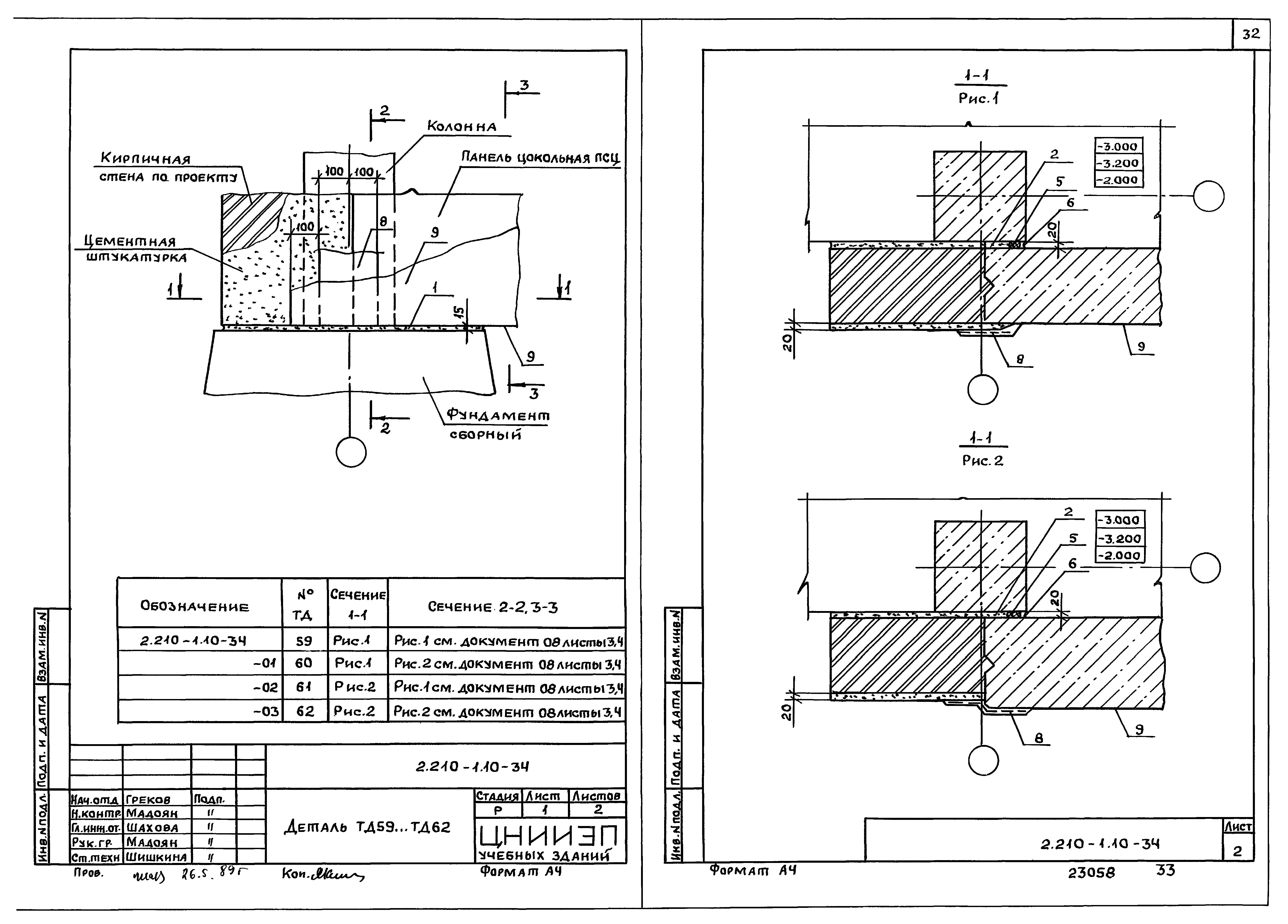
| Оглавление: | 2.210-1.10-00 ТО Техническое описание 2.210-1.10-00 Д Маркировка типовых деталей на фрагментах подземной части зданий 2.210-1.10-01 Деталь ТД1 2.210-1.10-02 Деталь ТД2 2.210-1.10-03 Деталь ТД3 2.210-1.10-04 Деталь ТД4 2.210-1.10-05 Деталь ТД5 2.210-1.10-06 Деталь ТД6, ТД7 2.210-1.10-07 Деталь ТД8, ТД9 2.210-1.10-08 Деталь ТД10… ТД13 2.210-1.10-09 Деталь ТД14 2.210-1.10-10 Деталь ТД15, ТД16 2.210-1.10-11 Деталь ТД17, ТД18 2.210-1.10-12 Деталь ТД19, ТД20 2.210-1.10-13 Деталь ТД21, ТД22 2.210-1.10-14 Деталь ТД23… ТД26 2.210-1.10-15 Деталь ТД27, ТД28 2.210-1.10-16 Деталь ТД29 2.210-1.10-17 Деталь ТД30 2.210-1.10-18 Деталь ТД31 2.210-1.10-19 Деталь ТД31 2.210-1.10-20 Деталь ТД33, ТД34 2.210-1.10-21 Деталь ТД35 2.210-1.10-22 Деталь ТД36, ТД37 2.210-1.10-23 Деталь ТД38, ТД39 2.210-1.10-24 Деталь ТД40, ТД41 2.210-1.10-25 Деталь ТД42… ТД45 2.210-1.10-26 Деталь ТД46 2.210-1.10-27 Деталь ТД47 2.210-1.10-28 Деталь ТД48 2.210-1.10-29 Деталь ТД49 2.210-1.10-30 Деталь ТД50, ТД51 2.210-1.10-31 Деталь ТД52, ТД53 2.210-1.10-32 Деталь ТД54 2.210-1.10-33 Деталь ТД55… ТД58 2.210-1.10-34 Деталь ТД59… ТД62 2.210-1.10-35 Деталь ТД63…. ТД66 2.210-1.10-36 Деталь ТД67, ТД68 2.210-1.10-37 Деталь ТД69, ТД70 2.210-1.10-38 Деталь ТД71, ТД72 2.210-1.10-39 Спецификация на деталь ТД1… ТД9 2.210-1.10-40 Спецификация на деталь ТД10… ТД18 2.210-1.10-41 Спецификация на деталь ТД19… ТД27 2.210-1.10-42 Спецификация на деталь ТД28… ТД36 2.210-1.10-43 Спецификация на деталь ТД37… ТД41 2.210-1.10-44 Спецификация на деталь ТД42… ТД48 2.210-1.10-45 Спецификация на деталь ТД49… ТД54 2.210-1.10-46 Спецификация на деталь ТД55… ТД63 2.210-1.10-47 Спецификация на деталь ТД64… ТД72 |
| Разработан: | ЦНИИЭП учебных зданий Госгражданстроя |
| Утверждён: | 17.02.1988 Госкомархитектура (44) |
| Расположен в: | |
| Заменяет собой: |
|
| Нормативные ссылки: |
|















































