| ||||||||||||||||||||||||||
Скачать РС1-5324 Плиты перекрытий сплошные железобетонные толщиной 140 мм. Рабочие чертежиДата актуализации: 10.08.2017
|
| Обозначение: | РС1-5324 |
| Обозначение англ: | РС1-5324 |
| Статус: | не определен законодательством |
| Название рус.: | Плиты перекрытий сплошные железобетонные толщиной 140 мм. Рабочие чертежи |
| Дата добавления в базу: | 01.09.2013 |
| Дата актуализации: | 05.05.2017 |
| Дата введения: | 01.01.2004 |
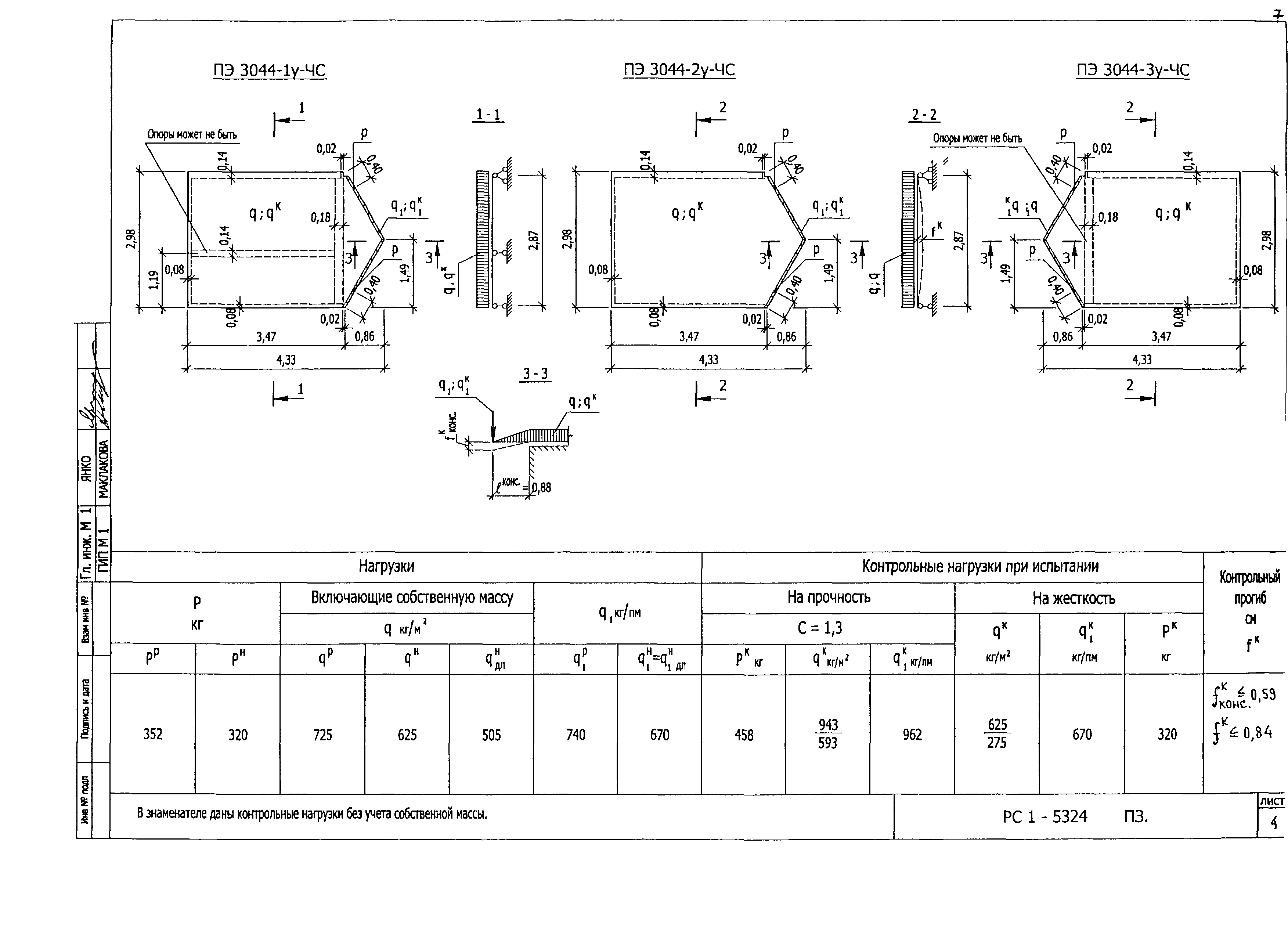
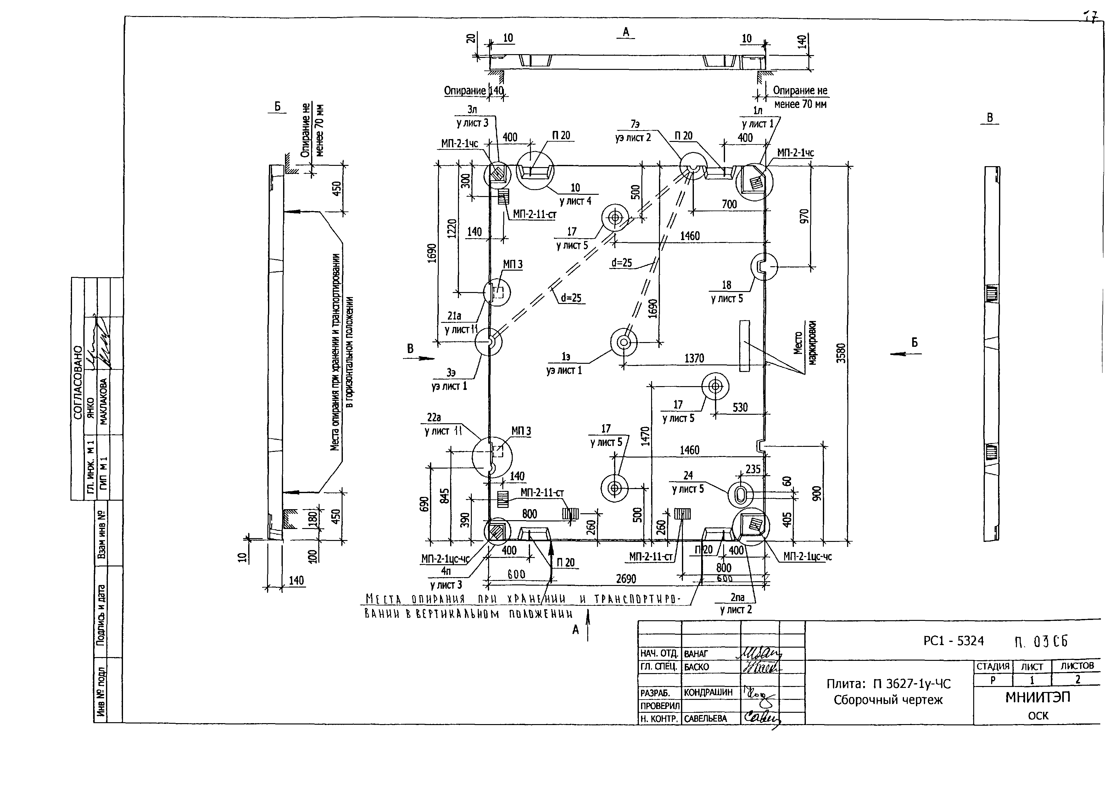
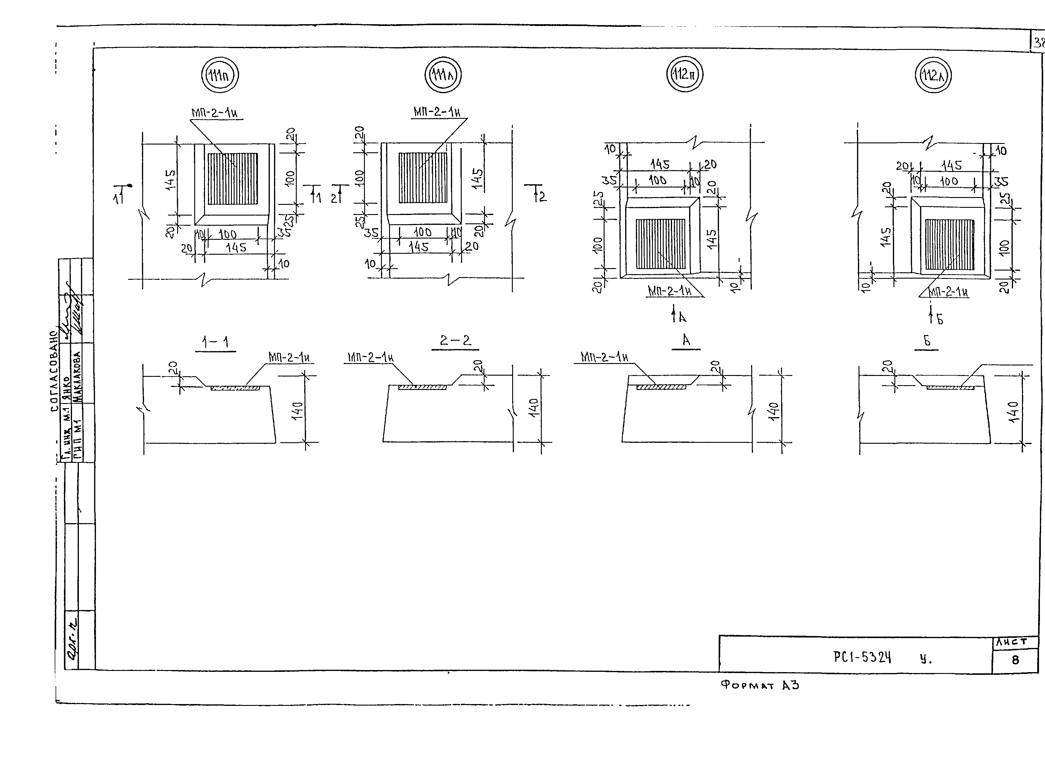
| Оглавление: | РС1-5324 ПЗ. Пояснительная записка РС1-5324 НИ. Номенклатура изделий РС1-5324 РС. Ведомость расхода стали РС1-5324 П.01 СБ. Плита П 303б-1у-ЧС. Сборочный чертеж РС1-5324 П.02 СБ. Плита П 3036-2у-ЧС. Сборочный чертеж РС1-5324 П.03 СБ. Плита П Зб27-1у-ЧС. Сборочный чертеж РС1-5324 П.04 СБ. Плита П 3627-2у-ЧС. Сборочный чертеж РС1-5324 П.05 СБ. Плита П 3627-3у-ЧС. Сборочный чертеж РС1-5324 П.06 СБ. Плита ПЭ 3044-1у-ЧС. Сборочный чертеж РС1-5324 П.07 СБ. Плита ПЭ 3044-2у-ЧС. Сборочный чертеж РС1-5324 П.08 СБ. Плита ПЭ 3044-3у-ЧС. Сборочный чертеж РС1-5324 У Узлы габаритные РС1-5324 УЭ Узлы электрики РС1-5324 Сетки. Сборочный чертеж РС1-5324 Каркасы. Сборочный чертеж РС1-5324 Петли. Сборочный чертеж РС1-5324 Закладные детали. Сборочный чертеж РС1-5324 Информационная карта |
| Разработан: | МНИИТЭП |
| Утверждён: | 01.01.2004 МНИИТЭП (MNIITEP ) |
| Расположен в: |



















































