| ||||||||||||||||||||||||||||||||
 Скачать АТК 24.203.02-90 Аппараты вспомогательные неагрегатированных холодильных машинДата актуализации: 10.08.2017
 | 
| Обозначение: |     АТК 24.203.02-90 | 
| Обозначение англ: |     ATK 24.203.02-90 | 
| Статус: | действует | 
| Название рус.: | Аппараты вспомогательные неагрегатированных холодильных машин | 
| Дата добавления в базу: | 01.09.2013 | 
| Дата актуализации: | 05.05.2017 | 
| Дата введения: | 01.01.1991 | 
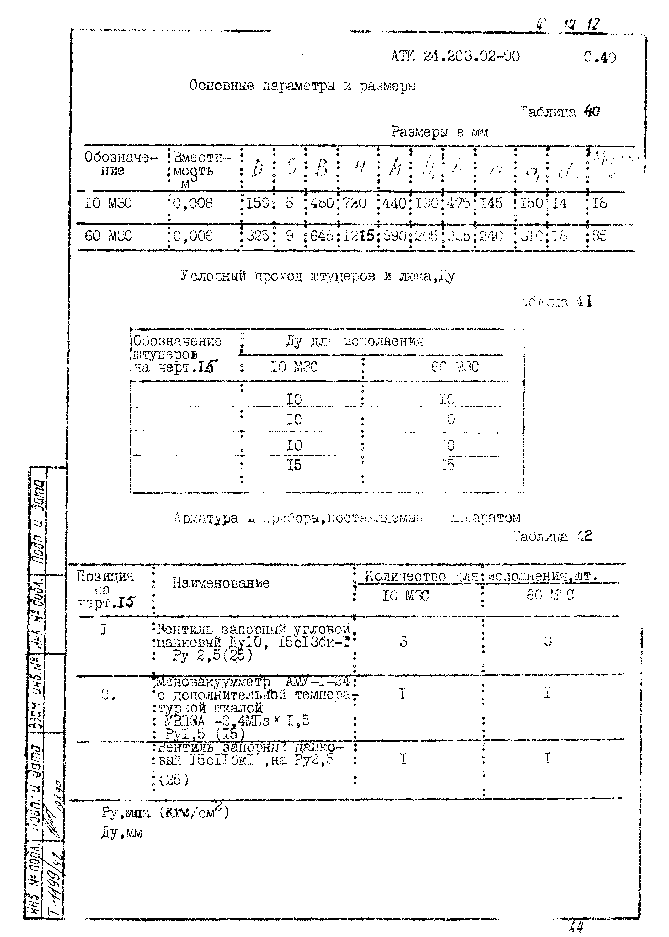
| Область применения: | Альбом устанавливает типовые конструкции, размеры, комплектность поставки и технические требования, рабочие условия эксплуатации коды ОКП стальных вспомогательных и емкостных аппаратов, входящих в состав холодильных установок общепромышленного применения для работы на аммиаке (R 717) и хладонах. | 
| Оглавление: | Технические требования Ресиверы Сосуды промежуточные Маслоотделители Маслосборники Отделители жидкости Фильтры и осушители Отделитель воздуха Емкость расширительная Сводная таблица буквенных обозначений штуцеров и люков Информационные данные  | 
| Разработан: |  ВНИИхолодмаш | 
| Утверждён: | 19.06.1990 Министерство тяжелого машиностроения СССР (USSR Ministry of Heavy Machinery Manufacturing ВА-002-1-6288) | 
| Расположен в: | |
| Заменяет собой: | 
  | 
| Нормативные ссылки: | 
  | 


















































































