| ||||||||||||||||||||||||||||||
Скачать Альбом технических решений по повышению тепловой защиты зданий, утеплению узлов при проведении капитального ремонта жилищного фондаДата актуализации: 10.08.2017 |
| Статус: | действует |
| Название рус.: | Альбом технических решений по повышению тепловой защиты зданий, утеплению узлов при проведении капитального ремонта жилищного фонда |
| Название англ.: | Engineering Datasheets on Improvements of Thermal Protection of Buildings and Heating of Units During Housing Renovation |
| Дата добавления в базу: | 01.09.2013 |
| Дата актуализации: | 05.05.2017 |
| Дата введения: | 01.01.1996 |
| Область применения: | Альбом является методическим пособием, содержит технические решения по повышению тепловой защиты, утеплению конструктивных узлов зданий и инженерного оборудования, предназначен для персонала организаций, эксплуатирующих жилищный фонд и проектных организаций при разработке проекта капитального ремонта жилых зданий. |
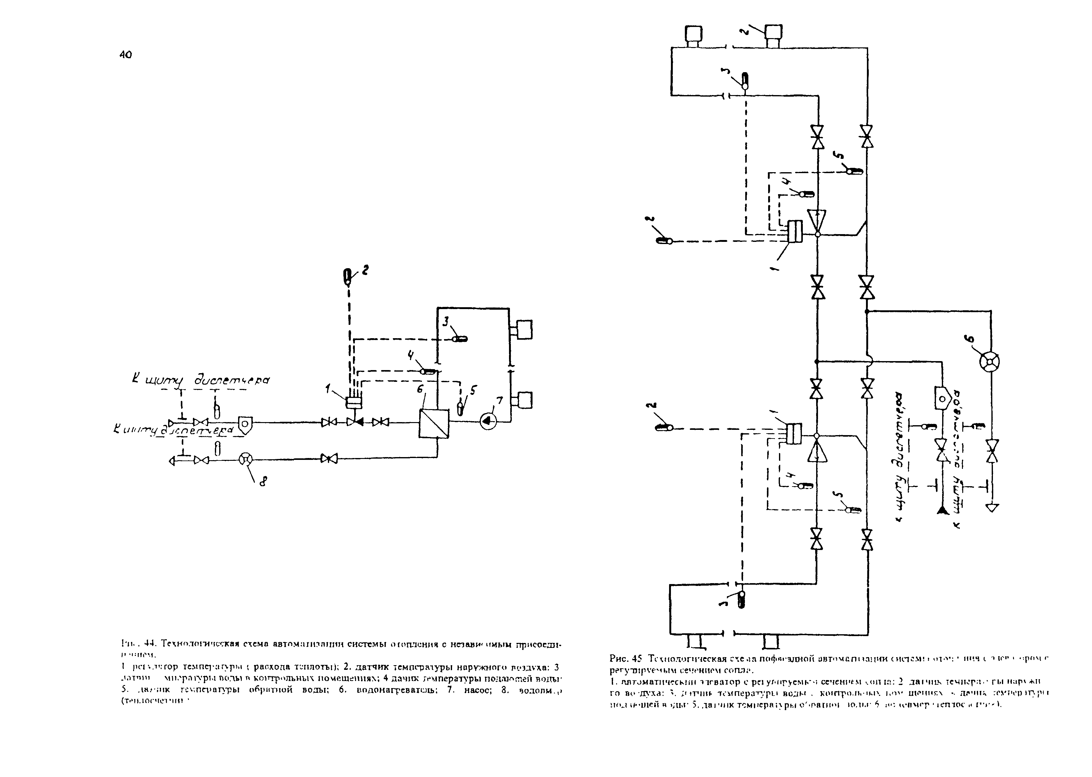
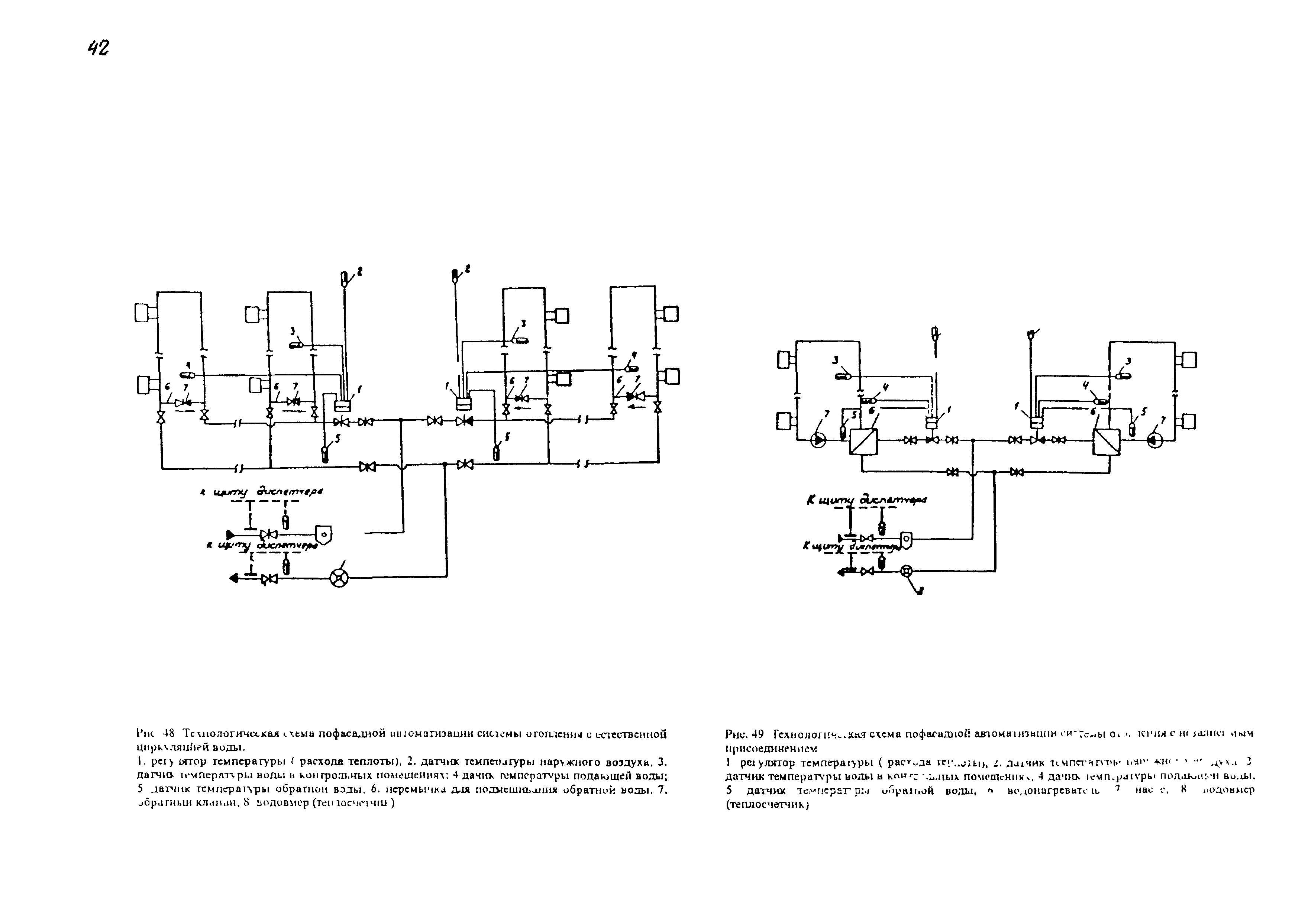
| Оглавление: | 1 Крыши 1.1 Чердачные крыши с холодным чердаком 1.2 Ремонт металлических кровель 1.3 Ремонт мягких кровель 1.4 Бесчердачные крыши 1.5 Крыши с теплым чердаком 2 Стены 3 Стыковые соединения 4 Балконы и лоджии 5 Окна и двери 6 Системы отопления Список литературы |
| Разработан: | АКХ им. К. Д. Памфилова Союз работников ЖКХ России |
| Утверждён: | 01.01.1996 АКХ им. Памфилова (Pamfilov AKKh ) |
| Издан: | Союз работников ЖКХ РФ (1996 г. ) |
| Расположен в: | |
| Нормативные ссылки: |
|













































