| ||||||||||||||||||||||||||||||||||||||||
Скачать РД 34.08.552-95 Методические указания по составлению отчета электростанции и акционерного общества энергетики и электрификации о тепловой экономичности оборудованияДата актуализации: 10.08.2017
|
| Обозначение: | РД 34.08.552-95 |
| Обозначение англ: | RD 34.08.552-95 |
| Статус: | действует |
| Название рус.: | Методические указания по составлению отчета электростанции и акционерного общества энергетики и электрификации о тепловой экономичности оборудования |
| Название англ.: | Procedural Guidelines for Writing Reports of Electric Power Generating Stations and Energy Utility and Electrification Corporations on Thermal Efficiency of Equipment |
| Дата добавления в базу: | 01.09.2013 |
| Дата актуализации: | 05.05.2017 |
| Дата введения: | 01.02.1996 |
| Область применения: | Методические указания устанавливают порядок подготовки отчета о тепловой экономичности оборудования электростанций, работающих на органическом топливе, районных котельных , акционерных обществ энергетики и электрификации (АО-энерго), способы определения фактических, номинальных и нормативных значений показателей. |
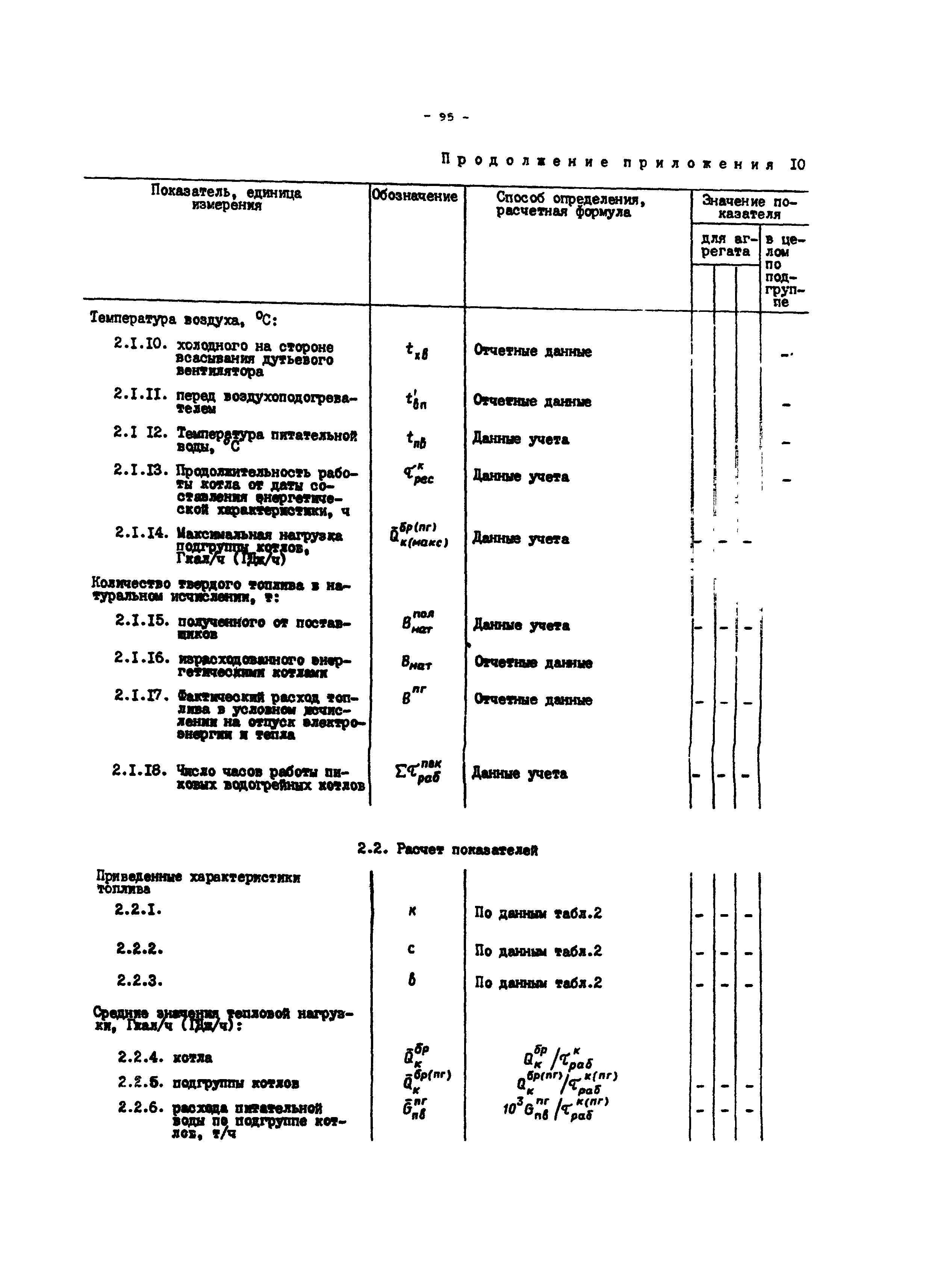
| Оглавление: | Введение 1 Общие положения 2 Заполнение информационной части макетов 2.1 Заполнение макета 15506-1 2.2 Заполнение макета 15506-2 и 15505 2.3 Заполнение макета 15506-3 3 Определение значений показателей, включенных в макеты 3.1 Расчет показателей макета 15506-1 3.2 Расчет показателей макета 15506-2 3.3 Расчет показателей макета 15506-3 3.4 Расчет показателей макета 15505 Приложение 1 Макет 15506-1. Отчет электростанции о тепловой экономичности оборудования Приложение 2 Макет 15506-2. Отчет электростанции о тепловой экономичности оборудования Приложение 3 Макет 15506-3. Отчет котельной о тепловой экономичности оборудования Приложение 4 Пример расчета тепловых нагрузок турбоагрегата, средневзвешенной энтальпии пара регенеративных отборов и мощности, развиваемой по теплофикационному циклу Приложение 5 Составляющие расхода тепла на собственные нужды тепловых электростанций и технологических потерь тепла, связанных с его отпуском Приложение 6 Составляющие расхода электроэнергии на собственные нужды тепловых электростанций Приложение 7 Затраты топлива, тепла и электроэнергии на пруски энергоблоков, турбоагрегатов и котлов Приложение 8 Обобщенные констранты твердых и жидких топлив Приложение 9 Обобщенные констранты природных и попутных газов Приложение 10 Пример макета расчета нормативных удельных расходов и экономии топлива на отпуск электроэнергии и тепла за отчетный месяц Приложение 11 Коэффициенты влияния участия оборудования в регулировании суточных графиков электрических нагрузок на удельный расход условного топлива Приложение 12 Коэффициенты освоения вновь введенного оборудования, % Приложение 13 Алгоритм контроля достоверности информации, содержащейся в макете 15506-1 Приложение 14 Алгоритм контроля достоверности информации, содержащейся в макете 15506-2 и 15505 Приложение 15 Алгоритм контроля достоверности информации, содержащейся в макете 15506-3 |
| Разработан: | АО Фирма ОРГРЭС |
| Утверждён: | 24.11.1995 Минтопэнерго РФ (Russian Federation Mintopenergo ) |
| Принят: | 24.10.1995 РАО ЕЭС России (UES of Russia RAO ) 23.11.1995 Федеральная энергетическая комиссия РФ |
| Издан: | СПО ОРГРЭС (1995 г. ) |
| Расположен в: | |
| Список изменений: |
|
| Заменяет собой: |
|
| Нормативные ссылки: |
|






























































































































Текстовое изменение № 1














