Информационная система
«Ёшкин Кот»

Скачать базу одним архивом
Скачать обновления
История создания базы
Карта сайта

Скачать ГОСТ 9413-78 Щитки осветительные для жилых зданий. Общие технические условия

Дата актуализации: 10.08.2017

ГОСТ 9413-78

Щитки осветительные для жилых зданий. Общие технические условия

Обозначение: ГОСТ 9413-78
Обозначение англ: GOST 9413-78
Статус:отменен в рф
Название рус.:Щитки осветительные для жилых зданий. Общие технические условия
Название англ.:Lighting panels for dwelling-houses. General specifications
Дата добавления в базу:01.10.2014
Дата актуализации:05.05.2017
Дата введения:01.07.2001
Область применения:Стандарт распространяется на осветительные щитки для жилых зданий предназначенные для распределения и учета электроэнергии напряжением 220 В, а также для защиты линии при перегрузках и коротких замыканиях в сетях с глухозаземленной нейтралью трехфазного переменного напряжения 380/220 Вчастотой 50 Гц.
Оглавление:1. Классификация
2. Основные параметры и размеры
3. Технические требования
4. Требования безопасности
5. Правила приемки
6. Методы испытаний
7. Маркировка, упаковка, транспортирование и хранение
8. Гарантии изготовителя
9. Указания по эксплуатации
Приложение 1 (обязательное) Размеры ниш для щитков
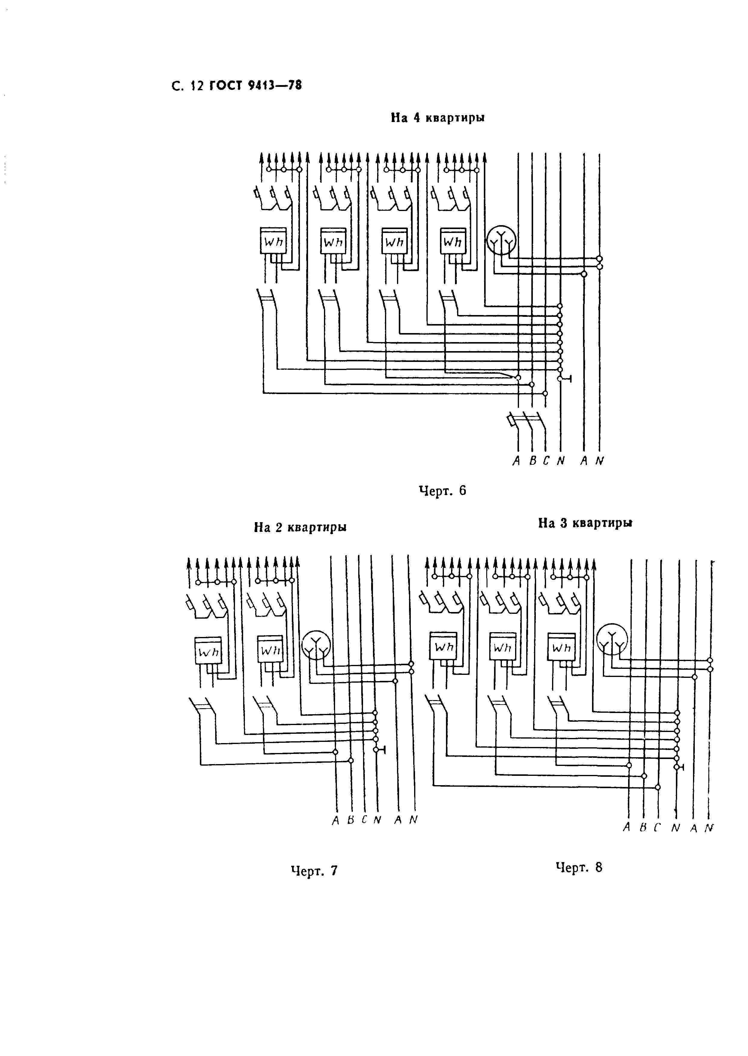
Приложение 2 (рекомендуемое) Схема электрическая принципиальная квартирного щитка
Приложение 3 (рекомендуемое) Схемы электрические принципиальные этажных щитков
Утверждён:25.01.1978 Государственный комитет стандартов Совета Министров СССР (USSR National Committee on Standards at the Cabinet of Ministers 188)
Издан: Издательство стандартов (1987 г. )
Расположен в:Техническая документация Электроэнергия СТРОИТЕЛЬНЫЕ МАТЕРИАЛЫ И СТРОИТЕЛЬСТВО Установки в зданиях Системы электроснабжения Экология СТРОИТЕЛЬНЫЕ МАТЕРИАЛЫ И СТРОИТЕЛЬСТВО Установки в зданиях Системы электроснабжения Строительство Стандарты Другие государственные стандарты, применяемые в строительстве Строительные материалы и строительство
Список изменений:
Заменяет собой:
  • ГОСТ 9413-69 «Щитки осветительные для жилых зданий. Технические требования»
Нормативные ссылки:
ГОСТ 9413-78ГОСТ 9413-78ГОСТ 9413-78ГОСТ 9413-78ГОСТ 9413-78ГОСТ 9413-78ГОСТ 9413-78ГОСТ 9413-78ГОСТ 9413-78ГОСТ 9413-78ГОСТ 9413-78ГОСТ 9413-78ГОСТ 9413-78ГОСТ 9413-78ГОСТ 9413-78ГОСТ 9413-78ГОСТ 9413-78ГОСТ 9413-78ГОСТ 9413-78ГОСТ 9413-78ГОСТ 9413-78ГОСТ 9413-78ГОСТ 9413-78ГОСТ 9413-78ГОСТ 9413-78ГОСТ 9413-78ГОСТ 9413-78ГОСТ 9413-78ГОСТ 9413-78ГОСТ 9413-78ГОСТ 9413-78ГОСТ 9413-78ГОСТ 9413-78

Текстовое изменение № 2 от 01.01.1989

№ 2№ 2№ 2№ 2№ 2№ 2

Текстовое изменение № 3 от 01.07.1991

№ 3№ 3№ 3№ 3№ 3№ 3№ 3№ 3№ 3

Текстовое изменение № 4 от 01.05.1992

№ 4№ 4№ 4№ 4

Текстовое изменение Поправка

Поправка

© 2013 Ёшкин Кот :-) Карта сайта