| ||||||||||||||||||||||||||||||||||||
Скачать ГОСТ Р 51731-2001 Контакторы электромеханические бытового и аналогичного назначенияДата актуализации: 10.08.2017
|
| Обозначение: | ГОСТ Р 51731-2001 |
| Обозначение англ: | GOST R 51731-2001 |
| Статус: | заменен |
| Название рус.: | Контакторы электромеханические бытового и аналогичного назначения |
| Название англ.: | Electromechanical contactors for hausehold and similar purposes |
| Дата добавления в базу: | 01.09.2013 |
| Дата актуализации: | 05.05.2017 |
| Дата введения: | 01.01.2012 |
| Область применения: | Стандарт распространяется на контакторы с воздушным зазором между контактами бытового и аналогичного назначения для цепей номинальным напряжением не более 440 В переменного тока и номинальным током не более 63 А для категории применения АС-7а, 32 А - для категории применения АС-7b и значением номинального тока короткого замыкания не более 6 кА. |
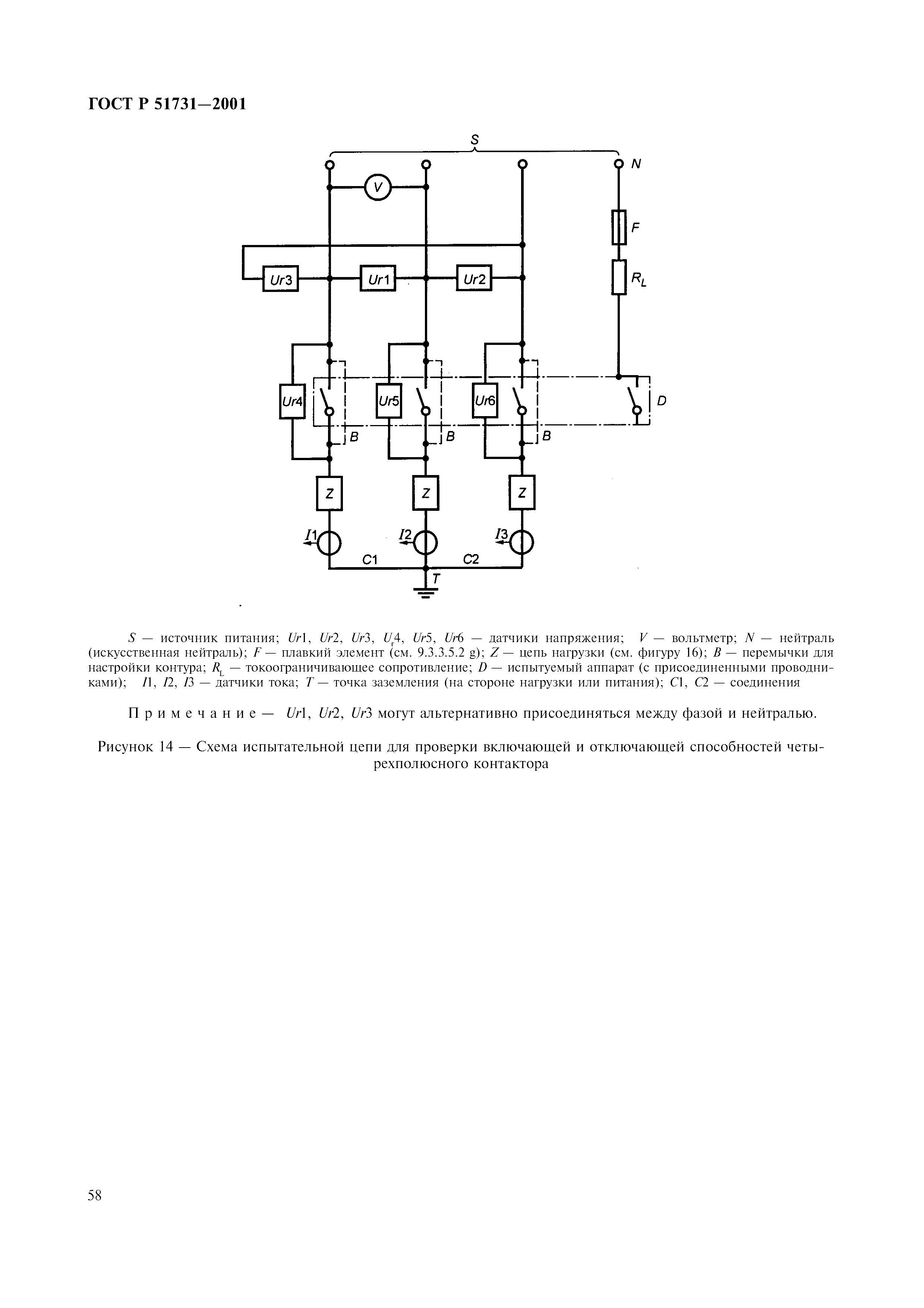
| Оглавление: | 1 Область применения 2 Нормативные ссылки 3 Определения 3.1 Общие термины 3.2 Коммутационные устройства 3.3 Части коммутационных устройств 3.4 Работа коммутационных устройств 3.5 Характеристики 4 Классификация 5 Характеристики контакторов 5.1 Перечень характеристики 5.2 Тип контактора 5.3 Номинальные и предельные значения параметров главных цепей 5.4 Категории применения 5.5 Цепи управления 5.6 Вспомогательные цепи 5.7 Координация с устройствами для защиты от коротких замыканий 5.8 Коммутационные перенапряжения 6 Информация об изделии 6.1 Характер информации 6.2 Маркировка 6.3 Указания по монтажу, эксплуатации и обслуживанию 7 Нормальные условия эксплуатации, транспортирования и монтажа 7.1 Нормальные условия эксплуатации 7.2 Условия транспортирования и хранения 7.3 Монтаж 8 Требования к конструкции и работоспособности 8.1 Требования к конструкции 8.2 Требования к работоспособности 9 Испытания 9.1 Виды испытаний 9.2 Соответствие требованиям к конструкции 9.3 Соответствие требованиям к работоспособности Рисунки Приложение А Маркировка и идентификации выводов контакторов Приложение В Циклы испытаний и число образцов, подвергаемых сертификационным испытаниям Приложение С Описание метода регулирования цепи нагрузки Приложение D Определение коэффициента мощности при коротких замыканиях Приложение Е Измерение расстояний утечки и воздушных зазоров Приложение F Корреляция между паспортным напряжением системы питания и номинальным импульсным выдерживаемым напряжением контактора Приложение G Испытание нагретой проволокой Приложение Н Дополнительные требования, учитывающие потребности экономики страны и требования государственных стандартов на электротехнические изделия Приложение J Библиография |
| Разработан: | АООТ НИИЭлектроаппарат |
| Утверждён: | 05.04.2001 Госстандарт Российской Федерации (168-ст) |
| Издан: | ИПК Издательство стандартов (2001 г. ) |
| Расположен в: | |
| Чем заменён: | |
| Нормативные ссылки: |
|
















































































