Информационная система
«Ёшкин Кот»

Скачать базу одним архивом
Скачать обновления
История создания базы
Карта сайта

Скачать АТК 24.200.04-90 Опоры цилиндрические и конические вертикальных аппаратов. Типы и основные размеры

Дата актуализации: 10.08.2017

АТК 24.200.04-90

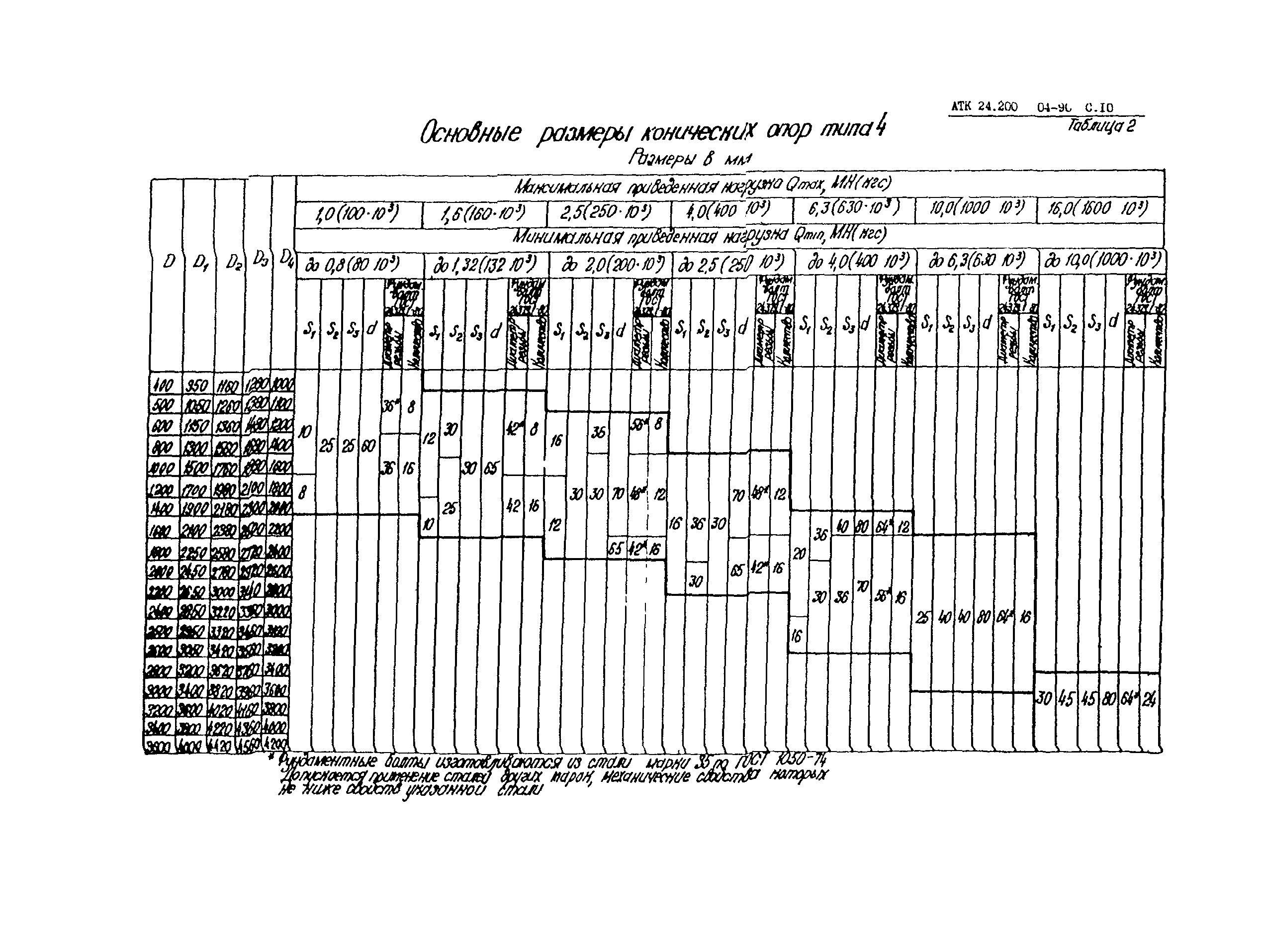
Опоры цилиндрические и конические вертикальных аппаратов. Типы и основные размеры

Обозначение: АТК 24.200.04-90
Обозначение англ: ATK 24.200.04-90
Статус:действует
Название рус.:Опоры цилиндрические и конические вертикальных аппаратов. Типы и основные размеры
Название англ.:Supports for Cylindrical and Conical Upright Apparatus - Types and Basic Parameters
Дата добавления в базу:01.09.2013
Дата актуализации:05.05.2017
Дата введения:01.01.1991
Область применения:Альбом типовых конструкций распространяется на опоры стальные сварные цилиндрические и конические стальных сварных вертикальных аппаратов диаметром от 400 до 6300 мм при приведенных нагрузках на опору не более 16,0 Мн. Допускается применение АТК для аппаратов, изготовленных из титановых сплавов, при условии выполнения опор съемными.
Оглавление:Приложение 1. Расчет приведенных нагрузок и выбор опоры
Приложение 2. Расчет длины переходной обечайки из коррозионно-стойкой стали
Приложение 3. Пределы применения типов опор в зависимости от минимальной приведенной нагрузки
Приложение 4. Формулы определения расстояния между опорой и осью сварного соединения днища с корпусом
Приложение 5. Формулы для определения масс элементов опорного узла (в кг)
Разработан: УкрНИИхиммаш
Утверждён:20.09.1990 Министерство тяжелого машиностроения СССР (USSR Ministry of Heavy Machinery Manufacturing АВ-002-1-8993)
Расположен в:Техническая документация Экология СТРОИТЕЛЬНЫЕ МАТЕРИАЛЫ И СТРОИТЕЛЬСТВО Конструкции зданий Конструкции зданий в целом ДОБЫЧА И ПЕРЕРАБОТКА НЕФТИ, ГАЗА И СМЕЖНЫЕ ПРОИЗВОДСТВА Оборудование для переработки нефти, нефтяных продуктов и природного газа Трубопроводы и их компоненты ГИДРАВЛИЧЕСКИЕ И ПНЕВМАТИЧЕСКИЕ СИСТЕМЫ И КОМПОНЕНТЫ ОБЩЕГО НАЗНАЧЕНИЯ Резервуары для хранения жидкостей и газов Резервуары для хранения жидкостей и газов в целом Строительство Стандарты Отраслевые стандарты и технические условия Альбомы типовых конструкций и альбомы рабочих чертежей
Заменяет собой:
Нормативные ссылки:
АТК 24.200.04-90АТК 24.200.04-90АТК 24.200.04-90АТК 24.200.04-90АТК 24.200.04-90АТК 24.200.04-90АТК 24.200.04-90АТК 24.200.04-90АТК 24.200.04-90АТК 24.200.04-90АТК 24.200.04-90АТК 24.200.04-90АТК 24.200.04-90АТК 24.200.04-90АТК 24.200.04-90АТК 24.200.04-90АТК 24.200.04-90АТК 24.200.04-90АТК 24.200.04-90АТК 24.200.04-90АТК 24.200.04-90АТК 24.200.04-90АТК 24.200.04-90АТК 24.200.04-90АТК 24.200.04-90АТК 24.200.04-90

© 2013 Ёшкин Кот :-) Карта сайта