Информационная система
«Ёшкин Кот»

XXXecatmenu

ФЕДЕРАЛЬНОЕ АГЕНТСТВО
ПО ТЕХНИЧЕСКОМУ РЕГУЛИРОВАНИЮ И МЕТРОЛОГИИ

НАЦИОНАЛЬНЫЙ
СТАНДАРТ
РОССИЙСКОЙ
ФЕДЕРАЦИИ

ГОСТ Р
53819-2010

Автомобильные транспортные средства

ДЕТАЛИ КРЕПЛЕНИЯ КОЛЕС

Технические требования и методы испытаний

Москва

Стандартинформ

2010

Предисловие

Цели и принципы стандартизации в Российской Федерации установлены Федеральным законом от 27 декабря 2002 г. № 184-ФЗ «О техническом регулировании», а правила применения национальных стандартов Российской Федерации - ГОСТ Р 1.0-2004 «Стандартизация в Российской Федерации. Основные положения»

Сведения о стандарте

1 РАЗРАБОТАН Федеральным государственным унитарным предприятием «Центральный ордена Трудового Красного Знамени научно-исследовательский автомобильный и автомоторный институт «НАМИ» (ФГУП «НАМИ»)

2 ВНЕСЕН Техническим комитетом по стандартизации ТК 56 «Дорожный транспорт»

3 УТВЕРЖДЕН И ВВЕДЕН В ДЕЙСТВИЕ Приказом Федерального агентства по техническому регулированию и метрологии от 7 июля 2010 г. № 147-ст

4 ВВЕДЕН ВПЕРВЫЕ

Информация об изменениях к настоящему стандарту публикуется в ежегодно издаваемом информационном указателе «Национальные стандарты», а текст изменений и поправок - в ежемесячно издаваемых информационных указателях «Национальные стандарты». В случае пересмотра (замены) или отмены настоящего стандарта соответствующее уведомление будет опубликовано в ежемесячно издаваемом информационном указателе «Национальные стандарты». Соответствующая информация, уведомление и тексты размещаются также в информационной системе общего пользования - на официальном сайте Федерального агентства по техническому регулированию и метрологии в сети Интернет

СОДЕРЖАНИЕ

НАЦИОНАЛЬНЫЙ СТАНДАРТ РОССИЙСКОЙ ФЕДЕРАЦИИ

Автомобильные транспортные средства

ДЕТАЛИ КРЕПЛЕНИЯ КОЛЕС

Технические требования и методы испытаний

Vehicles. Fastenings of wheels. Technical requirements and test methods

Дата введения - 2010-09-15

1 Область применения

Настоящий стандарт распространяется на болты и гайки, предназначенные для крепления колес транспортных средств категорий М, N и О, предназначенные для пассажирских и грузовых перевозок.

Стандарт устанавливает требования к гайкам и болтам крепления колес и методы испытаний.

2 Нормативные ссылки

В настоящем стандарте использованы нормативные ссылки на следующие стандарты:

ГОСТ Р 52627-2006 Болты, винты и шпильки. Механические свойства и методы испытаний

ГОСТ Р 52051-2003 Механические транспортные средства и прицепы. Классификация и определения

ГОСТ Р 52628-2006 Гайки. Механические свойства и методы испытаний

ГОСТ Р ИСО 3269-2009 Изделия крепежные. Приемочный контроль

ГОСТ Р ИСО 4042-2009 Изделия крепежные. Электролитические покрытия

ГОСТ Р ИСО 4759-1-2009 Изделия крепежные. Допуски. Часть 1. Болты, винты, шпильки и гайки. Классы точности А, В и С

ГОСТ Р ИСО 4759-3-2009 Изделия крепежные. Допуски. Часть 3. Плоские круглые шайбы для болтов, винтов и гаек. Классы точности А и С

ГОСТ Р ИСО 6157-1-2009 Изделия крепежные. Дефекты поверхности. Часть 1. Болты, винты и шпильки общего назначения

ГОСТ Р ИСО 6157-2-2009 Изделия крепежные. Дефекты поверхности. Часть 2. Гайки

ГОСТ Р ИСО 16047-2009 Изделия крепежные. Испытания крутящего момента и усилия предварительной затяжки

ГОСТ Р ИСО 16426-2009 Изделия крепежные. Система обеспечения качества

ГОСТ 9.301-86 Единая система защиты от коррозии и старения. Покрытия металлические и неметаллические неорганические. Общие требования

ГОСТ 9.302-88 Единая система защиты от коррозии и старения. Покрытия металлические и неметаллические неорганические. Методы контроля

ГОСТ 9.303-84 Единая система защиты от коррозии и старения. Покрытия металлические и неметаллические неорганические. Общие требования к выбору

ГОСТ 9.306-85 Единая система защиты от коррозии и старения. Покрытия металлические и неметаллические неорганические. Обозначения

ГОСТ 1759.0-87 Болты, винты, шпильки и гайки. Технические условия

ГОСТ 2789-73 Шероховатость поверхности. Параметры и характеристики

ГОСТ 9150-2002 (ИСО 68-1-98) Основные нормы взаимозаменяемости. Резьба метрическая. Профиль

ГОСТ 10409-74 (ИСО 4107-95) Колеса автомобильные с разборным ободом. Основные размеры. Общие технические требования

ГОСТ 12414-94 (ИСО 4753-83) Концы болтов, винтов и шпилек. Размеры

ГОСТ 16093-2004 (ИСО 965-1:1998, ИСО 965-3:1998) Основные нормы взаимозаменяемости. Резьба метрическая. Допуски. Посадки с зазором

ГОСТ 24705-2004 (ИСО 724:1993) Основные нормы взаимозаменяемости. Резьба метрическая. Основные размеры

ГОСТ 27148-86 Изделия крепежные. Выход резьбы, сбеги, недорезы и проточки. Размеры

Примечание - При пользовании настоящим стандартом целесообразно проверить действие ссылочных стандартов в информационной системе общего пользования - на официальном сайте Федерального агентства по техническому регулированию и метрологии в сети Интернет или по ежегодно издаваемому информационному указателю «Национальные стандарты», который опубликован по состоянию на 1 января текущего года, и по соответствующим ежемесячно издаваемым информационным указателям, опубликованным в текущем году. Если ссылочный стандарт заменен (изменен), то при пользовании настоящим стандартом следует руководствоваться заменяющим (измененным) стандартом. Если ссылочный стандарт отменен без замены, то положение, в котором дана ссылка на него, применяется в части, не затрагивающей эту ссылку.

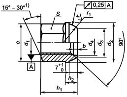
3 Конструкция и размеры

3.1 Конструкция и размеры деталей крепления колес должны соответствовать указанным:

- для гаек на рисунках 1, 2 и в таблицах 1, 2;

- для болтов на рисунке 3 и в таблице 3.

Штамповочные уклоны шестигранника должны располагаться внутри поля допуска размера под ключ.

; остальные поверхности  - по ГОСТ 2789

а

Гайка со сферическим фланцем, тип А М12 - М20

б

Гайка со сферическим фланцем, тип А М22

в

Гайка с плоским фланцем, тип В

г

Гайка конусная, тип С

______________

1) Для штампованных гаек допускается скругление вместо фаски.

Рисунок 1

Таблица 1

Резьба d1

Индекс

Исполнение

b

+0,5

0

d2

0

-0,5

d3

0

-0,5

d4

Н13

d5

0

-0,5

h1

+1

0

h21)

±0,5

h3

+1

0

h41)

±0,5

h5

±0,25

r1

±0,1

S

h13

е, не менее

α

±1°

М12×1,25

12

F

-

-

15

13

-

-

-

-

-

14

-

19

20,88

60°

90°

М12×1,5

12

F

-

-

15

13

-

-

-

-

-

14

-

19

20,88

60°

90°

М12×1,5

12

А, В

1

23

14,5

12,5

24

18

7,5

13

2,5

-

12

17

18,72

-

М14×1,5

14

А, В

1,5

26

17

14,5

27

20

7,5

15

3

-

14

19

20,88

-

М18×1,5

18

А, В

1,5

28

21

18,5

29

25

7,5

18

4

-

16

24

26,17

-

М20×1,5

20

А, В

3

33

24,5

20,5

34

27

9

20

5

-

18

27

29,56

-

М22×1,5

22

А, В

4

36

26,5

22,5

36

30

10,5

22

6

-

18

30

32,95

-

1) Уклоны расположены вне размеров h2 и соответственно h4

Рисунок 2 - Гайка колесная с невыпадающей упорной шайбой, тип D

Таблица 2

Резьба d1

Гайка колесная с невыпадающей упорной шайбой

S, мм

d2, мм

+0,5

0

d3, мм

0

-0,5

h, мм не более

b, мм не менее

М18×1,5

27

25,5

40

25

4,5

М20×1,5

30

28

45

27

4,5

М22×1,5

32

30

46

27

4,5

 

а

Болт со сферическим фланцем, тип А

б

Болт с конусным фланцем, тип В

Рисунок 3 - Болты колесные

; остальные поверхности  - по ГОСТ 2789

Таблица 3

Резьба, d1

Исполнение

Индекс

d10, мм

+1,5

0,5

h7, мм

+1

0,5

h8, мм

±0,5

l5, мм

±0,5

r1, мм

±0,1

S, мм

h13

е, мм не менее

α, ±1°

М12×1,5

А

12

22,5

18

7,5

21

12

17

18,72

-

М12×1,25

Б

12

20,5

22

9,5

27

-

17

18,72

60

М14×1,5

А

14

26

20

8,0

24

14

19

20,88

-

М14×1,5

А

14

24

18

6,0

18

14

19

20,88

-

М18×1,5

А

18

29

25

8,0

25

16

24

26,17

-

z1 - конец с фаской - по ГОСТ 12414

4 Технические требования

4.1.1 Болты и гайки должны изготовляться в соответствии с требованиями настоящего стандарта.

4.1.2 Механические свойства должны соответствовать:

- гаек со сферическим фланцем, гаек с плоским фланцем и гаек конусных - классам прочности 8 или 10 по ГОСТ Р 52628;

- корпусов гаек колесных с невыпадающей опорной шайбой - классу прочности 10 по ГОСТ Р 52628;

- болтов со сферическим фланцем, болтов с конусным фланцем - классам прочности 8.8, 10.9 по ГОСТ Р 52627.

Упорные шайбы гаек колесных должны изготавливаться из легированных сталей по ГОСТ 4543, закаленных и отпущенных на твердость 350 - 450 НВ.

4.1.3 Профиль и основные размеры резьбы - по ГОСТ 24705 и ГОСТ 9150. Поле допуска наружной резьбы 6д, внутренней резьбы 6Н по ГОСТ 16093.

4.1.4 Сбег резьбы болтов - по ГОСТ 27148.

4.1.5 Детали крепления должны изготавливаться с покрытиями по ГОСТ Р ИСО 4042, ИСО 10683.

4.1.6 Технические требования к покрытиям - по ГОСТ 9.301 и ГОСТ 9.303.

4.1.7 Неуказанные предельные отклонения болтов и гаек - по ГОСТ Р ИСО 4759-1 класса точности В.

4.1.8 Неуказанные предельные отклонения шайб упорных - по ГОСТ Р ИСО 4759-3 класса точности А.

4.1.9 Остальные технические требования для болтов и гаек - по ГОСТ Р 52627 и ГОСТ Р 52628.

4.1.10 Допустимые дефекты поверхности болтов и гаек - по ГОСТ Р ИСО 6157-1 и ГОСТ Р ИСО 6157-2.

4.1.11 Шероховатость конических поверхностей корпуса гайки колесной с невыпадающей упорной шайбой и шайбы должна быть  - по ГОСТ 2789; опорной поверхности шайбы  - по ГОСТ 2789.

4.1.12 Коэффициенты трения в резьбе и на опорной поверхности крепежных изделий, а также силы предварительной затяжки устанавливаются в конструкторской документации на изделие.

5 Обозначение

Примеры условного обозначения:

- гайки конусной типа С диаметром резьбы d = 12 мм, с мелким шагом резьбы 1,25 мм, класса прочности 8:

Гайка колесная СМ12×1,25-8 ГОСТ Р 53819

- болта с конусным фланцем типа В диаметром резьбы d = 12 мм, с мелким шагом резьбы 1,25 мм, класса прочности 8.8

Болт колесный ВМ12×1,25-8.8 ГОСТ Р 53819

- гайки колесной с невыпадающей упорной шайбой типа D диаметром резьбы d = 22 мм, с шагом резьбы 1,5 мм и классом прочности 10:

Гайка колесная DM20-10 ГОСТ Р 53819

6 Правила приемки

6.1 Правила приемочного контроля крепежных изделий на время поставки - по ГОСТ Р ИСО 3269.

7 Методы испытаний (контроля)

7.1 Болты и гайки крепления колес транспортных средств.

Методы контроля размеров и отклонений формы и расположения поверхностей - по ГОСТ Р ИСО 4759-1 и ГОСТ Р ИСО 4759-3.

7.2 Дефекты поверхности и методы их контроля:

- для гаек - по ГОСТ Р ИСО 6157-2;

- для болтов - по ГОСТ Р ИСО 6157-1.

7.3 Методы испытаний механических свойств:

- гаек типа А, В, С, D - по ГОСТ Р 52628;

- болтов типа А, В - по ГОСТ Р 52627.

7.4 Испытания крутящего момента и усилия предварительной затяжки по ГОСТ Р ИСО 16047.

7.5 Требования к системе обеспечения качества крепежных изделий и контролю в процессе производства по ГОСТ Р ИСО 16426.

Библиография

[1] ИСО 7575-84

Колеса грузовых автомобилей. Плоское крепление. Гайки для крепления

[2] ДИН 74361-1:1989

Колесные диски для автомобилей и прицепов. Присоединительные размеры для центрирования болтами

[3] ДИН 74361-2:1982

Колесные диски для автомобилей и прицепов. Элементы крепления для центрирования болтами

[4] ДИН 74361-3:1979

Колесные диски для автомобилей и прицепов. Присоединительные размеры для центрального центрирования

[5] ИСО 10683:2000

Крепежные изделия. Неэлектролитические цинковые ламельные покрытия

[6] ДИН ЕН 12476:2001

Покрытия конверсионные фосфатные по металлам. Методы установления требований

[7] ИСО 7575:1993

Транспорт дорожный для коммерческих перевозок. Гайки для плоского крепления колес

[8] ИСО 10597:2004

Транспорт дорожный. Плоские крепежные гайки. Методы испытаний

 

Ключевые слова: автомобильные транспортные средства, детали крепления колес, механические свойства болтов и гаек



© 2013 Ёшкин Кот :-)