Информационная система
«Ёшкин Кот»

XXXecatmenu

МИНИСТЕРСТВО ЭНЕРГЕТИКИ И ЭЛЕКТРИФИКАЦИИ
СССР

Главтехуправление

МЕТОДИЧЕСКИЕ УКАЗАНИЯ
ПО ОРГАНИЗАЦИИ ВОДНО-ХИМИЧЕСКОГО
РЕЖИМА ЭНЕРГОБЛОКОВ СКД ПРИ
АММИАЧНО-ГИДРАЗИННОМ
МЕТОДЕ КОРРОЗИОННОЙ
ОБРАБОТКИ ПИТАТЕЛЬНОЙ ВОДЫ

РД 34.37.512-90

 

 

Москва 1990

 

РАЗРАБОТАНА     Всесоюзным дважды ордена Трудового Красного Знамени теплотехническим научно-исследовательским институтом им. Ф.Э. Дзержинского

ИСПОЛНИТЕЛИ   З.В. Деева, к.т.н.

УТВЕРЖДЕНА      Главным научно-техническим управлением Минэнерго СССР

09.10.1990 г.

Заместитель начальника                                                А.П. Берсенев

РУКОВОДЯЩИЙ ДОКУМЕНТ

МЕТОДИЧЕСКИЕ УКАЗАНИЯ ПО ОРГАНИЗАЦИИ ВОДНО-ХИМИЧЕСКОГО РЕЖИМА ЭНЕРГОБЛОКОВ СКД ПРИ АММИАЧНО-ГИДРАЗИННОМ МЕТОДЕ КОРРОЗИОННОЙ ОБРАБОТКИ ПИТАТЕЛЬНОЙ ВОДЫ

РД 34.37.512-90

Взамен МУ 34-70-022-82

Срок действия установлен

с 01.01.91

до 01.01.2001

Настоящие Методические указания распространяются на энергоблоки сверхкритического давления, оборудованные подогревателями низкого давления с трубками из медесодержащих сплавов и устанавливают требования к ведению водно-химического режима при регулировании его с помощью аммиака и гидразин-гидрата.

Методические указания предназначены для использования персоналом электростанций, проектными, строительно-монтажными и наладочными организациями.

С введением в действие Методических указаний утрачивают силу «Методические указания по организации водно-химического режима энергоблоков СКД при аммиачно-гидразинном методе коррекционной обработки питательной воды» МУ 34-70-022-82 (М.: СПО Союзтехэнерго, 1983).

1. ОБЩИЕ ПОЛОЖЕНИЯ

1.1. Водно-химический режим в значительной степени определяет надежность и экономичность работы энергоблоков СКД.

Оптимальный водно-химический режим энергоблоков СКД при условии выполнения всех рекомендуемых мероприятий может обеспечивать надежную эксплуатацию оборудования без проведения химических очисток в течение порядка 8000 ч для котлов, работающих на мазуте, и 24000 ч - на угле, т.е. отсутствие интенсивного роста внутренних отложений, приводящих к опасному повышению температуры стенок труб в наиболее теплонапряженных поверхностях нагрева котла; отсутствие отложений в проточной части турбины, приводящих к ограничению мощности; подавление процессов внутренней коррозии и эрозионного износа оборудования энергоблоков - тракта низкого и высокого давления и конденсатора.

1.2. Оптимальный водно-химический режим на энергоблоках СКД может быть обеспечен при условии:

соответствия качества питательной воды нормам, предусмотренным Правилами технической эксплуатации электрических станций и сетей (ПТЭ-89) р. 4.8;

высокого качества добавочной воды для восполнения потерь в цикле;

вывода солей и окислов конструкционных материалов из цикла на установке очистки турбинного конденсата;

применения антикоррозионных покрытий водоподготовительного оборудования и бакового хозяйства;

применения радиональной схемы коррекционной обработки теплоносителя;

обеспечения воздушной и водяной плотности тракта, проведения водных промывок;

качественного выполнения химической послемонтажной очистки;

своевременного проведения эксплуатационной химической очистки основного оборудования;

обеспечения надежного химического контроля;

проведения консервации оборудования во время его простоев в резерве и ремонте;

обеспечения надежной схемы отсосов неконденсирующихся газов из парового пространства теплообменных аппаратов конденсатно-питательного тракта.

2. МЕРОПРИЯТИЯ ПО ОБЕСПЕЧЕНИЮ НАДЕЖНОГО ВОДНО-ХИМИЧЕСКОГО РЕЖИМА

2.1. Очистка конденсата турбин

2.1.1. Для обеспечения высокого качества питательной воды на энергоблоках с котлами СКД применяют обезжелезивание и химическое обессоливание конденсата турбины. Во время эксплуатации энергоблока установка по очистке конденсата турбины должна обеспечивать вывод из цикла загрязнений, которые могут поступать с добавочной и охлаждающей водой (Na+, Ca2+, Mg2+, Cl-, SO42+; SiO2), а также тех, которыми вода может обогатиться при прохождении пароводяного тракта (Fe, Cu, Zn, Ni и др.).

Конденсатоочистка, работающая по схеме Н-ОН ионирования, улавливает также и аммиак.

2.1.2. При стабильной работа энергоблока и соответствии качества питательной воды нормам ПТЭ качество обессоленного конденсата по величине удельной электрической проводимости Н-катионированной пробы (æн) не должно превышать 0,1 - 0,15 мкСм/см.

2.1.3. Возможными причинами ухудшения качества обессоленного конденсата могут быть:

несвоевременное отключение на регенерацию фильтров;

ухудшение технологических характеристик ионитов (забивание механических фильтров окислами железа, истирание ионитов, уменьшение высоты фильтрующего слоя);

неудовлетворительное разделение ионитов ФСД для регенерации или смешение их после регенерации;

недостаточные удельные расходы реагентов на регенерацию;

неполная отмывка ионитов при регенерации;

попадание регенерационных и отмывочных вод в очищенный конденсат на конденсатоочистках с раздельным ионированием;

неправильный подбор соотношения катионита и анионита в обессоливающих фильтрах (оптимальное соотношение 1,5:1 или 2:1 в ФСД и 1:1 при раздельном Н-ОН ионировании).

2.2. Удаление отложений с внутренних поверхностей основного оборудования

2.2.1. Для обеспечения чистоты внутренних поверхностей котла и пароводяного тракта (удаления окалины, продуктов коррозии, а также различного рода послемонтажных загрязнений) перед пуском энергоблока следует проводить химическую очистку (см. МУ 34-70-113-85 «Руководящие указания по предпусковой химической очистке теплоэнергетического оборудования»).

2.2.2. При эксплуатации энергоблока для удаления накопившихся в котле отложений и обеспечения надежной безаварийной работы поверхностей нагрева проводят эксплуатационную химическую очистку (см. «Руководящие указания по локальным химическим очисткам отдельных участков пароводяного тракта энергоблоков 300 МВт по разомкнутой схеме. М.: СЦНТИ ОРГРЭС, 1974).

2.2.3. Периодичность эксплуатационных химических очисток зависит от конструкции и условий эксплуатации котла - тщательности соблюдения установленного водно-химического и топочного режимов, уровня тепловых нагрузок поверхностей нагрева, режима работы энергоблока, периодичности его пусков и остановов. Необходимость эксплуатационной химической очистки определяют по допустимому количеству отложений на внутренней поверхности обогреваемых труб пароводяного тракта котла и вида сжигаемого топлива (см. РД 34.37.306-87 «Методические указания по контролю состояния основного оборудования тепловых электрических станций, определению количества и химического состава отложений»).

2.2.4. За ростом отложений на внутренних поверхностях котлов осуществляют непрерывный контроль путем измерения температуры металла стенки трубы, для чего устанавливают специальные температурные вставки, оборудованные термопарами. Конструкцию вставок выбирают в соответствии с типом экранных поверхностей нагрева: гладкотрубные, плавниковые, по РД 34.37.306-87.

Установку температурных вставок и вырезку образцов труб для определения количества образующихся в них отложений ведут на поверхностях, расположенных в зонах максимальных тепловых напряжений (энтальпия среды 1884 - 2093 кДж/кг), с наиболее вероятными условиями для образования отложений и протекания процессов коррозии.

Вставки устанавливают перед проведением послемонтажной химической очистки пароводяного тракта котла.

2.2.5. Первые вырезки образцов труб из наиболее теплонапряженных поверхностей котла, работающего на жидком топливе или смеси жидкого и газообразного топлива не менее 1674 тыс. кДж/(м2 · ч), выполняют через 3500 ч эксплуатации после проведения послемонтажной химической очистки.

Образцы труб экранной системы котла вырезают механическим способом или способом газовой резки. Во всех случаях принимают меры предосторожности, предусмотренные РД 34.37.306-87.

2.2.6. Контроль за состоянием проточной части турбины и образованием отложений в ней осуществляют по давлению пара в контрольных ступенях турбины, в основном в регулирующей ступени ЦВД (см. МУ 34-70-130-85 «Методические указания по химической промывке проточной части турбин сверхкритического давления»).

2.2.7. При прогрессирующем заносе солями проточной части проводится промывка турбины вначале влажным паром (от водорастворимых отложений), а затем, при необходимости, влажным паром с присадкой химического реагента или - на остановленном энергоблоке - с применением более эффективных реагентов (см. МУ 34-70-130-85).

2.3. Консервация оборудования

2.3.1. Консервация является средством защиты внутренних поверхностей теплосилового оборудования от стояночной коррозии. Средняя скорость коррозии металла во влажной среде при температуре 20 °С и свободном доступе кислорода составляет 0,05 г/(м2 · ч). Суточный простой энергоблока 300 МВт с незаконсервированными и неосушенными поверхностями общей площадью около 30 тыс. м2 приведет к образованию в контуре до 50 кг окислов железа.

2.3.2. При выводе котла в резерв или ремонт должны быть приняты меры по консервации поверхностей нагрева котла, теплообменников и калориферов. При аммиачно-гидразинном водном режиме наиболее рациональными и вполне надежными являются методы консервации с применением растворов аммиака и гидразина.

Схемы подачи реагентов и циркуляции растворов при консервации котла гидразином и аммиаком в режиме останова энергоблока описаны в РД 34.20.591-87 «Методические указания по консервации теплоэнергетического оборудования».

Особого внимания требует консервация промежуточных пароперегревателей, которые подвержены стояночной коррозии из-за наличия в них отложений различных соединений, поступающих с паром. Консервацию промежуточного пароперегревателя осуществляют методом вакуумной «сушки», т.е. дренированием и обеспариванием внутренних поверхностей его путем соединения с конденсатором, находящимся под вакуумом. При останове энергоблока следует также предусматривать вакуумную «сушку» первичного пароперегревателя, консервацию проточной части турбины, приводной турбины питательного турбонасоса, турбовоздуходувок и прочего оборудования, соприкасающегося при простое с воздухом (см. РД 34.20.591-87).

2.4. Обеспечение водяной и воздушной плотности тракта

2.4.1. Присосы охлаждающей воды обусловливают увеличение нагрузки на фильтры конденсатоочистки, ускорение процессов истощения ионитового материала и ухудшение качества обессоленного конденсата.

Коллоидно-дисперсные соединения кремниевой кислоты, алюминия, а также органические соединения, поступающие с присосами охлаждающей воды практически не задерживаются на конденсатоочистке и поступают в пароводяной тракт энергоблока. Эти соединения ускоряют образование отложений в проточной части турбины. Органические соединения, разлагаясь с повышением температуры и выделяя кислые продукты, обусловливают повышение электрической проводимости среды и снижение показателя рН, что в конечном счете приводит к ускорению эрозионно-коррозионных процессов, особенно в проточной части турбины, в зоне образования влажного пара. Присосы сетевой и химически очищенной воды через неплотности теплообменной аппаратуры приводят к повышению удельной электрической проводимости конденсата греющего пара и к попаданию в цикл энергоблока органических соединений, соединений Na+ и др.

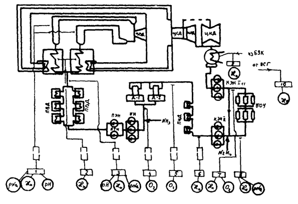
2.4.2. Для своевременного обнаружения присосов охлаждающей, химочищенной и сетевой воды следует организовать непрерывный контроль за качеством потоков конденсата турбины добавочной воды, и конденсата греющего пара подогревателей сетевой воды на теплофикационных энергоблоках СКД с сигнализацией о появлении присосов и автоматическом переключении подачи конденсата подогревателей сетевой воды из линии основного конденсата в трубопровод конденсата турбины перед конденсатоочисткой (черт. 1).

Черт. 1.

1. Отбор пробы пара за конвективным пароперегревателем высокого давления.

2. Отбор среды перед встроенной задвижкой (ВЗ);

3. Отбор питательной воды за подогревателями высокого давления (ПВД);

4. Отбор питательной воды за деаэраторами;

5. Отбор конденсата за подогревателями низкого давления (ПНД);

6. Отбор конденсата за КЭН II ст.

7. Отбор конденсата турбины за КЭН I ст.

8. Отбор обессоленного конденсата турбины за конденсатоочисткой (БОУ).

9. Отбор добавочной воды за баками запаса конденсата (БЗК).

10. Отбор конденсата греющего пара за сетевыми подогревателями (ПСГ)

 - кондуктометр с Н-катионированием пробы;

 - pNa-метр

 - Рн-метр

 - кислородомер.

2.4.3. Присосы воздуха в конденсатном тракте повышают содержание кислорода в теплоносителе перед ПНД сверх 20 мкг/кг. Это приводит к нарушению режима коррекционной обработки обессоленного конденсата гидразин-гидратом, к невозможности обеспечить необходимый избыток гидразина в питательной воде и, как результат, загрязнению ее соединениями меди и железа.

Контроль за присосами воздуха в конденсате турбин и ПНД следует осуществлять постоянно с помощью автоматических кислородомеров или ручных анализов из периодически отбираемых проб.

На каждом энергоблоке систематически следует выявлять места присосов в вакуумную систему с помощью галлоидных течеискателей или опрессовок.

Помимо достоянного уплотнения вакуумной системы при пусках для уменьшения попадания воздуха в цикл энергоблока необходимо:

заменить на вакуумной арматуре паронитовые прокладки резиновыми;

постоянно проводить проверку линии сжатого воздуха на конденсатоочистке и поддерживать дренажи трубопроводов сжатого воздуха в открытом состоянии.

2.4.4. Следует обеспечить постоянный и эффективный отсос неконденсирующих газов из подогревателей (ПВД и ПНД) регенеративной системы энергоблоков.

Присутствие углекислоты в греющем паре ПВД приводит к углекислотной коррозии в зоне начала конденсации пара. Присутствие углекислоты, кислорода и аммиака в греющем паре ПНД стимулирует коррозию латунных трубок и загрязнение питательной воды соединениями меди.

2.5. Водные отмывки

Целью водных отмывок является удаление с внутренних поверхностей тракта энергоблока отложений и продуктов коррозии, образовавшихся как при работе энергоблока, так и во время его простоя. На энергоблоках СКД водные отмывки проводятся согласно ТИ 34-70-050-86 «Типовая инструкция по ведению водно-химического режима энергоблоков сверхкритического давления».

2.6. Коррекционная обработка

2.6.1. Коррекционная обработка теплоносителя при аммиачно-гидразинном режиме проводится для снижения интенсивности коррозионных процессов и уменьшения отложений окислов конструкционных материалов в пароводяном тракте энергоблока.

На отечественных энергоблоках с ПНД, оборудованных латунными трубками, это достигается повышением показателя рН теплоносителя до 9,1 ± 0,1 (при 25 °С) с помощью раствора аммиака, подаваемого во всасывающий коллектор бустерных насосов (см. черт. 1), а также связыванием кислорода и созданием восстановительной среды с помощью гидразин-гидрата, дозируемого в обессоленный конденсат перед ПНД.

При оснащении ПНД энергоблоков СКД трубками из нержавеющей стали следует осуществлять дозирование раствора аммиака и гидразин-гидрата в обессоленный конденсат перед ПНД.

2.6.2. Жесткая зависимость между показателем рН и содержанием аммиака, с одной стороны, и удельной электрической проводимостью и содержанием углекислоты, с другой, позволяет при наличии автоматического химического контроля (рН-метры и кондуктометры) наиболее рационально проводить контроль за режимом коррекционной обработки питательной воды энергоблоков СКД по показателю рН и удельной электрической проводимости, не контролируя содержание аммиака.

Если контроль осуществляют лабораторным прибором, показатель рН измеряется при обязательном выполнении требований по скорости отбора пробы и непрерывном ее истечении, а также внесению температурной поправки (см. РД 34.37.308-90 «Методические указания по определению рН питательной воды прямоточных котлов СКД в пределах от 8,0 до 10,0 лабораторными рН-метрами).

При отсутствии кондуктометров коррекционную обработку питательной воды для регулирования показателя рН следует проводить, контролируя показатель рН и концентрацию аммиака.

2.6.3. Концентрация аммиака в питательной воде (рН = 9,1 ± 0,1), превышающая 500 мкг/кг, свидетельствует о повышенном содержании углекислоты.

Углекислота поступает в цикл энергоблока СКД с присосами воздуха через неплотности вакуумной системы, присосами охлаждающей воды через неплотности водяной системы конденсатора, с добавочной химически обессоленной водой, потоком из дренажного бака и т.п.

Для уменьшения количества углекислоты в цикле энергоблока СКД необходимо провести комплекс следующих мероприятий:

поддерживать присосы охлаждающей воды в конденсаторе на уровне, обеспечивающем качество конденсата турбины согласно нормам ПТЭ-89;

обеспечить рациональную организацию отсоса неконденсирующихся газов из ПНД и ПВД;

обеспечить выпар деаэратора на уровне не менее 1,5 - 2 кг/т деаэрируемой воды;

исключить возможность байпасирования конденсатоочистки при ее эксплуатации;

исключить подачу непосредственно в деаэратор потоков, загрязняющих воду (конденсат дробеочистки, подогревателей сетевой воды, дренажных баков и т.п.).

2.6.4. Применение гидразина осуществляют для химической додэаэрации конденсата и питательной воды (см. «Руководящие указания по применению гидразина на энергетических установках электростанций», М.: СПО Союзтехэнерго, 1980).

2.6.5. Стабилизации медьсодержащих сплавов по тракту ПНД при наличии кислорода достигают только в присутствии гидразин-гидрата и показателе рН, равном 7,7 ± 0,2. При избыточной концентрации гидразина в питательной воде менее 20 мкг/кг или его исчезновении начинается процесс распассивации медьсодержащих сплавов, и повышается уровень загрязнения медью конденсата по тракту ПНД сверх 5 мкг/кг Cu. Отсутствие гидразин-гидрата также служит причиной повышения концентрации меди в конденсате за ПНД при пусках энергоблока.

2.6.6. Для нормальной эксплуатации энергоблока необходимо обеспечить избыточную концентрацию гидразин-гидрата в питательной воде перед котлом на уровне 20 - 60 мкг/кг, при дозировании гидразин-гидрата в конденсатный тракт.

При этом следует обеспечить:

постоянную автоматическую дозировку гидразин-гидрата, позволяющую стабильно поддерживать необходимый избыток гидразина;

необходимую воздушную плотность конденсатного тракта, позволяющую поддерживать содержание кислорода за КЭН-I и КЭН-II не выше 20 мкг/кг;

высокое качество обессоленного конденсата, не допуская повышения удельной электрической проводимости Н-катионированной пробы конденсата за БОУ сверх 0,3 мкСм/см; показатель рН после ввода гидразина на уровне не ниже 7,7 ± 0,2.

2.6.7. При эксплуатации аммиачно-гидразинной установки (приготовление рабочих растворов реагентов, организация автоматического дозирования аммиака и гидразина, обслуживание насосов-дозаторов и пр.) следует руководствоваться «Руководящими указаниями по автоматическому дозированию гидразина и аммиака на энергоблоках с прямоточными котлами», (М.: СЦНТИ ОРГРЭС, 1972 г.).

2.6.8. Концентрация меди в конденсате греющего пара более 50 мкг/кг свидетельствует о коррозии латунных трубок ПНД со стороны греющего пара и необходимости дозировать гидразин в паровое пространство ПНД для обеспечения избыточной концентрации гидразина в конденсате греющего пара 20 - 60 мкг/кг (черт. 2).

Черт. 2. НДГ - насос-дозатор гидразина

1, 2, 3, 4, ПНД - Подогреватели низкого давления

КЭН-II - конденсатный насос II-ой ступени

БОУ - конденсатоочистка

КЭН-I - конденсатный насос I-ой ступени

ЦВД, ЦСД, ЦНД - цилиндр высокого, среднего и низкого давления турбины СКД.

2.6.9. для повышения надежности конструкционных материалов в проточной части турбины в поток перегретого пара перед зоной фазового перехода (в соединительный трубопровод между ЦСД и ЦНД) подают гидразин в испаренном состоянии для регулирования качества первичного конденсата (черт. 3). В первичном конденсате гидразин обеспечивает благоприятное повышение значения рН, а при контакте с конструкционными поверхностями образует на них защитные пленки. Водный 0,2 %-ный раствор гидразина из бака 2 (черт. 3) перекачивается двумя насосами 3 к инжектору-испарителю 4, который запитан отборным паром турбины. Испаренный раствор гидразина в месте с отборным паром подводится в соединительный трубопровод между ЦСД и ЦНД. Гидразин дозируется в теплоноситель в количестве, обеспечивающем его концентрацию в потоке пара на уровне 50 - 70 мкг/кг N2H4, что обусловливает в первичном конденсате З.Ф.П. его содержание на уровне 500 - 700 мкг/кг.

Черт. 3.

1 - турбина СКД

2 - бак раствора гидразина

3 - насос-дозатор гидразина

4 - инжектор-испаритель

5 - манометр

6 - вентиль с электроприводом

7 - механический прерыватель.

2.7. Организация эксплуатационного химического контроля

2.7.1 Высокое быстродействие, точность измерения и непрерывная регистрация показаний автоматических приборов химического контроля позволяют своевременно обнаружить нарушения водного режима и ликвидировать возможные аварийные ситуации. При пусках энергоблоков автоматические приборы дают возможность контролировать и своевременно фиксировать момент достижения нормирования качества воды.

2.7.2. Для получения характеристики состояния водно-химического режима автоматически контролируются следующие показатели качества среды:

электрическая проводимость Н-катионированной пробы;

содержание соединений натрия;

показатель рН;

содержание растворенного кислорода.

Количество и места размещения по пароводяному тракту автоматических приборов, используемых в схеме автоматического оперативного контроля теплоносителя энергоблоков, представлены на черт. 1.

При этом следует учитывать, что приборы, указанные под позициями 1, 3, 4, 7, 8, 9, предназначены для контроля показателей качества теплоносителя, нормируемых ПТЭ, и являются обязательными для обеспечения объема автоматического химконтроля согласно РД 34.37.303-88 «Методических указаний по организации и объему химического контроля водно-химического режима на тепловых электростанциях».

Приборы позиций 2, 5, 6, 10 ПЭО могут быть установлены в соответствии с РД 34.37.520-88 по решению электростанций или на потоках теплоносителя, нормирование которых не предусмотрено ПТЭ. Эти приборы используются при пуске блока (кондуктометр «æн» - поз. 2); при определении нарушений водно-химического режима - наличия присосов воздуха в конденсатном тракте блока (кислородомер «О2» - поз. 5), присосов сетевой воды в ПСГ (кондуктометр «æн» - поз. 10), а также байпасирования БОУ (кондуктометр «æн» - поз. 6).

2.7.3. Для автоматического химического контроля используются приборы отечественного производства: кондуктометры - АК-310, АК-215; pNa-метры: pNa-201, pNa-205, рН-метры, рН-220, рН-226; кислородомеры АКП-205.

Технические данные приборов приведет в РД 34.37.520-88 «Методические указания по ведению водного режима на энергоблоках сверхкритического давления с помощью автоматических приборов химконтроля».

Основным условием рационального использования приборов является постоянный контроль за их исправностью, систематическая калибровка и поверка, осуществляемые цехом тепловой автоматики и измерений.

2.7.4. Регистрацию показателей водно-химического режима, фиксируемых автоматическими приборами химконтроля на блочном или местном щите ведет сменный персонал химического цеха в суточной ведомости (рекомендуемое приложение 1) 2 раза в смену.

При появлении нарушений (превышения норм ПТЭ или других) в суточную ведомость заносят значения параметров, время начала и окончания нарушений (час, мин), а в графе «Примечание» - меры, принятые для ликвидации нарушений.

Ленты самописцев приборов химконтроля хранят в химическом цехе в течение года, а затем передают в архив. Срок хранения - до 8 - 10 лет.

2.7.5. При отсутствии автоматических приборов химического контроля непрерывного действия применяют лабораторные приборы: кондуктометр КЭЛ-1М для измерения удельной электрической проводимости Н-катионированной пробы среды при непрерывном истечении ее через датчик; иономер универсальный ЭВ-74, И-130 со стеклянным электродом ЭС-10-07 для измерения концентрации натрия; иономер универсальный ЭВ-74, И-130 для измерения показателя рН среды при непрерывном ее истечении. Скорость истечения среды из ячейки устанавливают экспериментально (в диапазоне расходов, не влияющих на показатель рН). При определении рН и æн лабораторными приборами вносят поправку на температуру среды в соответствии с РД 34.37.308-90 и МУ 34-70-114-85.

Допускается применение автоматических и лабораторных приборов других марок аналогичного принципа действия, имеющих соответствующие метрологические и динамические характеристики.

2.7.6. Помимо автоматического контроля систематически осуществляют «ручной» контроль за содержанием железа, меди, гидразина и др. Периодический отбор среды проводят в следующих точках тракта энергоблока: питательная вода до котла, пар после котла, конденсат турбины до конденсатоочистки, обессоленный конденсат после конденсатоочистки, конденсат за последним по ходу среды ПНД, конденсат греющего пара ПНД, ПВД, ПСГ, добавочная вода. Анализ примесей в теплоносителе энергоблока выполняется с помощью аналитических методик, разработанных для вод теплосилового хозяйства (см. РД 34.37.303-88 «Методические указания по организации и объему химического контроля, водно-химического контроля водно-химического режима на тепловых электростанциях»).

Контроль за содержанием продуктов коррозии (железа и меди) выполняется химической лабораторией (см. РД 34.37.303-88), а гидразин-гидрата при наличии автоматического дозирования - в экспресс-лаборатории.

2.7.7. Использовать сливы от автоматических приборов контроля для периодических («ручных») определений можно только для примесей, находящихся в растворенном состоянии в контролируемой среде (аммиак, гидразин, соединения жесткости). Для определения железа, меди и нефтепродуктов сливы от автоматических приборов использовать не следует. Эти примеси находятся в контролируемой среде преимущественно в виде частиц различной степени дисперсности. Отбор представительной пробы такой гетерогенной среды требует условий, не совместимых с теми, которые выдерживаются при отборе проб на автоматические приборы.

Поэтому необходимо иметь отдельные пробоотборные устройства для контроля за содержанием окислов железа, меди, нефтепродуктов, а также «общей» кремнекислоты.

2.7.8. Объем и частоту химического контроля водного режима во время эксплуатации энергоблока устанавливают в соответствии с РД 34.37.303-88. При наличии специфических условий эксплуатации объем ручного контроля может быть изменен руководством тэс.

2.7.9. Качество отдельных составляющих питательной воды - конденсата регенеративных подогревателей, конденсата дренажных баков и т.п. - контролируют с помощью ручного анализа, если автоматические приборы химического контроля, установленные на линии питательной воды, фиксируют нарушение норм ПТЭ. Анализы производятся по указанию начальника химического цеха до восстановления нормального режима.

3. ОРГАНИЗАЦИЯ ВОДНО-ХИМИЧЕСКОГО РЕЖИМА ПРИ ПУСКЕ БЛОКА

3.1. Для контроля за водно-химическим режимом при пусках энергоблоков из холодного, неостывшего и горячего состояния использует приборы химического контроля, устанавливаемые в следующих точках (см. черт. 1):

кондуктометр с предвключенным Н-катионитовым фильтром - на линиях конденсата турбины и теплоносителя до ВЗ, а также кондуктометр на линии обессоленного конденсата;

кислородомер - после деаэратора;

рН-метр - на линии питательной воды до котла.

3.2. Время включения в работу автоматических приборов химического контроля при пуске энергоблока определяют необходимостью контролировать показатели водного режима на данном технологическом этапе.

Организацию водно-химического режима при пуске энергоблока выполняют согласно ТИ 34-70-050-86. Объем химического контроля при пуске должен соответствовать разработанному в РД 34.37.303-88. При качестве питательной воды соответствующем равным, но не более: æн - 1 мкСм/см; - 100 мкг/кг; SiO2 - 100 мкг/кг; Ж - 3 мкг/кг, Cu - 20 мкг/кг можно начинать растопку котла в соответствии с типовой инструкцией по пуску.

3.3. Коррекционную обработку обессоленного конденсата гидразин-гидратом следует начинать при замыкании растопочного контура энергоблока на конденсатоочистку, обеспечивая концентрацию гидразин-гидрата за ПНД на уровне 200 - 300 мкг/кг.

После вывода энергоблока на номинальные параметры такая концентрация гидразина за ПНд поддерживается в течение 8 ч, после чего содержание гидразина в теплоносителе устанавливается согласно нормам ПТЭ.

Дозирование аммиака следует начинать после замыкания растопочного контура энергоблока на конденсатоочистку для обеспечения рН питательной воды на уровне 9,1 ± 0,1.

3.4. После выхода энергоблока на номинальные параметры химический контроль за качеством теплоносителя для энергоблоков с прямоточными котлами осуществляется в объеме, предусмотренном в РД 34.37.303-88.

4. ОПРЕДЕЛЕНИЕ АВАРИЙНЫХ НАРУШЕНИЙ ВОДНО-ХИМИЧЕСКОГО РЕЖИМА ЭНЕРГОБЛОКА

4.1. При нарушениях водного режима энергоблока, характеризуемых превышением установленных ПТЭ норм, персоналу химического цеха следует оперативно определить источник нарушения и совместно с котлотурбинным цехом добиться восстановления режима.

Нарушение норм качества питательной воды на энергоблоке может произойти:

при нарушении работы установки по очистке конденсата турбины;

при подаче загрязненных потоков в водоконденсатный тракт;

при повышенных присосах охлаждающей воды в конденсаторе.

4.2. Возможны следующие причины ухудшения качества конденсата турбины:

4.2.1. Одновременное превышение установленных на электростанции значений общей жесткости и электрической проводимости конденсата свидетельствует о появлении неплотностей в конденсаторе турбины.

В этом случае дежурный персонал химического цеха обязан: сообщить начальнику смены энергоблока и потребовать принятия срочных мер по ликвидации возникших неплотностей в конденсаторе. Если принятые меры не обеспечивают устранения присосов охлаждающей воды в конденсаторе в сроки, указанные в табл. 1 конденсатор должен быть отключен;

обеспечить максимальную производительность конденсатоочистки.

Таблица 1

Предельно-допустимое время работы энергоблока с прямоточным котлом при повышенной жесткости среды

Жесткость, мкг-экв/кг

Скорость роста tст, °С/ч

Предельно допустимая продолжительность работы котлов СКД, ч

Мазут

Уголь

Мазут

Уголь

0,3

0,06

0,03

1000

2000

0,5

0,8

0,35

72

168

1,0

1,6

0,75

36

72

1,5

3,5

1,5

16

36

3,0

8,0

3,5

8

16

5,0

19,0

8,5

3

6

4.2.2. Повышение электрической проводимости без увеличения жесткости указывает на загрязнение конденсата турбины потоками, подаваемыми в конденсатор из бака запаса конденсата, из дренажных баков, теплообменников и т.д. В этом случае дежурный персонал обязан произвести отбор проб из возможных источников загрязнения конденсата, выявить загрязненный поток и потребовать его отключения от конденсатора.

4.3. Возможны следующие причины ухудшения качества обессоленного конденсата:

4.3.1. Ухудшение обессоленного конденсата, фиксируемое кондуктометром при непрерывной повышенной концентрации кремниевой кислоты и нормальном качестве конденсата турбины на входе в конденсатоочистку указывает на срабатывание фильтра. В этом случае необходимо отключить истощенный фильтр на регенерацию.

4.3.2. Ухудшение качества обессоленного конденсата при раздельном Н-ОН-ионировании вследствие увеличения электрической проводимости, кремнесодержания и изменения показателя рН при неизменном качестве конденсата турбины на входе в конденсатоочистку указывает на попадание регенерационных вод через неплотности арматуры при регенерации фильтров конденсатоочистки. При этом одновременное увеличение электрической проводимости питательной воды (æн > 0,3 мкСм/см) при снижении показателя рН (рН < 7,0) свидетельствует о попадании в тракт кислых регенерационных вод; повышение показаний рNa-метра (Na > 10 мкг/кг) и кондуктометра (æн > 0,3 мкСм/см) питательной воды при значении рН > 9,5 - о попадании щелочных вод.

В обоих случаях о нарушении необходимо сообщить начальнику смены энергоблока и потребовать проведения промывки проточной части турбины влажным паром и останова энергоблока для выполнения водной промывки водопарового тракта котла.

4.3.3. Увеличение продолжительности отмывки ионитовых материалов при неизменном качестве конденсата турбины указывает на возможное разложение ионитов. В этом случае требуется замена ионитовых материалов.

4.4. Возможны следующие причины ухудшения качества питательной воды и пара:

4.4.1. Повышение электрической проводимости (æн > 0,3 мкСм/см) и увеличение содержания натрия (Na > 10 мкг/кг) в питательной воде при качестве обессоленного конденсата, соответствующем нормам, указывает на попадание загрязненных потоков в водоконденсатный тракт.

Дежурный персонал в этом случае должен выяснить причину попадания загрязненной среды в водоконденсатный тракт и принять меры к ее устранению.

4.4.2. Увеличение содержания SiO2 в паре за котлом более 15 мкг/кг при соответствующем нормам содержании кремния в питательной воде и стационарной работе энергоблока свидетельствует о наличии тонкодисперсной формы кремниевой кислоты в питательной воде энергоблока.

Дежурный персонал и начальник смены химического цеха обязан проверить эксплуатационные условия на предочистке и обеспечить необходимую интенсивность процесса удаления тонкодисперсной формы SiO2.

4.5. Повышение электрической проводимости при движении теплоносителя от конденсатоочистки до выхода из котла свидетельствует:

о наличии органических веществ, поступающих в конденсат турбины с добавочной водой, присосами охлаждающей или сетевой воды;

о проскоке ионитовых материалов в водопаровой тракт котла.

Присутствие недиссоциированных органических веществ в обессоленной добавочной воде обусловлено несовершенной технологией обессоливания, особенно при очистке загрязненных промышленными стоками поверхностных вод.

Повышение качества обессоленной воды возможно путем улучшения коагуляции и сорбирования органических веществ на макропористых ионитах.

Для ликвидации возможных проскоков ионитовых материалов фильтров конденсатоочистки и попадания их в водопаровой тракт котла следует совершенствовать конструкцию фильтров конденсатоочистки - дренажной системы, ловушек для ионитовых материалов.

4.6. Увеличение содержания кислорода (более 20 мкг/кг), фиксируемое кислородомером, установленным на входе в конденсатоочистку или до ПНД, свидетельствует о нарушении вакуумной плотности конденсатного тракта.

Дежурный персонал в этом случае должен сообщить начальнику смены энергоблока о необходимости принятия мер по уплотнению тракта или наладке деаэрации в конденсатосборниках; увеличить дозировку гидразин-гидрата в конденсат для обеспечения в питательной воде избытка его на уровне 20 - 60 мкг/кг.

При содержании кислорода, фиксируемом кислородомером после деаэратора, превышающем 10 мкг/кг, дежурный персонал должен:

проверить в воде после деаэратора содержание кислорода, определяя его в периодически отбираемой пробе;

потребовать от начальника смены энергоблока приведения в норму режима деаэрации воды;

при одновременном увеличении содержания кислорода, фиксируемом кислородомером на входе в ПНД, сообщить начальнику смены энергоблока о необходимости принятия мер по уплотнению конденсатного тракта;

увеличить дозировку гидразин-гидрата в тракт блока для обеспечения в питательной воде на входе в котел избытка гидразина не менее 20 - 60 мкг/кг.

4.7. Определяющим показателем качества водно-химического режима является жесткость среды. Наиболее напряженной в температурном отношении для металла в котлах СКД является зона максимальных тепловых нагрузок, совпадающая на эксплуатируемых в настоящее время агрегатах с нижней радиационной частью (НРЧ). Кроме того, в НРЧ находится зона больших теплоемкостей (ЗБТ) среды, являющаяся местом максимального отложения соединений кальция (Саsо4, СаСО3), определяющих уровень жесткости среды.

В табл. 1 приведены скорости роста температуры стенки труб в НРЧ в зависимости от жесткости среды для прямоточного котла, работающего при тепловых нагрузках, соответствующих условиям его эксплуатации на мазуте и угле. Эти данные позволяют определить допустимую продолжительность работы энергоблока при повышенной жесткости питательной воды для мазутных и пылеугольных котлов СКД, испарительная часть в НРЧ которых выполнена из стали 12Х1МФ.

При отсутствии непрерывного контроля за металлом труб поверхностей нагрева котла данные таблицы (п. 3.2.2) позволяют определить необходимость останова энергоблока для ликвидации повышенных присосов охлаждающей воды в конденсаторе.

5. ТРЕБОВАНИЯ К ПРОЕКТИРОВАНИЮ СРЕДСТВ ОБЕСПЕЧЕНИЯ ВХР

5.1. На энергоблоках с котлами СКд должно быть предусмотрено химическое обессоливание всего конденсата, выходящего из конденсатосборника, а также обессоливание конденсата греющего пара подогревателей сетевой воды на теплофикационных энергоблоках СКД. При этом основное количество взвеси должно удаляться на механических (сульфоугольных или загруженных КУ-2) фильтрах. Для удаления истинно растворенных соединений применяется Н-ОН-ионирование. Ионитовая часть конденсатоочистки должна предусматривать очистку конденсата турбины на раздельных Н-катионитовых и ОН-аннионитовых фильтрах или в смешанных Н-ОН фильтрах.

5.2. Ввод гидразина должен быть предусмотрен в конденсатный тракт до ПНД, после точки забора обессоленного конденсата на рециркуляцию.

5.3. Ввод аммиака предусматривают во всасывающую линию бустерных насосов при медьсодержащих трубках ПНД; при трубках из нержавеющей аустанитной стали (типа 1X18Н9Т) - перед ПНД.

5.4. При проектировании аммиачно-гидразинной установки для приготовления рабочих растворов реагентов, организации автоматического дозирования аммиака и гидразина, а также при выборе насосов-дозаторов следует руководствоваться «Руководящими указаниями по автоматическому дозированию гидразина и аммиака на энергоблоках с прямоточными котлами» М.: СЦНТИ, ОРГРЭС, 1972 г.

5.5. В проекте типовой электростанции должны быть предусмотрены:

установка для химической очистки оборудования, приспособленная к проведению как предпусковой, так и эксплуатационной очисток. Установка должна состоять из промывочных насосов, баков для приготовления реагентов и трубопроводов, охватывающих все установленные на электростанции котлы (МУ 34-70-113-85)

установка для проведения локальной химической очистки отдельных участков пароводяного тракта котла по разомкнутой схеме (РД 34.37.405)

установка для проведения промывки проточной части турбины от водонерастворимых отложений при частичном разгружении энергоблока влажным паром с присадкой химического реагента или на остановленном энергоблоке с применением более эффективных реагентов (МУ 34-70-130-85).

Схемы и технология химической очистки оборудования должны быть согласованы проектной организацией с электростанцией и специализированной организацией, которая будет проводить химическую очистку.

5.6. При разработке схемы и выборе метода консервации оборудования энергоблоков СКД проектная организация должна руководствоваться РД 34.20.591-87. В схеме консервации энергоблока при останове в текущий или капитальный ремонт следует предусмотреть возможность консервации пароводяного тракта котла, промежуточного пароперегревателя, проточной части турбины, приводной турбины питательного турбонасоса, турбовоздуходувок и прочего оборудования, соприкасающегося при простое с воздухом.

5.7. Для обеспечения высокого качества конденсата, выходящего из конденсатора, следует предусматривать ввод всех потоков в паровое пространство конденсатора выше эксплуатационного уровня конденсата, обеспечивая хорошую организацию процесса разбрызгивания воды для лучшей ее деаэрации.

5.8. На всасывающих линиях конденсатных и сливных насосов следует предусматривать использование вакуумной арматуры, а в ее отсутствие штоки задвижек сальников КЭН-I, КЭН-II и сливных насосов необходимо снабжать гидравлическими уплотнениями.

5.9. На всех ПНД и ПВД следует устанавливать устройства для отсоса неконденсирующихся газов.

Эффективными мерами по улучшению отсоса неконденсирующихся газов являются применение индивидуальных схем отсоса газов и надежное поддержание уровня конденсата в подогревателе на постоянной отметке.

Каскадный ввод в аппарат конденсата греющего пара, следующего по тракту среды подогревателя, целесообразно осуществлять под уровень конденсата через специальное барботирующее устройство, что будет способствовать лучшей дегазации конденсата.

5.10. Схема и режим водной промывки пароводяного и водоконденсатного трактов должны обеспечивать:

возможность проведения водных промывок конденсатного тракта со сбросом воды перед деаэратором;

возможность проведения отмывки парового пространства системы регенерации низкого и высокого давления (ТИ 34-70-050-86).

5.11. Для обеспечения высокого качества питательной воды, соответствующего ПТЭ на энергоблоках СКД не следует предусматривать подачу непосредственно в деаэратор потоков, загрязняющих воду (конденсата дробеочистки и подогревателей сетевой воды, конденсата дренажных баков и т.п.).

5.12. для отбора проб среды с целью определения в ней различных примесей (железо, медь, гидразин), не контролируемых в настоящее время приборами непрерывного действия, водопаровой тракт энергоблока оборудуется пробоотборными устройствами согласно ОСТ 108.030.04-80 «Устройства для отбора проб пара и воды паровых стационарных котлов. Типы, конструкции, размеры и технические требования». Пробоотборная линия для транспортирования пробы от точки ее забора до холодильника не должна иметь горизонтальных участков; при наличии таких участков угол наклона пробоотборной линии должен составлять не менее 10°.

Пробу из холодильника отбирают при скорости истечения среды не менее 1,5 м/с; расход пробы пара при этом должен быть не менее 30 кг/ч; расход пробы воды 30 - 50 кг/ч, температуры пробы - 25 °С.


Приложение 1

Рекомендуемое

Таблица 2

СУТОЧНАЯ ВЕДОМОСТЬ ХИМИЧЕСКОГО КОНТРОЛЯ ВОДНО-ХИМИЧЕСКОГО РЕЖИМА ПРИ ВЕДЕНИИ ЕГО ПО АВТОМАТИЧЕСКИМ ПРИБОРАМ

ВНИМАНИЕ! В четных графах указывают значение показателя (при нарушениях - максимальное), в нечетных графах - время начала и окончания нарушения (час, мин) норм ПТЭ

Время записи показаний

Конденсат турбины до конденсатоочистки

Конденсат турбины после конденсатоочистки

Питательная вода после деаэраторов

Питательная вода до котла

Пар после котла

Добавочная вода

Примечание

æн

О2

æн

Na+

О2

æн

Na+

рН

Na+

æн

рН

æн

мкСм

см

ч, мин

мкг/кг

ч, мин

мкСм

см

ч, мин

мкг/кг

ч, мин

мкг/кг

ч, мин

мкСм

см

ч, мин

мкг

кг

ч, мин

Абсолютное мин значение

ч, мин

мкг

кг

ч, мин

мкСм

см

ч, мин

Абсолютное значение

ч, мин

мкСм

см

ч, мин

1

2

3

4

5

6

7

8

9

10

11

12

13

14

15

16

17

18

19

20

21

22

23

24

25

26


Приложение 2

Справочное

ПЕРЕЧЕНЬ НОРМАТИВНО-ТЕХНИЧЕСКИХ ДОКУМЕНТОВ, НА КОТОРЫЕ СДЕЛАНЫ ССЫЛКИ

(В скобках указаны обозначения НТД по указателям РД Минэнерго СССР)

Обозначение и наименование НТД

Пункт, в котором имеется ссылка

Правила технической эксплуатации электрических станций и сетей (М.: Энергоатомиздат, 1989 (ПТЭ-89)

1.2

Руководящие указания по эксплуатации конденсатоочисток на энергоблоках 300 МВт. М.: СЦНТИ ОРГРЭС, 1973 (РД 34.37.516)

2.1.1

МУ 34-70-113-85 Руководящие указания по предпусковой химической очистке теплоэнергетического оборудования. М.: СПО Союзтехэнерго, 1986 (РД 34.37.404)

2.2.1; 5.5

Руководящие указания по локальным химическим очисткам отдельных участков пароводяного тракта энергоблоков 300 МВт по разомкнутой схеме. М.: СЦНТИ ОРГРЭС, 1974 (РД 34.37.405)

5.5

РД 34.37.306-87 «Методические указания по контролю состояния основного оборудования тепловых электрических станций; определение количества и химического состава отложений»

2.2.3; 2.2.4; 2.2.5

МУ 34-70-130-85. Методические указания по химической промывке проточной части турбин сверхкритического давления. М.: ВТИ, 1986 (РД 34.37.401)

2.2.6; 2.2.7; 5.5

РД 34.20.591-87. Методические указания по консервации теплоэнергетического оборудования

2.3.2; 5.6

ТИ 34-70-050-89. Типовая инструкция по ведению водно-химического режима энергоблоков сверхкритического давления. М.: СПО Союзтехэнерго, 1986 (РД 34.37.510)

2.5; 3.2; 5.10

РД 34.37.308-90. Методические указания по определению рН питательной воды прямоточных котлов СКД в пределах от 8,0 до 10,0 лабораторными рН-метрами (М.: ВТИ им. Ф.Э. Дзержинского, 1991)

2.6.2; 2.7.5

Руководящие указания по применению гидразина на энергетических установках электростанции М.: СПО Союзтехэнерго, 1980 (РД 34.37.503)

2.6.4

Руководящие указания по автоматическому дозированию гидразина и аммиака на энергоблоках с прямоточными котлами. М.: СЦНТИ ОРГРЭС, 1972 (РД 34.37.517)

2.6.7; 5.4

РД 34.37.303-88 Методические указания по организации и объему химического контроля водно-химического режима на тепловых электростанциях

2.7.6; 2.7.8; 3.2; 3.4

ОСТ 108.030.04-80 «Устройства для отбора проб пара и воды паровых стационарных котлов. Типы, конструкции, размеры и технические требования»

5.12

РД 34.37.520-88 Методические указания по ведению водного режима на энергоблоках сверхкритического давления с помощью автоматических приборов химконтроля

2.7.3

МУ 34-70-114-85 Методические указания по применению кондуктометрического контроля для ведения вод водного режима электростанций

2.7.4

СОДЕРЖАНИЕ

1. Общие положения. 2

2. Мероприятия по обеспечению надежного водно-химического режима. 2

3. Организация водно-химического режима при пуске блока. 11

4. Определение аварийных нарушений водно-химического режима энергоблока. 11

5. Требования к проектированию средств обеспечения вхр. 14

Приложение 1. Суточная ведомость химического контроля водно-химического режима при ведении его по автоматическим приборам.. 16

Приложение 2. Перечень нормативно-технических документов, на которые сделаны ссылки. 17

 

 



© 2013 Ёшкин Кот :-)