| |||||||||||||||||||||||||||||||||||||||||||||||||||||||||
| 
 ГОСТ Р 50940-96 ГОСУДАРСТВЕННЫЙ СТАНДАРТ РОССИЙСКОЙ ФЕДЕРАЦИИ УСТРОЙСТВА ЭЛЕКТРОШОКОВЫЕ ОБЩИЕ ТЕХНИЧЕСКИЕ УСЛОВИЯ ГОССТАНДАРТ РОССИИ  Предисловие 1 РАЗРАБОТАН Акционерным обществом «Научно-исследовательский институт стали» 2 ПРИНЯТ И ВВЕДЕН В ДЕЙСТВИЕ Постановлением Госстандарта России от 28 августа 1996 г. № 548 3 ВВЕДЕН ВПЕРВЫЕ Содержание 
 ГОСТ Р 50940-96 ГОСУДАРСТВЕННЫЙ СТАНДАРТ РОССИЙСКОЙ ФЕДЕРАЦИИ 
 Дата введения 1997-01-01 1 ОБЛАСТЬ ПРИМЕНЕНИЯНастоящий стандарт распространяется на электрошоковые устройства отечественного производства (далее - ЭШУ)*, предназначенные для использования в целях самообороны, и защитные электрошоковые устройства отечественного производства (далее - ЗЭШУ), предназначенные для защиты (охраны) стационарных и подвижных объектов гражданского и ведомственного назначения от несанкционированного проникновения и воздействия. Термины и определения, применяемые в настоящем стандарте, приведены в приложении А __________ * Согласовано с Министерством здравоохранения и социального развития Российской Федерации в части ЭШУ, относящихся к гражданскому оружию самообороны по Федеральному закону «Об оружии». (Новая редакция, Изм. № 2, 3). 2 НОРМАТИВНЫЕ ССЫЛКИВ настоящем стандарте использованы нормативные ссылки на следующие стандарты: ГОСТ Р 8.568-97 Государственная система обеспечения единства измерений. Аттестация испытательного оборудования. Основные положения ГОСТ Р 15.201-2000 Система разработки и постановки продукции на производство. Продукция производственно-технического назначения. Порядок разработки и постановки продукции на производство ГОСТ Р МЭК 335-1-94 Безопасность бытовых и аналогичных электрических приборов. Общие требования и методы испытаний ГОСТ Р МЭК 60065-2002 Аудио-, видео- и аналогичная электронная аппаратура. Требования безопасности ГОСТ 4677-82 Фонари. Общие технические условия ГОСТ 15150-69 Машины, приборы и другие технические изделия. Исполнения для различных климатических районов. Категории, условия эксплуатации, хранения и транспортирования в части воздействия климатических факторов внешней среды ГОСТ 23216-78 Изделия электротехнические. Хранение, транспортирование, временная противокоррозионная защита, упаковка. Общие требования и методы испытаний ГОСТ 27542-87 Ткани суконные чистошерстяные и полушерстяные ведомственного назначения. Технические условия ГОСТ 28215-89 (МЭК 68-2-29-87) Основные методы испытаний на воздействие внешних факторов. Часть 2. Испытания. Испытание Еb и руководство: Многократные удары ГОСТ 30630.0.0-99 Методы испытаний на стойкость к внешним воздействующим факторам машин, приборов и других технических изделий. Общие требования. (Новая редакция, Изм. № 3). 3 ТЕХНИЧЕСКИЕ ТРЕБОВАНИЯ3.1 Общие требования3.1.1 Электрошоковые устройства должны быть разработаны и изготовлены в соответствии с требованиями настоящего стандарта, технических условий на ЭШУ (ЗЭШУ) конкретного типа, ГОСТ 15.001, по конструкторской документации, утвержденной в установленном порядке. (Измененная редакция, Изм. № 3). 3.1.2 ЭШУ (ЗЭШУ) должны быть разработаны и изготовлены в климатическом исполнении УХЛ категории размещения 2 - по ГОСТ 15150. При изготовлении ЗЭШУ для экспорта, кроме того, должны быть учтены требования заказа-наряда (контракта), а для экспорта в страны с тропическим климатом - требования ГОСТ 15151. Комплектующие изделия должны быть изготовлены в том же исполнении, что и ЭШУ (ЗЭШУ). (Измененная редакция, Изм. № 2, 3) 3.1.3 ЭШУ должны быть безопасными для жизни и здоровья объекта воздействия. (Новая редакция, Изм. № 3). 3.2 Типы и основные параметры3.2.1 ЭШУ подразделяют: - по электрическим параметрам (параметрам безопасности): средней мощности воздействия; напряжению искрового разряда на электродах; совокупности параметров при эффективности воздействия; - по функциональному использованию: контактного воздействия (К); дистанционно-контактного воздействия (ДК). Характеристика и нормы основных параметров ЭШУ должны соответствовать таблице 1. 
 (Новая редакция, Изм. № 2, 3). 3.2.2 Условное обозначение ЭШУ должно содержать наименование изделия, функциональное использование, класс, тип и группу, обозначение настоящего стандарта. Пример условного обозначения электрошокового устройства «Шмель», контактного использования (К), 2-го класса, 2-го типа, 1-й группы: ЭШУ Шмель К.221 ГОСТ Р 50940-96 (Новая редакция, Изм. № 2). 3.3 Конструктивные требования3.3.1 Конструктивное исполнение ЭШУ (ЗЭШУ) в зависимости от их назначения и области применения определяет заказчик совместно с разработчиком. 3.3.2 Габаритные размеры должны быть установлены в стандартах и (или) технических условиях на ЭШУ (ЗЭШУ) конкретного типа. 3.3.3 Для приведения в действие ЭШУ должно быть снабжено устройством включения. Воздействие ЭШУ на объект осуществляется через рабочие электроды, вмонтированные на (в) корпусе или через выбрасываемые контактные электроды, а также при непосредственном контакте с объектом. (Новая редакция, Изм. № 2). 3.3.4 Расстояние между рабочими электродами не должно превышать 40 мм. Расстояние между контактами дистанционно-контактных ЭШУ не должно превышать 300 мм. При использовании ЗЭШУ контакт осуществляется по схеме «высоковольтный участок - нога - рука» или «высоковольтный участок - нога - нога», или «высоковольтный участок - рука - рука. (Новая редакция, Изм. № 3). 3.3.5 ЭШУ должно быть удобным для ношения и использования, а также должны быть предусмотрены меры, предотвращающие его случайное включение. 3.3.6 Для исключения несанкционированного применения (при попадании в чужие руки) ЭШУ 1-го и 2-го классов по требованию заказчика изготовляют с блокирующим устройством. 3.3.7 Время однократного воздействия не должно превышать 3 с. Для ЗЭШУ время однократного воздействия (наличия напряжения на электризуемых элементах) не должно превышать 3 с. Время паузы между воздействиями должно быть не менее 1 с. 3.3.7 (Введен дополнительно, Изм. № 2). (Измененная редакция, Изм. № 3). 3.4 Требования назначения3.4.1 ЭШУ 1-го и 2-го классов должны обеспечивать воздействие на объект через одежду в период теплого и холодного времени года, 3-го класса - в период теплого времени года. При этом максимально допустимое снижение мощности воздействия на объект не должно быть более 25 %. 3.5 Требования надежности3.5.1 Надежность ЭШУ должна характеризоваться безотказностью, долговечностью и сохраняемостью. 3.5.2 Выбор норм показателей надежности должен соответствовать требованиям нормативных документов на ЭШУ конкретного типа. 3.5.3 Средняя наработка до отказа - не менее 3000 включений с вероятностью 0,98 без учета наработки до отказа элемента питания. (Измененная редакция, Изм. № 1). 3.6 Требования стойкости к внешним воздействиям3.6.1 ЭШУ должны быть устойчивыми к воздействию механических ударов. Степень стойкости ЭШУ к воздействию механических ударов в зависимости от предполагаемых условий эксплуатации указывают в технических условиях на ЭШУ конкретного типа. 3.6.2 ЭШУ должны быть устойчивыми к вибрации при транспортировании. 3.6.3 ЭШУ должны сохранять работоспособность при температуре окружающего воздуха от минус 15 до плюс 50 "С. 3.6.4 ЭШУ должны сохранять работоспособность в воздушной атмосфере с относительной влажностью 98 % при температуре плюс 25 °С. 3.6.5 ЭШУ должны сохранять работоспособность после воздействия дождя, верхнее значение интенсивности которого 3 мм/мин. 3.7 Требования к материалам3.7.1 Марки материалов для изготовления электрошоковых устройств должны быть указаны в стандартах или технических условиях на ЭШУ конкретного типа. 3.7.2 Корпус ЭШУ должен быть изготовлен из материалов с высокими диэлектрическими и механическими свойствами. 3.8 Комплектность3.8.1 В комплект поставки, исключая ЗЭШУ, должны входить: ЭШУ; перезаряжаемый или неперезаряжаемый источник питания, внешнее зарядное устройство, если оно предусмотрено конструкцией, чехол, паспорт и, при необходимости, руководство по эксплуатации. Комплект поставки защитного устройства регламентируется НД на него. (Измененная редакция, Изм. № 2, 3). 3.8.2 Сопроводительная документация ЭШУ, предназначенных для экспорта и заказу-наряду (контракту). (Измененная редакция, Изм. № 3). 3.9 Маркировка3.9.1 Каждое ЭШУ (ЗЭШУ) должно иметь маркировку, содержащую наименование страны-изготовителя ЭШУ (Россия), наименование предприятия-изготовителя (товарный знак), обозначение изделия, номера изделия и Знак соответствия системы сертификации. (Измененная редакция, Изм. № 2, 3). 3.9.2 Способ, место нанесения маркировки указывают в стандартах или технических условиях на ЭШУ (ЗЭШУ) конкретного типа. (Измененная редакция, Изм. № 3). 3.10 Упаковка3.10.1 Способ упаковывания, транспортную маркировку упаковки указывают в стандартах или технических условиях на ЭШУ (ЗЭШУ) конкретного типа. (Измененная редакция, Изм. № 2, 3). 4 ПРИЕМКА4.1 Для проверки соответствия ЭШУ требованиям настоящего стандарта предприятие-изготовитель должно проводить приемо-сдаточные, периодические сертификационные и типовые испытания. (Измененная редакция, Изм. № 2). 4.2 Порядок предъявления к испытаниям, объем предъявляемых партий, состав испытаний, проверяемые параметры и технические свойства, а также последовательность их проверки должны быть указаны в стандартах или технических условиях на ЭШУ конкретного типа. 4.3 (Исключен, Изм. № 2). 5 МЕТОДЫ ИСПЫТАНИЙ5.1 Испытания ЭШУ (ЗЭШУ) на соответствие требованиям настоящего стандарта проводят в нормальных климатических условиях по ГОСТ 15150. Испытание ЭШУ (ЗЭШУ) для определения электрических параметров, надежности и электробезопасности проводят в соответствии с приложением Б. (Измененная редакция, Изм. № 2, 3). 5.2 Проверку внешнего вида ЭШУ (ЗЭШУ) на соответствие требованиям настоящего стандарта проводят визуально сравнением с образцом-эталоном. 5.3 Габаритные и установочные размеры ЭШУ (ЗЭШУ) проверяют сличением с чертежами и измерением мерительным инструментом, обеспечивающим требуемую чертежами точность. 5.2, 5.3 (Измененная редакция, Изм. № 3). 5.4 Качество материалов и изделий должно быть удостоверено сертификатами или другими документами предприятий-изготовителей. 5.5 Контроль маркировки проводят осмотром. 5.6 Общие требования к испытаниям на воздействие климатических факторов - по ГОСТ 30630.0.0. Требования к испытаниям на воздействие механических ударов - по ГОСТ 28215 и ГОСТ 30630.0.0. 5.7 Медико-биологические испытания эффективности и безопасности ЭШУ проводят в аккредитованных Ростехрегулированием России центрах испытаний по стандартным методикам, утвержденным Министерством здравоохранения и социального развития Российской Федерации с Ростехрегулированием России. 5.6, 5.7 (Новая редакция, Изм. № 3). 6 ТРАНСПОРТИРОВАНИЕ И ХРАНЕНИЕ6.1 Транспортирование и хранение ЭШУ (ЗЭШУ) должно производиться в транспортной таре 6.2 Допускается транспортирование ЭШУ (ЗЭШУ) транспортом любого вида в условиях, соответствующих группе С ГОСТ 23216 в части воздействия механических факторов, группе 2 ГОСТ 15150 - в части климатических воздействий. 6.1, 6.2 (Измененная редакция, Изм. № 3). 6.3 Изделие следует хранить в соответствии с условиями хранения 2 по ГОСТ 15150 6.4 При длительном хранении (св. 6 мес.) источники питания должны быть извлечены 6.5 При хранении ЭШУ св. 6 мес. должна быть проведена предпродажная проверка». Раздел 6 (Новая редакция, Изм. № 2). 7 УКАЗАНИЯ ПО ЭКСПЛУАТАЦИИ7.1 Сведения, необходимые для правильной эксплуатации, применения, хранения и технического обслуживания ЭШУ и ЗЭШУ и поддержания их в постоянной готовности к действию, должны быть указаны в паспорте или руководстве по эксплуатации. (Новая редакция, Изм. № 3). 7.2 (Исключен, Изм. № 2). 7.3 Следует избегать контакта рабочих электродов ЭШУ (ЗЭШУ) в области сердца, головы, шеи и солнечного сплетения объекта воздействия. 7.4 Запрещается применение ЭШУ (ЗЭШУ) против лиц с явными признаками инвалидности, детей, пожилых людей и беременных женщин. 7.3, 7.4 (Измененная редакция, Изм. № 3). 7.5 При использовании ЗЭШУ на стационарных (подвижных) объектах наличие электризуемых элементов следует обозначать предупредительными табличками (надписями) установленного образца. 7.5 (Введено дополнительно, Изм. № 3). 8 ГАРАНТИИ ИЗГОТОВИТЕЛЯ8.1 Изготовитель должен гарантировать соответствие ЭШУ (ЗЭШУ) требованиям настоящего стандарта, стандартам или техническим условиям на ЭШУ (ЗЭШУ) конкретного типа. 8.2 Гарантийный срок эксплуатации - не менее 12 мес. ПРИЛОЖЕНИЕ А
 | 
| 
   Вид осциллограммы  | 
  
   Измеряемые по осциллограмме параметры и форма аппроксимации  | 
  
   Формулы для расчета мощности  | 
 
| 
   
  | 
  
   Umn - амплитуды полуволн, В; t'- длительность полуволны в импульсе, с; Т - период повторения импульсов, с. Затухающая синусоида 
 где w - частота колебаний в импульсе  | 
  
   
 где п - количество полуволн, учитываемое в расчете с амплитудой не менее 0,25 Um1 mах  | 
 
| 
   
  | 
  
   Um1, и Um2, - максимальные значения напряжения при аппроксимации положительной и отрицательной полуволн импульса, В; Т - период повторения импульсов, с; 
 Кu- отношение максимального значения напряжения к минимальному; К' - скважность; τ' - длительность импульса с большей амплитудой, с. Прямоугольная: Um1(0, τ´) Um2(τ´, T)  | 
  
   
 где  или   | 
 
| 
   
  | 
  
   Максимальное значение напряжения, В; Т - период повторения импульсов, с; 
 τ' - длительность импульса, с Треугольник с основанием τ'  | 
  
   
  | 
 
| 
   -  | 
  
   Для ЗЭШУ Импульсы произвольной формы: U - действующее значение напряжения за время Т, В; Т - период повторения импульсов, с; U(t) - мгновенное значение напряжения на Rэ, В 
  | 
  
   
  | 
 
(Измененная редакция, Изм. № 3).
Б.3.5 Энергию за время воздействия г, с, определяют по формуле
Wэ = tP [Дж].
Б.3.6 В случае невозможности подключения ЭШУ к внешнему источнику питания допускается использование штатного источника питания полностью заряженного (аккумулятор) или новой батареи питания.
Б.4 Определение мощности воздействия ЭШУ на объект через одежду
Б.4.1 Мощность воздействия определяют расчетным путем согласно разделу 3 по мощности, выделяемой на эквиваленте нагрузки Rэ = 1 кОм.
Б.4.2 Для получения соответствующих осциллограмм напряжения необходимо обеспечить контакт рабочих электродов ЭШУ к измерительным электродам нагрузки через пакет, состоящий из двух слоев шинельной ткани по ГОСТ 27542.
Б.4.3 Проведение испытаний
Снятие осциллограммы напряжения U(t) на Rэ проводят при подключении контактов ЭШУ к Rэ через пакет ткани. Положение контактов ЭШУ соответствует принятому в Б.3.4.
Б.4.4 Обработу результатов проводят по методике, изложенной в Б.3.4.
Б.5 Определение напряжения искрового (дугового) разряда на электродах ЭШУ
Б.5.1 Напряжение искрового разряда не должно превышать значений, указанных в таблице 1 настоящего стандарта в соответствии с заявленным классом.
Б.5.2 Напряжение искрового разряда на контактах ЭШУ определяют по показанию вольтметра (Uv) расчетным путем или по осциллограмме напряжения, полученной с помощью ДВИ.
Б.5.3 Схема подключения ЭШУ к испытательному оборудованию и измерительному вольтметру приведена на рисунке Б.2.
1 - ЭШУ; 2 - ДВИ -
делитель высоковольтный импульсный; 3 - защитный кожух делителя -
диэлектрический;
4 - измерительная приставка (ИП) к вольтметру; 5 - вольтметр;
С - емкость; R - сопротивление
Рисунок
Б.2 - Схема определения напряжения искрового разряда на
контактах ЭШУ
Б.5.4 Проведение испытания
Снятие осциллограммы напряжения искрового разряда проводят от штатного (полностью заряженного) источника питания.
Б.5.4.1 Для определения напряжения искрового разряда собирают схему (рисунок Б.2). Провода, соединяющие ЭШУ с делителем, должны иметь минимальную длину. Делитель располагают непосредственно у вольтметра, измерительную приставку устанавливают на выводы вольтметра в соответствии с маркировкой ИП.
Б.5.4.2 Отсчет напряжения, возникающего на низковольтном плече ДВИ, производят по вольтметру. Длительность непрерывной работы ЭШУ - не более 3 с. Отсчет производят при успокоении светового «зайчика» на шкале вольтметра. Проводят два измерения при подключении к т. 1 - т. 4 делителя разных электродов ЭШУ. При получении максимального значения (в одном из положений) проводят не менее трех включений ЭШУ с паузой (5 - 10 мин), необходимой для восстановления штатного источника питания.
Б.5.4.3 При испытаниях ЭШУ должны быть соблюдены требования по электробезопасности в соответствии с ГОСТ Р МЭК 60065.
(Измененная редакция, Изм. № 3).
Примечание - Для исключения воздействия возникающего напряжения работающему с ЭШУ оператору следует надевать резиновую перчатку.
Б.5.5 Обработку полученных результатов проводят следующим образом:
- для ЭШУ с трансформаторным выходом
UЭШУ = КД UV,
где Uv - показание вольтметра;
КД - коэффициент деления делителя;
- для ЭШУ с емкостным выходом
![]()
где Свых - выходная емкость ЭШУ;
СД - входная емкость делителя.
Результаты усредняют

где п - число экспериментов при выбранном положении рабочих электродов.
Если выходная емкость ЭШУ неизвестна, проводят расчет выходной емкости по осциллограмме напряжения U(t), полученной при определении мощности воздействия на эквивалент нагрузки.
Б.5.6 Определение напряжения генерируемого ЗЭШУ
Б.5.6.1 Напряжение искрового разряда на контактах ЗЭШУ не должно превышать значений, приведенных в таблице 1 настоящего стандарта.
Б.5.6.2 Напряжение искрового разряда на контактах ЗЭШУ определяется по осциллограмме напряжения, полученной при помощи ДВИ.
Б.5.6.1, Б.5.6.2 (Новая редакция, Изм. № 3).
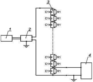
Б.5.6.3 Схема подключения ЗЭШУ к испытательному оборудованию и осциллографу приведена на рисунке Б.3.
Б.5.6.3 (Введен дополнительно, Изм. № 3).
1 - источник питания; 2
- ЗЭШУ; 3 - ДВИ - делитель высоковольтный импульсный;
4 - осциллограф; С1 - конденсатор; R1 - резистор
Рисунок Б.3.
(Измененная редакция, Изм. № 3).
Б.6 Электробезопасность
Б.6.1 Испытание электрической прочности изоляции - по ГОСТ Р МЭК 60065, 14.4.1, 14.10, 15.1.3, 9.17, 10.2.
(Измененная редакция, Изм. № 3).
Б.6.2 Средства испытаний
Б.6.2.1 Для всех типов ЭШУ испытание электрической прочности изоляции проводят по схеме рисунка Б.4.
1 - рукоятка; 2 - медная
фольга; 3 - электроды;
4 - высоковольтный источник напряжения
Рисунок Б.4 - Схема испытания электрической прочности изоляции
Максимальное напряжение испытания должно превышать на 10 % реальное напряжение возникновения искрового разряда испытуемого типа ЭШУ.
Б.6.3 Испытанию подвергают три образца.
Б.6.4 Проведение испытаний
Б.6.4.1 Испытание электрической прочности изоляции встроенного зарядного устройства проводят по ГОСТ Р МЭК 335-1, 13.3.
Б.6.4.2 Испытания сопротивления изоляции и электрической прочности проводят по ГОСТ Р МЭК 335-1, раздел 16 (кроме 16.2) и ГОСТ 4677, 2.11.
Б.7 Испытание на надежность
Б.7.1 Испытание на надежность работы ЭШУ по требованиям 3.5.3 настоящего стандарта проводят на стенде, обеспечивающем циклическую работу с длительностью цикла, равным 6 с (включено 3 с, отключено 3 с) или 10 циклов в минуту.
Приложения А, Б (Введены дополнительно, Изм. № 2).
| 
   Ключевые слова: электрошоковое устройство, безопасное для жизни, средняя мощность воздействия, напряжение искрового разряда на электродах, совокупность параметров при эффективности воздействия, класс, блокирующее устройство  | 
 
(Новая редакция, Изм. № 2).