| |||||||||||||||||||||||||||||||||||||||||||||||||||||||||||||||||||||||||||||||||||||||||||||||||||||||||||||||||||||||||||||||||||||||||||||||||||||||||||||||||||||||||||||||||||||||||||||||||||||||||||||||||||||||||||||||||||||||||||||||||||||||||||||||||||||||||||||||||||||||||||||||||||||||||||||||||||||
|
ЕВРАЗИЙСКИЙ СОВЕТ ПО
СТАНДАРТИЗАЦИИ, МЕТРОЛОГИИ EURO-AZIAN COUNCIL FOR
STANDARDIZATION, METROLOGY
ЗАМКИ И ЗАЩЕЛКИ ТЕХНИЧЕСКИЕ УСЛОВИЯ МЕЖГОСУДАРСТВЕННАЯ
НАУЧНО-ТЕХНИЧЕСКАЯ КОМИССИЯ Москва Предисловие Евразийский совет по стандартизации, метрологии и сертификации (ЕАСС) представляет собой региональное объединение национальных органов по стандартизации государств, входящих в Содружество Независимых Государств. В дальнейшем возможно вступление в ЕАСС национальных органов по стандартизации других государств При ЕАСС действует Межгосударственная научно-техническая комиссия по стандартизации, техническому нормированию и сертификации в области строительства (МНТКС), которой предоставлено право принятия межгосударственных стандартов в области строительства Цели, основные принципы и основной порядок проведения работ по межгосударственной стандартизации установлены ГОСТ 1.0-92 «Межгосударственная система стандартизации. Основные положения» и МСН 1.01-01-96 «Система межгосударственных нормативных документов в строительстве. Основные положения» Сведения о стандарте 1 РАЗРАБОТАН Учреждением - Центр по сертификации оконной и дверной техники с участием ФГУП «Центральное проектно-конструкторское и технологическое бюро» Госстроя России и фирмы «ASSA АВ», Швеция 2 ВНЕСЕН Госстроем России 3 ПРИНЯТ Межгосударственной научно-технической комиссией по стандартизации, техническому нормированию и сертификации в строительстве (МНТКС) 14 мая 2003 г. За принятие проголосовали:
4 ВЗАМЕН ГОСТ 5089-97 5 ВВЕДЕН В ДЕЙСТВИЕ с 1 марта 2004 г. в качестве государственного стандарта Российской Федерации постановлением Госстроя России от 20.06.2003 г. № 79 Информация о введении в действие (прекращении действия) настоящего стандарта и изменений к нему на территории указанных выше государств публикуется в указателях национальных (государственных) стандартов, издаваемых в этих государствах Информация об изменениях к настоящему стандарту публикуется в указателе (каталоге) «Межгосударственные стандарты», а текст изменений - в информационных указателях «Межгосударственные стандарты». В случае пересмотра или отмены настоящего стандарта соответствующая информация будет опубликована в информационном указателе «Межгосударственные стандарты» Содержание МЕЖГОСУДАРСТВЕННЫЙ СТАНДАРТ
Дата введения 2004-03-01 1 Область примененияНастоящий стандарт распространяется на врезные и накладные замки с различными механизмами секретности, цилиндровые механизмы и защелки (далее - изделия) для дверей из различных материалов, применяемых в жилых, общественных и производственных зданиях. Требования к качеству замков, цилиндровых механизмов, обеспечивающих безопасность граждан и их имущества, изложены в разделах 4 и 5 и являются обязательными. Стандарт может быть применен для целей сертификации. 2 Нормативные ссылкиВ настоящем стандарте использованы ссылки на следующие стандарты: ГОСТ 9.303-84 ЕСЗКС. Покрытия металлические и неметаллические неорганические. Общие требования к выбору ГОСТ 538-2001 Изделия замочные и скобяные. Общие технические условия ГОСТ 1145-80 Шурупы с потайной головкой. Конструкция и размеры ГОСТ 1146-80 Шурупы с полупотайной головкой. Конструкция и размеры ГОСТ 4784-97 Алюминий и сплавы алюминиевые деформируемые. Марки ГОСТ 5221-77 Проволока из оловянно-цинковой бронзы. Технические условия ГОСТ 5222-72 Проволока из кремнемарганцевой бронзы. Технические условия ГОСТ 17474-80 Винты с полупотайной головкой классов точности А и В. Конструкция и размеры ГОСТ 17475-80 Винты с потайной головкой классов точности А и В. Конструкция и размеры ГОСТ 18143-72 Проволока из высоколегированной коррозионно-стойкой и жаростойкой стали. Технические условия ГОСТ 19091-2000 Замки и защелки. Методы испытаний ГОСТ 19424-97 Сплавы цинковые литейные в чушках. Технические условия ГОСТ 25140-93 Сплавы цинковые литейные. Марки 3 Термины и определенияТермины с соответствующими определениями, применяемые в настоящем стандарте, приведены в ГОСТ 538 и в приложении А настоящего стандарта. 4 Классификация, классы, типы и условные обозначения4.1. Классификация замков Замки классифицируют по следующим признакам: по способу установки на дверной блок: врезные; накладные; по применяемому механизму секретности: цилиндровые; сувальдные; кодовые; магнитные; по варианту открывания дверного блока: правые; левые; универсальные (в том числе переналаживаемые); по количеству применяемых механизмов секретности в замке: с одним и более однотипными механизмами секретности; с различными механизмами секретности (комбинированные); по конструктивному исполнению засова: прямоугольного сечения; из нескольких прутков круглого, прямоугольного и т.п. сечения; скошенный; крюкообразный; по способу вывода засова из корпуса замка: с использованием ключа, карточки, чипа и т.д.; с механизмом автоматического вывода. 4.2. Классифкация защелок Защелки классифицируют по следующим признакам: по способу установки на дверной блок: врезные; накладные; по варианту открывания дверного блока: правые; левые; универсальные; по варианту конструктивного исполнения: с механизмом фиксирования; с механизмом фиксирования и механизмом дополнительного запирания; по виду исполнения механизма фиксирования: со скошенным засовом; с шариком; с роликом. 4.3. Классификация цилиндровых механизмов 4.3.1 Цилиндровые механизмы классифицируют по следующим признакам: по применению в замках: врезных; накладных; по варианту конструктивного исполнения цилиндрового механизма: односторонний; двусторонний; односторонний с механизмом постоянного ключа; по виду элементов секретности: штифтовые; пластинчатые; дисковые; магнитные; кодовые и др. Примечание - Для повышения охранных свойств замков в цилиндровых механизмах рекомендуется применять дополнительные элементы (магниты, коды, закаленные штифты, пластины, диски); по признаку взаимного соответствия ключей и цилиндровых механизмов различают: цилиндровый механизм с индивидуальным ключом; системы цилиндровых механизмов (система мастер-ключ): с одинаковым ключом; с групповым ключом; с центральным ключом; с центральным механизмом; смешанные. Примечание - Примеры взаимного соответствия ключей и цилиндровых механизмов приведены в приложении Б. 4.4 Замки и механизмы цилиндровые подразделяют на классы в зависимости от показателей прочности, надежности (безотказности), секретности, показателей стойкости к разрушающим и неразрушающим способам вскрытия. Общая характеристика классов (охранные свойства) и рекомендуемая область применения указаны в таблице 1. Таблица 1
4.5 Основные типы замков и защелок указаны в таблице 2. Примеры изделий и их комплектующих приведены на рисунках приложения В. Таблица 2
Форму корпусов замков и защелок, ручек с накладками, накладок, запорных и лицевых планок, головок ключей устанавливают в рабочих чертежах. Замки в соответствии с конструкторской документацией (КД) могут иметь дополнительные устройства (системы горизонтальных и вертикальных тяг и засовов, накладки, цепочки, кодовые, электромеханические, магнитные и другие устройства). 4.6 Структура условного обозначения изделий
Пример условного обозначения замка врезного цилиндрового типа ЗВ1 2-го класса: ЗВ1 класс 2 ГОСТ 5089-2003. То же, замка накладного сувальдного типа ЗН4 3-го класса: ЗН4 класс 3 ГОСТ 5089-2003. То же, защелки типа ЗЩ1: ЗЩ1 ГОСТ 5089-2003. В условное обозначение типа замка с цилиндровым дисковым механизмом дополнительно вводится буква «Д». То же, замка врезного типа ЗВ4 с цилиндровым дисковым механизмом 2-го класса: ЗВ4Д класс 2 ГОСТ 5089-2003. При экспортно-импортных поставках изделий допускается применять другую структуру условного обозначения, оговоренную в договоре (контракте) и указанную в технической документации изготовителя (поставщика). 5 Технические требования5.1 Изделия должны удовлетворять требованиям ГОСТ 538 и настоящего стандарта. Изделия следует изготавливать по конструкторской документации, разработанной в соответствии с требованиями настоящего стандарта. Конструкторская документация на замки (механизмы цилиндровые) должна включать таблицу секретов. Требования к разработке таблицы секретов приведены в приложении Г. 5.2 Число секретов в зависимости от класса замка (механизма цилиндрового) указано в таблице 3. Таблица 3
5.3 Замок не должен открываться ключами других секретов. 5.4. Требования к надежности (безотказности) 5.4.1 Сборочные единицы замков в зависимости от класса должны выдерживать безотказно число рабочих циклов (наработка), указанное в таблице 4. Таблица 4
5.4.2 Защелки врезные и накладные должны выдерживать не менее 200000 рабочих циклов. 5.5. Требования к прочности 5.5.1 Замки должны быть прочными и сохранять работоспособность после приложения сил, указанных в таблице 5. Таблица 5
5.5.2 Ключи должны быть прочными и выдерживать момент силы, приложенный к головке ключа, Н × м, не менее: сувальдного замка..........................................................................3; цилиндрового замка......................................................................2. 5.5.3 Ручки к замкам и защелкам должны быть прочными и выдерживать момент силы, приложенный к фалевой ручке (ручке-кнопке), не менее 15 Н × м. 5.6. Требования стойкости к вскрытию (взлому) 5.6.1 Показатели стойкости замков (механизма цилиндрового) к неразрушающим и разрушающим методам вскрытия приведены в таблице 6. Таблица 6
5.6.2 Механизм секретности замков 3-го и 4-го классов должен иметь защиту от высверливания и открывания отмычками (например, термообработанные дополнительные штифты, пластины, диски). 5.6.3 Сувальдные замки 3-го и 4-го классов должны иметь защиту от высверливания стойки хвостовика засова (например, термообработанные пластины, устанавливаемые на корпус замка перед стойкой хвостовика засова, или термообработанные элементы, вмонтированные в стойку хвостовика). 5.6.4 Замки 3-го и 4-го классов должны иметь защиту от перепиливания засова (например, термообработанная головка засова или вставленные в нее термообработанные элементы). 5.6.5 Накладки под ручки для врезных замков 3-го и 4-го классов должны закрепляться винтами. 5.6.6 Замки должны иметь вылет засова, мм, не менее: для деревянных дверей................................................................20; для стальных дверей....................................................................23; для дверных блоков из поливинилхлоридных или алюминиевых профильных деталей....................................12. 5.6.7 Цилиндровый механизм не должен выступать над поверхностью защитно-декоративной планки или накладки более чем на 3 мм. 5.7. Конструктивные требования 5.7.1 Корпуса замков и защелок должны иметь съемные крышки. Номинальная толщина стенок стальных корпусов и крышек врезных замков 3-го и 4-го классов должна быть не менее 1,5 мм. 5.7.2 Накладные замки должны иметь механизмы для фиксирования защелки в введенном в корпус положении. 5.7.3 Суммарные размеры штифтов цилиндра и корпуса, пружины в полностью сжатом состоянии и заглушки должны превышать длину отверстия в корпусе не менее чем на 2 мм и не менее чем в двух отверстиях в корпусе цилиндрового механизма. 5.7.4 В цилиндровых механизмах могут использоваться различные элементы, обеспечивающие секретность (штифты, пластины, диски, шарики, магниты и др.). Элементы секретности могут располагаться в один и более рядов. Для обеспечения охранных свойств механизм одного цилиндра должен иметь: комплектов штифтов - не менее 5; » пластин - » » 6; » дисков - » » 7. Крепление цилиндровых механизмов может осуществляться с помощью винтов, скоб, накладок и др. 5.7.5 Штифты цилиндра и корпуса цилиндрового механизма должны иметь фаску или сферу в соответствии с рисунком 1. 1 - штифт цилиндра; 2 - штифт корпуса Рисунок 1 - Примеры фасок и сфер штифтов цилиндра и корпуса цилиндрового механизма 5.7.6 Цилиндры всех типов штифтовых цилиндровых механизмов должны иметь буртик, а цилиндры пластинчатых и дисковых цилиндровых механизмов - буртик и стальную закаленную шайбу, диск. Штифты корпуса цилиндрового механизма замков 2 - 4-го классов должны иметь центральную проточку, указанную на рисунке 1. Число штифтов с проточкой должно быть на два меньше числа штифтов, взаимодействующих с одной рабочей гранью ключа. 5.7.7 Степень точности соединения корпуса цилиндрового механизма с цилиндром должна быть для замков класса: 1 - до 12-го квалитета включ.; 2 и 3 - » 9-го » »; 4 - » 7-го » ». 5.7.8 Отверстия для штифтов в корпусе цилиндрового механизма должны иметь индивидуальные заглушки. Допускается применение общей заглушки при наличии ее защиты от вскрытия. 5.7.9 Сувальдный механизм секретности состоит из сувальд (пластин) с пружинами, при этом количество сувальд должно быть не менее 4. Применение обшей пружины для сувальд не допускается. Для повышения охранных свойств сувальдных замков рекомендуется изготавливать насечки на сувальдах в виде «ложных пазов» или применять систему перекодирующихся сувальд, а также использовать элементы секретности цилиндрового механизма. 5.7.10 Замки и защелки с фалевыми ручками, или ручками-кнопками должны иметь механизм, обеспечивающий возврат ручек в исходное положение. 5.7.11 Пружины для защелки и возврата ручки должны быть автономными. 5.7.12 Конструкция защелок с механизмом дополнительного запирания должна обеспечивать возможность снятия дополнительного запирания с наружной стороны двери при помощи специального инструмента. Расположение механизма дополнительного запирания устанавливают в технической документации изготовителя. 5.7.13 Размеры отверстия для засова, защелки в запорной планке должны быть больше высоты засова, защелки на 4 - 6 мм и толщины (ширины) засова, защелки - на 1 - 3 мм. Во врезных замках с засовом, защелкой или фиксатором отверстия в запорных планках для них должны быть одинаковыми и больше по высоте на 4 - 6 мм и ширине - на 1 - 3 мм большего размера засова, защелки или фиксатора. Запорные планки замков с засовом из стержней круглого сечения могут иметь общее отверстие для засова. Запорные планки для врезных замков с дисковыми цилиндровыми механизмами должны иметь одинаковые отверстия для засова, защелки. Запорные планки для защелок толщиной 1,5 мм и более могут не иметь отогнутой кромки под заход защелки. 5.7.14 Запорные планки для замков 4-го класса должны быть коробчатой формы с креплением их не менее чем четырьмя шурупами. 5.7.15 Врезные замки и защелки допускается изготавливать с декоративно-лицевыми планками. Толщина декоративно-лицевой и лицевой планок приведена на рисунке 2. Декоративно-лицевую планку к лицевой планке длиной более 200 мм рекомендуется крепить не менее чем в трех местах. Рисунок 2 - Толщина декоративно-лицевой и лицевой планок врезного замка (а) и врезной защелки (б) 5.7.16 Пластинчатый цилиндровый механизм для замков может иметь подвижную шторку, закрывающую ключевое отверстие. 5.7.17 Профиль ключевых отверстий в корпусе сувальдного замка должен совпадать с профилем ключа и обеспечивать ввод ключа в определенном положении. 5.7.18 Ввод защелки в корпус замков типов ЗВ4, ЗВ7 может осуществляться как от фалевой ручки, так и от ключа. 5.7.19 Накладки декоративные врезных замков 1-го, 2-го классов допускается закреплять шурупами. 5.8. Требования к материалам 5.8.1 Для изготовления деталей замков и защелок и комплектующих к ним следует применять следующие материалы: сталь, алюминий и его сплавы, цинковые сплавы, сплавы на основе меди, твердые металлокерамические сплавы, керамику, пластмассу, стекло, древесину твердых пород по НД, утвержденной в установленном порядке. 5.8.2 Засовы, кулачки и поводки цилиндровых механизмов должны изготавливаться из стали или твердых металлокерамических сплавов. Цилиндровые механизмы и ключи к ним следует изготавливать из латуни, стали, нейзильбера. Засовы, засовы-защелки, кулачки, а также корпуса, цилиндры и поводки цилиндровых механизмов допускается изготавливать из цинковых сплавов марок ЦАМ4-1, ЦАМ4-1о, ЦА 4о по ГОСТ 19424, ZnAl4A, ЦА4, ЦА4о, ZnAlCulA, ЦА4М1, ЦА4М1о по ГОСТ 25140. Корпуса цилиндровых механизмов допускается изготавливать из проката алюминиевых сплавов марок Д1, Д16, 1915, 1925 по ГОСТ 4784. Корпуса цилиндровых механизмов, засовы-защелки и кулачки для замков 1-го и 2-го классов допускается изготавливать из цинкового сплава ЦАМ 27-1 по НД, утвержденной в установленном порядке. Головка ключа дискового цилиндрового механизма может быть пластмассовой. Ключи для сувальдных замков могут изготавливаться из стали или сплавов цветных металлов. 5.8.3 Пружины для изделий должны изготавливаться из стальной пружинной проволоки или ленты из пружинной стали по НД, утвержденной в установленном порядке. Пружины, применяемые в цилиндровых механизмах, следует изготавливать из оловянно-цинковой бронзы по ГОСТ 5221, кремнемарганцевой бронзы по ГОСТ 5222, стальной проволоки по ГОСТ 18143. 5.8.4 Допускается использование других материалов по нормативной документации, утвержденной в установленном порядке, не уступающих указанным по механическим и антикоррозионным свойствам. 5.9. Эргономическиетребования 5.9.1 Значения сил (моментов сил), прилагаемых к замкам и защелкам при испытании, должны быть: к торцу засова сувальдного замка при его выводе из корпуса - не менее 49 Н; к защелке или к засову (с механизмом автоматического вывода) для ввода в корпус - (3 - 20) Н; к регулируемому роликовому механизму фиксирования для ввода в корпус - (25 - 45) Н; к нерегулируемому шариковому механизму фиксирования - (5 - 25) Н; к ключу (постоянному ключу) для ввода защелки в корпус - не более 0,9 Н × м; к ключу (постоянному ключу) для ввода засова в корпус - не более 0,6 Н ×м; к фалевой ручке для ввода защелки в корпус - (0,6 - 2,0) Н × м; к ручке-кнопке для ввода защелки в корпус - (0,3 - 1,5) Н × м. 5.10. Требования к покрытиям 5.10.1 Требования к подготовке поверхности и качеству покрытий замков и защелок устанавливают в конструкторской и технологической документации согласно ГОСТ 538 и настоящему стандарту. 5.10.2 Для замков и защелок устанавливают следующие группы условий эксплуатации в соответствии с ГОСТ 9.303: 1 - для замков 1-го класса, защелок без механизмов дополнительного запирания; 2, 3 - для замков 2 - 4-го классов, защелок с механизмом дополнительного запирания. 5.10.3 Лицевые поверхности деталей замков 3-го и 4-го классов и защелок с механизмом дополнительного запирания, устанавливаемых на двери сантехкабин, изготовленные из некоррозионно-стойких материалов, должны иметь коррозионно-стойкое покрытие. 5.10.4 Замки 2 - 4-го классов и защелки с механизмом дополнительного запирания после проверки на коррозионную стойкость покрытий в течение 240 ч должны сохранять работоспособность. 5.10.5 Замки и защелки должны быть коррозионно-стойкими и соответствовать требованиям, установленным в ГОСТ 538, при этом замки 1-го класса по показателю коррозионной стойкости не испытывают. 5.11. Комплектность 5.11.1 Замки и защелки должны поставляться комплектно в соответствии с требованиями ГОСТ 538. Для повышения охранных свойств замки могут комплектоваться дополнительно защитными накладками, цепочками, а также кодовыми, электромеханическими, магнитными и другими устройствами. В комплект замков 2 - 4-го классов (предполагаемых для установки на двери, открываемые наружу) должна входить запорная планка коробчатой формы (см. приложение В, рисунок В.43). Замки для металлических дверей допускается поставлять без запорных планок, если это оговорено в договоре (контракте) на поставку. Допускается раздельная поставка замков без цилиндровых механизмов и других комплектующих к замкам и защелкам в соответствии с договором (контрактом) на поставку. 5.11.2 Замки должны быть укомплектованы не менее чем тремя ключами. 5.11.3 В комплект поставки должны входить документ о качестве (паспорт) и инструкция по эксплуатации изделий, включающая рекомендации по установке. 5.12. Маркировка 5.12.1 Маркировку замков и защелок устанавливают по ГОСТ 538 со следующими дополнениями. 5.12.1.1 Механизмы цилиндровые и другие комплектующие замков и защелок, поставляемые как самостоятельные изделия, в том числе и заготовки ключей, должны иметь маркировку товарного знака предприятия - изготовителя. 5.12.1.2 На потребительской упаковке должны быть указаны число секретов замка и его класс, в эксплуатационной документации - класс замка и его характеристика. 5.12.1.3 На ключах не допускается указывать состав секрета. 5.13. Упаковка Упаковка замков и защелок - по ГОСТ 538. 6 Правила приемки6.1 Замки и защелки должны быть приняты техническим контролем предприятия-изготовителя на соответствие требованиям настоящего стандарта, ГОСТ 538, образцов-эталонов и конструкторской документации на конкретные изделия. 6.2 Для проверки соответствия изделий требованиям настоящего стандарта и ГОСТ 538 проводят приемочный контроль, периодические, типовые, квалификационные и сертификационные испытания. 6.3 Приемочным контроль 6.3.1 Приемочный контроль на соответствие требованиям, установленным ГОСТ 538, проводят по указанному стандарту. 6.3.2 Требование 5.3 настоящего стандарта проверяют при приемочном контроле. От каждых 100 замков партии отбирают по 5 изделий, при этом общий объем выборки не должен превышать 30 изделий. Если при проверке по 5.3 хотя бы одно изделие не соответствует настоящему стандарту, проводят сплошной контроль проверяемой партии по этому показателю. 6.3.3 Размеры, установленные в настоящем стандарте и конструкторской документации на конкретные изделия, проверяют при операционном (производственном) контроле в соответствии с утвержденным технологическим регламентом. 6.4.1 Периодические испытания замков и защелок должны проводиться не реже одного раза в два года. Порядок проведения и объем периодических испытаний - по ГОСТ 538 со следующими дополнениями. 6.4.2 Требования 5.4 - 5.7, 5.9, 5.10 настоящего стандарта проверяют периодически один раз в два года. 6.5 Типовые испытания замков и защелок проводят в соответствии с ГОСТ 538. 6.6 Квалификационные испытания Квалификационные - контрольные испытания установочной серии замков и защелок проводят по всем требованиям ГОСТ 538, настоящего стандарта и другой НД (при ее наличии). 6.7 Сертификационные испытания проводят в объеме периодических испытаний в соответствии с 6.4. 6.8 Периодические и сертификационные испытания изделий должны проводиться в испытательных лабораториях, аккредитованных на право проведения указанных испытаний. Класс замка устанавливают по наименьшим фактическим результатам испытаний. 7 Методы контроля7.1 Методы контроля изделий - по ГОСТ 538, ГОСТ 19091. 7.2 Испытания замков по показателям стойкости к неразрушающим способам вскрытия в Российской Федерации проводят в установленном порядке испытательные лаборатории ФСБ по своим внутренним методикам. Испытания замков по показателям стойкости к разрушающим способам вскрытия (взлому) проводят по методикам, согласованным в установленном порядке.* __________ * На территории Российской Федерации действует ГОСТ Р 52582-2006. (Поправка) 7.3 При контроле требования 5.3 ключом каждого замка проверяют возможность отпирания остальных замков, отобранных по 6.3.2. 7.4 Коррозионную стойкость покрытий проверяют в соответствии с требованиями ГОСТ 538 и настоящего стандарта. 8 Транспортирование и хранениеТранспортирование и хранение - по ГОСТ 538. 9 Гарантии изготовителя9.1 Предприятие-изготовитель гарантирует соответствие изделий требованиям настоящего стандарта при условии соблюдения правил транспортирования, хранения, монтажа и эксплуатации. 9.2. Гарантийный срок хранения - не менее одного года со дня отгрузки изделий изготовителем. По истечении срока хранения изделия должны быть испытаны на соответствие требованиям настоящего стандарта. 9.3 Гарантийный срок - два года со дня ввода в эксплуатацию или продажи через розничную торговую сеть. 10 Сервисное обслуживаниеПредприятие-изготовитель, выпускающее замки 3-го и 4-го классов, должно иметь сервисную службу для ремонта, обслуживания замков и изготовления дополнительных ключей повышенной сложности. В случае отсутствия собственной сервисной службы предприятие-изготовитель должно иметь договора со специализированными фирмами, обеспечивающими аналогичное обслуживание. Приложение
А
| |||||||||||||||||||||||||||||||||||||||||||||||||||||||||||||||||||||||||||||||||||||||||||||||||||||||||||||||||||||||||||||||||||||||||||||||||||||||||||||||||||||||||||||||||||||||||||||||||||||||||||||||||||||||||||||||||||||||||||||||||||||||||||||||||||||||||||||||||||||||||||||||||||||||||||||||||||||
|
Типы |
h |
Hmin |
А |
В |
С |
Smin |
|
ЗВ4 |
55 |
130 |
150 |
200 |
22 |
2,5 |
|
ЗВ7 |
72 |
160 |
180 |
230 |
25 |
3,0 |
|
ЗВ9 |
55 |
130 |
150 |
200 |
22 |
2,5 |
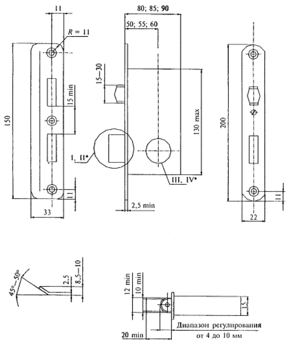
* I - IV - см. рисунок В.1.
** При комплектации замков ручками РФ4.
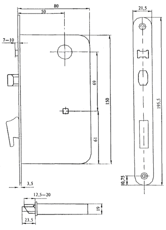
Рисунок В.6 - Пример замка врезного цилиндрового (типов ЗВ4 и ЗВ7) и сувальдного (тип ЗВ9)

Рисунок В.7 - Пример замка врезного цилиндрового типа ЗВ7 с защелкой и крюкообразным засовом

Рисунок В.8 - Пример замка врезного цилиндрового типа ЗВ7 с крюкообразным засовом и автоматическим выводом засова-защелки

Рисунок В.9 - Пример замка врезного цилиндрового типа ЗВ7 с автоматическим выводом засова-защелки

* II - см. рисунок В.1
Рисунок В.10 - Пример замка врезного цилиндрового типа ЗВ7 с прямоугольным засовом и защелкой

* II - см. рисунок В.1
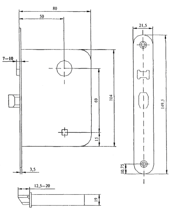
Рисунок B.11 - Пример замка врезного цилиндрового типа ЗВ4 для дверных блоков из поливинилхлоридных или алюминиевых профильных деталей

Рисунок В.12 - Пример замка врезного цилиндрового типа ЗВ7 с защелкой и крюкообразным засовом для дверных блоков из поливинилхлоридных или алюминиевых деталей

* I - IV - см. рисунок В.1
Шурупы 4 × 30 (5 шт.) - по ГОСТ 1145.
Рисунок В.13 - Пример замка врезного цилиндрового (типы ЗВ5) или сувальдного (ЗВ10) с прямым засовом и роликом

* I - II - см. рисунок В.1
Шурупы 4 × 30 (6 шт.) - по ГОСТ 1145.
Рисунок В.14 - Пример замка врезного комбинированного с цилиндровым и сувальдным механизмами секретности и защелкой типа ЗВ13

* Размер для направляющей ключа замка типа ЗН4.
** Допускается для корпусов и запорных планок из стали.
Шурупы 4 × 30 (4 шт.) и 4 × 50 (4 шт.) - по ГОСТ 1145.
Рисунок В.15- Пример замка накладного цилиндрового (тип ЗН1) и сувальдного (тип ЗН4)

* Допускается для корпусов и запорных планок из стали.
Шурупы 4 × 30 (4 шт.) и 4 × 50 (4 шт.) - по ГОСТ 1145.
Рисунок В.16 - Пример замка накладного цилиндрового типа ЗН2 с засовом-защелкой

Рисунок В.17 - Пример замка накладного цилиндрового типа ЗН2 с автоматическим выводом засова-защелки

* Допускается для корпусов и запорных планок из стали.
Шурупы 4 × 30 (5 шт.) и 4 × 50 (4 шт.) - по ГОСТ 1145.
Рисунок В.18 - Пример замка накладного цилиндрового типа ЗНЗ с защелкой

* Для защелок, устанавливаемых на дверях толщиной 30 мм.
Шурупы 4 × (20 - 25) (4 шт.) - по ГОСТ 1145.
Рисунок В.19 - Пример защелки врезной типов ЗЩ1 и ЗЩ1Д

Шурупы 4 × (20 - 25) (4 шт.) - по ГОСТ 1145.
Рисунок В.20 - Пример защелки врезной типов ЗЩ2 и ЗЩ2Д

Шурупы 3 × 25 (4 шт.) - по ГОСТ 1145.
Рисунок В.21 - Пример защелки врезной типа ЗЩЗ

Шурупы 4 × (20 - 25) (4 шт.) - по ГОСТ 1145.
Рисунок В.22 - Пример защелки врезной типа ЗЩ4

В миллиметрах
|
L |
61 |
62 |
70 |
72 |
75 |
77 |
77 |
80 |
80 |
80 |
82 |
82 |
87 |
90 |
90 |
90 |
90 |
92 |
100 |
100 |
100 |
100 |
100110 |
120 |
|
1 |
30,5 |
31 |
35 |
31 |
35 |
31 |
31 |
30 |
35 |
40 |
31 |
36 |
36 |
30 |
35 |
40 |
45 |
36 |
30 |
35 |
40 |
45 |
50 55 |
60 |
Рисунок В.23 - Пример механизма цилиндрового штифтового двухстороннего для врезных замков, тип МЦ1

В миллиметрах
|
L |
61 |
62 |
70 |
72 |
75 |
|
1 |
30,5 |
31 |
35 |
31 |
35 |
Рисунок В.24 - Пример механизма цилиндрового пластинчатого одностороннего с постоянным ключом для врезных замков, тип МЦ2

В миллиметрах
|
L |
45 |
50 |
|
1 |
31 |
35 |

Рисунок В.25 - Примеры механизмов цилиндровых односторонних для врезных замков, тип МЦЗ
(Поправка)

Рисунок В.26 - Пример механизма цилиндрового одностороннего с ключом с двухсторонней нарезкой секретов для врезных замков, тип МЦ4

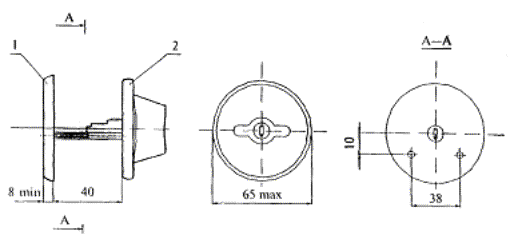
Рисунок В.27. Примеры механизмов цилиндровых дисковых типа МИД

Рисунок В.28 - Пример механизма цилиндрового пластинчатого для накладных замков, тип МЦ8

* Для 7 пластин.
Рисунок В.29 - Пример механизма цилиндрового пластинчатого для накладных замков, тип МЦ9

Рисунок В.30 - Пример механизма цилиндрового штифтового для накладных замков, тип МЦ10
![]()

Рисунок В.31 - Пример механизма цилиндрового штифтового для врезных замков, тип МЦ11

* Для замков типа ЗВ7.
Рисунок В.32 - Пример ручек фалевых с накладками для замков, тип РФ1
Винты М5 × (45 - 55) (4 шт.) - по ГОСТ 17474 или ГОСТ 17475.
Пример условного обозначения фалевой ручки с накладками исполнения I, типоразмера РФ 1-55:
Ручка РФ1-I-55 ГОСТ 5089-2003.
То же, исполнения II, типоразмера РФ1-72:
Ручка РФ1-II-72 ГОСТ 5089-2003.

Рисунок В.33 - Пример ручек фалевых с накладками для замков, тип РФ2
Винты М5 × (45 - 55) (4 шт.) по ГОСТ 17474 или ГОСТ 17475.
Пример условного обозначения фалевой ручки типа РФ2:
Ручка РФ2 ГОСТ 5089-2003.

* Для замков типа ЗВ7.
Рисунок В.34 - Пример ручек фалевых с накладками для замков, тип РФЗ
Винты М5 × (45 - 55) (4 шт.) - по ГОСТ 17474 или ГОСТ 17475.
Пример условного обозначения фалевой ручки с накладками исполнения I, типоразмера РФЗ-55:
Ручка РФЗ-I-55 ГОСТ 5089-2003.
То же, исполнения II, типоразмера РФЗ-55:
Ручка РФЗ-II-55 ГОСТ 5089-2003.

* Для врезных замков.
Рисунок В.35 - Пример ручек фалевых с накладками для замков и защелок, тип РФ4
Расположение отверстий под крепление ручек для защелок стандартом не устанавливается.
Винты для замков М5 (40 - 55) (2 шт.) - по ГОСТ 17474 или ГОСТ 17475.
Винты для защелок М5 (40 - 55) (2 шт.) - по ГОСТ 17474 или ГОСТ 17475 или шурупы 4 × (20 - 25) (4 шт.) - по ГОСТ 1145 или ГОСТ 1146.
Пример условного обозначения фалевой ручки типа РФ4:
Ручка РФ4 ГОСТ 5089-2003.

* При наличии механизма дополнительного запирания в накладке.
Рисунок В.36- Пример ручек фалевых с накладками для защелок, тип РФ5
Винты М5 × (40 - 45) (2 шт.) - по ГОСТ 17474 или ГОСТ 17475 или шурупы 4 × (20 - 25) (4 шт.) - по ГОСТ 1145 или ГОСТ 1146.
Пример условного обозначения фалевой ручки типа РФ5:
Ручка РФ5 ГОСТ 5089-2003.

Рисунок В.37- Пример ручки-кнопки с накладками для защелок, тип РК4
Винты М5 × (40 - 45) (2 шт.) - по ГОСТ 17474 или ГОСТ 17475 или шурупы 4 × (20 - 25) (4 шт.) - по ГОСТ 1145 или ГОСТ 1146.
Пример условного обозначения ручки-кнопки типа РК4:
Ручка РК4 ГОСТ 5089-2003.

Рисунок В.38 - Пример накладок для врезных цилиндровых замков, тип H1
Винты М5 × (45 - 60) (2 шт.) - по ГОСТ 17474 или ГОСТ 17475.
Пример условного обозначения накладок типа H1 исполнения 1:
Накладка H1-1 ГОСТ 5089-2003.

1 - накладка наружная; 2- накладка внутренняя
Винты М5 × (40 - 55) (2 шт.) - по ГОСТ 17474 или ГОСТ 17475.
Рисунок В.39 - Пример накладок для врезных замков с цилиндровым механизмом МЦ4, тип Н2

1 - накладка наружная; 2 - накладка внутренняя
Шурупы 3 × (13 - 16) (4 шт.) - по ГОСТ 1145.
Рисунок В.40 - Пример накладок для врезных сувальдных замков, тип Н3

Рисунок В.41 - Пример защитной накладки

Рисунок В.42 - Примеры накладок для цилиндровых и сувальдных замков, тип Н4
Рисунок В.43 - Пример коробчатой запорной планки

Рисунок В.44 - Пример ключа для цилиндрового механизма с односторонней нарезкой секретов

Рисунок В.45 - Пример ключа для цилиндрового механизма с двухсторонней нарезкой секретов

Рисунок В.46 - Пример ключа для врезною сувальдного замка, тип ЗC1

Рисунок В.47 - Пример ключа для накладного сувальдного замка, тип ЗС2
Секретность замка - это количество комбинаций из числа штифтов (пластин, дисков), входящих в цилиндровый механизм, каждая из которых соответствует только собственному ключу.
Количество секретов замка выражается определенным числом.
Для расчета количества возможных комбинаций насечек (характеризуемых их глубиной и количеством) на рабочей грани ключа применяют формулу для подсчета числа размещений из п элементов по т.
Число таких размещений составит:
N = пт,
где п - количество перепадов в насечке на рабочей грани ключа;
т - число насечек на ключе, что соответствует количеству штифтов (пластин) цилиндрового механизма.
При разработке таблиц секретов для замков в каждом составе секрета должны быть соблюдены следующие условия.
Для цилиндровых механизмов:
- соседство более чем двух нарезок с одинаковыми глубинами не допускается, например 11152, 111524, 522231;
- наличие двух пар нарезок, в каждой из которых обе глубины одинаковые, не допускается, например 11335, 442262, 11433;
- повторение одной и той же глубины нарезки в любых позициях секрета более трех раз не допускается, например 55155, 226223;
- соседство уровней 1 и 6, 1 и 7, 2 и 7 не допускается, например 141635, 3317521, 11461, 16724;
- глубина нарезки на 3-й позиции (для 5-штифтового) и на 3-й и 4-й позициях (для 6-штифтового) должна отличаться от глубин какой-либо из соседних нарезок как минимум на три перепада;
- если цилиндр имеет больше чем семь дисков, допускается соседство трех одинаковых нарезок с одинаковой глубиной.
Для сувальдных замков:
- уровни соседних позиций, включая и уровень перемещающего засов, должны отличаться друг от друга как минимум на один перепад;
- на бородках (бородке) ключа не допускаются секреты, состоящие из комбинаций выступа и расположенных рядом с ним впадин, включая и уровень перемещающего засов, с разностью в три и более уровня, например 125*521 / 143*341, 3514*32;
- на каждой из бородок ключа допускается не более одной пары с одинаковыми уровнями, включая и уровень перемещающего засов;
- левая бородка ключа не должна быть зеркальным отражением правой бородки.
Настоящий стандарт подготовлен рабочей группой исполнителей в составе:
Власова Т. В., ОС ОДТ (руководитель);
Шведов Н. В., Госстрой России;
Шишкин Н. К., ФГУП ЦПКТБ Госстроя России;
Воронкова Л. В., ОС ОДТ;
Шведов Д. Н., ОС ОДТ;
Гаврилов В. И., ООО НПВФ «Класс»;
Трещёв К. Ф., Московское представительство фирмы «ASSA АВ» (Швеция);
И. Лиден, фирма «ASSA ABLOY» (Швеция);
Х. Мелла, фирма «ASSA ABLOY» (Швеция).