Locking fittings for wooden windows and doors. Types and basic dimensions 

Информационная система
«Ёшкин Кот»

XXXecatmenu

ГОСТ 5090-86

МЕЖГОСУДАРСТВЕННЫЙ СТАНДАРТ

ИЗДЕЛИЯ СКОБЯНЫЕ ЗАПИРАЮЩИЕ
ДЛЯ ДЕРЕВЯННЫХ ОКОН И ДВЕРЕЙ

ТИПЫ И ОСНОВНЫЕ РАЗМЕРЫ

ИПК ИЗДАТЕЛЬСТВО СТАНДАРТОВ
Москва

МЕЖГОСУДАРСТВЕННЫЙ СТАНДАРТ

ИЗДЕЛИЯ СКОБЯНЫЕ ЗАПИРАЮЩИЕ
ДЛЯ ДЕРЕВЯННЫХ ОКОН И ДВЕРЕЙ

Типы и основные размеры

Locking fitting for wooden windows and doors.
Types and basic dimensions

ГОСТ
5090-86

Взамен
ГОСТ 5090-79

Переиздание. Ноябрь 2000 г.

Постановлением Государственного комитета СССР по делам строительства от 25 июля 1986 г. № 102 дата введения установлена

01.07.87

1. Настоящий стандарт распространяется на запирающие изделия для деревянных окон и дверей, применяемых в строительстве жилых и общественных зданий.

2. Обозначение, наименование и рекомендуемая область применения запирающих изделий приведены в таблице.

Основные размеры запирающих изделий должны соответствовать указанным на черт. 1 - 13.

Основные размеры соединителей, ограничителей, ручек и накладок, предназначаемых для комплектования фрамужных приборов или врезных заверток, должны соответствовать указанным в приложении 1.

Примеры установки фрамужных приборов, соединителя для фрамуг с тройным остеклением и врезной завертки типа ЗР1 приведены в рекомендуемом приложении 2.

3. Технические требования, комплектность, правила приемки, методы контроля, маркировка, упаковка, транспортирование, хранение и гарантийный срок эксплуатации запирающих изделий должны соответствовать ГОСТ 538-88 и дополнительным требованиям настоящего стандарта.

4. Завертки-стяжки типа ЗР1 допускалось изготавливать до 01.01.90.

Условное обозначение типа

Наименование

Рекомендуемая область применения

Номер чертежа

ПФ1

Прибор фрамужный

Для фрамуг общественных зданий со спаренными или раздельными переплетами шириной до 1300 мм

1

ПФ2

Прибор фрамужный

Для фрамуг общественных зданий со спаренными или раздельными переплетами шириной до 830 мм

2

ШН1

Шпингалет накладной

Для створок окон высотой более 1100 мм и балконных дверей со спаренными или раздельными переплетами и полотнами

3

ШН2

Шпингалет накладной

Для створок окон со спаренными или раздельными переплетами высотой до 1100 мм включительно

4

ШВ

Шпингалет врезной

Для двухпольных дверей

5

ЗР1

Завертка-стяжка врезная

Для окон и балконных дверей со спаренными переплетами и полотнами

6

ЗР2

Завертка врезная

Для створок окон и балконных дверей

7

ЗР3

Завертка врезная

То же

8

ЗР4

Завертка врезная

Для створок окон и балконных дверей

9

ЗФ1

Завертка накладная

Для дверей санузлов

10

ЗФ2

Завертка накладная

Для форточек окон жилых зданий

11

ЗТ

Задвижка накладная

Для створок окон и балконных дверей жилых и общественных зданий

12

СТ

Стяжка

Для окон и балконных дверей со спаренными переплетами и полотнами

13

Прибор фрамужный типа ПФ1

Черт. 1

Примечание. Размер L = B + 13 мм, где B - ширина фрамуги с учетом наплава.

Шурупы 1-4´30 по ГОСТ 1145-80 или ГОСТ 1146-80 (4 шт.).

Пример условного обозначения фрамужного прибора для спаренных фрамуг:

ПФ1 ГОСТ 5090-86

То же, для раздельных фрамуг с соединителем исполнения 1 и расстоянием между фрамугами, равным 53 мм:

ПФ1-1-53 ГОСТ 5090-86

Прибор фрамужный типа ПФ2

1 - защелка; 2 - корпус; 3 - угловой блок; 4 - шнур

Черт. 2

Шурупы 1-4´30 по ГОСТ 1145-80 (12 шт.).

Пример условного обозначения фрамужного прибора для спаренных фрамуг с ограничителем:

ПФ2 ГОСТ 5090-86

То же, для раздельных фрамуг с соединителем исполнения 1 и расстоянием между фрамугами, равным 53 мм:

ПФ2-1-53 ГОСТ 5090-86

Шпингалет накладной типа ШН1

1 - запорная планка; 2 - направляющая; 3 - засов-штанга; 4 - корпус; 5 - ручка; 6 - засов

Черт. 3

Примечание. Размер L = H + 30 мм, где H - высота створки или дверного полотна с учетом наплава.

Шурупы 1-40´30 (16 шт.) - для крепления корпуса и запорных планок и 1-4´18 (12 шт.) по ГОСТ 1145-80 или ГОСТ 1146-80-для крепления направляющих.

Пример условного обозначения шпингалета:

ШН1 ГОСТ 5090-86

Шпингалет накладной типа ШН2

1 - запорная планка; 2 - направляющая; 3 - корпус; 4 - ручка

Черт. 4

Примечание. Размер L = Н + 30 мм, где H - высота створки с учетом наплава.

Шурупы 1-40´30 (8 шт.) - для крепления корпуса и запорных планок и 1-4´18 (8 шт.) по ГОСТ 1145-80 или ГОСТ 1146-80 - для крепления направляющих.

Пример условного обозначения шпингалета:

ШН2 ГОСТ 5090-86

Шпингалет врезной типа ШВ

Черт. 5

Шурупы 1-40´30 по ГОСТ 1145-80 (5 шт.).

Пример условного обозначения врезного шпингалета:

ШВ ГОСТ 5090-86

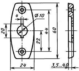
Завертка-стяжка врезная типа ЗР1

Черт. 6

Шурупы 1-4´25 или 1-3´25 по ГОСТ 1145-80 (2 шт.) и штифты (4 шт.).

Пример условного обозначения завертки-стяжки о ручкой типа Р1:

ЗР1-1 ГОСТ 5090-86

Завертка врезная типа ЗР2

Черт. 7

Шурупы 1-4´25 или 1-3´25 по ГОСТ 1145-80 (4 шт.).

Пример условного обозначения завертки с ручкой типа Р1:

ЗР2-1 ГОСТ 5090-86

То же, с ручкой типа Р2 и накладкой:

ЗР2-2 ГОСТ 5090-86

Завертка врезная типа ЗР3

Черт. 8

Шурупы 1-4´25 или 1-3´25 по ГОСТ 1145-80 (2 шт.) винты ВМ4-6g´35.36 ГОСТ 17474-80 (2 шт.).

Пример условного обозначения завертки исполнения 1 правого исполнения с ручкой типа Р1:

ЗР3-1-П-1 ГОСТ 5090-86

То же, исполнения 2 левого исполнения с ручкой типа Р2 и накладкой:

ЗР3-2-Л-2 ГОСТ 5090-86

Завертка врезная типа ЗР4

Черт. 9

Примечание. Форма и размеры засова могут быть аналогичными засову заверток типов ЗР2, ЗР3.

Шурупы 1-4´25 или 1-3´25 по ГОСТ 1145-80 (2 шт.) и штифты (2 шт.).

Примечание. Отверстия диаметром 4,3 мм следует располагать на оси симметрии корпуса завертки.

Пример условного обозначения завертки с ручкой типа Р1:

ЗР4-1 ГОСТ 5090-86

Завертка накладная типа ЗФ1

Черт. 10

Шурупы 1-4´30 по ГОСТ 1145-80 или ГОСТ 1146-80 (4 шт.).

Примечание. Допускается располагать шурупы на корпусе завертки в пределах 45° от вертикальной оси.

Пример условного обозначения завертки с запорной планкой исполнения 1:

ЗФ1-1 ГОСТ 5090-86

Завертка накладная типа ЗФ2

Черт. 11

Шурупы 1-3´20 по ГОСТ 1145-80 или ГОСТ 1146-80 (4 шт.).

Пример условного обозначения завертки правого исполнения:

ЗФ2 П ГОСТ 5090-86

То же, исполнения 2:

ЗФ2 П-2 ГОСТ 5090-86

Задвижка накладная типа ЗТ

Черт. 12

Шурупы 1-3´25 или 1-4´25 по ГОСТ 1145-80 (4 шт.).

Пример условного обозначения задвижки для створок с наплавом:

ЗT (h + 15) ГОСТ 5090-86

То же, без наплава:

ЗT (h) ГОСТ 5090-86

Стяжка типа ЗТ

Черт. 13

Винт ВM6-6g´55.36 по ГОСТ 17473-80, ГОСТ 17474-80 или ГОСТ 17475-80.

Шурупы 1-3´25 по ГОСТ 1145-80 (2 шт.).

Пример условного обозначения стяжки:

СТ ГОСТ 5090-86

5. Завертки типа ЗР4 предназначены для комплектования окон и балконных дверей, изготовляемых на автоматизированных линиях, установленных на деревообрабатывающих комбинатах до 01.01.86.

6. Засовы врезных шпингалетов и заверток в открытом положении не должны выступать над лицевой поверхностью планок или западать внутрь корпуса более чем на 1 мм.

7. Размеры засова и запорной планки шпингалетов типов ШН1, ШН2 и задвижки типа ЗТ должны обеспечивать при их соединении натяг не менее 3 мм. Толщина запорных планок указанных изделий не должна быть менее 1 мм.

8. Шнур фрамужного прибора типа ПФ2 должен перемещаться по роликам свободно, без заеданий и не соскальзывать с них.

9. Завертки типов ЗР1, ЗР2, ЗР4 и ЗФ1 следует изготавливать двухсторонними, типов ЗР3 и ЗФ2 - в правом и левом исполнениях.

10. Засов задвижки типа ЗТ должен быть выполнен из стального прутка.

11. Форма ручек, накладок, сечения засовов накладных шпингалетов, а также заостренной части штифтов для заверток стандартом не устанавливаются.

12. Запирающие изделия должны иметь защитное или защитно-декоративное покрытие по ГОСТ 538-88 для 2, 3 или 4 (С) групп условий эксплуатации ГОСТ 9.303-84.

13. Засовы-штанги накладных шпингалетов следует испытывать на прочность при приемочных и типовых испытаниях.

Испытания проводят на стенде путем приложения в течение 1 мин к закрепленному засову-штанге силы 800 Н (78,4 кгс) на расстоянии 5 мм от места крепления перпендикулярно к плоскости крепления шпингалета.

После проведения испытаний засов-штанга не должен быть деформирован.

14. Фрамужные приборы типов ПФ1, ПФ2 и завертки типов ЗР1, ЗР2, ЗР3, ЗР4 должны быть укомплектованы следующими деталями, указанными в приложении 1:

- фрамужные приборы типов ПФ1, ПФ2, устанавливаемые на фрамуги с раздельными переплетами, - двумя соединителями исполнения 1, 2, 3, 4 или 5 (черт. 1, 2, 3, 4, 5);

- фрамужные приборы типа ПФ2, устанавливаемые на фрамуги с одинарными или спаренными переплетами, - двумя ограничителями (черт. 7);

- фрамужные приборы типа ПФ2, устанавливаемые на фрамуги с тройным остеклением, - двумя ограничителями и двумя соединителями (черт. 6 и 7);

- завертки типа ЗР1 - ручками типа Р1 (черт. 8);

- завертки типов ЗР2, ЗР3, ЗР4 - ручками типа Р1 или Р2 с накладками. Число ручек типа Р2 и накладок должно быть указано при заказе.

15. Значение L фрамужных приборов типа ПФ1 и шпингалетов типов ШН1 и ШН2 должно быть указано при заказе.

ПРИЛОЖЕНИЕ 1
Обязательное

КОМПЛЕКТУЮЩИЕ ИЗДЕЛИЯ ДЛЯ ФРАМУЖНЫХ ПРИБОРОВ И
ВРЕЗНЫХ ЗАВЕРТОК

Соединители для фрамуг с раздельными и раздельно-спаренными переплетами

Черт. 1

Шурупы 1-4´30 или 3-4´30 по ГОСТ 1145-80 (4 шт.).

Примечание. Размеры 53 и 90 мм соответствуют расстоянию между переплетами фрамуг.

Черт. 2

Шурупы 1-4´30 или 3-4´30 по ГОСТ 1145-80 (4 шт.)

Черт. 3

Шурупы 1-4´30 или 3-4´30 по ГОСТ 1145-80 (4 шт.).

Черт. 4

Шурупы 1-4´30 или 3-4´30 по ГОСТ 1145-80 (4 шт.).

Исполнение 5

Черт. 5

Шурупы 1-4´30 или 3-4´30 по ГОСТ 1145-80 (4 шт.).

Соединитель для фрамуг с тройным остеклением

Черт. 6

Шурупы 1-4´30 или 3-4´30 (4 шт.) по ГОСТ 1145-80

Ограничитель для фрамуг со спаренными переплетами и с тройным остеклением

Черт. 7

Шурупы 1-4´30 или 3-4´30 по ГОСТ 1145-80 (4 шт.).

Ручки и накладки для врезных заверток

Черт. 8

Шурупы 1-4´25 или 3-4´25 по ГОСТ 1145-80 (2 шт.) для ручек, предназначаемых для комплектования заверток типов Р1, Р2, Р4.

Винты ВМ4-6g´35.36 по ГОСТ 17474-80 (2 шт.) для ручек, предназначаемых для комплектования заверток типа ЗР3.

Тип Р2

Черт. 9

Накладка для ручки типа Р2

Черт. 10

Шурупы 1-4´25 или 3-4´25 по ГОСТ 1145-80 (2 шт.) - для накладки, предназначаемой для комплектования заверток типов ЗР2, ЗР4.

Виты ВМ4-6g´35.36 по ГОСТ 17474-80 или ГОСТ 17475-80 (2 шт.) для накладки, предназначаемой для комплектования завертки типа ЗР3.

Примечание. При изготовлении накладки из листовой стали толщина металла не должна быть менее 1 мм.

ПРИЛОЖЕНИЕ 2
Рекомендуемое

ПРИМЕРЫ УСТАНОВКИ ЗАПИРАЮЩИХ ИЗДЕЛИЙ

Прибор фрамужный типа ПФ1

Черт. 1

Прибор фрамужный типа ПФ2

Черт. 2

Фрамужный соединитель типа СФ

Черт. 3

Завертка врезная типа ЗР1

Черт. 4

 

 



© 2013 Ёшкин Кот :-)