| ||||||||||||||||||||||||||||
Скачать Серия 3.015-3/82 Выпуск III. Стальные конструкции. Чертежи КМДата актуализации: 10.08.2017
|
| Обозначение: | Серия 3.015-3/82 |
| Обозначение англ: | Series 3.015-3/82 |
| Статус: | заменен |
| Название рус.: | Выпуск III. Стальные конструкции. Чертежи КМ |
| Дата добавления в базу: | 01.09.2013 |
| Дата актуализации: | 05.05.2017 |
| Дата введения: | 01.01.1993 |
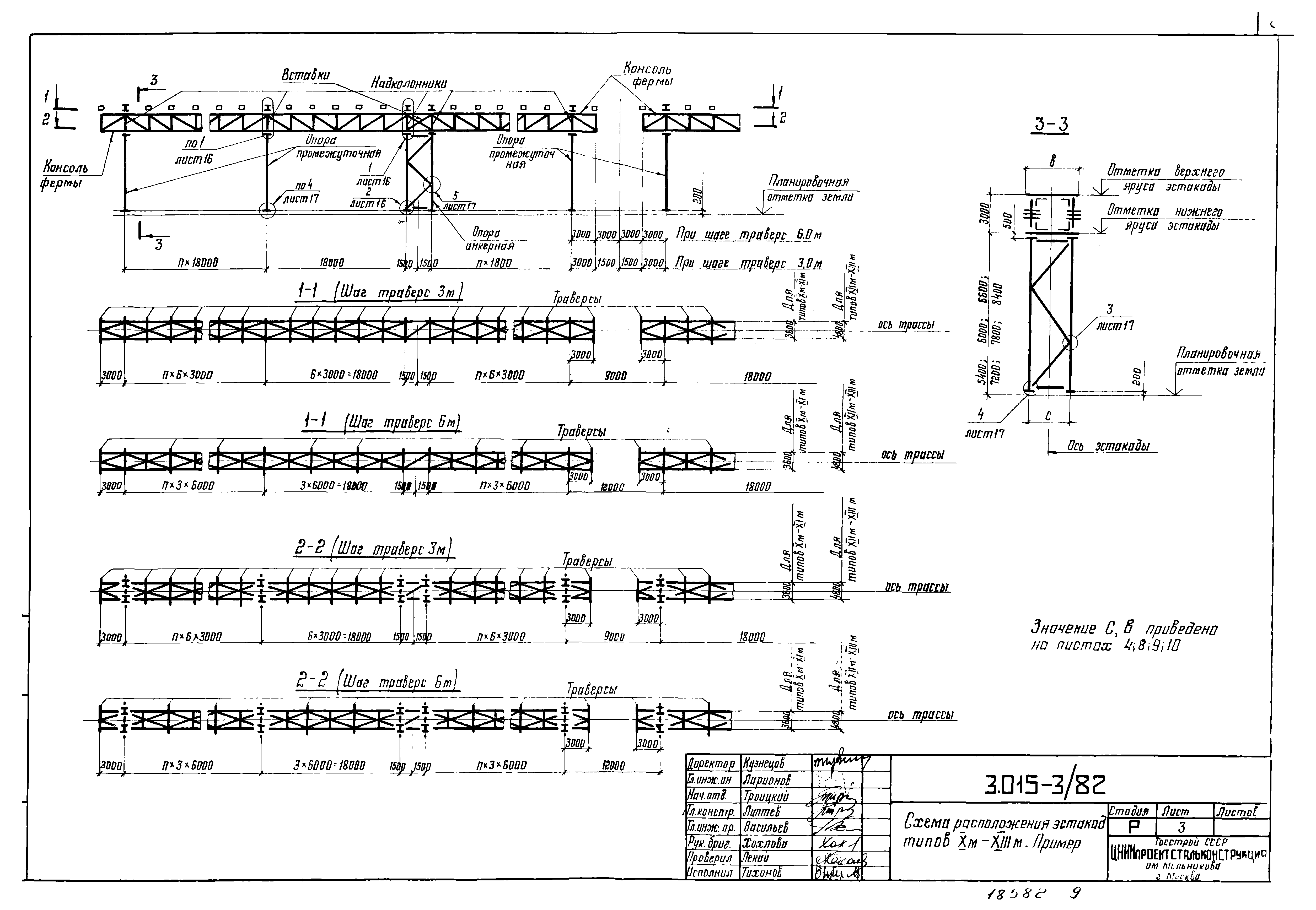
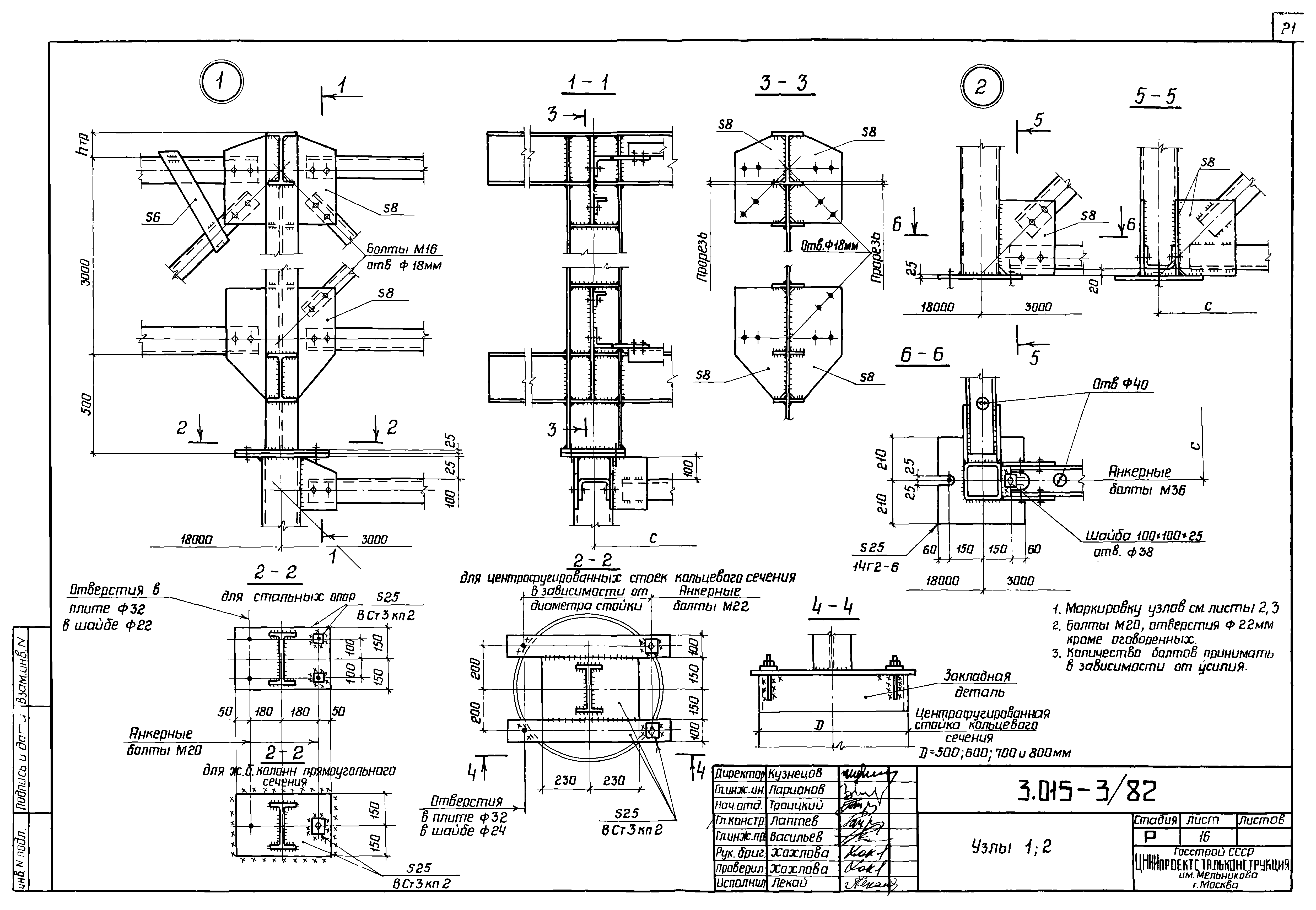
| Оглавление: | Пояснительная записка Схема расположения эстакады типа IXм. Пример Схема расположения эстакады типов Xм - XIIIм. Пример Таблица для подбора ферм, связей, траверс, вставок, надколонников, консольных ферм, опор двухъярусных эстакад типов IXм - XIIIм; IXк - XIIIк. Шаг опор 18 Ферма Ф1 - Ф4 пролетом 18 м. Схема. Ведомость элементов Консоль фермы К1 - К3. Вставка ВС1 - ВС3. Схема. Ведомость элементов Схемы связей по верхним и нижним поясам ферм. Схемы №№1 - 9. Ведомость элементов Траверса Т1 - Т6. Схема. Ведомость элементов Надколонник НК1 - НК9. Схема. Ведомость элементов Опоры анкерная и промежуточная. Схемы Опоры промежуточные. Ведомость элементов Опоры анкерные. Ведомость элементов Таблица нагрузок на фундаменты опор промежуточных Таблица нагрузок на фундаменты опор анкерных Схема расположения переходных площадок, стремянок и ограждений. Узлы. Разрезы Узлы 1, 2 Узлы 3, 4, 5 Узлы 6, 7 Узлы 8, 9 10 Спецификация стали. Фермы Ф1 - Ф4. Надколонники НК1 - НК9 Спецификация стали. Связи, схемы №№1 - 9. Вставки ВС1 - ВС3. Консоли ферм К1 - К3 Спецификация стали. Траверсы Т1 - Т6 Спецификация стали. Опоры промежуточные ОП1 - ОП15 Спецификация стали. Опоры промежуточные ОП16 - ОП30 Спецификация стали. Опоры анкерные ОП31 - ОП45 Спецификация стали. Опоры анкерные ОП46 - ОП60 |
| Разработан: | ЦНИИпроектстальконструкция |
| Утверждён: | 31.03.1983 Госстрой СССР (Государственный комитет Совета Министров СССР по делам строительства) (USSR Gosstroy 51) |
| Расположен в: | |
| Чем заменён: |
































