Информационная система
«Ёшкин Кот»

Скачать базу одним архивом
Скачать обновления
История создания базы
Карта сайта

Скачать ОСТ 1 01157-88 Затворы для воспламенительной трубки. Общие технические требования

Дата актуализации: 10.08.2017

ОСТ 1 01157-88

Затворы для воспламенительной трубки. Общие технические требования

Обозначение: ОСТ 1 01157-88
Обозначение англ: 01157-88
Статус:действует
Название рус.:Затворы для воспламенительной трубки. Общие технические требования
Дата добавления в базу:01.09.2013
Дата актуализации:05.05.2017
Дата введения:01.01.1989
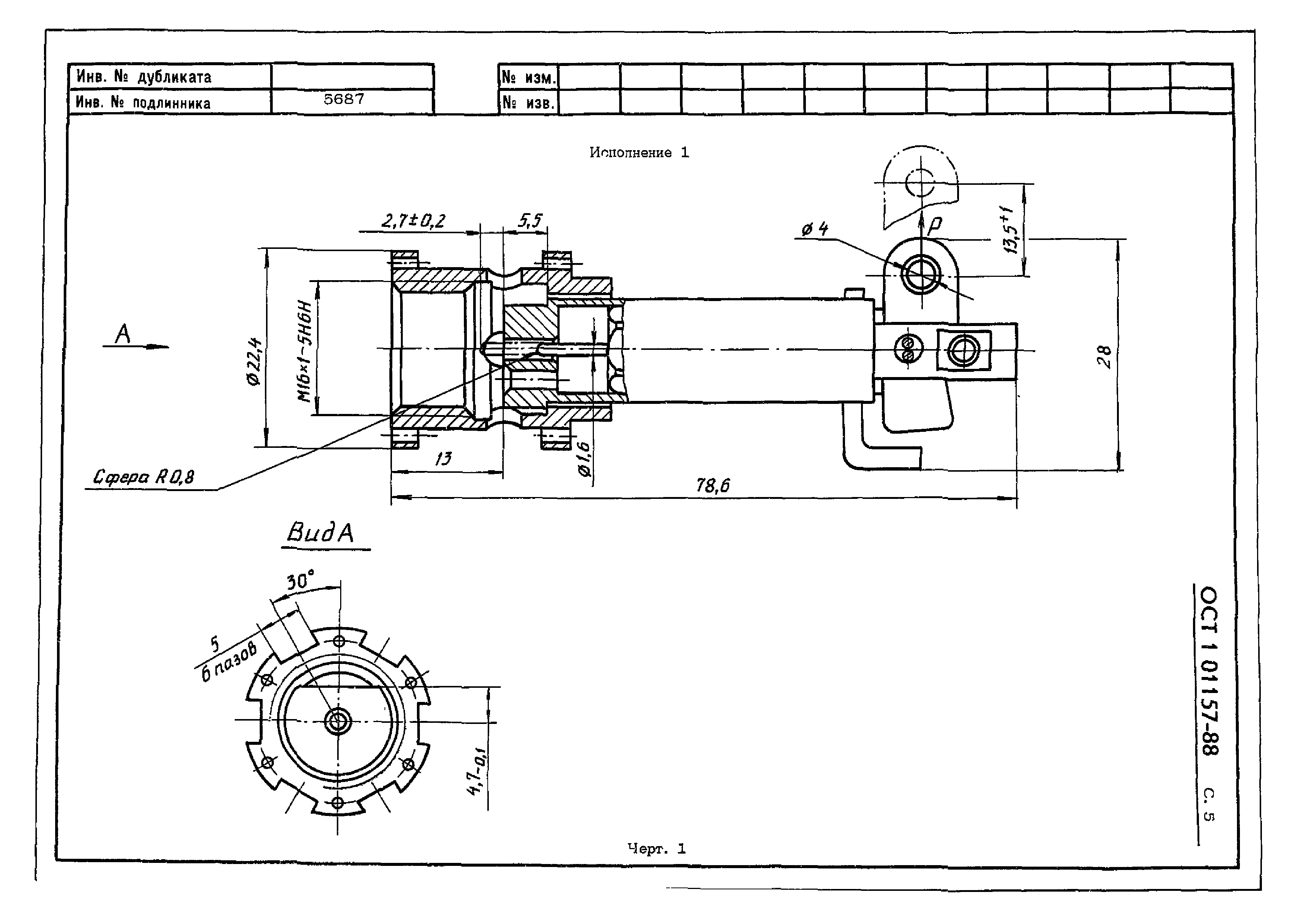
Область применения:Стандарт распространяется на затворы, предназначенные для запирания воспламенительной трубки типа ТВУ-1-3Д в патроннике и для производства выстрела наколом капсюля этой трубки.
Оглавление:1. Требования назначения
2. Требования надежности
3. Требования стойкости к внешним воздействиям
4. Требования транспортабельности
5. Конструктивные требования
Приложение (обязательное). Присоединение размера патроника
Утверждён:03.05.1988 Министерство (Ministry )
Расположен в:Техническая документация
Нормативные ссылки:
ОСТ 1 01157-88ОСТ 1 01157-88ОСТ 1 01157-88ОСТ 1 01157-88ОСТ 1 01157-88ОСТ 1 01157-88ОСТ 1 01157-88ОСТ 1 01157-88ОСТ 1 01157-88ОСТ 1 01157-88

© 2013 Ёшкин Кот :-) Карта сайта