Информационная система
«Ёшкин Кот»

Скачать базу одним архивом
Скачать обновления
История создания базы
Карта сайта

Скачать ОНТП 05-86 Общесоюзные нормы технологического проектирования предприятий машиностроения, приборостроения и металлообработки. Цехи металлопокрытий

Дата актуализации: 10.08.2017

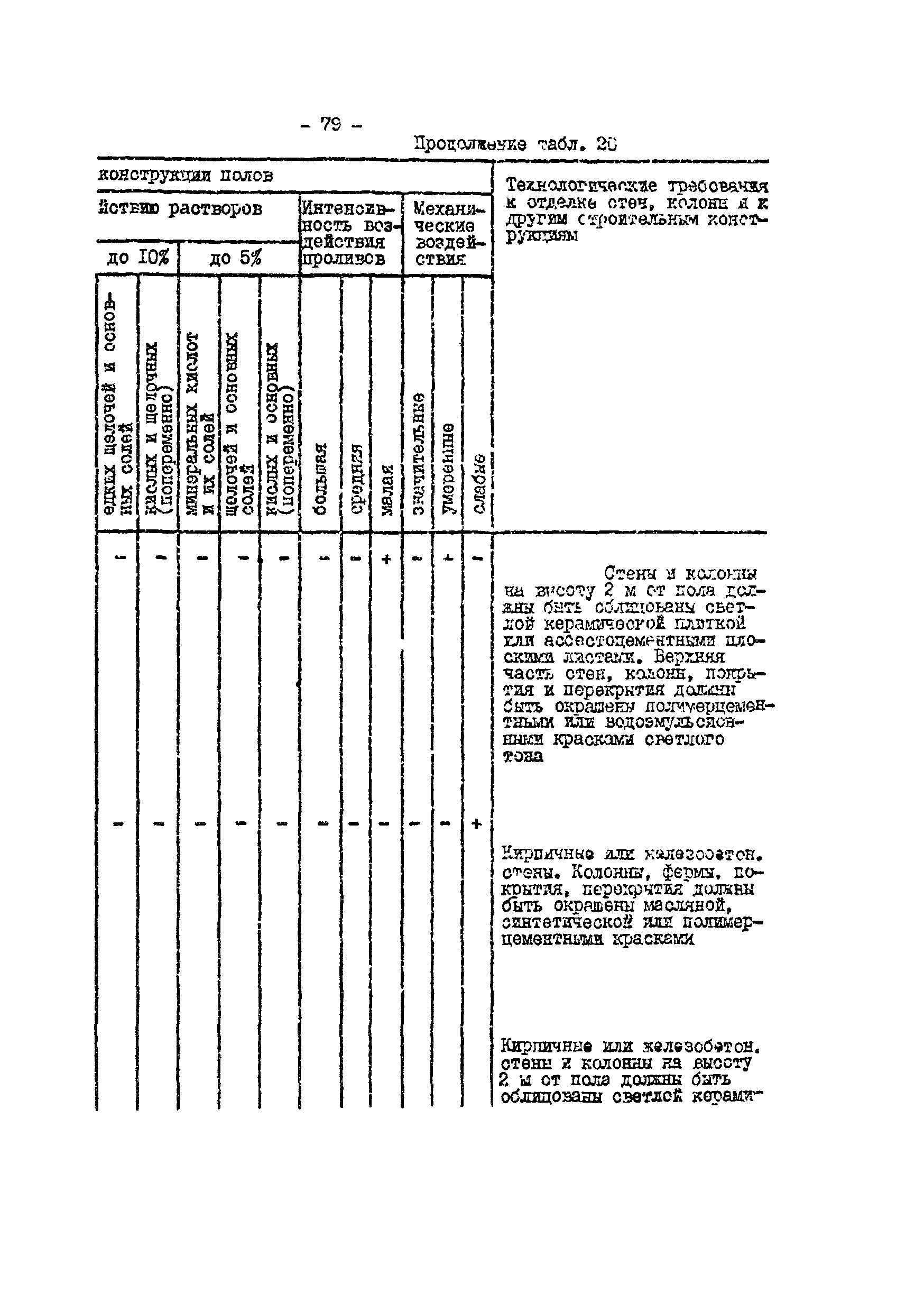
ОНТП 05-86

Общесоюзные нормы технологического проектирования предприятий машиностроения, приборостроения и металлообработки. Цехи металлопокрытий

Обозначение: ОНТП 05-86
Обозначение англ: ONTP 05-86
Статус:заменен в части
Название рус.:Общесоюзные нормы технологического проектирования предприятий машиностроения, приборостроения и металлообработки. Цехи металлопокрытий
Дата добавления в базу:01.09.2013
Дата актуализации:05.05.2017
Область применения:Нормы технологического проектирования распространяются на разработку проектов строительства, реконструкции, расширения, технического перевооружения цехов (участков) металлопокрытий предприятий машиностроения, приборостроения и металлообработки с единичным, мелкосерийным, среднесерийным, крупносерийным и массовым характером производства.
Оглавление:1 Общая часть
2 Расчет количества оборудования и рабочих мест
3 Расчет численности работающих
4 Объемно-планировочные решения
5 Материалоемкость и энергоемкость
6 Механизация и автоматизация
7 Организация складского хозяйства
8 Охрана природы
9 Специальные требования технологического процесса к зданиям, сооружениям и оборудованию
10 Техника безопасности, промышленная санитария, пожарная безопасность
11 Производительность труда и трудоемкость
Приложение I.
Приложение II.
Разработан: Гипротяжмаш
Гипростанок Минстанкопрома СССР
Гипроавтопром
Гипродвигатель
Утверждён:05.03.1986 Минавтопром СССР (USSR Minavtoprom 2)
Принят:30.12.1985 Госстрой СССР (Государственный комитет Совета Министров СССР по делам строительства) (USSR Gosstroy 45-1246)
ГКНТ СССР (USSR GKNT )
06.01.1987 Министерство здравоохранения СССР (USSR Ministry of Health Care 122-5/13-4)
23.03.1987 ГУПО МВД СССР (GUPO, USSR Ministry of Internal Affairs 7/6/804)
Расположен в:Техническая документация Экология МАШИНОСТРОЕНИЕ Производственные формовочные процессы Строительство Нормативные документы Отраслевые и ведомственные нормативно-методические документы Проектирование и строительство объектов других министерств
Заменяет собой:
  • ОНТП 05-83 «Цехи металлопокрытий предприятий машиностроения, приборостроения и металлообработки»
Чем заменён:
Нормативные ссылки:
ОНТП 05-86ОНТП 05-86ОНТП 05-86ОНТП 05-86ОНТП 05-86ОНТП 05-86ОНТП 05-86ОНТП 05-86ОНТП 05-86ОНТП 05-86ОНТП 05-86ОНТП 05-86ОНТП 05-86ОНТП 05-86ОНТП 05-86ОНТП 05-86ОНТП 05-86ОНТП 05-86ОНТП 05-86ОНТП 05-86ОНТП 05-86ОНТП 05-86ОНТП 05-86ОНТП 05-86ОНТП 05-86ОНТП 05-86ОНТП 05-86ОНТП 05-86ОНТП 05-86ОНТП 05-86ОНТП 05-86ОНТП 05-86ОНТП 05-86ОНТП 05-86ОНТП 05-86ОНТП 05-86ОНТП 05-86ОНТП 05-86ОНТП 05-86ОНТП 05-86ОНТП 05-86ОНТП 05-86ОНТП 05-86ОНТП 05-86ОНТП 05-86ОНТП 05-86ОНТП 05-86ОНТП 05-86ОНТП 05-86ОНТП 05-86ОНТП 05-86ОНТП 05-86ОНТП 05-86ОНТП 05-86ОНТП 05-86ОНТП 05-86ОНТП 05-86ОНТП 05-86ОНТП 05-86ОНТП 05-86ОНТП 05-86ОНТП 05-86ОНТП 05-86ОНТП 05-86ОНТП 05-86ОНТП 05-86ОНТП 05-86ОНТП 05-86ОНТП 05-86ОНТП 05-86ОНТП 05-86ОНТП 05-86ОНТП 05-86ОНТП 05-86ОНТП 05-86ОНТП 05-86ОНТП 05-86ОНТП 05-86ОНТП 05-86ОНТП 05-86ОНТП 05-86ОНТП 05-86ОНТП 05-86ОНТП 05-86ОНТП 05-86ОНТП 05-86ОНТП 05-86ОНТП 05-86ОНТП 05-86ОНТП 05-86ОНТП 05-86ОНТП 05-86ОНТП 05-86ОНТП 05-86ОНТП 05-86ОНТП 05-86ОНТП 05-86ОНТП 05-86ОНТП 05-86ОНТП 05-86ОНТП 05-86ОНТП 05-86ОНТП 05-86ОНТП 05-86ОНТП 05-86ОНТП 05-86ОНТП 05-86ОНТП 05-86ОНТП 05-86ОНТП 05-86ОНТП 05-86ОНТП 05-86ОНТП 05-86ОНТП 05-86ОНТП 05-86ОНТП 05-86ОНТП 05-86ОНТП 05-86ОНТП 05-86ОНТП 05-86ОНТП 05-86ОНТП 05-86ОНТП 05-86ОНТП 05-86ОНТП 05-86ОНТП 05-86ОНТП 05-86ОНТП 05-86ОНТП 05-86ОНТП 05-86ОНТП 05-86ОНТП 05-86ОНТП 05-86ОНТП 05-86ОНТП 05-86ОНТП 05-86ОНТП 05-86ОНТП 05-86ОНТП 05-86

© 2013 Ёшкин Кот :-) Карта сайта