Информационная система
«Ёшкин Кот»

Скачать базу одним архивом
Скачать обновления
История создания базы
Карта сайта

Скачать Серия 1.832.1-18.93 Выпуск 3. Панели фронтонные. Опалубочные чертежи и армирование. Технические условия. Рабочие чертежи

Дата актуализации: 10.08.2017

Серия 1.832.1-18.93

Выпуск 3. Панели фронтонные. Опалубочные чертежи и армирование. Технические условия. Рабочие чертежи

Обозначение: Серия 1.832.1-18.93
Обозначение англ: Series 1.832.1-18.93
Статус:действует
Название рус.:Выпуск 3. Панели фронтонные. Опалубочные чертежи и армирование. Технические условия. Рабочие чертежи
Дата добавления в базу:01.09.2013
Дата актуализации:05.05.2017
Область применения:Настоящий выпуск содержит рабочие чертежи двухслойных фронтонных стеновых панелей из легких бетонов
Оглавление:1.832.1-18.93.1-ТУ Технические условия
1.832.1-18.93.1-1 Панель ПСД 60.13,5.20… ПСД 60.13,5.20
1.832.1-18.93.1-2 Панель ПСД 30.10.20… ПСД 30.10.30
1.832.1-18.93.1-3 Панель ПСД 30.10.40, ПСД 30.10.50
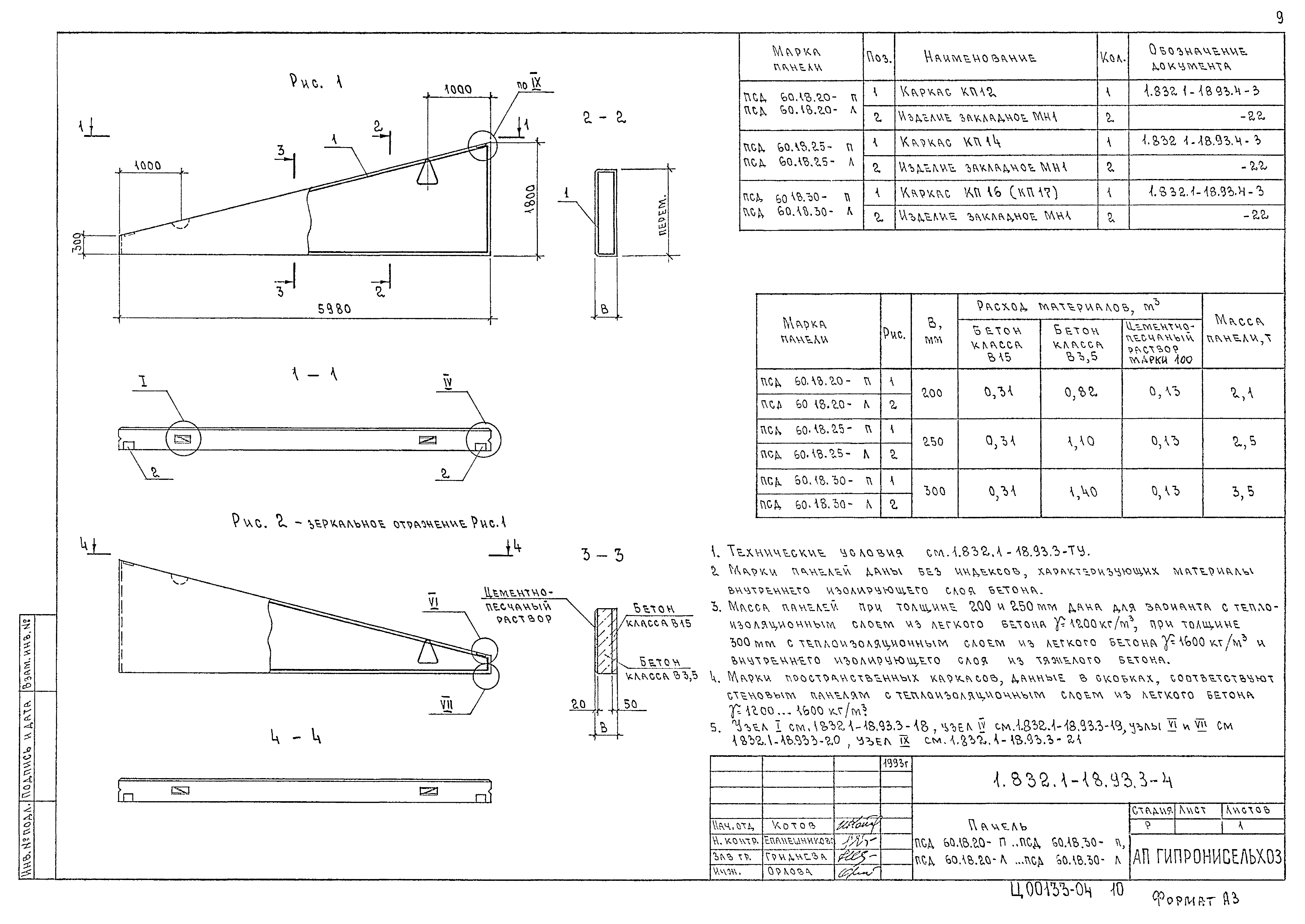
1.832.1-18.93.1-4 Панель ПСД 60.18.20 - П… ПСД 60.18.30 - П, ПСД 60.18.20 - Л… ПСД 60.18.30 - Л
1.832.1-18.93.1-5 Панель ПСД 60.18.40 - П, ПСД 60.18.50 - П, ПСД 60.18.40 - Л, ПСД 60.18.50 - Л
1.832.1-18.93.1-6 Панель ПСД 60.21.20 - П… ПСД 60.21.30 - П, ПСД 60.21.20 - Л… ПСД 60.21.30 - Л
1.832.1-18.93.1-7 Панель ПСД 60.21.40 - П, ПСД 60.21.50 - П, ПСД 60.21.40 - Л, ПСД 60.21.50 - Л
1.832.1-18.93.1-8 Панель ПСД 60.21.20 - УП… ПСД 60.21.30 - УП, ПСД 60.21.20 - УЛ… ПСД 60.21.30 - УЛ
1.832.1-18.93.1-9 Панель ПСД 60.21.40 - УП, ПСД 60.21.50 - УП, ПСД 60.21.40 - УЛ, ПСД 60.21.50 - УЛ
1.832.1-18.93.1-10 Панель ПСД 30.15.20 - П… ПСД 30.15.30 - П, ПСД 30.15.20 - Л… ПСД 30.15.30 - Л
1.832.1-18.93.1-11 Панель ПСД 30.15.40 - П, ПСД 30.15.50 - П, ПСД 30.15.40 - Л, ПСД 30.15.50 - Л
1.832.1-18.93.1-12 Панель ПСД 30.15.20 - УП… ПСД 30.15.30 - УП, ПСД 30.15.20 - УЛ… ПСД 30.15.30 - УЛ
1.832.1-18.93.1-13 Панель ПСД 30.15.40 - УП, ПСД 30.15.50 - УП, ПСД 30.15.40 - УЛ, ПСД 30.15.50 - УЛ
1.832.1-18.93.1-14 Панель ПСД 15.9.20 - УП… ПСД 15.9.30 - УП, ПСД 15.9.20 - УЛ… ПСД 15.9.30 - УЛ
1.832.1-18.93.1-15 Панель ПСД 15.9.40 - УП, ПСД 15.9.50 - УП, ПСД 15.9.40 - УЛ, ПСД 15.9.50 - УЛ
1.832.1-18.93.1-16 Панель ПСД 15.13,5.20 - УП… ПСД 15.13,5.30 - УП, ПСД 15.13,5.20 - УЛ… ПСД 15.13,5.30 - УЛ
1.832.1-18.93.1-17 Панель ПСД 15.13,5.40 - УП, ПСД 15.13,5.50 - УП, ПСД 15.13,5.40 - УЛ, ПСД 15.13,5.50 - УЛ
1.832.1-18.93.1-18 Узел I, II
1.832.1-18.93.1-19 Узел III… V
1.832.1-18.93.1-20 Узел VI, VII
1.832.1-18.93.1-21 Узел VIII… IX
1.832.1-18.93.1-РС Ведомость расхода стали
Разработан: НИИЖБ
ЦНИИЭПсельстрой
ГипроНИсельхоз (Институт Гипронисельхоз )
Утверждён:07.12.1993 Госстрой России (Russian Federation Gosstroy 9-3-2/263)
Расположен в:Техническая документация Строительство Справочные документы Типовые строительные конструкции, изделия и узлы Общероссийский строительный каталог Строительные конструкции, изделия и узлы зданий и сооружений для всех видов строительства Конструкции, изделия и узлы зданий Ограждающие конструкции Стены наружные Панели (бетонные и железобетонные)
Заменяет собой:
Нормативные ссылки:
Серия 1.832.1-18.93Серия 1.832.1-18.93Серия 1.832.1-18.93Серия 1.832.1-18.93Серия 1.832.1-18.93Серия 1.832.1-18.93Серия 1.832.1-18.93Серия 1.832.1-18.93Серия 1.832.1-18.93Серия 1.832.1-18.93Серия 1.832.1-18.93Серия 1.832.1-18.93Серия 1.832.1-18.93Серия 1.832.1-18.93Серия 1.832.1-18.93Серия 1.832.1-18.93Серия 1.832.1-18.93Серия 1.832.1-18.93Серия 1.832.1-18.93Серия 1.832.1-18.93Серия 1.832.1-18.93Серия 1.832.1-18.93Серия 1.832.1-18.93Серия 1.832.1-18.93Серия 1.832.1-18.93Серия 1.832.1-18.93Серия 1.832.1-18.93Серия 1.832.1-18.93Серия 1.832.1-18.93

© 2013 Ёшкин Кот :-) Карта сайта