Информационная система
«Ёшкин Кот»

Скачать базу одним архивом
Скачать обновления
История создания базы
Карта сайта

Скачать Серия 1.832.1-18.93 Выпуск 1. Панели горизонтальной разрезки. Опалубочные чертежи и армирование. Технические условия. Рабочие чертежи

Дата актуализации: 10.08.2017

Серия 1.832.1-18.93

Выпуск 1. Панели горизонтальной разрезки. Опалубочные чертежи и армирование. Технические условия. Рабочие чертежи

Обозначение: Серия 1.832.1-18.93
Обозначение англ: Series 1.832.1-18.93
Статус:действует
Название рус.:Выпуск 1. Панели горизонтальной разрезки. Опалубочные чертежи и армирование. Технические условия. Рабочие чертежи
Дата добавления в базу:01.09.2013
Дата актуализации:05.05.2017
Область применения:Настоящий выпуск содержит рабочие чертежи двухслойных стеновых панелей горизонтальной разрезки из легких бетонов
Оглавление:1.832.1-18.93.1-ТУ Технические условия
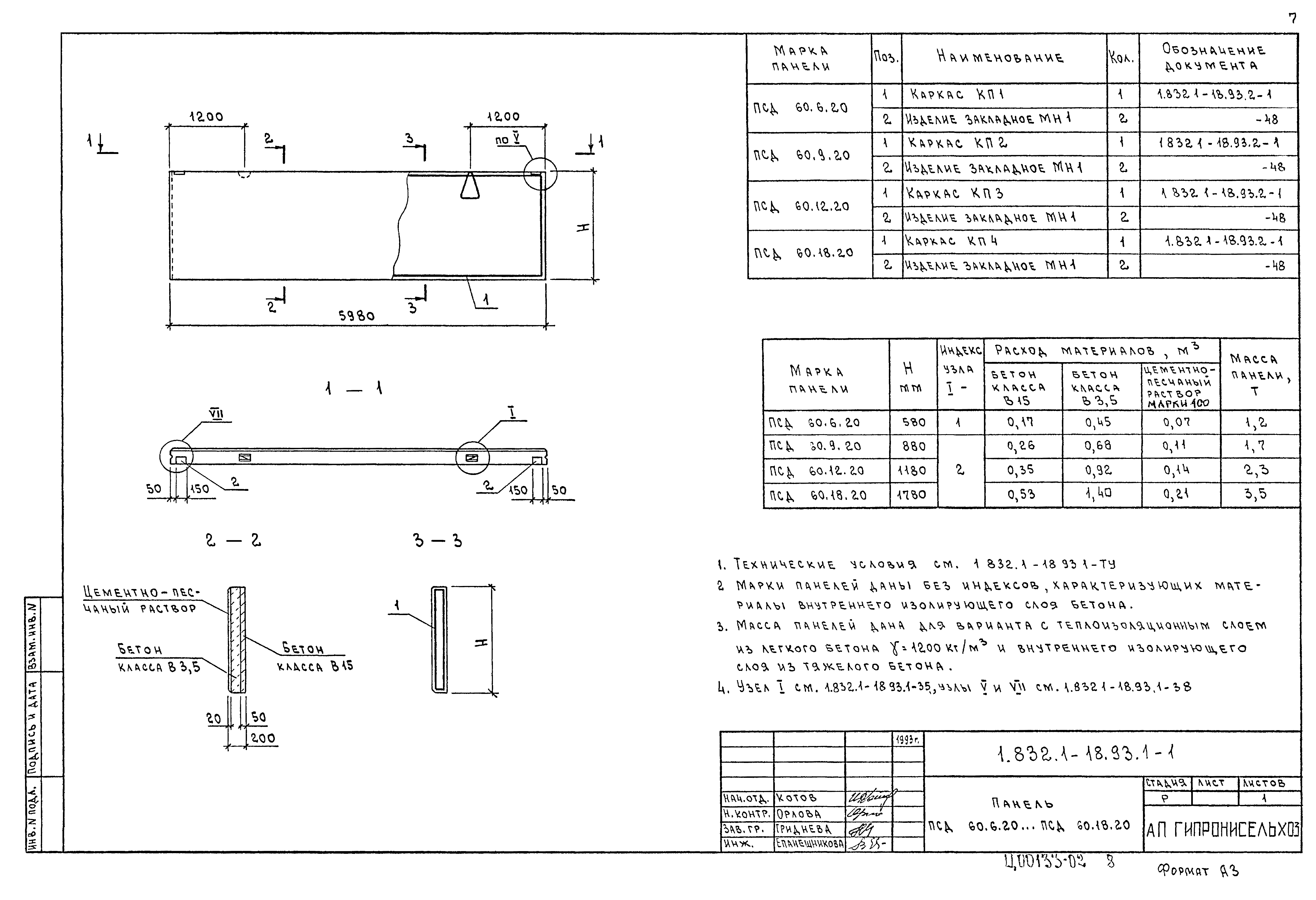
1.832.1-18.93.1-1 Панель ПСД 60.6.20 - ПСД 60.18.20
1.832.1-18.93.1-2 Панель ПСД 60.6.25 - ПСД 60.18.25
1.832.1-18.93.1-3 Панель ПСД 60.6.30 - ПСД 60.18.30
1.832.1-18.93.1-4 Панель ПСД 60.6.40 - ПСД 60.18.40
1.832.1-18.93.1-5 Панель ПСД 60.6.50 - ПСД 60.18.50
1.832.1-18.93.1-6 Панель ПСД 60.6.20 - УП…. ПСД 60.18.20 - УП. ПСД 60.6.20 - УЛ…. ПСД 60.18.20 - УЛ
1.832.1-18.93.1-7 Панель ПСД 60.6.25 - УП…. ПСД 60.18.25 - УП. ПСД 60.6.25 - УЛ…. ПСД 60.18.25 - УЛ
1.832.1-18.93.1-8 Панель ПСД 60.6.30 - УП…. ПСД 60.18.30 - УП. ПСД 60.6.30 - УЛ…. ПСД 60.18.30 - УЛ
1.832.1-18.93.1-9 Панель ПСД 60.6.40 - УП…. ПСД 60.18.40 - УП. ПСД 60.6.40 - УЛ…. ПСД 60.18.40 - УЛ
1.832.1-18.93.1-10 Панель ПСД 60.6.50 - УП…. ПСД 60.18.50 - УП. ПСД 60.6.50 - УЛ…. ПСД 60.18.50 - УЛ
1.832.1-18.93.1-11 Панель ПСД 30.6.20 - ПСД 30.18.20
1.832.1-18.93.1-12 Панель ПСД 30.6.25 - ПСД 30.18.25
1.832.1-18.93.1-13 Панель ПСД 30.6.30 - ПСД 30.18.30
1.832.1-18.93.1-14 Панель ПСД 30.6.40 - ПСД 30.18.40
1.832.1-18.93.1-15 Панель ПСД 30.6.50 - ПСД 30.18.50
1.832.1-18.93.1-16 Панель ПСД 30.6.20 - УП…. ПСД 30.18.20 - УП. ПСД 30.6.20 - УЛ…. ПСД 30.18.20 - УЛ
1.832.1-18.93.1-17 Панель ПСД 30.6.25 - УП…. ПСД 30.18.25 - УП. ПСД 30.6.25 - УЛ…. ПСД 30.18.25 - УЛ
1.832.1-18.93.1-18 Панель ПСД 30.6.30 - УП…. ПСД 30.18.30 - УП. ПСД 30.6.30 - УЛ…. ПСД 30.18.30 - УЛ
1.832.1-18.93.1-19 Панель ПСД 30.6.40 - УП…. ПСД 30.18.40 - УП. ПСД 30.6.40 - УЛ…. ПСД 30.18.40 - УЛ
1.832.1-18.93.1-20 Панель ПСД 30.6.50 - УП…. ПСД 30.18.50 - УП. ПСД 30.6.50 - УЛ…. ПСД 30.18.50 - УЛ
1.832.1-18.93.1-21 Панель ПСД 15.6.20 - УП…. ПСД 15.18.20 - УП. ПСД 15.6.20 - УЛ…. ПСД 15.18.20 - УЛ
1.832.1-18.93.1-22 Панель ПСД 15.6.25 - УП…. ПСД 15.18.25 - УП. ПСД 15.6.25 - УЛ…. ПСД 15.18.25 - УЛ
1.832.1-18.93.1-23 Панель ПСД 15.6.30 - УП…. ПСД 15.18.30 - УП. ПСД 15.6.30 - УЛ…. ПСД 15.18.30 - УЛ
1.832.1-18.93.1-24 Панель ПСД 15.6.40 - УП…. ПСД 15.18.40 - УП. ПСД 15.6.40 - УЛ…. ПСД 15.18.40 - УЛ
1.832.1-18.93.1-25 Панель ПСД 15.6.50 - УП…. ПСД 15.18.50 - УП. ПСД 15.6.50 - УЛ…. ПСД 15.18.50 - УЛ
1.832.1-18.93.1-26 Панель ПСД 6.12.20 - ПСД 12.12.30
1.832.1-18.93.1-27 Панель ПСД 6.12.40 - ПСД 12.12.50
1.832.1-18.93.1-28 Панель ПСД 6.30.20 - ПСД 24.30.20
1.832.1-18.93.1-29 Панель ПСД 6.30.25 - ПСД 24.30.25
1.832.1-18.93.1-30 Панель ПСД 6.30.30 - ПСД 24.30.30
1.832.1-18.93.1-31 Панель ПСД 6.30.40 - ПСД 24.30.40
1.832.1-18.93.1-32 Панель ПСД 6.30.50 - ПСД 24.30.50
1.832.1-18.93.1-33 Панель ПСД 9.24.20 - ПСД 18.24.30
1.832.1-18.93.1-34 Панель ПСД 9.24.40 - ПСД 18.24.50
1.832.1-18.93.1-35 Узел I
1.832.1-18.93.1-36 Узел II
1.832.1-18.93.1-37 Узел III, IV
1.832.1-18.93.1-38 Узел V… VII
1.832.1-18.93.1-РС Ведомость расхода стали
Разработан: НИИЖБ
ЦНИИЭПсельстрой
ГипроНИсельхоз (Институт Гипронисельхоз )
Утверждён:07.12.1993 Госстрой России (Russian Federation Gosstroy 9-3-2/263)
Расположен в:Техническая документация Строительство Справочные документы Типовые строительные конструкции, изделия и узлы Общероссийский строительный каталог Строительные конструкции, изделия и узлы зданий и сооружений для всех видов строительства Конструкции, изделия и узлы зданий Ограждающие конструкции Стены наружные Панели (бетонные и железобетонные)
Заменяет собой:
Нормативные ссылки:
Серия 1.832.1-18.93Серия 1.832.1-18.93Серия 1.832.1-18.93Серия 1.832.1-18.93Серия 1.832.1-18.93Серия 1.832.1-18.93Серия 1.832.1-18.93Серия 1.832.1-18.93Серия 1.832.1-18.93Серия 1.832.1-18.93Серия 1.832.1-18.93Серия 1.832.1-18.93Серия 1.832.1-18.93Серия 1.832.1-18.93Серия 1.832.1-18.93Серия 1.832.1-18.93Серия 1.832.1-18.93Серия 1.832.1-18.93Серия 1.832.1-18.93Серия 1.832.1-18.93Серия 1.832.1-18.93Серия 1.832.1-18.93Серия 1.832.1-18.93Серия 1.832.1-18.93Серия 1.832.1-18.93Серия 1.832.1-18.93Серия 1.832.1-18.93Серия 1.832.1-18.93Серия 1.832.1-18.93Серия 1.832.1-18.93Серия 1.832.1-18.93Серия 1.832.1-18.93Серия 1.832.1-18.93Серия 1.832.1-18.93Серия 1.832.1-18.93Серия 1.832.1-18.93Серия 1.832.1-18.93Серия 1.832.1-18.93Серия 1.832.1-18.93Серия 1.832.1-18.93Серия 1.832.1-18.93Серия 1.832.1-18.93Серия 1.832.1-18.93Серия 1.832.1-18.93Серия 1.832.1-18.93Серия 1.832.1-18.93Серия 1.832.1-18.93Серия 1.832.1-18.93Серия 1.832.1-18.93Серия 1.832.1-18.93Серия 1.832.1-18.93

© 2013 Ёшкин Кот :-) Карта сайта