| ||||||||||||||||||||||||||||||
Скачать Серия 1.012.1-1.92 Выпуск 1. Фундаменты для зданий с несущими стенами и стоечно-балочным каркасом. Материалы для проектированияДата актуализации: 10.08.2017
|
| Обозначение: | Серия 1.012.1-1.92 |
| Обозначение англ: | Series 1.012.1-1.92 |
| Статус: | не определен законодательством |
| Название рус.: | Выпуск 1. Фундаменты для зданий с несущими стенами и стоечно-балочным каркасом. Материалы для проектирования |
| Дата добавления в базу: | 01.09.2013 |
| Дата актуализации: | 05.05.2017 |
| Дата введения: | 01.05.1993 |
| Область применения: | В настоящем выпуске даны материалы для проектирования эффективных фундаментов для зданий семейных ферм |
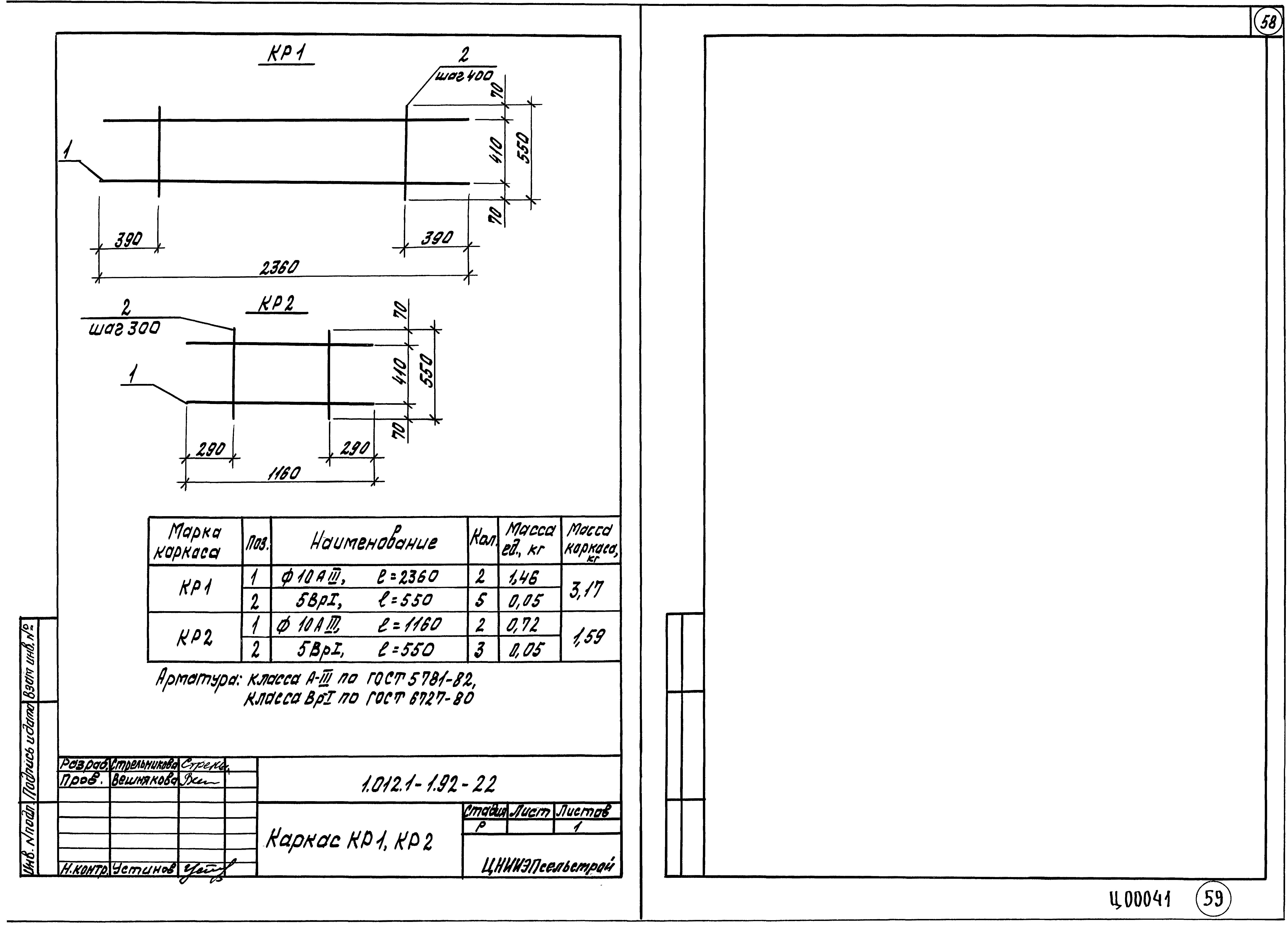
| Оглавление: | 1.012.1-1.92-ПЗ Пояснительная записка 1.012.1-1.92-НИ Номенклатура фундаментов 1.012.1-1.92-1 Конструктивные варианты фундаментов и рекомендации по их применению 1.012.1-1.92-2 Порядок подбора свайных фундаментов для зданий с несущими стенами 1.012.1-1.92-3 Таблица подбора фундаментов (пирамидальных свай, забивных блоков, фундаментов в выстраиваемом котоловане) под несущие стены 1.012.1-1.92-4 Таблица подбора пирамидальных свай под несущие стены в пучинистых грунтах 1.012.1-1.92-5 Графики подбора буронабивных свай под несущие стены и стоечно-балочные каркасы в пучинистых грунтах 1.012.1-1.92-6 Таблица подбора буронабивных свай под несущие стены и стоечно-балочные каркасы в пучинистых грунтах 1.012.1-1.92-7 Таблица подбора фундаментов в вытрамбованных траншеях 1.012.1-1.92-8 Таблица для подбора щелевых фундаментов 1.012.1-1.92-9 Порядок подбора мелкозаглубленных фундаментов для зданий с несущими стенами 1.012.1-1.92-10 Таблица расчетных сопротивлений грунтов оснований для мелкозаглубленных фундаментов 1.012.1-1.92-11 Графики подбора ширины мелкозаглубленных ленточных фундаментов 1.012.1-1.92-12 Графики подбора толщины песчанной подушки для мелкозаглубленных ленточных фундаментов в пучинистых грунтах 1.012.1-1.92-13 Таблица подбора размеров мелкозаглубленнх плит фундаментов 1.012.1-1.92-14 Таблица подбора толщины песчанной подушки мелкозаглубленных плитных фундаментов в пучинистых грунтах 1.012.1-1.92-15 Порядок подбора фундаментов для зданий со стоечно-балочным каркасом 1.012.1-1.92-16 Таблица подбора фунаментов (забивные блоки, фундаменты в вытрамбованных котлованах) для зданий со стоечно-балочными какркасами 1.012.1-1.92-17 Таблица допускаемых значений суммы Мц.т. и Т для проверки горизонтальных перемещений фундаментов (забивные блоки, фундаменты в вытрамбованных котлованах) 1.012.1-1.92-18 Таблица подбора фунаментов (забивные блоки, фундаменты в вытрамбованных котлованах) для зданий со стоечно-балочным какркасом в пучинистых грунтах 1.012.1-1.92-19 Графики несущей способности свай-колонн по грунту 1.012.1-1.92-20 Блоки бетонные ФБС20.3.6-Т… ФБС10.6.6-Т 1.012.1-1.92-21 Блоки бетонные ФБС20.3.6-Т… ФБС10.6.6-Т. Армирование 1.012.1-1.92-22 Каркас КР1, КР2 |
| Разработан: | ЦНИИЭПсельстрой |
| Утверждён: | 23.11.1992 Минстрой России (Russian Federation Minstroy 9-1/363) |
| Расположен в: | |
| Нормативные ссылки: |
|


























































