Информационная система
«Ёшкин Кот»

Скачать базу одним архивом
Скачать обновления
История создания базы
Карта сайта

Скачать ГОСТ Р МЭК 60950-2002 Безопасность оборудования информационных технологий

Дата актуализации: 10.08.2017

ГОСТ Р МЭК 60950-2002

Безопасность оборудования информационных технологий

Обозначение: ГОСТ Р МЭК 60950-2002
Обозначение англ: GOST R IEC 60950-2002
Статус:введен впервые
Название рус.:Безопасность оборудования информационных технологий
Название англ.:safety of information technology equipment
Дата добавления в базу:01.09.2013
Дата актуализации:05.05.2017
Дата введения:01.10.2002
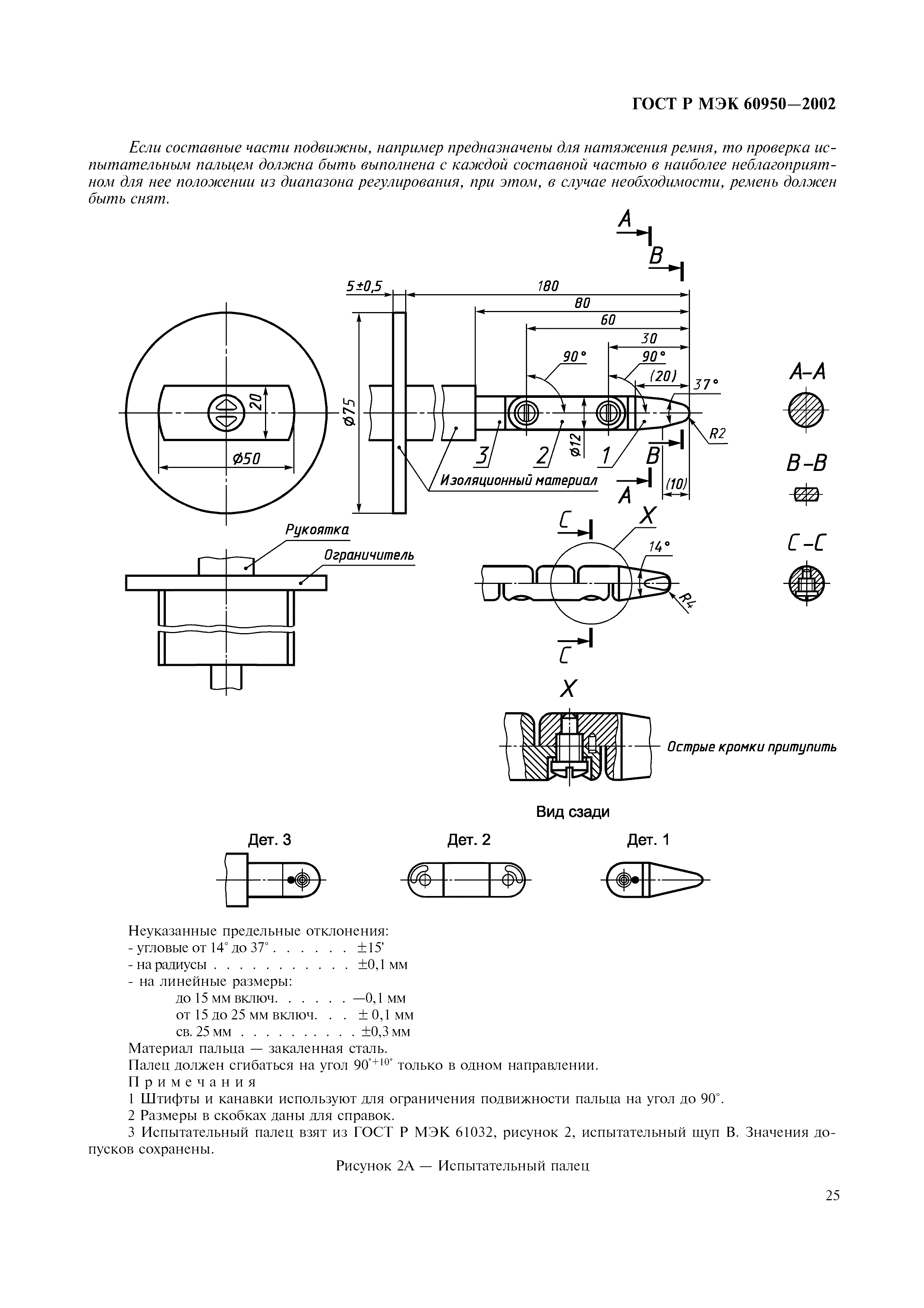
Область применения:Стандарт устанавливает требования безопасности, а также общие нормы, правила и методы испытания оборудования информационных технологий. При отсутствии стандарта на оборудование информационных технологий конкретного типа допускается распространять действие настоящего стандарта (насколько это приемлемо) на это оборудование.
Оглавление:0 Основы безопасности
1 Общие положения
2 Защита от опасности
3 Электропроводка, соединения и электропитание
4 Физические требования
5 Требования к электрическим параметрам и ток через проводник защитного заземления
6 Подключение к телекоммуникационным сетям
Приложение А Испытания на устойчивость к нагреву и возгоранию
Приложение В Испытания электродвигателей при ненормальных условиях работы
Приложение С Трансформаторы
Приложение D Прибор для измерения тока утечки на землю
Приложение Е Превышение температуры обмоток
Приложение F Методы измерения путей утечки и воздушных зазоров
Приложение G Альтернативный метод определения минимальных зазоров
Приложение Н Ионизирующее излучение
Приложение J Электрохимические потенциалы
Приложение К Средства контроля температуры
Приложение L Условия нормальной нагрузки для электрического офисного оборудования
Приложение М Нормы для телефонных вызывных сигналов
Приложение N Испытательный импульсный генератор
Приложение Р Нормативные ссылки
Приложение Q Библиография
Приложение R Примеры требований к программам контроля качества
Приложение S Методика испытаний импульсами
Приложение Т Рекомендации по защите от воздействия воды
Приложение U Изолированные намоточные провода для использования без межслоевой изоляции
Приложение V Системы распределения электрической энергии
Приложение W Суммирование токов прикосновения
Приложение Х Испытание трансформатора на максимальный нагрев
Разработан: Автономная некоммерческая организация СТАНДАРТ-СЕРВИС
Автономная некоммерческая организация НТЦСЭ ИСЭП
Утверждён:11.04.2002 Госстандарт России (Russian Federation Gosstandart 148-ст)
Издан: ИПК Издательство стандартов (2002 г. )
ИПК Издательство стандартов (2003 г. )
Расположен в:Техническая документация Электроэнергия ИНФОРМАЦИОННЫЕ ТЕХНОЛОГИИ. МАШИНЫ КОНТОРСКИЕ Информационные технологии (ИТ) в целом ОХРАНА ОКРУЖАЮЩЕЙ СРЕДЫ, ЗАЩИТА ЧЕЛОВЕКА ОТ ВОЗДЕЙСТВИЯ ОКРУЖАЮЩЕЙ СРЕДЫ. БЕЗОПАСНОСТЬ Безопасность механизмов Экология ИНФОРМАЦИОННЫЕ ТЕХНОЛОГИИ. МАШИНЫ КОНТОРСКИЕ Информационные технологии (ИТ) в целом ОХРАНА ОКРУЖАЮЩЕЙ СРЕДЫ, ЗАЩИТА ЧЕЛОВЕКА ОТ ВОЗДЕЙСТВИЯ ОКРУЖАЮЩЕЙ СРЕДЫ. БЕЗОПАСНОСТЬ Безопасность механизмов Строительство Стандарты Другие государственные стандарты, применяемые в строительстве Информационные технологии. Машины конторские Охрана окружающей среды, защита человека от воздействия окружающей среды. Безопасность
Нормативные ссылки:
ГОСТ Р МЭК 60950-2002ГОСТ Р МЭК 60950-2002ГОСТ Р МЭК 60950-2002ГОСТ Р МЭК 60950-2002ГОСТ Р МЭК 60950-2002ГОСТ Р МЭК 60950-2002ГОСТ Р МЭК 60950-2002ГОСТ Р МЭК 60950-2002ГОСТ Р МЭК 60950-2002ГОСТ Р МЭК 60950-2002ГОСТ Р МЭК 60950-2002ГОСТ Р МЭК 60950-2002ГОСТ Р МЭК 60950-2002ГОСТ Р МЭК 60950-2002ГОСТ Р МЭК 60950-2002ГОСТ Р МЭК 60950-2002ГОСТ Р МЭК 60950-2002ГОСТ Р МЭК 60950-2002ГОСТ Р МЭК 60950-2002ГОСТ Р МЭК 60950-2002ГОСТ Р МЭК 60950-2002ГОСТ Р МЭК 60950-2002ГОСТ Р МЭК 60950-2002ГОСТ Р МЭК 60950-2002ГОСТ Р МЭК 60950-2002ГОСТ Р МЭК 60950-2002ГОСТ Р МЭК 60950-2002ГОСТ Р МЭК 60950-2002ГОСТ Р МЭК 60950-2002ГОСТ Р МЭК 60950-2002ГОСТ Р МЭК 60950-2002ГОСТ Р МЭК 60950-2002ГОСТ Р МЭК 60950-2002ГОСТ Р МЭК 60950-2002ГОСТ Р МЭК 60950-2002ГОСТ Р МЭК 60950-2002ГОСТ Р МЭК 60950-2002ГОСТ Р МЭК 60950-2002ГОСТ Р МЭК 60950-2002ГОСТ Р МЭК 60950-2002ГОСТ Р МЭК 60950-2002ГОСТ Р МЭК 60950-2002ГОСТ Р МЭК 60950-2002ГОСТ Р МЭК 60950-2002ГОСТ Р МЭК 60950-2002ГОСТ Р МЭК 60950-2002ГОСТ Р МЭК 60950-2002ГОСТ Р МЭК 60950-2002ГОСТ Р МЭК 60950-2002ГОСТ Р МЭК 60950-2002ГОСТ Р МЭК 60950-2002ГОСТ Р МЭК 60950-2002ГОСТ Р МЭК 60950-2002ГОСТ Р МЭК 60950-2002ГОСТ Р МЭК 60950-2002ГОСТ Р МЭК 60950-2002ГОСТ Р МЭК 60950-2002ГОСТ Р МЭК 60950-2002ГОСТ Р МЭК 60950-2002ГОСТ Р МЭК 60950-2002ГОСТ Р МЭК 60950-2002ГОСТ Р МЭК 60950-2002ГОСТ Р МЭК 60950-2002ГОСТ Р МЭК 60950-2002ГОСТ Р МЭК 60950-2002ГОСТ Р МЭК 60950-2002ГОСТ Р МЭК 60950-2002ГОСТ Р МЭК 60950-2002ГОСТ Р МЭК 60950-2002ГОСТ Р МЭК 60950-2002ГОСТ Р МЭК 60950-2002ГОСТ Р МЭК 60950-2002ГОСТ Р МЭК 60950-2002ГОСТ Р МЭК 60950-2002ГОСТ Р МЭК 60950-2002ГОСТ Р МЭК 60950-2002ГОСТ Р МЭК 60950-2002ГОСТ Р МЭК 60950-2002ГОСТ Р МЭК 60950-2002ГОСТ Р МЭК 60950-2002ГОСТ Р МЭК 60950-2002ГОСТ Р МЭК 60950-2002ГОСТ Р МЭК 60950-2002ГОСТ Р МЭК 60950-2002ГОСТ Р МЭК 60950-2002ГОСТ Р МЭК 60950-2002ГОСТ Р МЭК 60950-2002ГОСТ Р МЭК 60950-2002ГОСТ Р МЭК 60950-2002ГОСТ Р МЭК 60950-2002ГОСТ Р МЭК 60950-2002ГОСТ Р МЭК 60950-2002ГОСТ Р МЭК 60950-2002ГОСТ Р МЭК 60950-2002ГОСТ Р МЭК 60950-2002ГОСТ Р МЭК 60950-2002ГОСТ Р МЭК 60950-2002ГОСТ Р МЭК 60950-2002ГОСТ Р МЭК 60950-2002ГОСТ Р МЭК 60950-2002ГОСТ Р МЭК 60950-2002ГОСТ Р МЭК 60950-2002ГОСТ Р МЭК 60950-2002ГОСТ Р МЭК 60950-2002ГОСТ Р МЭК 60950-2002ГОСТ Р МЭК 60950-2002ГОСТ Р МЭК 60950-2002ГОСТ Р МЭК 60950-2002ГОСТ Р МЭК 60950-2002ГОСТ Р МЭК 60950-2002ГОСТ Р МЭК 60950-2002ГОСТ Р МЭК 60950-2002ГОСТ Р МЭК 60950-2002ГОСТ Р МЭК 60950-2002ГОСТ Р МЭК 60950-2002ГОСТ Р МЭК 60950-2002ГОСТ Р МЭК 60950-2002ГОСТ Р МЭК 60950-2002ГОСТ Р МЭК 60950-2002ГОСТ Р МЭК 60950-2002ГОСТ Р МЭК 60950-2002ГОСТ Р МЭК 60950-2002ГОСТ Р МЭК 60950-2002ГОСТ Р МЭК 60950-2002ГОСТ Р МЭК 60950-2002ГОСТ Р МЭК 60950-2002ГОСТ Р МЭК 60950-2002ГОСТ Р МЭК 60950-2002ГОСТ Р МЭК 60950-2002ГОСТ Р МЭК 60950-2002ГОСТ Р МЭК 60950-2002ГОСТ Р МЭК 60950-2002ГОСТ Р МЭК 60950-2002ГОСТ Р МЭК 60950-2002ГОСТ Р МЭК 60950-2002ГОСТ Р МЭК 60950-2002ГОСТ Р МЭК 60950-2002ГОСТ Р МЭК 60950-2002ГОСТ Р МЭК 60950-2002ГОСТ Р МЭК 60950-2002ГОСТ Р МЭК 60950-2002ГОСТ Р МЭК 60950-2002ГОСТ Р МЭК 60950-2002ГОСТ Р МЭК 60950-2002ГОСТ Р МЭК 60950-2002ГОСТ Р МЭК 60950-2002ГОСТ Р МЭК 60950-2002ГОСТ Р МЭК 60950-2002ГОСТ Р МЭК 60950-2002ГОСТ Р МЭК 60950-2002ГОСТ Р МЭК 60950-2002ГОСТ Р МЭК 60950-2002ГОСТ Р МЭК 60950-2002ГОСТ Р МЭК 60950-2002ГОСТ Р МЭК 60950-2002ГОСТ Р МЭК 60950-2002ГОСТ Р МЭК 60950-2002ГОСТ Р МЭК 60950-2002ГОСТ Р МЭК 60950-2002ГОСТ Р МЭК 60950-2002ГОСТ Р МЭК 60950-2002ГОСТ Р МЭК 60950-2002ГОСТ Р МЭК 60950-2002ГОСТ Р МЭК 60950-2002ГОСТ Р МЭК 60950-2002ГОСТ Р МЭК 60950-2002ГОСТ Р МЭК 60950-2002ГОСТ Р МЭК 60950-2002ГОСТ Р МЭК 60950-2002ГОСТ Р МЭК 60950-2002ГОСТ Р МЭК 60950-2002ГОСТ Р МЭК 60950-2002ГОСТ Р МЭК 60950-2002ГОСТ Р МЭК 60950-2002ГОСТ Р МЭК 60950-2002ГОСТ Р МЭК 60950-2002ГОСТ Р МЭК 60950-2002

© 2013 Ёшкин Кот :-) Карта сайта