Информационная система
«Ёшкин Кот»

Скачать базу одним архивом
Скачать обновления
История создания базы
Карта сайта

Скачать Альбом чертежей верхнего строения железнодорожного пути

Дата актуализации: 10.08.2017

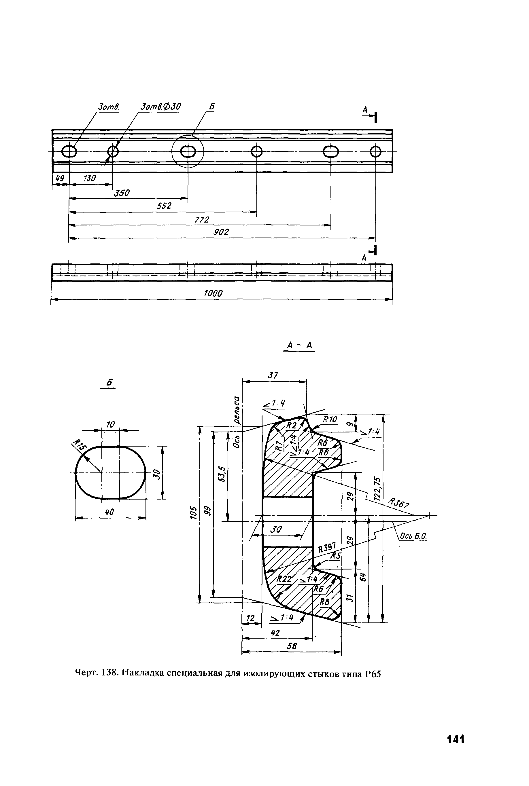
Альбом чертежей верхнего строения железнодорожного пути

Статус:действует
Название рус.:Альбом чертежей верхнего строения железнодорожного пути
Название англ.:Drawings for Railway Superstructures
Дата добавления в базу:01.09.2013
Дата актуализации:05.05.2017
Дата введения:01.01.1995
Область применения:В альбоме помещены чертежи и краткое описание конструкций верхнего строения пути, а также основные показатели технических условий на материалы и изделия верхнего строения пути, за исключением стрелочных переводов.
Оглавление:I Типы верхнего строения пути
II Общие сведения об устройстве верхнего строения пути
III Балластная призма
IV Шпалы и брусья
V Рельсы
VI Стыковое и промежуточное костыльное скрепление рельсов
VII Накладки
VIII Болты стыковые, гайки и шайбы к ним
IX Подкладки и прокладки при костыльном скреплении
X Костыли
XI Противоугоны пружинные
XII Раздельное промежуточное рельсовое скрепление для железобетонных и деревянных шпал
XIII Нераздельное пружинное промежуточное рельсовое скрепление для железобетонных шпал
XIV Переходные стыки рельсов
XV Изолирующие стыки рельсов
Разработан: ПТКБ ЦП МПС
Утверждён:01.01.1995 МПС РФ (Russian Federation Ministry of Railroads )
Издан: Транспорт (1995 г. )
Расположен в:Техническая документация Экология ГРАЖДАНСКОЕ СТРОИТЕЛЬСТВО Сооружение железных дорог Строительство Нормативные документы Отраслевые и ведомственные нормативно-методические документы Проектирование и строительство железных дорог
Нормативные ссылки:

© 2013 Ёшкин Кот :-) Карта сайта