| ||||||||||||||||||||||||||||||||||||||
Скачать ГОСТ 8691-73 Изделия огнеупорные общего назначения. Форма и размерыДата актуализации: 10.08.2017
|
| Обозначение: | ГОСТ 8691-73 |
| Обозначение англ: | GOST 8691-73 |
| Статус: | взамен |
| Название рус.: | Изделия огнеупорные общего назначения. Форма и размеры |
| Название англ.: | General-purpose refractory articles. Form and dimensions |
| Дата добавления в базу: | 01.09.2013 |
| Дата актуализации: | 05.05.2017 |
| Дата введения: | 01.01.1997 |
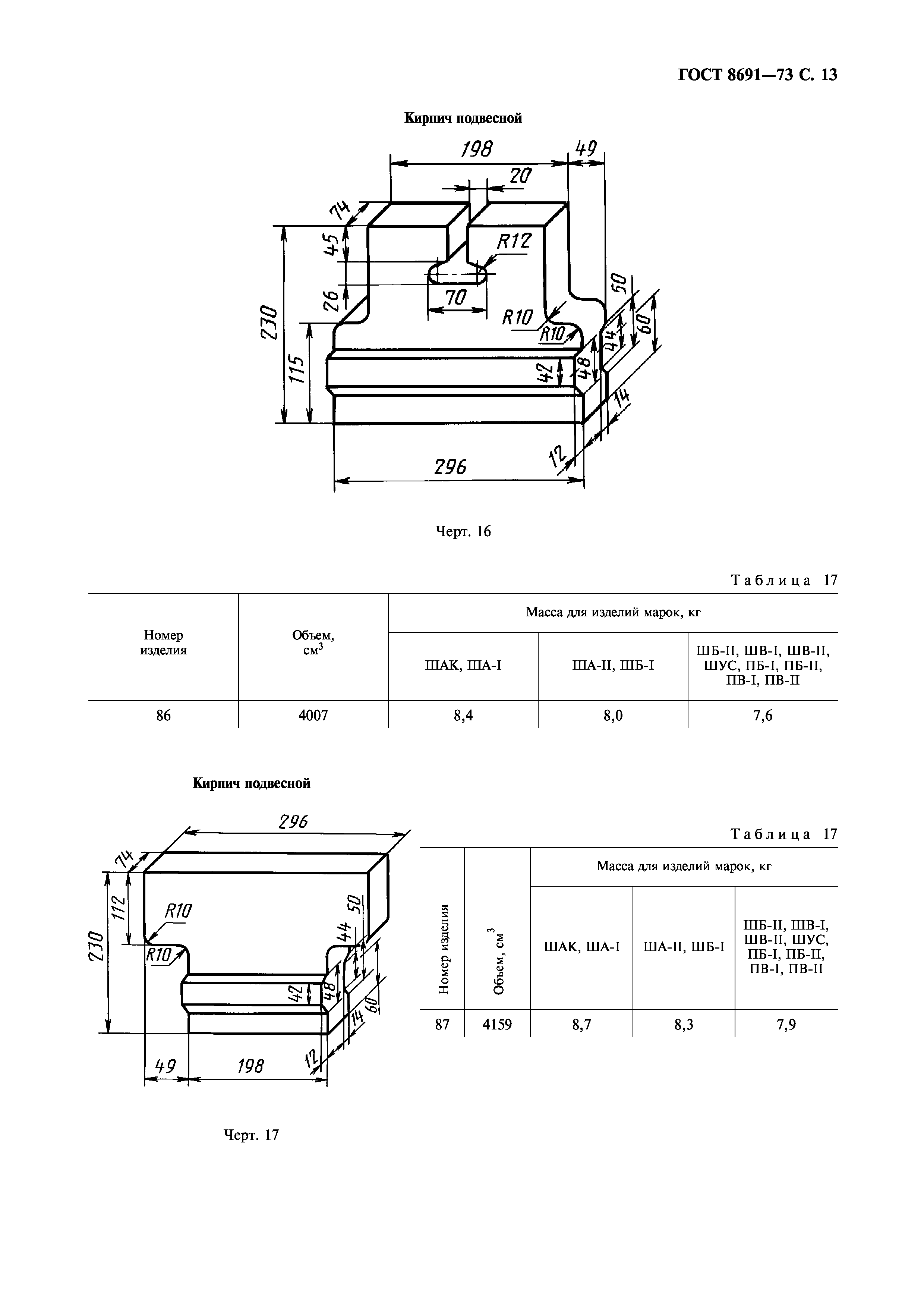
| Область применения: | Стандарт распространяется на огнеупорные изделия общего назначения, применяемые для кладки различных тепловых агрегатов. |
| Оглавление: | 1 Марки 2 Форма и размеры 3 Технические требования Приложение Номера изготовляемых изделий по группам |
| Разработан: | Министерство черной металлургии СССР |
| Утверждён: | 15.06.1973 Государственный комитет стандартов Совета Министров СССР (USSR National Committee on Standards at the Cabinet of Ministers 1486) |
| Издан: | Издательство стандартов (1973 г. ) Издательство стандартов (1997 г. ) Стандартинформ (2005 г. ) |
| Расположен в: | |
| Список изменений: |
|
| Заменяет собой: |
|
| Нормативные ссылки: |
|




















Текстовое изменение № 3 от 01.01.1990






