Информационная система
«Ёшкин Кот»

XXXecatmenu

Открытое акционерное общество

Проектно-конструкторский и технологический
институт промышленного строительства
ОАО ПКТИпромстрой

РЕКОМЕНДАЦИИ
по технологии возведения конструкций
из монолитного бетона и железобетона

2-я редакция

7348

Генеральный директор                                                                                  С. Ю. Едличка

Введение

«Рекомендации» содержат технологические правила возведения несущих и ограждающих конструкций из монолитного бетона и железобетона.

В «Рекомендациях» рассмотрены опалубочные, арматурные, бетонные работы, даны указания по производству работ, в т.ч. в зимних условиях. Приведены технологические схемы производства работ по возведению монолитных конструкций, перечень оснастки и приспособлений, оборудования, средств механизации, инструментов и инвентаря, а также контроль качества работ и техника безопасности, охрана труда и экология.

В основу «Рекомендаций» положены государственные стандарты, строительные нормы и правила (СНиП 2.03.01-84*, СНиП 3.03.01-87, СНиП III-4-80* и СНиП 12-3-2001), а также разработки ведущих институтов ЦНИИОМТП, НИИЖБ, ВНИИЖелезобетон, НИИМосстрой и других организаций.

(Измененная редакция, Изм. № 1).

При разработке «Рекомендаций» использованы материалы проектов производства работ ОАО «ПКТИпромстрой».

«Рекомендации» предназначены для производителей работ и мастеров, осуществляющих возведение конструкций из монолитного бетона и железобетона, а также работников проектных, строительных и проектно-технологических организаций, разрабатывающих проекты организации строительства и проекты производства работ.

Настоящая корректировка выполнена в 1999 году сотрудниками ОАО «ПКТИпромстрой» в составе:

Едличка С. Ю., к.т.н. - общее руководство;

Шахпаронов В. В., к.т.н. - научно-техническое сопровождение;

Покровская Е. В. - разработка разделов 4, 5, 6, 7, компьютерная обработка;

Обухова Л. В. - руководство компьютерным обеспечением;

Савина О. А. - разработка раздела 2, компьютерная обработка;

Уханова Е. Б. - разработка раздела 3;

Филипенко Н. Н. - разработка раздела 8;

Бычковский Б. И. - техническое руководство, разработка раздела 1 и приложений, корректура «Рекомендаций», нормоконтроль.

Разработчики «Рекомендаций» выражают признательность за возможные замечания и предложения по составу и содержанию материалов, по их дополнению и изменению.

Предложения направлять по адресу:

125040, Москва, Ленинградский проспект, д. 26

тел. (095) 214-36-49, 214-04-04, факс (095) 214-95-53

E-mailpkti@tsr.ru

pkti@rinet.ru

//www.tsr.ru/~pkti

(Измененная редакция, Изм. №1).

1 Общие положения

1.1 Настоящие «Рекомендации» содержат технологические правила, которые следует применять при возведении конструкций из монолитного бетона и железобетона на щебне или гравии на строительстве объектов промышленного, жилищно-гражданского и общественного назначения.

При этом обязательно соблюдение требований соответствующих стандартов, строительных норм и правил СНиП 2.03.01-84* «Бетонные и железобетонные конструкции», СНиП 3.02.01-87 «Земляные сооружения, основания и фундаменты», СНиП 3.03.01-87 «Несущие и ограждающие конструкции», СНиП III-4-80* «Техника безопасности в строительстве», СНиП 12-03-2001 «Безопасность труда в строительстве. Часть 1 Общие требования».

(Измененная редакция, Изм. № 1).

1.2 До начала опалубочных, арматурных и бетонных работ на стройплощадке должны быть выполнены:

-      земляные работы в местах бетонирования;

-      работы по водоотводу поверхностных и грунтовых вод;

-      перенесены в натуру и закреплены проектные оси и отметки возводимых конструкций;

-      завезены необходимые опалубка, арматура, изделия и т.п.;

-      доставлены на объект и опробованы в рабочем режиме машины, оборудование и приспособления, предназначенные к применению;

-      проведены мероприятия, обеспечивающие безопасность производства работ, пожаро- и взрывобезопасность, а также охрану труда;

-      устроены ограждения по периметру перекрытия, лестничных клеток и проемов;

-      подготовлена необходимая организационно-технологическая документация по возведению монолитных конструкций (проекты производства работ, технологические карты).

1.3 Рекомендации составлены на основе систематизации конструктивных решений опалубки, рациональной области их применения в отечественном и зарубежном строительстве, а также прогрессивного опыта производства опалубочных, арматурных и бетонных работ и применения технических средств.

1.4 Укладка бетона должна производиться после завершения опалубочных и арматурных работ, а также соответствующего контроля правильности их исполнения с составлением акта на скрытые работы.

2 Технические характеристики опалубочных систем и опалубочные работы

2.1 Общие указания

2.1.1 Основными требованиями, которые предъявляются к опалубкам, являются:

- оборачиваемость;

- жесткость;

- точность изготовления и монтажа;

- весовые характеристики отдельных элементов и опалубочных блоков и их стоимость.

2.1.2 При выборе наиболее рациональной системы опалубки следует учитывать:

- уменьшение затрат ручного труда при опалубочных работах;

- универсальность системы опалубки для различных монолитных конструкций, применяемых при возведении уникальных зданий и объектов промышленного назначения;

- возможность монтажа и демонтажа опалубки механизированным способом с предварительной укрупнительной сборкой, а при необходимости - вручную;

- целесообразность централизованного изготовления компонентов опалубки.

2.1.3 Типы опалубок следует применять в соответствии с ГОСТ 23478-79, а также с учетом настоящих «Рекомендаций». Материалы для изготовления опалубок должны отвечать требованиям соответствующих стандартов и техническим условиям.

2.1.4 Завод-изготовитель опалубки должен производить контрольную сборку фрагмента на заводе. Схема фрагмента определяется заказчиком по согласованию с заводом-изготовителем. К каждому комплекту опалубки должен быть приложен сертификат качества.

2.1.5 Установка и приемка опалубки, распалубливание монолитных конструкций, очистка и смазка производятся в соответствии с указаниями проектов производства работ.

2.1.6 При сравнении и выборе типов опалубки с учетом их технико-экономических показателей следует руководствоваться данными, характеризующими наиболее часто применяемые опалубки в практике монолитного строительства (таблицы 2.1 и 2.2).

Таблица 2.1 - Рекомендуемые к применению типы опалубки

№ п/п

Тип опалубки

Характеристика

Область применения

Организация-разработчик

1.

Опалубочные системы фирмы «ПЕРИ»

Многоцелевая опалубка, состоящая из мелкоразмерных и крупноразмерных щитов каркасной конструкции, специальных креплений для соединения щитов, оснастки и несущих элементов (стоек, балок, поддерживающих устройств)

Изготовление из монолитного бетона и железобетона конструкций фундаментов, прямых и криволинейных стен, прямоугольных и цилиндрических колонн, балочных и плоских перекрытий, тоннелей, каналов и т.д.

Фирма «ПЕРИ», Германия, Франкфурт на Майне

Robert-Bosch-Strasse 13а

D-63225 Langen

Тел. 97 48 23

2.

Опалубочные системы фирмы «МЕВА»

Многоцелевая опалубка, состоящая из мелкоразмерных щитов каркасной конструкции, соединяемых при необходимости в панели, устанавливаемые краном. Щиты опалубки быстро соединяются с помощью клинового замка, запатентованного фирмой. Данная опалубка оснащена различными приспособлениями и несущими элементами (стойки, балки, подкосы и др.)

Изготовление из монолитного бетона и железобетона конструкций фундаментов, прямых и криволинейных стен, прямоугольных и цилиндрических колонн, балочных и плоских перекрытий, тоннелей, каналов и монолитных зданий.

Фирма МосМЕВА, Совместное российско-германское предприятие

Москва, ул. Крылатские холмы, д. 7, корп. 2

Тел. (095) 149-15-51

3.

Опалубка фирмы «Далли»

Модульная, сверхоблегченная, особоустойчивая, быстроустанавливаемая опалубка, состоящая из мелкоразмерных щитов, соединяемых болтовыми зажимами. Опалубка оснащена также различными приспособлениями и несущими элементами (стойки, балки, подкосы)

Изготовление из монолитного бетона и железобетона конструкций фундаментов, прямых и криволинейных стен, перекрытий, лифтовых шахт, всевозможных емкостных сооружений.

Фирма «Далли», Германия

Представительство фирмы находится по адресу: Москва, Фрунзенская набережная, д. 30

Тел. (095) 201-19-29

4.

Опалубочные системы фирмы «Doka»

Многоцелевая опалубка, состоящая из специально формированных профилей рам и траверс. Элементы опалубки крепятся при помощи интегрированной системы ригелей

Изготовление из монолитного бетона и железобетона конструкций колонн, прямых и криволинейных стен, перекрытий, лифтовых шахт и фундаментов.

Фирма «Doka», Германия

Представительство фирмы в России: Москва, ул. Большая Садовая, 8, офис № 600-602

Тел. (095) 209-98-31, 209-99-22 факс (095) 209-12-78

5.

Несъемная

Состоит из плоских элементов различных материалов, остающихся после бетонирования в теле конструкции, и инвентарных поддерживающих элементов (профилированный настил, сетчатая опалубка, стеклоцемент и т.д.)

Возведение конструкций без распалубливания, создание гидроизоляционной облицовки и фактурной поверхности (перекрытия, колодцы, фундаменты). Может включаться в расчетные сечения конструкций

 

6.

Термоактивная

Любая опалубка, оборудованная нагревательными элементами, оснащенная системами контроля и регулированием режима прогрева

Бетонирование конструкций в зимнее время, а также для ускорения твердения бетона, в т.ч. в летнее время

 

7.

Русская

Опалубка «ОПРУС» представляет собой щиты каркасной формы, накрытые многослойными плитами из высококачественной фанеры

Используется для бетонирования стен и перекрытий

ЗАО «Опалубка Русская»

Москва. Соймоновский проезд, 5/2

Тел. (095) 203-71-22; 202-73-53; 202-80-91

Факс (095) 202-56-37

Поставка со склада в Москве: Остаповский проезд, 24

8.

Алюминиевая опалубка

Опалубка высокого класса из легких алюминиевых высокопрочных сплавов из каркасных модульных щитов в любых сочетаниях

Бетонирование стен и перекрытий зданий различного назначения

АОЗТ ЦНИИОМТП Лаборатория опалубочных работ

Москва, Дмитровское шоссе, 9

Тел/факс (095) 976-36-24

9.

Опалубка для бетонирования вертикальных стыков

 

 

ГП Мосоргстрой, проект № 3234

Москва, ул. Б. Полянка, 51а

10.

Комплектная опалубка «НОЕ»

 

Предназначено для больших объемов опалубочных работ в высотном и глубинном строительстве с изменяющейся областью применения.

Фирма «VERMEER»-Steinbruck

Московское представительство:

117421, Москва, ул. Обручева, д. 4, корп. 2

тел. 936-44-71

факс. 936-42-04

11.

Модульная облегченная опалубка «Оргтехстрой»

 

Используется при возведении элементов зданий различного назначения из тяжелых и легких бетонных смесей

АООТ «Оргтехника»

249020, Обнинск, Калужская обл., Киевское шоссе, 59

Таблица 2.2 - Технико-экономические показатели опалубок

№ п/п

Показатели

Типы опалубок

ЦНИИОМТП

Пери

Далли

Ное

Дока

Тиссен

Пашал

Мева

1

Материал опалубки

Алюминий, фанера

Алюминий, сталь, древесина, фанера

Сталь

Сталь

 

Сталь

Сталь

Сталь

2

Оборачиваемость, раз

100

100

100

100

100

100

100

100

3

Приведенная масса, кг/м2

33

 

85

90

 

85

90

 

4

Давление бетонной смеси, кПа

80

 

50

60

 

60

55

 

5

Прогиб

1/400

 

1/300

1/250

 

1/300

1/250

 

6

Трудозатраты монтаж/демонтаж, чел.час/м2

0,2/0,14

 

0,35/0,14

0,28/0,15

 

0,3/0,15

0,35/0,16

 

7

Стоимость

160-180 $/м2

 

 

 

180-410 DM2

До 200 $/м2

 

 

2.2 Опалубочные системы фирмы «ПЕРИ» (Германия)

2.2.1 Опалубочные системы фирмы «ПЕРИ» - это рациональные системы опалубки для фундаментов, круглых и прямоугольных колонн, балочных и плоских перекрытий, для низких и высоких стен как прямых, так и закругленных, плотин, мостов, тоннелей, каналов и т.п.

2.2.2 Система «ПЕРИ Варио цугфест» - балочная опалубка для бетонирования стен. Опалубку изготавливают из деревянных двутавровых решетчатых балок типа «ПЕРИ GT 24» длиной от 2,1 метра до 6 метров. Высота балки 24 см, ширина 8 см, толщина стенки 2,8 см (рисунок 2.1). Применяют также двутавровые деревянные балки типа «ПЕРИ VT 20K» и «ПЕРИ VT 16» длиной от 2,45 метра до 5,9 метра, высотой соответственно 20 см и 16 см и шириной - 8 см.

Все балки заводского изготовления. По желанию заказчика длина балок может быть изменена.

Балки раскладывают на монтажном стенде с шагом 30 см и скрепляют стальным запором «SRZ» длиной 120 см или 245 см. Полученные элементы служат для монтажа каркаса опалубки стены.

Обшивают каркас листами многослойной фанеры или досками.

Изготовление элементов опалубки может осуществляться на заводе с доставкой на строительную площадку или непосредственно на строительной площадке.

В комплект опалубки входят крепежные детали и оснастка (таблица 2.3).

При необходимости наращивания опалубки стен применяют систему «ПЕРИ Вариофикс». В эту систему входят те же детали, что и в систему «ПЕРИ Варио цугфест» с добавлением специальных накладок (рисунок 2.2).

2.2.3 Для возведения круглых стен применяется система «ПЕРИ РУНДФЛЕКС», позволяющая возводить цилиндрические сооружения диаметром от 2,5 метров до 20 метров и высотой до 8 метров. Опалубка собирается из элементов и приспособлений, приведенных в таблице 2.4.

2.2.4 Система «ПЕРИ ТРИО» - многоцелевая, мелкощитовая опалубка. Каждый щит состоит из металлической рамы, изготовленной из коробчатых закрытых профилей и палубы из специальной фанеры, закрепленной к раме саморезами. Опалубка собирается из щитов, креплений и оснастки в соответствии с рисунком 2.3 и таблицей 2.5.

2.2.5 Система «ПЕРИ ТРИО 330» отличается от системы «ПЕРИ ТРИО» только длиной щитов опалубки, угловых элементов и вставок, равной 330 см. Ширина же щитов и конструкция однотипна. Кроме этого две системы полностью взаимозаменяемы и совместимы друг с другом. Наращивание элементов осуществляется через 30 см.

Рисунок 2.1 - Система «ПЕРИ Варио цугфест» - балочная опалубка для бетонирования стен

Таблица 2.3 - Комплектность опалубки «ПЕРИ Варио Цугфест»

Наименование и краткая характеристика

Масса, кг

Балка фирмы ПЕРИ GT 24

Нормированная длина (см)

 

Допущено стройнадзором ФРГ под № Z-9.1-157

210

12,4

Допустимая QD                 = 14,0 кН*

240

14,2

Допустимый момент М    = 7,0 кНм

270

15,9

Iу                                           = 8000 см4

300

17,7

*QD - допустимая поперечная сила в сжатых распорках

330

19,5

360

21,2

390

23,0

420

24,8

450

26,6

480

28,3

510

30,1

540

31,9

570

33,6

600

35,4

«Сверхдлинная» до 17,80 м

5,9 кг/м

Балка фирмы ПЕРИ VT 20 К

Нормированная длина (м)

 

Допустимая QD                 = 11 кН

2,45

14,5

Допустимый момент М    = 5 кНм

2,90

17,1

Iу                                           = 4290 см4

3,30

19,5

3,60

21,2

3,90

23,0

4,50

26,6

4,90

28,9

5,90

34,8

Балка фирмы ПЕРИ VT 16

Нормированная длина (м)

 

Допустимая QD                 = 8,5 кН

2,45

11,3

Допустимый момент М    = 3,5 кНм

2,90

13,3

Iу                                           = 2420 см4

3,30

15,2

3,60

16,5

3,90

17,9

4,90

22,5

5,90

27,1

Готово смонтированные наращиваемые элементы VF (без обшивки)

 

Элемент VF 250 × 278

333,0

Элемент VF 125 × 278

166,7

Элемент VF 250 × 278 VARIO

227,0

Элемент VF 250 × 125

203,2

Элемент VF 125 × 125

102,3

Элемент VF 125 × 125 VARIO

113,5

Верхний элемент VF 250 × 62

64,3

Верхний элемент VF 125 × 62

32,0

Другие размеры по запросу

 

Оснастка для наращивания

 

Шуруп VF DW 15 × 15

0,4

Трехкрыльная гайка

0,45

«ВАРИО» - сцепка VKZ

VKZ 99

8,9

VKZ 147

13,2

VKZ 211

18,9

Особенная длина

9,0 кг/м

Консоль для лесов GB 80

11,0

Стальной запор SRZ

 

 

Профиль U 100

SRZ 120

26,0

SRZ 245

54,0

Стальной запор «ВАРИО» VSRZ 24

 

 

Профиль U 100

VSRZ 24-120/12

32,0

 

Другие длины, размеры профилей и наличие дополнительных отверстий по запросу

 

Балочный зажим НВ 24-100/120

0,64

Балочная «лапа» НВ

0,86

Шестигранный шуруп для древесины

8 × 60

0,02

8 × 80

0,03

Крановая накладка 24

Несущая способность 700 кг

3,5

«ВАРИО» - сцепка VKZ

VKZ 99

8,9

VKZ 147

13,2

VKZ 211

18,9

Особенная длина

9,0 кг/м

Угловая сцепка EKZ

EKZ 76/76

13,3

EKZ 95/43

11,7

Подвижная сцепка GKZ

GKZ 60/60

12,0

GKZ 76/76

15,0

Затяжной захват SKZ

2,3

Лобовая накладка

2,0

Клин KZ

0,80

Прищемляющая накладка KDP

1,2

Клин К

0,32

Накладка для наращивания 24-2

7,2

Консоль для лесов GB 80

11,0

Балочный наголовник 24

4,5

Рисунок 2.2 - Опалубка системы «ВАРИОФИКС», наращиваемая растром 60 см

Таблица 2.4 - Комплектность опалубки «ПЕРИ Рундфлекс»

Наименование и краткая характеристика

Масса, кг

Готово смонтированные элементы системы «РУНДФЛЕКС»

 

Наружные элементы

 

А 250 × 60

131,3

А 250 × 120

187,0

А 250 × 240

371,0

А 250 × 300

423,5

А 250 × 360

553,0

Внутренние элементы

 

I 240 × 60

124,5

I 240 × 120

182,0

I 240 × 240

360,0

I 240 × 300

407,4

I 240 × 360

538,0

Готово смонтированные полуэлементы системы «РУНДФЛЕКС»

 

Наружные элементы

 

А 128 × 60

77,3

А 128 × 120

106,5

А 128 × 240

210,7

А 128 × 300

241,3

А 128 × 360

314,3

Внутренние элементы

 

I 123 × 60

73,2

I 123 × 120

102,1

I 123 × 240

201,6

I 123 × 300

231,9

I 123 × 360

300,7

Выпрямляющий замок BFD

4,9

Комбинированный ключ с холостым ходом размером 24

1,0

Наладка для наращивания 24-2

7,2

Шпиндель для настройки 210

3,4

Шпиндель для настройки 500

4,4

Распределительный запор

18,6

Болт распределительного запора

1,2

Крановая накладка 24

Несущая способность 700 кг

3,5

Рисунок 2.3 - Система «Пери Трио»

Таблица 2.5 - Комплектность опалубки «ПЕРИ Трио»

Наименование и краткая характеристика

Масса, кг

Элементы «ТРИО»

 

h = 270 см

 

TR 270 × 240

327,8

TR 270 × 120

158,3

TR 270 × 90

110,7

TR 270 × 60

78,8

TR 270 × 30

52,0

TRM 270 × 72

93,6

Элементы «ТРИО»

 

h = 120 см

 

TR 120 × 120

67,5

TR 120 × 90

52,4

TR 120 × 60

39,4

TR 120 × 30

24,5

TRM 120 × 72

51,5

Углы «ТРИО»

 

ТЕ 270-2

69,8

ТЕ 120-2

32,6

Подвижные углы

 

TGE 270

91,6

TGE 120

42,2

Дистанционный элемент

 

ТА 270/15

13,4

ТА 120/15

6,1

Дистанционный элемент для угла

 

WDA 270/5

21,9

WDA 270/6

23,3

WDA 120/5

10,3

WDA 120/6

10,8

Дистанционная вставка «ТРИО»

 

LA 270 × 36

48,9

LA 120 × 36

24,3

Выравнивающий запор TAR 85

12,5

Выпрямляющий замок «ТРИО» BFD

4,9

Лобовой тяж «ТРИО» TS

1,2

Консоль навесных лесов «ТРИО»

 

TRG 80

12,5

TRG 120

16,9

Зажимная головка 2 системы «ТРИО»

2,5

Крановый крюк «ТРИО»

Несущая способность = 1,5 т

7,0

Накладка для фундаментов

4,8

Подвеска для тяжей АН 2

2,0

2.2.6 Система «ПЕРИ ТРИО-Л» - алюминиевая легкая рамная опалубка для бескранового ведения опалубочных работ. Каркас рам щитов изготовлен из алюминиевых коробчатых закрытых профилей, палуба выполнена из специальной фанеры. Щиты опалубки по своим размерам аналогичны щитам системы «ПЕРИ ТРИО». Обе системы полностью совместимы друг с другом. Номенклатура щитов и угловых элементов приведена в таблице 2.6.

2.2.7 Система «ПЕРИ ACS-50» - самоподъемная опалубка для стен. Применяется при возведении монолитных железобетонных стен в стесненных условиях при отсутствии подъемного крана. Опалубку собирают на строительной площадке из элементов, изготовленных на заводе. Основным элементом самоподъемной опалубки является консоль СВ 240. Щиты опалубки крепятся к консолям через подвижную тележку на специальных стойках с подкосами. Подъем опалубки осуществляют с помощью гидравлических домкратов со скоростью 0,5 метра в минуту. Подъем опалубки состоит из трех фаз (рисунок 2.4). После набора бетоном стены достаточной прочности осуществляют распалубку, отодвигая щиты от бетонной поверхности. Затем монтируют стенной башмак, выдвигают подъемную шину и закрепляют ее на заранее установленном башмаке. После этого поднимают на шине опалубку и устанавливают ее в проектное положение. Максимальный шаг подъема опалубки - 5,4 метра.

2.2.8 Система «ПЕРИ-ВАРИО» - опалубка для колонн. Опалубка состоит из специальных стальных запоров, соединяемых тяжами и удерживающих деревянные балки с палубой. Палуба и балки изготавливают серийно для системы «Варио цугфест». Опалубка дает возможность возводить монолитные железобетонные колонны сечением от 20 × 20 см до 120 × 80 см с любым промежуточным сечением и высотой 6 метров без наращивания опалубки и 20 метров при наращивании (рисунок 2.5, таблицы 2.7 и 2.8).

Таблица 2.6 - Комплектность опалубки «ПЕРИ Трио-Л»

Наименование и краткая характеристика

Масса, кг

Элементы «ТРИО-Л», Н = 270 см

 

 TRA 270 × 90

63,5

ТАМ 270 × 72

57,0

ƒ TRA 270 × 60

44,2

TRA 270 × 30

28,6

 

Элементы «ТРИО-Л», Н = 90 см

 

 TRA 90 × 120

29,4

ТАМ 90 × 72

21,5

ƒ TRA 90 × 60

16,9

TRA 90 × 30

10,3

 

Углы "ТРИО-Л", для всех внутренних углов, флексибельны для распалубки

 

ТАЕ 270

42,8

ТАЕ 90

15,2

Оснастку см. у стальной «ТРИО»

 

Рисунок 2.4 - Последовательность тактов подъема опалубки «Пери ACS-50»

Рисунок 2.5 - Бесступенчато изменяемая опалубка для колонн «ВАРИО»

      Поперечное сечение максимально до 120 × 80 см

      Допустимое давление свежего бетона 100 кН/м2

Таблица 2.7 - Техническая информация опалубки «ПЕРИ-Варио»

Продукт

Стена опалубки «ВАРИО»

Пример применения

Колонная опалубка с GT 24

h

А

B

С

D

Е

2,70

46

148

 

 

 

3,00

46

148

 

 

 

3,30

46

118

118

 

 

3,60

46

118

148

 

 

3,90

46

118

148

 

 

4,20

46

118

178

 

 

4,50

46

118

178

 

 

4,80

31

89

118

148

 

5,10

31

89

118

178

 

5,40

31

89

89

118

148

5,70

31

89

89

118

148

6,00

31

89

89

118

178

Допустимое давление свежеуложенного бетона 100 кН/м2

                                     

Ширина колонны

20

30

40

50

60

70

76

80

90

100

110

120

Количество балок

2

2

3

3

4

4

4

4

5

5

5

6

Стальной запор для колонн SSRZ 24-97/85, Арт №: 012150

Для сечений колонн от 24 × 24 см до 48×60 см.

Стальной запор для колонн SSRZ 24-113/101, Арт №: 012160

Для сечений колонн от 40 × 40 см до 64×76 см.

Стальной запор для колонн SGRZ 181, Арт №: 012060

Стальной запор для колонн ВАРИО SVRZ 120, Арт №: 012050

Для сечений колонн от 20 × 20 см до 120 × 80 см.

Рекомендация:

Чтобы избежать утечки воды и расслоение бетона, на углах рекомендуется создать предварительное напряжение не только затягиванием тяжей гайками, но и забивкой клиньев KZ в захваты SKZ.

Таблица 2.8 - Комплектность опалубки «ПЕРИ-Варио»

Наименование и краткая характеристика

Масса, кг

Наименование и краткая характеристика

Масса, кг

Стальной запор для колонн SSRZ 24

Профиль U 100

SSRZ 24-97/85

Для сечений колонн от 24 × 24 см до 48 × 60 см

37,4

Запор для колонн «ВАРИО» SVRZ 120

Профиль U 120, L = 120 см

32,8

SSRZ 24-113/101

Для сечений колонн от 40 × 40 см до 64 × 76 см

6,2

Затяжной захват SKZ

2,3

Основной запор для колонн SGRZ 181

Профиль U 120, L = 181 см

49,0

Клин KZ

0,80

2.2.9 Система «ПЕРИ СКАЙДЕК» - алюминиевая опалубка для перекрытий (рисунок 2.6).

Панель опалубки изготовлена из алюминиевой рамы с порошковым покрытием. Обшивка рамы из материала «Финпли» толщиной 9 мм.

В комплект опалубки входят также продольные и поперечные балки, опорные элементы и поддерживающие стойки (таблицы 2.9 и 2.10). Возможно устройство палубы без использования панелей, применяя в качестве настила доски или фанеру, закрепляемую к поперечным балкам гвоздями.

Максимальная масса одного элемента - 15 кг, максимальная масса стойки - 25 кг. Применяя эту опалубку, возможно изготовление железобетонного перекрытия толщиной до 80 см.

Несущая способность поддерживающих стоек в зависимости от их типа составляет 20 или 30 кН. Стойки устанавливают не реже, чем одна стойка на 3 м2 перекрытия.

Рисунок 2.6 - Опалубка системы «Пери Скайдек»

Таблица 2.9 - Комплектность опалубки «ПЕРИ Скайдек»

Наименование и краткая характеристика

Масса, кг

Наименование и краткая характеристика

Масса, кг

Панель SDP, алюминиевая

Порошковое покрытие, Обшивка «Финпли» 9 мм по контуру закрытые края

SDP 150 × 75 (1,13 м2)

14,8

Краевая балка SRT, древесина

Для подгонки вдоль и поперек и около колонн

SRT 150

SRT 75

3,6

1,7

Дистанционные панели

 

Планка SAL, пластмасса

Для системы с «падающей» головкой

SAL 150

SAL 75

1,3

0,7

SDP 150 × 37,5 (0,56 м2)

9,4

SDP 75 × 75 (0,56 м2)

9,0

SDP 75 × 37,5 (0,28 м2)

5,0

Продольная балка SLT, алюминиевая

Порошковое покрытие с зубчатой рейкой из ударостойкой пластмассы

SLT 225

15,0

Жесткая головка SSK

Порошковое покрытие

С быстро заклинивающейся щеколдой, поддерживает панели, продольные, поперечные и краевые балки

3,9

Для столов и консолей

SLT 375

26,2

«Падающая» головка SFK

Порошковое покрытие с быстро заклинивающейся щеколдой, поддерживает продольные балки, а также планки или обшивку. Длина спуска 55 мм

5,9

Поперечная балка SQT, алюминиевая

Порошковое покрытие, с деревянной рейкой для забивки гвоздей

Для мест подгонки опалубки около колонн и применения в решетчатой системе

SQT 150

5,7

SQT 75

2,7

Лобовая подставка SSL

Порошковое покрытие

2,1

Таблица 2.10 - Номенклатура поддерживающих стоек опалубки «ПЕРИ Скайдек»

Наименование и краткая характеристика

Масса, кг

Наименование и краткая характеристика

Масса, кг

РЕР 20

PEP 20/260

13,4

PEP 30

PEP 30/260

17,30

PEP 20/300

15,9

PEP 30/300

19,88

PEP 20/350

19,0

PEP 30/350

24,30

PEP 20/410

23,4

 

 

 

 

 

 

Базисная плита

Головная плита

 

Базисная плита

Головная плита

 

2.3 Опалубочные системы фирмы «Мева» (Германия)

2.3.1 Универсальная, модульная опалубка для изготовления бетонных и железобетонных конструкций различного назначения. Для возведения стен предназначены 4 системы опалубки: «Алу Стар», «Стар Тек», «Маммут» и «ЭкоАС». Для возведения колонн - системы «Каро А», «Каро С» и «Цирко». Для устройства перекрытий и покрытий предназначена система «Мева Дек».

Все системы опалубки стен имеют следующий набор элементов:

- щиты;

- угловые элементы;

- доборы;

- опалубочные замки «Мева»;

- направляющие опоры;

- консоли для подмостей;

- подкосы;

- фланцевые болты;

- специальные гайки с резьбой.

Щиты опалубки - рамной конструкции. Рамы изготовлены из закрытого стального или алюминиевого коробчатого профиля с выгнутым гофром. Палуба щита выполнена из бакелитовой финской фанеры, закрепляемой к раме самонарезающимися винтами. Соединение щитов осуществляется опалубочными клиновыми замками «Мева». Опалубка колонн прямоугольного сечения предусматривает использование тех же щитов, что и в опалубке стен, а для изготовления колонн цилиндрических применяют специальную опалубку.

В комплект опалубки перекрытий входят специальные щиты, главные и вспомогательные балки, опорные головки, падающие головки и поддерживающие телескопические штанги.

2.3.2 Система «Алу Стар» - опалубка с алюминиевыми рамами, предназначенная для возведения небольших фундаментов и стен в коттеджном строительстве, а также при реконструкционных и ремонтных работах без использования подъемных кранов.

Щиты опалубки имеют следующие размеры:

- высота, см - 90, 135, 270;

- ширина, см - 24, 25, 30, 40, 45, 49, 50, 55, 75, 90.

Щиты можно устанавливать как в вертикальном, так и в горизонтальном положении.

Наибольший размер щита 270 × 90 см, масса - 52 кг.

Система «Алу Стар» полностью совместима с системой «Стар Тек» и выдерживает нагрузку от давления свежеуложенного бетона, равную 60 кН/м2.

2.3.3 Система «Стар Тек» - опалубка с высокопрочными стальными рамами, предназначенная для возведения фундаментов и стен из монолитного бетона и железобетона в жилищном, коммунальном и промышленном строительстве. Собирается опалубка как вручную, так и с применением подъемных кранов (рисунок 2.7).

Щиты опалубки имеют следующие размеры:

- высота, см - 90, 135, 270;

- ширина, см - 24, 25, 30, 40, 45, 49, 50, 55, 75, 90, 135, 240.

Установку щитов опалубки осуществляют как в вертикальном, так и в горизонтальном положении.

Наибольший размер щита 270 × 240 см, масса - 182 кг.

Система «Стар Тек» полностью совместима с системой «Алу Стар». Выдерживает нагрузку от давления свежеуложенного бетона, равную 70 кН/м2.

Рисунок 2.7 - Опалубка системы «Стар Тек»

2.3.4 Система «Маммут» - крупнощитовая опалубка со стальными рамами для возведения железобетонных стен зданий и сооружений в жилищном, инженерном и промышленном строительстве. Опалубку собирают в укрупненные панели на специальной площадке и устанавливают в проектное положение с применением подъемных кранов (рисунок 2.8).

Щиты опалубки имеют следующие размеры:

- высота, см - 300, 250, 125 см;

- ширина, см - 25, 30, 40, 45, 50, 55, 60, 75, 100, 125, 250.

Наибольший размер щита 300 × 250 см, масса - 300 кг.

Сборку крупногабаритных панелей осуществляют из щитов, располагая их вертикально, горизонтально или комбинированно.

Опалубка выдерживает нагрузку от давления свежеуложенного бетона, равную 97 кН/м2.

Рисунок 2.8 - Опалубка системы «Маммут»

2.3.5 Система «Эко Ас» - мелкощитовая опалубка со стальными рамами для возведения железобетонных конструкций небольших объемов. Опалубку устанавливают вручную (рисунок 2.9).

Щиты опалубки имеют следующие размеры:

240 × 80 см, 240 × 50 см, 240 × 40 см;

120 × 80 см, 120 × 50 см, 120 × 40 см, 120 × 30 см, 120 × 25 см;

80 × 160 см, 80 × 40 см.

Наибольший размер щита 240 × 80 см, масса - 60 кг.

Опалубка выдерживает нагрузку от свежеуложенного бетона, равную 60 кН/м2.

Рисунок 2.9 - Опалубка системы «Эко Ас»

2.3.6 Система «Каро А» и «Каро С» - алюминиевая и стальная опалубка для возведения прямоугольных в плане колонн. Каждая опалубка состоит из 4-х элементов, которые крепятся по принципу ветряной мельницы. Крепление элементов между собой осуществляется натяжными болтами в углах рам. Элементы поставляются с планками для крепления и без палубы.

Высота элементов:

для системы «Каро А» - 225 см, 125 см и 75 см;

для системы «Каро С» - 250 см, 125 см и 75 см.

Сечение колонн в обоих случаях может меняться в пределах от 15 × 15 см до 60 × 60 см.

Элементы системы «Каро А» устанавливают без применения подъемного крана.

Опалубка системы «Каро А» выдерживает нагрузку от свежеуложенного бетона, равную 110 кН/м2.

Опалубка системы «Каро С» выдерживает нагрузку от свежеуложенного бетона, равную 140 кН/м2.

Применяя эту опалубку, можно изготавливать колонны высотой до 7,5 метров.

2.3.7 Система «Цирко» - опалубка для возведения цилиндрических колонн диаметром от 25 до 80 см. Высота элементов опалубки равна 300 см, 100 см и 50 см. Опалубка легко наращивается и выдерживает нагрузку от свежеуложенного бетона, равную 120 кН/м2.

2.3.8 Система «Мева Дек» - опалубка перекрытий, предназначена для изготовления монолитных железобетонных перекрытий толщиной до 50 см (таблица 2.11 и рисунок 2.10). Набор элементов опалубки, в зависимости от наиболее рационального применения, дает возможность собирать опалубку четырьмя различными методами:

1-ый метод. Установка опор «Мева»; установка на опоры щитов опалубки заводского изготовления.

2-ой метод. Установка опор «Мева»; укладка главных балок на опоры; укладка щитов опалубки заводского изготовления между главными балками.

3-ий метод. Установка опор «Мева»; укладка главных балок на опоры; укладка вспомогательных балок на одном уровне с главными; укладка любого опалубочного настила.

4-ый метод. Установка опор «Мева»; укладка главных балок на опоры; укладка деревянных или каких-либо других балок поперек на главные балки; укладка любого опалубочного настила.

Таблица 2.11 - Комплектность опалубки «Мева Дек»

Описание

м2

Масса, кг

MD-падающая головка

0,01

7

MD-опорная головка

 

3

MD-элемент 160/80

1,28

24

MD-элемент 160/60

0,96

20

MD-элемент 160/40

0,64

16

MD-элемент 80/80

0,64

14

МD-элемент 80/40

0,32

9

MD-главная балка 210

0,21

19

MD-главная балка 160

0,16

15

MD-вспомогательная балка 160

 

9

МD-вспомогательная балка 80

 

4

Рисунок 2.10 - Схема наращивания опалубки «Мева Дек»

2.4 Опалубка фирмы «Далли» (Германия)

2.4.1 Опалубка фирмы «Далли» предназначена для возведения любых конструкций из монолитного бетона и железобетона (рисунки 2.11 и 2.12).

Опалубка представляет собой отдельные щиты различных размеров, которые изготовлены из 5-и слойной фанеры с упрочненной двухсторонней облицовкой, толщиной - 21 мм, закрепленной на металлических рамах из легированной стали. Соединение рам щитов осуществляется с помощью «Далли - болтового зажима», точно соединяющего и центрирующего смежные щиты. Опалубку собирают как вручную, так и с применением крана.

Щиты опалубки могут быть совмещены друг с другом, как вертикально, так и горизонтально.

Размеры щитов:

- ширина, см - 20, 24, 30, 40, 44, 50, 60, 64, 70, 75, 88;

- высота, см - 44, 88, 132, 150, 175, 225, 250, 264.

Максимальная масса щита размером 264 × 88 см составляет 78 кг.

В комплект опалубки входят также доборы шириной от 1 до 20 см из стального листа и деревянные, угловые элементы, жесткие и изменяемые стяжные штыри, крыльчатые гайки, болтовые зажимы, продольные направляющие, опоры-держатели для телескопической штанги.

Дополнительно для опалубки перекрытий применяют двутавровые деревянные балки и вертикальные стойки.

2.4.2 Стеновая опалубка дает возможность возводить стены высотой до 264 см без наращивания щитов. При высоте стен более 264 см опалубку наращивают до необходимой высоты. На каждый щит высотой 264 см и шириной до 88 см требуется всего лишь два стяжных штыря. Для стен любой толщины требуется только один типоразмер элементов: наружный угол сечением 9 × 9 см и высотой, равной высоте щита, и внутренний угол - 20 × 20 см и высотой, равной высоте щита. С помощью доборов (стальные или деревянные вкладыши между ребрами щитов) достигается плавное удлинение опалубливаемой поверхности до 45 см.

Наращивание опалубки по высоте и соединение смежных щитов осуществляется с помощью болтовых зажимов.

Опалубку круговых стен собирают из тех же щитов, что и прямых, применяя добавочно специальные стальные вкладыши. Минимальный диаметр кругового сооружения - 2 метра.

2.4.3 Опалубка для колонн используется для возведения железобетонных колонн, в зависимости от сечения, собирают из набора стандартных щитов, применяемых для стеновой опалубки. Используя эти щиты, можно возводить колонны сечением от 10 × 10 см до 80 × 80 см. Наращивание опалубки по высоте осуществляют с помощью болтовых зажимов.

Соединение щитов опалубки между собой предусмотрено с использованием наружных угловых элементов.

В системе «Далли-опалубки» имеются специальные Г-образные элементы для крепления щитов при сборке опалубки колонн. Элементы закрепляются друг к другу с внешней стороны щитов стяжными штырями с крыльчатыми гайками.

2.4.4 Опалубка перекрытий представляет собой те же, что и для стен, щиты, с помощью которых устраивают палубу для монолитных железобетонных перекрытий. Щиты укладывают на деревянные двутавровые балки, которые в свою очередь опираются на поддерживающие стойки. Отверстия в щитах закрывают пластмассовыми пробками.

Рисунок 2.11 - Варианты использования опалубки «Далли»

Рисунок 2.12 - Схемы установки опалубки «Далли»

2.5 Опалубочные системы фирмы «Doka» (Германия)

2.5.1 Рамная опалубка системы «Фрамакс» имеет элементы в пяти разных ширинах и трех разных высотах, а также один крупный элемент размером 2,7 × 2,4 м.

Соединение элементов осуществляется универсальным или быстродействующим зажимным приспособлением RU. Благодаря желобу, находящемуся вокруг внешнего рамного профиля, элементы опалубки можно соединить на любом месте.

Благодаря интегрированной системе ригелей особенно легко прикрепить комплектующие детали. Обшивка опалубки прикреплена сзади. Рамы крепкие, горячеоцинкованные с порошкообразным покрытием.

На высоту элемента 2,7 м необходимо только два анкера. Анкерная втулка - коническая, поэтому элементы могут иметь наклонное положение. Анкер состоит из анкерного стержня и суперплиты 15,0.

Сетка габаритных размеров элементов опалубки дает возможность подгонки к самым различным конструкциям в плане. Опалубки любой высоты стен и любой толщины (от 10 до 45 см) стен (таблица 2.12). Элементы могут быть комбинированы в стоячем и лежачем положении.

При помощи «Фрамакс» можно создать крупнопанельную опалубку с использованием крана.

При помощи «Фрамакс» можно найти решения для острых и тупых углов, применяя для этого шарнирные угловые части.

При помощи дугообразных листов и рамных элементов можно опалубить полигонным способом стены, начиная с радиуса 1,8 м.

2.5.2 Система «Алю-Фрамакс» - алюминиевая рамная опалубка для ручного монтажа. Она может быть комбинирована со стальной рамной опалубкой «Фрамакс». При помощи «Фрамакс» можно создать крупнопанельную опалубку с использованием крана, а при помощи «Алю-Фрамакс» можно продолжить опалубочные работы вручную.

Таблица 2.12 - Комплектность опалубки «Дока»

Наименование элемента

Размер, м

Масса, кг

Рамные элементы типа Фрамакс 2,7 м

с оцинковкой и порошкообразным покрытием

 

 

Допускающие большую нагрузку, симметричные элементы с горячеоцинкованной стальной рамой с порошкообразным покрытием. Высококачественная обшивка палубы плитой Фрамакс толщиной 21 мм с пленочным покрытием, прикрепленная сзади винтами; интегрированная система ригелей, находящийся вокруг рамы желоб для монтажа быстродействующего зажимного приспособления RU

0,3 × 2,7

60,0

0,45 × 2,7

74,0

0,60 × 2,7

88,5

0,90 × 2,7

116,8

1,35 × 2,7

201,2

Рамные элементы типа Фрамакс 1,35 м

с оцинковкой и порошкообразным покрытием

 

 

Допускающие большую нагрузку элементы для надстраивания и для опалубки фундаментов. Имеют ту же конструкцию, что и рамные элементы 2,70 м

0,30 × 1,35

31,1

0,45 × 1,35

39,3

0,60 × 1,35

47,1

0,90 × 1,35

64,8

1,35 × 1,35

101,5

Рамный элемент типа Фрамакс 2,40 × 2,70 м

с оцинковкой

2,40 × 2,70

379,0

Допускающий большую нагрузку, симметричный крупный элемент с горячеоцинкованной стальной рамой. Высококачественная обшивка палубы плитой Фрамакс толщиной 21 мм с пленочным покрытием, прикрепленная сзади винтами; интегрированная система ригелей, находящийся вокруг внутренней стороны рамы желоб для монтажа быстродействующего зажимного приспособления RU.

Ширина элемента 2,40 м обеспечивает простую перевозку грузовым автомобилем. Находящиеся внутри анкера позволяют применение опалубки как в горизонтальном положении (высота опалубки 2,40 м), так и в вертикальном положении (высота опалубки 2,70 м).

Рамный элемент типа Фрамакс 3,30 м

с оцинковкой и порошкообразным покрытием

 

 

Допускающие большую нагрузку элементы с горячеоцинкованной стальной рамой с порошкообразным покрытием. Высококачественная обшивка палубы плитой Фрамакс толщиной 21 мм с пленочным покрытием, прикрепленная сзади винтами; интегрированная система ригелей, находящийся вокруг внутренней стороны рамы желоб для монтажа быстродействующего зажимного приспособления RU. Опалубка стен до высоты 3,30 м без надстраивания. Только два анкера до высоты бетонирования 3,15 м.

0,30 × 330

76,9

0,45 × 3,30

95,4

0,60 × 3,30

112,8

0,90 × 3,30

156,0

1,35 × 3,30

251,5

Универсальный элемент типа Фрамакс 0,90 × 2,70 м

с оцинковкой и порошкообразным покрытием

0,90 × 2,70

141,0

Универсально применяемый элемент. Отверстия со специальными шаговыми расстояниями позволяют образование углов для стен толщиной от 10 см до 45 см.

Может быть использован также для опалубки опор.

Для углового соединения двух элементов необходимы 4 универсальных соединителя типа Фрамакс и суперплита 15,0.

Универсальный элемент типа Фрамакс 0,90 × 1,35 м

с оцинковкой и порошкообразным покрытием

0,90 × 1,35

76,2

Элемент для надстраивания и для опалубки фундаментов.

Имеет ту же конструкцию и функцию, что и универсальный элемент 2,70 м.

Универсальный элемент типа Фрамакс 0,90 × 0,90 м

с оцинковкой и порошкообразным покрытием

0,90 × 0,90

60,5

Элемент для надстраивания и опалубки фундаментов. Имеет те же самые конструкцию и функцию, что и универсальный элемент 2,70 м. В случае одновременного использования универсального элемента 0,90 × 0,90 м и универсальных элементов 0,90 × 2,70 и 0,90 × 1,35 м можно достичь высотных шагов в 45 см.

Универсальный элемент типа Фрамакс 0,90 × 3,30 м

с оцинковкой и порошкообразным покрытием

0,90 × 3,30

179,5

Универсально применяемый элемент. Отверстия в специальных шаговых расстояниях позволяют образование углов для стен толщиной от 10 до 45 см.

Может быть использован также для опалубки опор.

Для углового соединения двух элементов необходимо 5 универсальных соединителей типа Фрамакс и суперплита 15,0.

Внутренняя угловая часть типа Фрамакс 2,70 м

с оцинковкой и порошкообразным покрытием

2,70

91,2

Стабильный угловой элемент для образования точных внутренних углов 90°

Внутренняя угловая часть типа Фрамакс 1,35 м

с оцинковкой и порошкообразным покрытием

1,35

49,7

Угловой элемент для надстраивания и для опалубки фундаментов. Имеет ту же конструкцию, что и внутренняя угловая часть 2,70 м.

Внутренняя угловая часть типа Фрамакс 3,30 м

с оцинковкой и порошкообразным покрытием

3,30

115,5

Стабильный угловой элемент для образования точных внутренних углов 90°

Внешняя угловая часть типа Фрамакс 2,70 м

с оцинковкой и порошкообразным покрытием

2,70

47,0

Прочное при растяжении внешнеугловое соединение рамных элементов. Соединителем служит быстродействующее зажимное приспособление RU (по 4 штуки на каждой стороне) или конический болт RA 7,5 с натяжным клином R.

Внешняя угловая часть типа Фрамакс 1,35 м

с оцинковкой и порошкообразным покрытием

1,35

23,5

Внешняя угловая часть для надстраивания и опалубки фундаментов. Имеет ту же самую конструкцию, что и внешняя угловая часть 2,70 м.

Шарнирная угловая часть I типа Фрамакс 2,70 м

с порошкообразным покрытием

2,70

102,3

Подвижная внутренняя угловая часть для образования углов от 60° до 270°.

При помощи универсального соединителя типа Фрамакс и суперплиты 15,0 шарнирную угловую часть можно установить на угол 90°.

Шарнирная угловая часть I типа Фрамакс 1,35 м

с порошкообразным покрытием

1,35

55,4

Шарнирная угловая часть для надстраивания и для опалубки фундаментов. Имеет ту же самую конструкцию, что и шарнирная угловая часть I размером 2,70 м.

Шарнирная угловая часть А типа Фрамакс 2,70 м

с порошкообразным покрытием

2,70

52,8

Подвижная внешняя угловая часть для образования углов от 60° до 135°.

Шарнирная угловая часть А типа Фрамакс 1,35 м

с порошкообразным покрытием

1,35

27,4

Подвижная внешняя угловая часть для надстраивания и для опалубки фундаментов.

Имеет ту же конструкцию, что и шарнирная угловая часть А размером 2,70 м.

Компенсационный лист типа Фрамакс R 30/2,70 м

с порошкообразным покрытием

R 30/2,70

43,0

Компенсационный лист R 30/2,70 м перекрывает возможные промежутки между рамными элементами 2,70 м для прямых стен или при угловых решениях.

Перекрываемое расстояние между элементами может составить от 4 до 30 см.

Компенсационный лист типа Фрамакс R 30/1,35 м

с порошкообразным покрытием

R 30/1,35

21,4

Имеет ту же самую конструкцию как компенсационный лист R 30/2,70 м. Используется для пригонки на высоте 1,35 м.

Компенсационный лист типа Фрамакс R 30/0,90 м

R 30/0,90

14,4

Имеет ту же самую конструкцию, что и компенсационный лист R 30/2,70 м. Используется для пригонки на высоте 0,9 м.

 

 

Распалубочный элемент типа Фрамакс 2,70 м

2,70

130,3

Специальный элемент для простой распалубки внутри шахт. Элемент делает возможным перемещение целой опалубки шахты в одной операции. Для облегчения процесса распалубки необходима стандартная строительная лебедка.

Быстродействующее зажимное приспособление RU типа Фрамакс

с оцинковкой

 

2,8

Используется для соединения рамных элементов. Можно ввести в находящийся вокруг внутренней стороны рамы желоб и прикрепить в любом месте.

Клин защищен от выпадения.

Пригоняемое зажимное приспособление типа Фрамакс

с оцинковкой

 

5,3

При помощи пригоняемого зажимного приспособления можно перекрыть промежутки между рамными элементами ширины до 20 см.

Прикрепление возможно на любом месте профильной рамы.

Указание по безопасности:

Нельзя сваривать или нагревать анкерные стержни - в противном случае опасность разрушения!

Универсальное зажимное приспособление типа Фрамакс

с оцинковкой

 

5,2

Универсальный соединитель для:

- соединения элементов

- соединения при надстраивании

- компенсирующего соединения (бесступенчатое перекрытие промежутков до 15 см)

- прикрепление брусьев (например, в случае опалубки лобовых сторон)

- угловых соединений фундамента

Вследствие прилегания к профильным траверсам рамные элементы оптимально усиливаются и устанавливаются горизонтально, вертикально.

Универсальный соединитель типа Фрамакс

с оцинковкой

10-16 см

0,6

Соединитель для различных задач. Служит для соединения элементов (возможно перекрытие промежутков до 6 см), для соединения универсальных элементов в углах и для прикрепления зажимных шин.

Указание:

Для каждого универсального соединителя необходима соответствующая анкерная гайка 15,0 (например, звездообразная гайка 15,0 или суперплита 15,0).

Универсальный соединитель типа Фрамакс

10-25 см

0,8

Имеет ту же конструкцию, что и универсальный соединитель типа Фрамакс 10-16 см (возможно перекрытие промежутков до 15 см). Для прикрепления зажимной шины и деталей максимальной высотой до 25 см (например, в случае уступов в стенах).

Суперплита 15,0

с оцинковкой

 

 

0,9

Барашковая гайка с нетеряемой опорной плитой.

Применение возможно даже для наклонных стен, благодаря пригонке до угла 4°. Легкое отвинчивание из-за наличия рогов у гайки. Прилегание к стали в случае внутреннего расстояния поясных профильных элементов (например, зажимных шин) в 5 см.

Единица упаковки: 20 штук

Звездообразная гайка 15,0

с оцинковкой

 

0,47

Для использования вместе с универсальными соединителями типа Фрамакс.

Раствор ключа: 27 мм

Единица упаковки: 40 штук

Зажимная шина типа Фрамакс 1,50 м

 

1,50

16,8

Для перекрытия промежутков между рамными элементами или для пригнанной опалубки. Может быть прикреплена к элементам в любом положении. Служит также для усиления крупнопанельных блоков элементов при перемещении краном. Если строповка производится на зажимной шине, то следует дополнительно привинтить предохранительный уголок для восприятия растягивающих усилий.

Максимально допускаемая растягивающая нагрузка зажимной шины с предохранительным уголком - 10 кН.

Зажимная шина типа Фрамакс 0,90 м

0,90

10,3

Имеет ту же конструкцию, что и зажимная шина типа Фрамакс 1,50 м

Угловая зажимная шина типа Фрамакс

 

12,8

Применяется в случае, если на обеих сторонах внутреннего угла необходимо перекрытие промежутков. Кроме того, можно применить шину для образования специальных форм внутренних углов.

Зажимная клемма типа Фрамакс

с оцинковкой

 

1,6

Зажимная клемма соединяет зажимную шину с рамным элементом. Клин связан с болтом таким образом, что его нельзя потерять.

Диапазон зажима: 10 см.

Рихтующая стойка RN типа Фрамакс

 

32,0

При помощи рихтующей стойки RN рамные элементы надежно подпираются и точно рихтуются. Для опалубки высотой примерно до 4,0 м. Главную стойку RN можно заказать отдельно.

Данные о допускаемых для рихтующих стоек RN нагрузках

Допускаемая растягивающая нагрузка = 15 кН

Допускаемая сжимающая нагрузка в направлении оси

27 кН

25 кН

22 кН

19 кН

16 кН

14 кН

11 кН

8 кН

1,80 м

2,00 м

2,20 м

2,40 м

2,60 м

2,80 м

3,00 м

3,20 м

Длина выдвижной стойки

Рихтующая стойка RG типа Фрамакс

с оцинковкой

 

57,0

При помощи рихтующей стойки RG рамные элементы надежно подпираются и точно рихтуются. Для опалубки высотой примерно до 6,0 м. Главную стойку RG можно заказать отдельно.

Данные о допускаемых для рихтующих стоек RG нагрузках

Допускаемая растягивающая нагрузка = 30 кН

Допускаемая сжимающая нагрузка в направлении оси

20 кН

29 кН

27 кН

25 кН

23 кН

21 кН

19 кН

17 кН

15 кН

13 кН

11 кН

9 кН

7 кН

3,30 м

3,40 м

3,60 м

3,80 м

4,00 м

4,20 м

4,40 м

4,60 м

4,80 м

5,00 м

5,20 м

5,40 м

5,60 м

Длина выдвижной стойки

Рихтующий раскос BKS

Винтовой раскос из стальных труб для подпирания и рихтовки опалубочных элементов и опорных опалубок максимальной высоты до 15,0 м

Рихтующий раскос состоит из:

- винтового элемента с опорной шарнирной плитой;

- промежуточных деталей (количество и тип см. в таблице);

- винтового элемента без опорной шарнирной плиты.

Верхнее прикрепление к элементам производится в зависимости от типа опалубочного элемента или соединителем GF или соединителем типа Фрамакс

Основное правило:

Длина рихтующего раскоса отвечает высоте подпираемых элементов.

Тип

Длина, м

Допускаемая осевая сжимающая нагрузка, кН, при длине

Винтовой элемент с опорной шарнирной плитой

Промежуточная деталь

Винтовой элемент без опорной шарнирной плиты

Винт с шестигранной головкой

М 16 × 60 8,8

MuМ16 8

пружинное кольцо

Масса, кг

мин.

пол.

макс.

Короткая

2,40

Длинная

3,70

1

6,0-7,4

40,0

40,0

27,8

1

-

1

1

8

123,7

2

7,1-8,5

40,0

38,2

24,3

1

2

-

1

12

151,4

3

8,4-9,8

40,0

35,6

21,7

1

1

1

1

12

173,7

4

9,7-11,1

40,0

31,7

19,0

1

-

2

1

12

196,0

5

10,8-12,2

40,0

27,8

16,1

1

2

1

1

16

223,8

6

11,9-13,3

34,2

24,1

13,4

1

1

2

1

16

246,1

7

13,2-14,6

27,1

21,5

12,2

1

3

1

1

20

273,8

8

14,5-15,9

20,8

17,5

9,5

1

2

2

1

20

296,1

 

Допускаемая растягивающая нагрузка = 40 кН

 

Входят в объем поставки

 

Гаечный ключ для винтового раскоса BKS

 

3,7

Для удобного закручивания гаек винтовых элементов рихтующих раскосов

Соединитель типа Фрамакс

с оцинковкой

 

2,1

Для верхнего прикрепления рихтующих раскосов BKS к рамным элементам

Держатель для защитных перил

с оцинковкой

 

9,0

Для создания безопасных условий производства работ. Может быть прикреплен к подмостям, опалубкам перекрытий и стен, и бетонным перекрытиям.

Диапазон прикрепления (толщина) от 2 до 45 см

Подмости для бетонирования типа Фрамакс 1,25/2,70 м

оцинкованные стальные детали

импрегнированные деревянные детали

1,25/2,70

117,0

Предварительно смонтированные, складные подмости для бетонирования, для рамной опалубки

Длина подмостей: 2,70 м

Ширина подмостей: 1,25 м.

Допускаемая нагрузка: 150 кг/м2

Консоль типа Фрамакс 90

с оцинковкой

 

12,5

Универсальная консоль для образования рабочих подмостей шириной 90 см. Настил может быть прикреплен винтами с полукруглой головкой и квадратным подголовком М 10 × 120 (не входят в объем поставки)

Следует предохранить консоль от поднятия. На погонный метр подмостей необходимо 1,5 м2 доски настила.

Максимальная допускаемая нагрузка консолей составляет 200 кг/м2 при максимальной ширине воздействия 1,5 м.

Четырехцепной строп 3,20 м

с оцинковкой

3,20

21,5

При помощи четырехцепного стропа можно откинуть и переместить подмости для бетонирования типа Фрамакс и складные подмости.

Грузоподъемность:

при угле наклона до 45° - 4,25 т.

Четырехканатный строп типа Фрамакс 3,0 м

с оцинковкой

3,0

12,5

Четырехканатный строп для перемещения отдельных элементов и целых штабелей.

Указание по безопасности:

Строго запрещается перемещение штабелей элементов без применения двусторонних конусов типа Фрамакс.

Допускаемая грузоподъемность: 16 кН.

Опорная плита типа Фрамакс 6/15

с оцинковкой

 

0,8

Опорная плита для шестигранной гайки 15,0, например, для нижних анкеров в лежачих элементах.

Двухсторонний конус типа Фрамакс

 

0,02

Двухсторонние конусы ставят в анкерные втулки элементов. Они предотвращают сползание элементов при перемещении четырехканатным стропом 3,0 м типа Фрамакс.

Указание по безопасности:

Строго запрещается перемещение штабелей элементов без применения двусторонних конусов (по две штуки на элемент).

Несущая скоба типа Фрамакс

с оцинковкой

 

10,0

Служит для перемещения всех элементов краном.

Безопасная перевозка элементов, благодаря автоматическому стопорению.

Грузоподъемность: 10 кН.

Упорный уголок для анкера

с оцинковкой

 

1,4

Позволяет производить анкерное крепление над опалубкой (например, в случае опалубки фундамента). Может быть прикреплен на любом месте рамных элементов.

Профильный брус типа Фрамакс 10 × 6 см

с импрегнированием

10 × 6 см

8,0

Профильный брус для перекрытия промежутков и надстраивания в связи с опалубочной обшивкой 3-SO-22 мм. Прикрепляется к рамному профилю при помощи быстродействующего зажимного приспособления RU.

Длина профильного бруса - 2,70 м.

Профильный брус типа Фрамакс 9,5 × 6 см

с импрегнированием

9,5 × 6 см

7,6

Имеет ту же конструкцию, что и профильный брус 10 × 6 см типа Фрамакс. Используется для опалубочной обшивки 3-SO-27 мм.

Пригнанный брус типа Фрамакс

с импрегнированием

 

 

Пригнанные брусья различных размеров могут быть комбинированы так, что можно перекрыть маленькие промежутки в шагах 1 см.

Длина пригнанных брусьев - 2,70 м.

2 × 12 см

3,1

3 × 12 см

4,7

5 × 12 см

7,8

10 × 12 см

15,5

Распалубочный брус типа Фрамакс 10/12 см

с импрегнированием

2,85

16,4

Диагонально разделенный пригнанный брус.

Служит для легкой распалубки в стесненных условиях (например, опалубка шахты).

Деревянный прижимной кубик типа Фрамакс

с импрегнированием

 

0,7

Может быть прикреплен к интегрированной системе ригелей при помощи зажимной клеммы. Служит для прибивки гвоздями не поставленных заводом-изготовителем вспомогательных стоек

Трехгранная рейка типа Фрамакс 2,70 м

 

2,70

0,38

Специально профилированная трехгранная рейка из пластмассы. Используется для возведения внешних углов.

Пробка для анкерных отверстий R 20/25

 

0,003

Служит для закрытия ненужных анкерных отверстий в рамном профиле

Пробка-заглушка R 24,5 типа Фрамакс

 

0,003

Служит для закрытия ненужных отверстий в опалубочной обшивке универсального элемента

Анкерный стержень 15,0 мм

с оцинковкой

 

1,43 кг/м

Самоочищающийся стержень со специальной (кулачно-образной) резьбой системы фирмы «Дивидаг». Не ржавеет благодаря оцинковке.

Поставка возможна в длинах от 0,5 до 2,0 м с шагом 25 см по длине.

Максимальная несущая способность: 120 кН

Несущая способность соответственно ДИН 18216: 90 кН

Разрушающая нагрузка: 195 кН

Указания по безопасности:

Нельзя сваривать или нагревать анкерные стержни - в противном случае возникает опасность разрушения!

Анкерный стержень 15,0 мм, без покрытия

 

1,43 кг/м

Поставка возможна в длинах до 12,0 м

Суперплита 15,0

 

0,9

Барашковая гайка с нетеряемой опорной плитой. Применение возможно даже для наклонных стен, благодаря пригонке до угла 4°. Легкое отвинчивание, благодаря рогам барашковой гайки. Прилегание к стали в случае внутреннего расстояния поясных профильных стальных элементов (например, зажимных шин) в 5 см.

Максимальная несущая способность: 120 кН

Несущая способность соответственно ДИН 18216: 90 кН

Разрушающая нагрузка: выше, чем разрушающая нагрузка стержня (> 195 кН)

Комплект упаковки: 20 штук.

Анкерный стержень 20,0 мм, с оцинковкой

 

2,5 кг/м

Поставка возможна в длинах от 0,5 м до 2,0 м, с шагом 25 см.

Максимальная несущая способность: 220 кН

Несущая способность соответственно ДИН 18216: 150 кН

Разрушающая нагрузка: 354 кН

Анкерный стержень 20,0 мм, без покрытия

 

2,5 кг/м

Поставка возможна в длинах до 7,5 м

 

 

 

Суперплита 20,0

 

1,0

Для анкерных стержней 20,0 мм:

Максимальная несущая способность: 220 кН

Несущая способность соответственно ДИН 18216: 150 кН

Разрушающая нагрузка: выше, чем разрушающая нагрузка стержня (> 354 кН)

Ящик для мелких деталей

с оцинковкой

 

117,0

В этом практичном ящике можно хранить опалубочные анкеры, анкерные плиты, гайки, зажимные приспособления и другие соединительные детали.

Комплект навесных роликов А

 

30,0

Путем простого прикрепления роликов быстродействующими соединителями ящик для мелких деталей превращается в легко управляемую тележку. Можно без проблем провезти тележку шириной 83 см через любой дверной проем.

Допускаемая несущая способность: 10 кН

В комплект поставки входят:

1 шт. навесная ось

2 шт. навесных роликов (направляющие ролики)

1 шт. стопор

1 шт. винт с шестигранной головкой М 8 × 65 Mu ДИН 601, ДИН 555

Дугообразный лист типа Фрамакс 2,70 м

с оцинковкой и порошкообразным покрытием

 

 

Гибкий специальный элемент для возведения круглых опалубок в комбинации с элементами систем Фрамакс и Алю-Фрамакс

 

 

0,20 × 2,70

51,0

0,25 × 2,70

54,5

0,30 × 2,70

59,3

Дугообразный лист типа Фрамакс 1,35 м

с оцинковкой и порошкообразным покрытием

 

 

Гибкий специальный элемент для возведения круглых опалубок в комбинации с элементами систем Фрамакс и Алю-Фрамакс

0,20 × 1,35

26,8

0,25 × 1,35

29,0

0,30 × 1,35

30,8

Дугообразный лист типа Фрамакс 0,90 м

с оцинковкой и порошкообразным покрытием

 

 

Гибкий специальный элемент для возведения круглых опалубок в комбинации с элементами систем Фрамакс и Алю-Фрамакс

0,20 × 0,90

18,8

0,25 × 0,90

20,0

0,30 × 0,90

21,5

Стальной ригель RD типа Фрамакс 0,40 м

0,40

8,9

Анкерный ригель для дугообразных листов типа Фрамакс

2.6 Несъемная опалубка

2.6.1 Несъемная опалубка представляет собой плоские или профильные элементы, изготовленные из различных материалов (стального профилированного настила, мелкоячеистой металлической сетки, стеклоцемента и др.), которые после бетонирования остаются в теле бетона и образуют с ним единую монолитную конструкцию.

2.6.2 Стальной профилированный лист с трапециевидными гофрами по ГОСТ 24045-94 применяют при устройстве монолитных перекрытий в качестве настила для несъемной опалубки (рисунок 2.13).

Листы профилированного настила укладывают вручную по стальным прогонам или железобетонным балкам и крепят к стальным прогонам самонарезающими винтами или точечной электросваркой, к железобетонным балкам - с помощью дюбелей.

Точки крепления профилированного настила к прогонам принимают в соответствии с рабочими чертежами. Между собой профилированный настил крепят комбинированными заклепками.

Рисунок 2.13 - Конструкция монолитного перекрытия с применением стального профилированного настила

1 - арматурные сетки; 2 - арматурные каркасы; 3 - проволочный фиксатор; 4 - стальной профилированный настил; 5 - балка

В качестве несъемной опалубки и внешней арматуры для бетонирования перекрытий со сборными железобетонными или стальными прогонами при нормальном или сухом температурно-влажностном режимах работы, отсутствии агрессивных сред и динамических нагрузок применяется профилированный настил Н80-А-674-1,0 со специальными рифами для обеспечения сцепления и совместной работы настила с бетоном перекрытия (рисунок 2.14). ЦНИИПромзданий разработаны «Временные рекомендации по проектируемым перекрытиям».

Рисунок 2.14 - Несъемная опалубка из профилированного настила

1 - монолитный бетон; 2 - профилированный стальной настил

2.6.3 Для сетчатой опалубки используют сетку из проволоки сечением 0,8-1,2 мм с размерами ячеек 5 × 5 или 8 × 8 мм (рисунок 2.15).

Снаружи тканая сетка прижимается вертикальными крепежными стержнями. Опалубка крепится к пространственному арматурному каркасу на скрутках или сварке. Бетонную смесь применяют с осадкой конуса 1-4 см. В процессе виброуплотнения цементное молоко заполняет ячейки сетки. При распалубке снимают вертикальные крепежные стержни, сетка остается в бетоне.

Рисунок 2.15 - Применение тканой сетки в качестве несъемной опалубки

1 - арматурный каркас; 2 - сетчатая опалубка; 3 - прижимной стержень; 4 - коротыш

2.6.4 Для возведения монолитных конструкций с вертикальными поверхностями, требующими гидроизоляционной защиты от агрессивных сред, применяется стеклоцементная опалубка (рисунок 2.16).

Несъемная опалубка состоит из тонкостенных стеклоцементных плит, остающихся в конструкции, и инвентарных поддерживающих элементов крепления. Толщина плит 12-20 мм, длина 1800 мм, ширина - 1500 мм. Плиты изготавливаются из цемента, дисперсно-армированного рубленым стекловолокном длиной 60-100 мм (стеклофибрами).

Характеристика плит:

предел прочности при изгибе, кг/см2                           - 130

морозостойкость, циклов                                               - свыше 100

объемная масса, кг/м3                                                     - 1700 - 1750

расход материалов на 1 м2 плиты толщиной 15 мм:

цемента, кг                                                                      - 16-18

стекловолокна, кг                                                           - 0,7-0,8

Применение стеклоцементной опалубки сокращает сроки строительства, экономит 0,02 м3 лесоматериалов на 1 м2 опалубки, снижает трудоемкость опалубочных работ на 0,75 чел.-ч/м2; при использовании опалубки в качестве гидроизоляции наблюдается снижение стоимости возведения монолитных конструкций.

Рисунок 2.16 - Несъемная опалубка из стеклоцемента фундамента под каркас промздания

2.7 Термоактивная опалубка

2.7.1 При механизированном монтаже опалубки крупноразмерными панелями или блоками, собранными из отдельных щитов, при условии, что обеспечена многократная оборачиваемость панелей, утеплитель может быть выполнен из минераловатных одеял, наружной оболочкой которых служит стеклоткань. Толщина одеяла составляет 50-60 мм. Его преимущество в том, что появляется возможность закрыть все (или большую часть) мостики холода. Такие одеяла укладываются после сборки щитов и схваток и закрепляются веревками (рисунок 2.17).

Разновидностью термоактивной опалубки является опалубка с покрытием из электропроводного полипропилена.

Покрытие из электропроводного полипропилена является гидрофобным и практически не имеет адгезии к бетону, что значительно облегчает распалубливание конструкции. Отсутствие адгезии к бетону способствует не только сокращению трудовых затрат на демонтаж и подготовку опалубки к дальнейшему ее использованию, но и повышению ее оборачиваемости.

Щиты опалубки имеют небольшую массу (3,2 кг/м2), их устанавливают и демонтируют вручную.

2.7.2 Порядок технологических операций по укрупнительной сборке панелей термоактивной опалубки следующий:

- щиты укладывают рабочей поверхностью вниз; в местах установки монтажных и рабочих креплений размещают деревянные рейки;

- выверяют габаритные размеры панелей; по контуру панелей прибивают деревянные бруски-ограничители;

- щиты соединяют между собой пружинными скобами или крюками;

- в местах расположения деревянных реек щиты соединяют болтами;

- в деревянных рейках, в местах пропуска стяжек и установки термометров просверливают отверстия диаметром 18-20 мм;

- поверх щитов раскладывают схватки или фермы;

- схватки со щитами соединяют натяжными крюками с клиновым или винтовым запором;

- поверх схваток, перпендикулярно им, укладывают связи жесткости, для чего используют те же схватки;

- схватки со связями соединяют болтами;

- к нижним ярусам схваток или связям жесткости прикрепляют подкосы, обеспечивающие устойчивость панелей в вертикальном положении;

- панель устанавливают вертикально, после чего на нее можно навесить рабочую площадку и стремянку.

Рисунок 2.17 - Стальная термоактивная опалубка (конструкция ЦНИИОМТП)

а - конструкция термоактивного щита; б - общий вид крупноразмерной панели термоактивной опалубки с укрытием шлаковойлочными одеялами;

1 - крышка щита из фанеры; 2 - утеплитель из шлаковаты; 3 - экран из фольги; 4 - ребро каркаса щита; 5 - кляммеры; 6 - греющий кабель; 7 - вилка инвентарного разъема; 8 - шпилька для крепления крышки утеплителя; 9 - вырез для установки натяжного крюка; 10 - термоактивный щит; 11 - инвентарный разъем; 12 - схватка; 13 - натяжной крюк; 14 - шлаковойлочное одеяло; 15 - клеммная коробка; 16 - кабель; 17 - отверстие для соединения схваток и связей; 18 - Т-образный болт; 19 - связь; 20 - коммутирующий кабель

2.7.3 Демонтаж панелей после обогрева производят в следующем порядке:

- с навесных или приставных стремянок снимают замки на стяжках, до строповки на стяжках в верхнем ярусе креплений необходимо оставлять по одному замку на панель;

- снимают крепления (пружинные крюки и болты), соединяющие смежные панели;

- снимают расчалки и штанговые подкосы; на остальных подкосах регулировочные винты вывертывают на 3-5 витков;

- стропуют демонтируемую панель, после чего страховочный замок на стяжке снимают, проверяют все крепления щитов и схваток;

- производят предварительный отрыв панели от забетонированной конструкции;

- с помощью монтажного механизма панель отводят от забетонированной конструкции до тех пор, пока она не освободится от всех стяжек, а затем переставляют на площадку складирования.

2.8 Опалубка Русская

2.8.1 Конструкция «Опалубки Русской» (ОПРУС) и технология ее изготовления учитывают опыт ведущих зарубежных опалубочных фирм.

Ее основными принципиальными узлами являются: замки, опалубочный профиль и металлодеревянные балки.

2.8.2 Типоразмеры щитов с финской бакелитовой фанерой в см: 300 × 125, 300 × 90, 300 × 75, 300 × 55, 300 × 50, 300 × 45, 300 × 40, 300 × 30 и 300 × 25.

Металлодеревянная двутавровая балка для опалубки перекрытия поставляется трех размеров по длине:

250 см (выдерживает распределенную нагрузку 7,2 кН)

300 см (выдерживает распределенную нагрузку 5,0 кН)

360 см (выдерживает распределенную нагрузку 3,3 кН)

Опорные трубчатые стойки поставляются с прямоугольной резьбой и литыми чугунными гайками.

2.8.3 Основными элементами опалубки перекрытия являются:

металлодеревянные балки;

опорные стойки;

вилки к опорным стойкам;

треноги.

Металлодеревянные балки ОПРУС («Опалубка русская») высотой 200 мм и шириной 70 мм отличаются от зарубежных деревянных двутавровых клееных балок высокой износостойкостью и прочностью при незначительном увеличении веса (7 кг/м по сравнению 5 кг/м).

Применяются в работе с комплектом стоек, вилок и треног.

Опорная вилка обеспечивает надежную опору металлодеревянной балки. Для одинарных металлодеревянных балок она устанавливается продольно, как главная несущая балка, а в местах стыка внахлест - в поперечном направлении к балке, гарантируя стабильность крепления.

С помощью треноги можно быстро и надежно монтировать стойки опалубки.

Расстояния между продольными балками А и стойками В следует принимать в соответствии с данными, приведенными в схеме по рисунку 2.18 и таблице 2.13.

Каждая балка на конце имеет маркировку ОПРУС с указанием длины балки. Например: «ОПРУС 250»; «ОПРУС 300»; «ОПРУС 360». Длина таких балок соответственно 250 см; 300 см; 360 см.

На верхнюю деревянную часть металлодеревянной балки накладываются листы бакелитовой фанеры, которые крепятся шурупами или гвоздями.

Рисунок 2.18 - Схема укладки металлодеревянных балок ОПРУС 250 (300, 360)

Таблица 2.13 - Расстояния между продольными балками (А) и стойками (В)

Толщина перекрытия d, см

Общая нагрузка q, кН/м2

Максимальная ширина при расстоянии между поперечными балками L, м: А:

Максимальное расстояние между стойками, В, (м) при ширине, А (м)

0,4

0,5

0,6

0,7

1,5

1,75

2,00

2,25

2,50

2,75

3,00

12

4,39

4,10

3,83

3,62

3,45

2,38

2,18

1,88

1,82

1,77

1,70

1,60

14

5,01

3,91

3,65

3,45

3,28

2,12

1,87

1,81

1,76

1,71

1,64

1,45

16

5,62

3,76

3,51

3,31

3,15

1,89

1,81

1,74

1,69

1,54

1,40

1,28

18

6,24

3,63

3,38

3,19

3,04

1,83

1,75

1,69

1,52

1,37

1,25

1,14

20

6,86

3,51

3,27

3,09

2,94

1,78

1,70

1,55

1,38

1,24

1,13

1,03

22

7,48

3,41

3,18

3,00

2,85

1,74

1,61

1,41

1,26

1,13

1,03

-

24

8,10

3,32

3,09

2,91

2,77

1,70

1,48

1,30

1,15

1,04

0,94

-

26

8,71

3,24

3,01

2,84

2,70

1,60

1,37

1,20

1,07

0,96

0,87

-

28

9,33

3,16

2,94

2,77

2,61

1,49

1,27

1,12

0,99

0,89

0,81

-

30

9,95

3,09

2,88

2,71

2,52

1,39

1,19

1,04

0,93

0,83

-

-

35

11,50

2,94

2,73

2,53

2,34

1,24

1,03

0,90

0,80

0,72

-

-

40

13,04

2,82

2,59

2,37

2,19

1,05

0,90

0,79

0,70

-

-

-

45

14,59

2,72

2,44

2,24

2,07

0,91

0,80

0,70

-

-

-

-

50

16,13

2,59

2,32

2,12

1,97

0,82

0,72

0,63

-

-

-

-

2.8.4 Опалубка стен «ОПРУС» представляет собой щиты каркасной формы, накрытые многослойными плитами из высококачественной фанеры, а номенклатура и показатели щитов опалубки должны соответствовать приведенным ниже данным (рисунок 2.19, таблица 2.14).

Опалубка позволяет производить бетонирование без учета скорости подъема бетона.

Рисунок 2.19 - Щит опалубки стен ОПРУС

Таблица 2.14 - Номенклатура щитов ОПРУС

Марка щитов опалубки стен

Размеры, мм

Площадь, м2

Масса, кг

Примеч.

Длина

Высота

Бр-417.20 Сб02-50

300

135

4,05

177

 

Бр-417.20 Сб02-56

300

90

2,7

132

 

Бр-417.20 Сб02-55

300

75

2,25

119,7

 

Бр-417.20 Сб02-54

300

55

1,65

92

 

Бр-417.20 Сб02-53

300

50

1,50

85

 

Бр-417.20 Сб02-58

300

45

1,35

79,2

 

Бр-417.20 Сб02-52

300

40

1,2

76

 

Бр-417.20 Сб02-51

300

30

0,9

72

 

Бр-417.20 Сб02-57

300

25

0,75

60,2

 

Щит по длинной стороне разделен на отсеки 8 поперечными распорками, из них три с вваренными втулками со специальной резьбой, две точки с коническими втулками на вертикальных балках, одна точка на верхней поперечной балке.

Внутренний угол 90° ОПРУС представляет собой конструкцию из двух профильных балок, переборок и торцевых крышек, сваренных со стальными листами.

Наружный угол 90° ОПРУС представляет собой конструкцию из двух профильных балок, сваренных между собой.

При использовании шарнирных соединений щитов опалубки ОПРУС в сочетании с элементами опалубки и замком обеспечивается опалубливание поверхностей как внутренних так и внешних углов бетонируемых конструкций.

Радиусные элементы ОПРУС используются для опалубливания закругленных полигональных конструкций и имеют две точки стяжки на высоту элемента.

2.9 Алюминиевая опалубка стен и перекрытий

2.9.1 Алюминиевая опалубка предназначена для бетонирования стен и перекрытий зданий различного назначения.

2.9.2 Опалубка стен состоит из:

каркаса - профиль оптимальной конфигурации из высокопрочных алюминиевых сплавов с защитой торцов фанерой;

палубы из ламинированной водостойкой фанеры толщиной 18 мм.

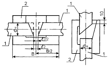
Щиты высотой от 2,4 до 3,0 м при ширине 0,6; 0,9 и 1,2 м могут собираться в панели любых размеров при помощи центрирующих замков для монтажа и демонтажа крупноразмерными элементами. По требованию заказчика щиты можно соединять в любых сочетаниях, из них могут быть собраны панели практически любых размеров и конфигураций в соответствии с рисунком 2.20.

Масса опалубочных щитов: 33 кг/м2 (каркас без фанеры - 20,5 кг/м2).

В комплектацию опалубки стен входят специальные замки с выравниванием поверхности, тяжи с винтовой накаткой, подкосы, кронштейны подмостей и др.

Опалубка перекрытий включает поддерживающие элементы и палубу (рисунок 2.21).

В группу поддерживающих элементов входят:

легкие алюминиевые рамы высотой 0,3; 0,6; 0,9; 1,2; 1,5; 1,8 и 2,1 м и шириной в зависимости от нагрузок 1,2; 1,5 и 1,8 м;

связи между рамами;

домкраты;

несущие продольные балки высотой 160 мм и поперечные балки высотой 140 мм из высокопрочных алюминиевых сплавов;

успокоитель домкратов;

опорные башмаки;

специальные вилки под балки.

Палуба устраивается из ламинированной водостойкой фанеры толщиной 18 мм.

Рисунок 2.20 - Алюминиевая опалубка стен

Рисунок 2.21 - Алюминиевая опалубка перекрытий

2.10 Опалубка для бетонирования вертикальных стыков

Опалубка разработана ГП Мосоргстрой, проект № 3234.

Рисунок 2.22 - Опалубка для бетонирования вертикальных стыков

2.11 Комплектная опалубка НОЕ

2.11.1 Комплектная опалубка НОЕ предназначена для больших объемов опалубочных работ в высотном и глубинном строительстве с изменяющейся областью применения (рисунок 2.23).

2.11.2 Комплектная опалубка НОЕ выпускается в виде:

- опалубки для стен и перекрытий, переносимой вручную или краном;

- туннельной опалубки;

- опалубки для опор;

- опалубки для колонн;

- опалубки для шахт;

- опалубки для цилиндрических емкостей;

- подъемно-приставных подмостков для опалубки;

- опалубки для лестниц;

- рабочих подмостков и защитных ограждений;

- комплектующих для опалубки;

- элементов NOEplast для облицовочного бетона с рисунком.

Рисунок 2.23 - Варианты использования комплектной опалубки «НОЕ»

2.12 Модульная облегченная опалубка «Оргтехстрой»

2.12.1 Модульная облегченная опалубка «Оргтехстрой» используется при возведении элементов зданий различного назначения из тяжелых и легких бетонных смесей.

2.12.2 Опалубка «Оргтехстрой» применяется в нескольких вариантах (таблица 2.15).

Таблица 2.15 - Варианты использования опалубки «Оргтехстрой»

Вариант

Схема

Наименование

1

Опалубка для фундамента

2

Опалубка для колонн

3

Опалубка перекрытий

4

Опалубка круговая

2.12.3 Техническая характеристика опалубки «Оргтехстрой»:

Высота элемента                 0,44-3,0 м

Ширина элемента                0,75 м

Масса 1 кв. м опалубки       около 27 кг

2.13 Общие требования к устройству опалубки, средствам подмащивания и производству опалубочных работ

2.13.1 При возведении опалубки необходимо соблюдать следующие требования:

- опалубка должна иметь необходимую прочность, жесткость и неизменяемость под воздействием технологических нагрузок и малую адгезию с бетоном;

- опалубка должна обеспечивать заданную точность размеров конструкций, а также правильность положения сооружения в пространстве. Конструкция опалубки должна обеспечивать возможность ее быстрой установки и разборки без повреждения бетона;

- не препятствовать удобству установки арматуры, укладке и утеплению бетонной смеси. При сборке опалубки должна быть обеспечена необходимая плотность в соединениях отдельных элементов.

Стяжные болты и тяжи, а также элементы крепления, должны быть инвентарными, быстро устанавливаться и сниматься. Неинвентарные тяжи и скрутки допускается применять при устройстве опалубки индивидуальных конструкций небольшого объема.

2.13.2 Транспортируют элементы инвентарной опалубки согласно проекту производства работ. Масса пакета стального профилированного настила не должна превышать 10 т. В пакет поставки должны входить:

- профили одного профилеразмера и марки стали;

- крепежные изделия;

- сертификат на отгружаемую продукцию.

2.13.3 Все элементы инвентарной опалубки должны храниться в положении, соответствующем транспортному, рассортированными по маркам и типоразмерам.

При хранении пакеты из профилированного настила должны быть размещены в один ярус на деревянных прокладках толщиной не менее 50 мм и длиной больше габарита пакета не менее чем на 100 мм, с шагом по длине пакета 1,5 м.

Тканая металлическая сетка должна храниться под навесом в рулонах, в условиях, исключающих появление повреждений.

Стеклоцементные плиты должны храниться под навесом в контейнерах.

Термоактивные щиты должны храниться под навесами или укрытиями из влагонепроницаемых материалов на площадках, исключающих их увлажнение.

2.13.4 Установку опалубки должны производить в соответствии с проектом производства работ.

Сборка опалубочных форм из элементов инвентарной опалубки должна производиться в соответствии с технологическими правилами на их сборку.

При установке конструкций, поддерживающих опалубку, необходимо выполнить следующие требования:

- стойки должны устанавливаться на основания, имеющие площадь опирания, достаточную для предохранения забетонированной конструкции от недопустимых просадок;

- тяжи, стяжки и другие элементы крепления не должны препятствовать бетонированию;

- крепление тяжей и растяжек к ранее забетонированным конструкциям должно производиться с учетом прочности бетона к моменту передачи на него нагрузок от этих креплений;

- основание под опалубку должно быть выверено до начала ее установки.

2.13.5 До начала производства работ по устройству монолитного перекрытия с несъемной опалубкой из стального профилированного настила должны быть выполнены подготовительные работы, предусмотренные ППР, в том числе:

- закончен монтаж металлических балок и прогонов перекрытий на этаже;

- подготовлены механизмы, приспособления и оборудование;

- осуществлена раскладка пакетов профилированного настила и арматуры (сеток и каркасов) в объеме, определенном ППР на захватку;

- произведена разметка места установки настилов и стоек для крепления торцевой опалубки;

- установлены поддерживающие леса с подмостями и ограждения.

Верхняя часть балки, на которую устанавливают настил, должна быть сухой и очищенной от окалины, ржавчины, грязи или мусора.

2.13.6 Сборку опалубочных панелей и блоков необходимо производить на монтажных площадках с бетонным или асфальтобетонным покрытием. Щиты рекомендуется располагать длинной гранью параллельно вертикальной оси, по высоте панель не следует собирать более чем из двух ярусов щитов. Количество и расположение соединительных элементов щитов должно соответствовать инструкции по сборке опалубки или ППР.

2.13.7 Формующие поверхности опалубки должны быть смазаны специальной смазкой.

Смазки классифицируют на: суспензии, эмульсии, растворы вязких нефтепродуктов, отходы нефтехимии, полимерные композиции.

Смазки для инвентарной опалубки должны отвечать следующим требованиям:

- обладать хорошей адгезией к материалу опалубки и плохой - к бетону;

- образовывать сплошную пленку возможно меньшей толщины (0,1-0,2 мм), отделяющую формующую поверхность опалубки от бетона;

- не растворяться в воде, не проникать в поверхностные слои бетона и не оставлять на нем темных масляных пятен;

- не вызывать коррозии стальной опалубки;

- хорошо удерживаться на формующих поверхностях опалубки, то есть не стекать с вертикальных поверхностей, не смываться водой и не стираться бетонной смесью;

- не высыхать и не терять указанных выше качеств с течением времени;

- не замерзать и не терять своих свойств при отрицательных температурах;

- быть безвредными для организма человека и пожаровзрывобезопасными;

- смазка должна легко наноситься на опалубку.

Выбор наиболее подходящей смазки делают на основе анализа местных условий и возможностей, требований технологии бетонирования и экономики. Типы и составы смазок следует устанавливать в соответствии с приведенными ниже данными (таблицы 2.16 и 2.17).

Таблица 2.16 - Гидрофобизирующие смазки на основе продуктов нефтехимии

Смазка

Компонент

Ед. изм.

Кол.

Преимущества

Недостатки

Рекомендации по применению

Солидольная

Солидол

Массовые части

2,0

Простота изготовления, не загустевает, не замерзает, полное устранение сцепления

Дефицит материала, пожароопасна, высокая стоимость

Допускается для смазки стальной и деревянной опалубки

Бензин

0,5-3,0

Парафин

0,5-1,6

Петралатумно-керосиновая

Петралатум

Массовые части

1,0

То же

То же

То же

Керосин

То же

3,0

Масляная

Машинное масло,

Массовые части

2,5-4,0

То же

То же

Допускается для смазки стальной и деревянной опалубки; рекомендуется для термоактивной опалубки

кулисная паровозная смазка

То же

1,0-1,5

То же

То же

Таблица 2.17 - Составы эмульсионных смазок

Смазка

Компонент

Состав по объему, %

Преимущества

Недостатки

Рекомендации по применению

1

2

3

4

5

6

Прямая эмульсия

Масло (нигрол),

10-15

Простота, легкость приготовления

Малая стабильность, дефицитность и высокая стоимость. Плохо удерживается на вертикальной опалубке, замерзает зимой

Допускается для смазки металлической, деревянной опалубки в летних условиях и термоактивной опалубки

мыло хозяйственное,

0,6-1

вода

84-89,4

Обратная эмульсия ЭО-2х

Эмульсия ЭКС,

20

Простота, легкость приготовления, не оставляет масляных пятен, резко снижает сцепление

Невысокая стабильность при нагревании, замерзает зимой, высокая стоимость эмульсола

То же

известковое тесто,

0,5

вода

80

ЭСО-6хх

Отработанное масло,

21

Простота, доступность и невысокая стоимость исходных материалов, резко снижает сцепление

Замерзает зимой

-«-

известковое молоко,

3

вода

76

ЭСО-9хх

Отработанное масло,

18

Простота, доступность и невысокая стоимость исходных материалов, резко снижает сцепление

Вызывает коррозию стальной опалубки

Рекомендуется для деревянной и допускается для металлической опалубки

известковое молоко,

3

5 % раствор поваренной соли,

16

вода

63

ЭСО-ГИСИ-30

10 % раствор азотно-кислого цинка,

21

Полностью устраняет сцепление, снижает поверхностную пористость бетона, не загрязняет бетон

Большое количество компонентов, загустевает на морозе

Рекомендуется для всех видов опалубки, если к поверхности бетона предъявляются повышенные требования

полиэтиленовая эмульсия,

2

отработанное масло,

49

известковое молоко

17

ЭСО-ГИСИ-32

40-60 % водная дисперсия поливинилхлоридной смолы,

21

Полностью устраняет сцепление, снижает поверхностную пористость бетона, не загрязняет бетон

Большое количество компонентов, загустевает на морозе

Рекомендуется для всех видов опалубки, если к поверхности бетона предъявляются повышенные требования

5-7 % раствор омыленного пека,

11

8-10 % раствор азотно-кислого цинка,

19

минеральное масло,

35

известковое молоко

14

ЭСО-ГИСИ-42

Отработанное масло

48

То же

То же

То же

3 % раствор СДБ,

48

кремнезем

3

полиэтиленовая эмульсия

1

Для смазки поверхностей опалубки импортного производства применяют готовые смазки, поставляемые фирмами-изготовителями опалубки:

- для систем опалубки фирмы «Пери» применяют смазку «Пери-Био-Клин»;

- для систем опалубки фирмы «Мева» - специальную смазку «Мева»;

- для систем опалубки фирмы «Далли» - смазку «Далли-ТРЭН».

Приготовление смазок в строительных организациях должно производиться централизованно. В случае приготовления смазок в условиях строительного объекта для смешивания компонентов смазок используют механические и пневматические смесители-барботеры, сменная производительность которых от 150 до 600 кг готовой смазки (рисунок 2.24).

Смазки наносят до установки щитов опалубки в проектное положение. В исключительных случаях разрешается смазывать установленную опалубку перед монтажом арматуры и закладных деталей.

Рисунок 2.24 - Смесители для приготовления смазок

а) смеситель для приготовления смазок: 1 - электродвигатель; 2 - гибкий вал; 3 - бак; 4 - мешалка; 5 - ограждение;

б) смеситель барботерного типа: 1 - шланг; 2 - трубка для выброса сжатого воздуха; 3 - откидная крышка; 4 - бак; 5 - змеевик с перфорацией; 6 - кран; 7 - емкость; 8 - воронка

Жидкие смазки с вязкостью не более 20-25 с по вискозиметру ВЗ-4 наносят пневмораспылением с помощью пневматического пистолета-распылителя.

Опалубку, установленную в проектное положение, удобнее смазывать распылительными удочками. Более вязкие смазки (вязкость более 25 с) наносят с помощью валиков или кистей. При таком нанесении расход смазки возрастает на 25-30 % за счет увеличения толщины ее пленки и потерь. Ориентировочные нормы расхода смазки приведены ниже (таблица 2.18).

Таблица 2.18 - Нормы расхода смазок для опалубки

Вид опалубки

Расход смазки, кг

на 1 м2 формующей поверхности опалубки

на 1 м3 монолитного железобетона

Стальная

0,2-0,35

2,0-3,5

0,45-0,55

4,5-5,5

Дощатая

0,4-0,55

4,0-5,5

0,6-0,70

6,0-7,0

Фанерная

0,35-0,50

3,5-5,0

0,50-0,65

5,0-6,5

Примечание - В числителе указан расход смазки при нанесении пневмораспылителем, в знаменателе - при нанесении кистью или валиком.

2.13.8 Демонтаж опалубки допускается не ранее, чем бетон достигнет требуемой прочности, и может производиться только с разрешения производителя работ. При этом необходимо предварительно убедиться в отсутствии нагрузок на конструкции, превышающих допустимые.

Опалубку необходимо разбирать в порядке, при котором после отделения частей опалубки обеспечивается устойчивость и сохранность остающихся элементов.

Демонтаж опалубки следует вести одним из следующих способов:

- отдельными щитами или панелями;

- блоками, Г-образными в плане;

- блоками с замкнутым контуром.

Большие опалубочные поверхности рекомендуется разбирать отдельными щитами и панелями, особенно, если затруднен отрыв опалубки от бетона, в частности, при использовании для крепления щитов стяжек или скруток. Щиты площадью до 4 м2 хорошо отрываются от бетона вручную с применением ломиков, которыми упираются в схватки. При большой площади необходимо пользоваться домкратами. Если применяются два домкрата и более, то нужно следить за равномерным и одновременным их нагружением.

При небольшой опалубливаемой поверхности демонтаж можно производить Г-образными блоками поярусно.

Распалубливание производят в следующей последовательности:

в двух угловых соединениях по диагонали конструкции удаляют крепежные элементы, а в двух других - только ослабляют. После того, как Г-образные блоки будут застроплены, их отрывают от бетона вручную и с помощью крана снимают. Распалубливание блоками с замкнутым контуром возможно только при общей площади опалубленной поверхности не более 12 м2.

Отрыв от бетона и опускание крупнощитовой опалубки перекрытий (при демонтаже блоков без переборки) должно производиться при равномерном поочередном срабатывании всех опорных домкратов в целях исключения возможности заклинивания и перекосов.

Демонтаж термоактивной опалубки должен производиться после отключения всех щитов от питающей электрической сети и изъятия коммутирующей разводки из рабочей зоны.

3 Арматурные работы

3.1 Общие требования к арматурным работам на строительных площадках

3.1.1 Арматурная сталь (стержневая и проволочная) и сортовой прокат, арматурные изделия и закладные элементы должны соответствовать рабочим чертежам проекта и требованиям ГОСТ 5781-82*. При приемке арматурных элементов должно проверяться их соответствие требованиям ГОСТ 10922-90.

3.1.2 Расчленение пространственных крупногабаритных арматурных изделий, а также замена предусмотренной проектом арматурной стали по классу, марке, сортаменту или замена конструкции анкеров должны быть согласованы с проектной организацией и заказчиком.

3.1.3 Заготовку стержней мерной длины из стержневой и проволочной арматуры и изготовление ненапрягаемых армоизделий, а также заготовку, установку и натяжение напрягаемой арматуры следует выполнять по проекту в соответствии с требованиями СНиП 3.09.01-85. Изготовление несущих арматурных каркасов из стержней диаметром более 32 мм прокатных профилей следует выполнять согласно разделу 8 СНиП 3.03.01-87.

3.1.4 Армирование железобетонных конструкций следует осуществлять укрупненными сварными арматурными каркасами и сетками заводского изготовления. Изготовление арматуры непосредственно на строительной площадке и армирование штучными стержнями допускаются для доборных частей арматуры или для участков связи между сетками или каркасами.

3.1.5 При больших объемах работ армоконструкции комплектуют и укрупняют на промежуточном приобъектном складе или сборочно-комплектовочной площадке, затем доставляют автотранспортом к месту установки и монтажа в зону действия грузоподъемного механизма.

3.1.6 Арматуру монтируют в соответствии с проектом производства работ, технологическими картами, картами трудовых процессов и организации труда, содержащими указания о последовательности установки отдельных элементов и способах их подачи, скреплениях узлов, а также о применяемых приспособлениях.

3.1.7 Арматурщики, занятые установкой арматуры и монтажом армоконструкции, работающие поточно-расчлененном методом, должны быть обеспечены фронтом работ не менее чем на две смены.

В зависимости от вида армируемых конструкций фронт работ должен охватывать как минимум: отдельно стоящие фундаменты колонн зданий - 3 шт., ленточные фундаменты под технологическое оборудование - 1 шт., колонны - 2 шт., балки - 2 пролета, плиты перекрытий - 50 м2, стены, перегородки - 50 м2.

3.1.8 При монтаже арматуры необходимо выполнять следующие требования:

- арматура должна монтироваться в последовательности, обеспечивающей правильное ее положение и закрепление. Перед установкой арматуры на ней должны быть закреплены подкладки (сухарики из цементного раствора), обеспечивающие необходимый зазор между арматурой и опалубкой для образования защитного слоя;

- смонтированная арматура должна быть закреплена от смещений и предохранена от повреждений, которые могут произойти в процессе производства работ по бетонированию конструкции.

3.1.9 Проектное расположение арматурных стержней и сеток должно обеспечиваться правильной установкой поддерживающих устройств, шаблонов, фиксаторов, подставок, прокладок и подкладок. Запрещается применение подкладок из обрезков арматуры, деревянных брусков, щебня.

3.1.10 Бессварочные соединения стержней следует производить:

- стыковые: внахлестку или обжимными гильзами и винтовыми муфтами с обеспечением равнопрочности стыка;

- крестообразные: вязкой отожженной проволокой. Допускается применение специальных соединительных элементов (пластмассовых и проволочных фиксаторов).

Стыковые и крестообразные сварные соединения следует выполнять по проекту в соответствии с ГОСТ 14098-91.

Сварные соединения арматуры следует производить с помощью контактной стыковой и точечной сварки; дуговой полуавтоматической сварки под флюсом и порошковой проволокой в инвентарных формах, дуговой одноэлектродной или многоэлектродной ванной сварки в инвентарных формах.

Допускается сварка стыковых соединений с применением дуговой ванной одноэлектродной и ванно-шовной сварки с остающимися стальными подкладками или накладками; дуговой автоматической и одноэлектродной сварки многослойными швами с парными накладками или внахлестку.

3.1.11 Арматурные элементы должны доставляться к месту монтажа на всю конструкцию.

Допускается, по согласованию с проектной организацией, разрезка крупноразмерных сварных арматурных изделий на части, размеры которых соответствуют габаритам применяемых транспортных средств и грузоподъемности оборудования. Соединение отдельных частей разрезанного изделия должно производиться по специальным указаниям проекта.

3.1.12 Места для захвата крупногабаритных арматурных изделий при подъеме и монтаже, их опирания при транспортировке и складировании должны быть помечены яркой краской в соответствии с рабочими чертежами изделий.

3.1.13 Транспортирование и хранение арматурной стали следует выполнять по ГОСТ 7566-94.

При перевозке арматурных изделий следует принимать меры к защите их от коррозии, загрязнения и механических повреждений. При этом необходимо применять деревянные прокладки, а при необходимости производить жесткое крепление арматуры к транспортным средствам с помощью проволочных расчалок. Арматурные изделия длиной более 6,5 м следует перевозить на автомобилях с полуприцепами.

Арматурная сталь и арматура должна храниться раздельно, по партиям, при этом должны приниматься меры против ее коррозии, загрязнения, а также обеспечиваться сохранность металлических бирок поставщика и доступ к ним. Необходимо выполнять следующие требования: размещать в закрытом сухом помещении (особенно проволочную, сварочную проволоку, электроды, флюс) или под навесом; укладывать на стеллажи и подкладки.

3.2 Армирование отдельными стержнями

3.2.1 Армирование отдельными стержнями допускается в отдельных случаях из-за конструктивных особенностей армирования монолитных конструкций и при невозможности использовать для этих целей арматурные сетки и каркасы, изготавливаемые на специализированных контактно-сварочных машинах.

3.2.2 При установке в проектное положение сварка арматуры (сетки, каркасы, армоблоки), при армировании отдельными стержнями, осуществляется в опалубке конструкции или вне ее.

3.2.3 Пространственное положение арматуры в конструкции существенно влияет на технологию армирования отдельными стержнями.

3.2.4 Армирование конструкции вертикальными рабочими стержнями производят в следующей последовательности: арматура устанавливается в рабочее положение, при этом два арматурщика удерживают ее, электросварщик приваривает концы стержней к выпускам и объединяет их внизу хомутом, закрепляя его сваркой к рабочим стержням. Далее в последовательности снизу вверх арматурщик устанавливает стальные хомуты с данным шагом на высоту стержней и приваривает их в узлах.

При таком армировании одну или две стороны опалубки оставляют с открытыми для обеспечения свободного доступа к узлам соединений.

3.2.5 Армирование горизонтальными рабочими стержнями (прогоны, ригели) производят над коробом опалубки. На установленные козелки арматурщики укладывают и сваривают нижние рабочие стержни и хомуты в соответствии с проектом. После чего арматурный блок переворачивают и аналогично укладывают верхние стержни.

Готовый арматурный блок опускают в короб опалубки.

3.2.6 Армирование подошвы фундаментов, перекрытий и др. взаимоперпендикулярными стержнями производят в следующей последовательности:

размечают мелом положение стержней на опалубке по проекту;

раскладывают стержни по разметке и сваривают в местах их пересечения;

готовую арматурную сетку поднимают на подкладки-фиксаторы.

При двойном армировании по приведенной выше технологии собирают нижнюю и верхнюю сетки, фиксируют защитный слой бетона, а расстояние между сетками фиксируют коротышами, приваренными перпендикулярно к плоскости сеток, или фиксаторами Арбузова (рисунок 3.1).

Рисунок 3.1 - Фиксаторы защитного слоя бетона для горизонтальной арматуры:

а) при горизонтальном одиночном армировании: 1 - защитный слой бетона (по проекту); 2 - арматурная сетка (каркас); 3 - фиксаторы защитного слоя бетона (лягушки-подкладки из бетона или пластмассы); l - шаг подкладок (по проекту);

б) при горизонтальном двойном армировании: 1 - защитный слой бетона; 2 - арматурные сетки; 3 - приспособление Арбузова; 4 - поверхность бетона после бетонирования; t - расстояние между стержнями (сетками);

в) приспособление Арбузова: 1 - арматурный стержень; 2 - сварной шов; 3 - оси рабочей арматуры; 5 - подкладка

3.3 Армирование сетками и плоскими каркасами

3.3.1 При монтаже армоэлементов (заводского изготовления) необходимо обеспечить:

доставку армоэлементов на место установки;

проектную величину защитного слоя бетона для арматуры;

проектное расстояние между армоэлементами при двойном армировании;

соединение сеток или каркасов между собой.

3.3.2 Пакет сеток и каркасов к месту установки транспортируют с помощью крана, а затем разносят вручную и укладывают на подкладки, фиксирующие величину защитного слоя. Если масса армоэлемента более 100 кг, то в конструкцию его укладывают краном. Шаг подкладок под арматурные сетки составляет 0,8-1 м.

Для вертикальных поверхностей прокладки, обеспечивающие величину защитного слоя, крепят к опалубке или к арматуре соответственно гвоздями или на скрутках.

3.3.3 Фиксирование расстояния между опалубкой и сетками или каркасами при двойном армировании в случае расположения армоэлемента в вертикальной плоскости осуществляют пластмассовыми фиксаторами, устанавливаемыми на стержни перпендикулярно плоскости сеток или каркасов в соответствии с рисунком 3.2. Шаг фиксаторов принимают 1,5-2 м.

3.3.4 Размеры нахлестки, накладок и зазоров между стержнями и сварными швами выдерживают в соответствии с ГОСТ 10922-90. Арматурные сетки стыкуют внахлестку или встык стержней арматуры согласно проекту.

Рисунок 3.2 - Фиксаторы защитного слоя бетона для вертикальной арматуры:

а) при вертикальном одиночном армировании: 1 - опалубка; 2 - арматурные сетки (каркасы); 3 - пластмассовый фиксатор; а - защитный слой бетона (по проекту);

б) при вертикальном двойном армировании: 1 - опалубка; 2 - арматурные сетки (каркасы); 3 - пластмассовый фиксатор; 4 - арматурные коротыши; а - защитный слой бетона (по проекту), t - расстояние между сетками

3.3.5 Конструкции нулевого цикла рекомендуется армировать унифицированными сварными сетками или каркасами согласно утвержденного проекта, а также укрупненными армоблоками согласно ППР. Разработанная система армирования предусматривает общие технологические и технические требования к проектированию и возведению железобетонных конструкций.

В основу этой системы положены: единый модуль опалубочных размеров, равный 300 мм; единый сортамент сварных унифицированных сеток; единые (универсальные) принципы армирования железобетонных конструкций сетками сортамента; специально созданное сварочное и гибочное оборудование для изготовления сеток сортамента; возможность централизованного производства тяжелых сеток.

Сортамент сварных сеток, разработанный для армирования железобетонных конструкций, предусматривает два типа унифицированных сеток:

с рабочей арматурой в одном продольном направлении (основной тип) диаметром от 10 до 32 мм (тип 1);

с рабочей арматурой в двух направлениях диаметром от 10 до 20 мм (тип 2).

Размеры сеток с рабочими стержнями в одном (продольном) направлении (типа 1) приняты:

по ширине - от 850 мм до 2850 мм через 200 мм;

по длине - от 1450 мм до 8950 мм через 300 мм.

Ширина сеток принимается по краям монтажных стержней, длина - по краям рабочих стержней.

Шаг продольных (рабочих) стержней - 200 мм, поперечных (монтажных) - 600 мм.

Длина выпусков рабочих стержней сеток равна 125 мм (для конструкций, имеющих длину кратную 300 мм) и 275 мм (для конструкций, имеющих длину кратную 600 мм).

Размеры сеток с рабочими стержнями в двух направлениях (тип 2):

по ширине - от 1150 мм до 2950 мм через 300 мм,

по длине - от 1150 мм до 4150 мм через 300 мм.

Шаг стержней в продольном и поперечном направлениях принят 200 мм.

Длина выпусков стержней сеток равна 25 мм (для конструкций, имеющих длину или ширину кратную 300 мм) и 75 мм (для конструкций, имеющих длину или ширину, кратную 600 мм).

В основу армирования положено три принципа:

наложение сетки на сетку,

сопряжение сеток (по длине),

раскладка сеток по ярусам.

Принцип наложения сеток обеспечивает распределение площади рабочей арматуры в сечении конструкции в соответствии с расчетными данными. Он предусматривает наложение сетки на сетку в местах наибольших расчетных моментов с образованием расстояния между рабочими стержнями 100 мм. Причем верхняя сетка должна, как правило, иметь больший диаметр рабочих стержней и меньшую ширину (минимум 200 мм) и длину по сравнению с нижней сеткой.

Принцип сопряжения сеток обеспечивает распределение площади рабочей арматуры сеток вдоль конструкции с учетом изменения эпюры моментов.

Принцип раскладки сеток по ярусам обеспечивает распределение площади рабочей арматуры в конструкции с учетом изменения нагрузки (например, изменение бокового давления грунта или воды по высоте стены железобетонной конструкции). Согласно этому принципу предусматривается раскладка сеток ярусами с расположением рабочей арматуры в горизонтальном направлении (высота яруса равна ширине сетки) вдоль габарита конструкции, по которому изменяется прилагаемая нагрузка (например, высота конструкции).

Рассмотренные принципы по сравнению с существующими обеспечивают снижение расхода стали от 6 до 20 %.

Изготовление сеток предусмотрено на многоточечной контактно-сварочной машине МТМ-32У4. Сетки шириной до 1200 мм включительно допускается изготовлять на сварочной машине МТМ-35.

Сварные арматурные изделия должны изготовляться по рабочим чертежам, утвержденным в установленном порядке, согласно требованиям ГОСТ 8478-81*, ГОСТ 10922-90, ГОСТ 23279-85.

Соединения арматуры и закладных деталей, выполняемые контактной и дуговой сваркой из стержневой и проволочной арматурной стали диаметром от 3 до 40 мм, должны осуществляться в соответствии с ГОСТ 14098-91.

Подошвы фундаментов колонн зданий шириной до 3 м (включительно) при площади армирования до 13 м2 рекомендуется армировать одной сеткой с рабочей арматурой в двух направлениях (тип 2), а при ширине более 3 м - сетками с рабочей арматурой в одном направлении (тип 1), укладываемыми в два слоя в двух взаимно перпендикулярных направлениях.

3.4 Армирование блоками и пространственными каркасами

3.4.1 Арматурные блоки и пространственные каркасы следует изготавливать в специализированных мастерских, на заводах или полигонах. На стройплощадке производится только монтаж армоэлементов в проектное положение.

При больших объемах работ армоконструкции комплектуют и укрупняют на промежуточном приобъектном складе или сборочно-комплектовочной площадке, откуда их доставляют в зону действия крана, который в процессе работы подает их к рабочему месту и устанавливает (или укладывает) в проектное положение (рисунок 3.3).

Рис. 3.3 - Организация сборочно-комплектовочной площадки для сборки арматурно-опалубочных блоков:

1 и 9 - склады готовых блоков; 2 - склад щитов и панелей опалубки; 3 - площадка для ремонта и смазки опалубки; 4 - штабеля элементов опалубки, готовые к сборке; 5 - стенд сборки блоков; 6 - инструментальная кладовая; 7 - помещение для электросварочного оборудования; 8 - стеллажи с арматурными изделиями и стержнями

3.4.2 Пространственные арматурные каркасы собирают с помощью специальных кондукторов.

Кондуктор состоит из отдельных рам с фиксирующими стойками, объединенными передвижными поддерживающими планками. В зависимости от типа свариваемого внутреннего элемента каркаса используют две или три пары фиксирующих стоек, которые могут раздвигаться по ширине, что позволяет сваривать практически любой тип внутреннего элемента каркаса (рисунок 3.4).

3.4.3 При отсутствии кондукторов допускается производить сборку пространственных арматурных каркасов из отдельных плоских элементов (сеток, каркасов) на приобъектной площадке на деревянных брусках, рельсах в зоне действия крана. К нижней сетке, уложенной на подкладки, приставляются боковые сетки, которые временно закрепляют в проектное положение фиксаторами (рисунок 3.5) или коротышами электроприхваткой. Затем укладывается верхняя сетка. После выверки геометрических размеров производится приварка верхней сетки к боковым. После снятия временных креплений производят электросварку горизонтальных и вертикальных стержней, раскосов, диафрагм и хомутов.

Рисунок 3.4 Кондуктор-шаблон для сборки каркасов

3.4.4 Перед установкой армоблоков и пространственных каркасов производят следующие работы:

- выверяют по проекту арматурные выпуски ранее забетонированной конструкции или ее части;

- наносят разбивочные оси;

- устанавливают опалубку.

Рисунок 3.5 - Фиксатор арматурных стержней

3.4.5 Армирование фундаментов колонн высотой до 7,2 м осуществляют с помощью пространственных самонесущих арматурных каркасов, собираемых из плоских сеток.

При высоте фундаментов до 4,5 м устанавливают только развязывающие шпильки, а при высоте фундаментов свыше 4,5 м устанавливают дополнительно горизонтальные диафрагмы жесткости (связи) из стержней диаметром 12-16 мм через 1800 мм по высоте (рисунок 3.6).

3.4.6 Пространственные каркасы устанавливает звено арматурщиков и сварщик. Каркас с помощью крана четырехветвевым стропом подают к месту монтажа.

Рисунок 3.6 - Армирование фундаментов колонн пространственными самонесущими арматурными каркасами, собираемыми из плоских сеток

а) при высоте фундаментов до 4,5 м; б) при высоте фундаментов от 4,5 до 7,2 м;

1 - шпильки (через 600 мм по высоте); 2 - горизонтальные арматурные связи (через 1800 мм по высоте); 3 - анкерный болт под стальные колонны

Соединения вертикальных стержней каркаса с нижестоящими осуществляют с помощью фиксатора (рисунок 3.5).

Нижняя втулка надевается на нижний смонтированный каркас и крепится на нем неподвижно, а верхняя втулка, в которую вставляется соответствующий выпуск верхнего вертикального стержня каркаса, может перемещаться при вращении винта вверх или вниз. В зависимости от объема армокаркаса устанавливают от трех и более фиксаторов. После установки фиксаторов стержни каркаса сваривают.

3.4.7 Арматурно-опалубочный блок представляет собой жесткий элемент, объединяющий арматуру и опалубочную форму (рисунок 3.7).

3.4.8 Изготовление арматурно-опалубочных блоков производят одним из следующих способов:

- навешиванием щитов опалубки на несущий арматурный каркас, который воспринимает все монтажные и эксплуатационные нагрузки;

- сборкой опалубочной формы с последующей установкой в нее несущей арматуры.

Рисунок 3.7 - Арматурно-опалубочный блок

а) общий вид; б) узел опирания каркаса

1 - составная схватка; 2 - связь жесткости; 3 - щит; 4 - болт, объединяющий схватку со связью жесткости; 5 - косынка для соединения схваток; 6 - кронштейн для опирания арматурного каркаса; 7 - цементно-песчаная прокладка; 8 - арматурный каркас; 9 - натяжной крюк

3.4.9 При сборке арматурно-опалубочных блоков в зависимости от бетонируемых конструкций следует руководствоваться приведенными ниже рекомендациями (таблица 3.1).

3.4.10 Сборку армоопалубочного блока производят в следующей последовательности:

- на полу монтажного стенда фиксируют с помощью реек внутренние размеры опалубочного блока;

- устанавливают по горизонтальной оси первую панель с выверкой ее по вертикали и укрепляют монтажные уголки;

- по оси устанавливают вторую панель, соединяя ее схватками и монтажными уголками с первой панелью. Аналогично монтируют последующие панели, раскрепляя их оттяжками;

- к собранному блоку крепят рабочую площадку и стремянки;

- арматурный каркас подвешивается на кронштейнах с опиранием на верхний ярус или связи жесткости. Толщина защитного слоя обеспечивается фиксирующими устройствами.

Арматурно-опалубочные блоки подколонников рекомендуют изготавливать целиком с опалубкой стакана, а армоопалубочные блоки балок и ригелей на всю длину пролета.

3.4.11 Монтаж арматурно-опалубочных блоков в проектное положение ведут с помощью крана соответствующей грузоподъемности.

Таблица 3.1 - Рекомендации при сборке арматурно-опалубочных блоков

№ п/п

Наименование конструкции

Последовательность и описание выполняемых работ

1

2

3

4

5

6

7

8

9

1.

Колонны, подколенники

1. Укладка собранной ранее первой панели блока на стенд по рискам с помощью крана

2. Разметка выпусков собранного армоблока с нанесением рисок яркой краской

3. Укладка с помощью крана армоблока на первую панель опалубки с совмещением рисок выпусков с торцом блока, а боковых фиксаторов с боковой гранью панели

4. Укладка с помощью крана второй боковой панели опалубки на армоблок с совмещением торцевой и боковой граней с фиксаторами и рисками выпусков армоблока

5. Установка с помощью крана третьей боковой панели с раскреплением ее временными подкосами

6. Установка четвертой боковой панели с другой стороны блока

7. Крепление панелей опалубки к рабочей арматуре блока скрутками или натяжными крюками с гайками

2.

Балки (прогоны, ригели)

1. Укладка собранной ранее нижней панели блока на стенд по рискам с помощью крана

2. По п. 2 для колонн

3. По п. 3 для колонн

-

4. Установка с помощью крана первой боковой панели с раскреплением ее временными подкосами

5. Установка с помощью крана второй боковой панели с другой стороны блока

6. По п. 7 для колонн с установкой и креплением временных распорок по ширине конструкции по верху блока

3.

Стены

1. По п. 1 для колонн

2. По п. 2 для колонн

3. По п. 3 для колонн с установкой временных распорок по толщине стены и креплением их к армоблоку

4. По п. 4 для колонн (допускается укладка на распорки)

 

 

5. По п. 7 для колонн с креплением противоположных панелей между собой скрутками и с расшивкой верхнего торца блока временными распорками

3.5 Армирование сетками и каркасами, изготовленными в передвижной мастерской на строительной площадке

3.5.1 Для механизации арматурных работ непосредственно на объектах строительства предназначена передвижная арматурная мастерская ПАМ-500, рабочие чертежи которой разработаны ЦНИИОМТП. Мастерская ПАМ-500 размещается в двух инвентарных зданиях контейнерного типа размером 6 × 3 м.

3.5.2 Передвижная арматурная мастерская дает возможность выполнять индустриальным способом работы по заготовке, сварке и монтажу арматурных изделий.

Производительность передвижной мастерской ПАМ-500 - 500 т в год арматурных изделий.

3.5.3 Параметры арматурных изделий, изготавливаемых на ПАМ-500 с использованием арматурной стали диаметром до 10 мм в бухтах и диаметром до 32 мм в кружках:

- ширина до 1450 мм

- длина до 6000 мм.

Шаги между стержнями, мм:

- продольными (кратно 100) 100 - 300

- поперечными (кратно 100) 100 - 600.

Диаметры стержней, мм:

- продольных 10 - 32

- поперечных 6 - 12.

Допускаемые сочетания диаметров, мм:

- максимальных 12 - 32

- минимальных 6 - 10.

Длина выпусков (концов стержней от крайнего продольного стержня) - 25 - 125 мм.

Число одновременно свариваемых точек, шт. - 1.

Класс арматурной стали: A-I, A-II, A-III.

3.6 Сварочные работы

Общие технические требования.

3.6.1 Сварочные материалы (покрытые электроды, порошковые проволоки, сварочные проволоки сплошного сечения, плавленые сварочные флюсы) должны соответствовать требованиям ГОСТ 9467-75*, ГОСТ 26271-844, ГОСТ 2246-70* и ГОСТ 9087-81*Е.

3.6.2 Конструкции сварных соединений стержневой арматуры, их типы и способы сварки в зависимости от условий эксплуатации, класса и марки свариваемой стали, диаметра и пространственного положения при сварке должны соответствовать требованиям ГОСТ 14098-91 и следует выбирать, исходя из условий:

- применения сварных соединений и технологии сварки, обеспечивающих наиболее высокую эксплуатационную надежность и наиболее полное использование механических свойств арматурной стали;

- максимально возможного сокращения материальных и трудовых затрат при выполнении сварных соединений путем применения механизированных способов сварки, высококачественных сварочных материалов, эффективных методов контроля качества сварных соединений.


Таблица 3.2 - Способы сварки, типы и конструктивные элементы сварных соединений

Тип соединения

Номер эскиза

Конструктивные элементы

Обозначение конструктивного элемента

Размеры конструктивных элементов подготовленных кромок свариваемых деталей и сварного шва

Способ сварки

Оборудование

Сварочные материалы

 

 

Подготовленных кромок свариваемых деталей

Сварного шва

Класс арматуры

 

Наименование

Обозначение

Типы электродов

Марка свариваемой проволоки

Класс арматуры

 

 

 

 

A-I

A-II

A-III

 

 

 

Класс арматуры

 

 

 

 

 

 

 

 

 

 

 

 

A-I

А-II

А-III

 

А-I

А-II

A-III

крестообразное

1

dН, d′Н

10-40

10-32

10-28

Ручная дуговая точечными прихватками

Преобразователь сварочный

ПД-306

Э42

Э46

Э42А

Э46А

Э50А, Э55

-

-

 

 

 

 

l

0,5 d′Н, но не менее 8

 

Выпрямитель сварочный

ВД-306

 

 

 

 

 

 

 

 

b

0,3 d′Н, но не менее 6

 

Выпрямитель многопостовой сварочный

ВДГМ-1001

 

 

 

 

 

 

 

 

 

 

 

Трансформатор сварочный

ТД-300

 

 

 

 

стыковое

2

dН

10-40

Дуговая ручная швами с накладками из стержней

То же

То же

 

Э42А, Э46А, Э50А

-

-

 

 

 

 

l

6 (3) dН

8 (4) dН

 

 

 

 

 

 

 

 

 

 

 

l1

0,5 dН, но ≥ 10

 

 

 

 

 

 

 

 

 

 

 

b

0,5 dН, но ≥ 8

 

 

 

 

 

 

 

 

 

 

 

h

0,25 dН, но ≥ 4

 

 

 

 

 

 

 

стыковое

3

dН

20-40

Ванная одноэлектродная в инвентарных формах

-«-

-«-

-

Э50А, Э55

Э55, Э60

-

-

 

 

 

 

dН / d′Н

0,8-1,0

 

 

 

 

 

 

 

 

 

 

 

 

l

≤ 1,5 dН; (≤ 1,2 dН)

 

 

 

 

 

 

 

 

 

 

 

 

 

 

Дуговая механизированная порошковой проволокой в инвентарной форме

Полуавтомат сварочный

А-1197П-5У

А-765У4

-

ПП-АНЗ

СП-2

рекомендуется

 

 

 

 

l1

12-20 (12-16)

 

 

 

 

 

 

 

 

 

 

l2

5-12

 

 

 

 

 

 

 

 

 

 

h1

(0,1-0,15) dН; (0,05 dН)

 

 

 

 

 

 

 

 

 

 

h2

≤ 0,2 dН; (≤ 0,05 dН)

 

 

 

 

 

 

 

 

 

 

α

90°-10°

 

 

 

-

Св-08А,

Св-08АА

рекомендуется

допускается

не допускается

 

 

 

 

 

 

Ванная механизированная под флюсом в инвентарной форме

 

 

 

 

 

 

 

 

 

 

 

β

10°-15°

 

 

 

 

 

 

 

 

 

4

dН

20-40

 

 

 

 

Св-08ГА

рекомендуется

допускается

 

 

 

 

d′Н / dН

0,5-1,0

 

 

 

 

 

 

 

 

 

 

 

 

 

 

 

 

 

 

 

 

 

 

 

 

l

≤ 2 dН

 

 

 

 

Св-10ГА,

Св-10Г2,

Св-08ГС,

Св-8Г2С

допускается

рекомендуется

 

 

 

 

 

l1

5-15 (3-10)

 

 

 

 

 

 

 

 

 

 

 

 

l2

8-20

 

 

 

 

 

 

 

 

 

 

 

 

 

 

 

 

 

 

 

 

 

 

 

 

 

h1

≤ 25 (≤ 15)

 

 

 

 

 

 

 

 

 

 

 

 

z

≤ 0,15 dН

 

 

 

 

 

 

 

 

 

 

 

 

h2

≤ 0,15 dН ≤ 0,05 dН

 

 

 

 

 

 

 

 

 

 

 

 

α1

90°-10°

 

 

 

 

 

 

 

 

 

 

 

 

β

10°-15°

 

 

 

 

 

 

 

 

 

 

 

 

β1

40°-50°

 

 

 

 

 

 

 

 

 

 

 

 

β2

20°-25°

 

 

 

 

 

 

 

 

 

5

dН

20-40

Дуговая механизированная порошковая проволокой на стальной скобе-накладке

-«-

-«-

 

 

 

ПП-АНЗ

СП-2

рекомендуется

 

 

 

 

 

l1

8-12

 

 

 

 

 

 

 

 

 

 

 

 

 

d′Н / dН

0,5-1,0

 

 

 

 

 

 

 

 

 

 

 

 

 

β

5°-10°

 

 

 

 

 

 

 

 

 

 

 

 

 

lН = l

2 dН + l1

 

 

 

 

 

 

 

 

 

 

 

 

 

b

(0,35-0,40) dН

 

 

 

 

 

 

 

 

 

 

 

 

 

h2

≤ 0,05 dН

 

 

 

 

 

 

 

 

 

 

 

 

 

dН

20-40

Ванно-шовная на стальной скобе-накладке

Преобразователь сварочный

Выпрямитель сварочный

Выпрямитель многопостовый сварочный

Трансформатор сварочный

ПСГ-500

ВДУ-506

ВДГМ-1001

ТДМ-503

Э42, Э46, Э42А, Э46А

Э50А, Э55

Э55, Э60

-

-

 

 

 

 

 

l1

12-15

 

 

 

 

 

 

 

 

 

 

 

 

 

d′Н / dН

0,5-1,0

 

 

 

 

 

 

 

 

 

 

 

 

 

β

-

 

 

 

 

 

 

 

 

 

 

 

 

 

lН = l

dН + l1

 

 

 

 

 

 

 

 

 

 

 

 

 

b

(0,35-0,40) dН

 

 

 

 

 

 

 

 

 

 

 

 

 

h1

≤ 0,05 dН

 

 

 

 

 

 

 

 

 

 

 

 

 

dН

20-40

Дуговая механизированная открытой дугой голой легированной проволокой (СОДГП) на стальной скобе

Полуавтомат сварочный

А-1197П-5У

А-765У4

-

Св-20ГСТЮА

(ЭП-245)

Св-15ГСТЮЦА

(ЭП-439)

Рекомендуется

допускается

 

 

 

 

 

l1

10-20

 

 

 

 

 

 

 

 

 

 

 

 

d′Н / dН

0,5-1,0

 

 

 

 

 

 

 

 

 

 

 

 

β

5°-10°

 

 

 

 

 

 

 

 

 

 

 

 

lН = l

3 dН + l1

 

 

 

 

 

 

 

 

 

 

 

 

b

(0,35-0,40) dН

 

 

 

 

 

 

 

 

 

 

 

 

h2

≤ 0,5 dН

 

 

 

 

 

 

 

 

стыковое

6

dН

20-40

Дуговая механизированная порошковой проволокой на стальной скобе

-«-

То же

-

ПП-АНЗ

СП-2

рекомендуется

 

 

 

 

 

d′Н / dН

0,5-1,0

 

 

 

 

 

 

 

 

 

 

 

 

 

 

 

 

 

 

 

 

 

 

 

l1

6-8

Дуговая механизированная открытой дугой голой легированной проволокой на стальной скобе-накладке

-«-

-«-

-

Св-20ГСТЮА

(ЭП-245)

Св-15ГСТЮЦА

(ЭП-439)

рекомендуется

 

 

 

 

 

 

 

 

 

 

 

 

 

 

 

 

 

 

 

lН = l

2 dН + l1 (3 dН + ll)

 

 

 

 

 

 

 

 

 

 

 

 

 

 

 

 

 

 

 

 

 

 

 

 

 

h2

≤ 0,05 dН

 

 

 

 

 

 

 

 

 

 

 

 

 

 

Дуговая ручная многослойными швами на стальной скобе прокладке

Преобразователь сварочный

Выпрямитель сварочный

Выпрямитель многопостовый сварочный

Трансформатор сварочный

ПСГ-500-142

ВДУ-506

ВДГМ-1001У4

ТДМ-501

Э42, Э46, Э42А, Э46А

Э50А, Э55

-

-

 

 

 

 

 

b

(0,35-0,40) dН

 

 

 

 

 

 

 

 

 

 

 

 

α

90°-10°

 

 

 

 

 

 

 

 

 

 

 

 

 

 

 

 

 

 

 

 

 

 

 

 

 

β

30°-40°

 

 

 

 

 

 

 

 

 

 

 

 

 

 

 

 

 

 

 

 

 

 

 

 

 

z

≤ 0,15 dН

 

 

 

 

 

 

 

 

нахлестанное

7

dН

10-40

10-25

Дуговая ручная швами без дополнительных технологических элементов

То же

То же

То же

Э42А, Э46А, Э50А

-

-

 

 

 

 

 

lН = l

6 dН

8 dН

 

 

 

 

 

 

 

 

 

 

 

 

b

0,5 dН но ≥ 8

 

 

 

 

 

 

 

 

 

 

 

 

 

 

 

 

 

 

 

 

 

 

 

 

 

h

0,25 dН но ≥ 4

 

 

 

 

 

 

 

 

 

 

 

 

 

 

 

 

 

 

 

 

 

 

8

dН

10-40

 

 

 

 

 

 

 

 

 

 

 

 

S

0,3 dН но ≥ 4

 

 

 

 

 

 

 

 

 

 

 

 

lН = l

3 dН

4 dН

 

 

 

 

 

 

 

 

 

 

 

 

b

0,5 dН но ≥ 8

 

 

 

 

 

 

 

 

 

 

 

 

h

0,25 dН но ≥ 4

 

 

 

 

 

 

 

 

Примечание. Размеры, указанные в скобках, относятся к ванной электродной сварке. Размеры, указанные в скобках в эскизе 6, относятся к дуговой механизированной сварке голой легированной проволокой. Каждому типу электродов может соответствовать одна или несколько марок, например: к типу Э42 относятся электроды марок АНО-5, АНО-6; Э42А; УОНИ 13/15, СМ-11; Э46; АНО-4, МР-3; Э46А; УОНИ 13/55; Э50А-ДСК-50, АНО-6; Э55; УОНИ 13/55у; Э60; УОНИ 13/65, ВСФ-65.


3.6.3 Свариваемые кромки отдельных арматурных стержней, деталей сеток, плоских каркасов, армоблоков, объемных каркасов и арматуры опалубочных блоков, а также плоского стального проката перед сваркой должны быть очищены до чистого металла от грязи, слоя ржавчины, масла на 20 мм от торца или границы скоса кромки. Вода, снег или лед должны быть удалены с поверхности стержней (деталей) путем нагревания их пламенем газовых горелок или паяльных ламп до температуры 100 °С.

3.6.4 Прихватку собираемых деталей следует выполнять в местах последующего наложения сварных швов с использованием тех же материалов. Перед выполнением швов поверхность прихватки и соседних участков должна быть очищена от шлака и брызг металла.

3.6.5 Крестообразные, стыковые и нахлесточные соединения арматуры следует выполнять, применяя соответствующие способы и режимы сварки, используя сварочные материалы и оборудование (таблицы 3.2 и 3.3).

3.6.6 Для выполнения ванной механизированной сварки арматурных стержней необходимо применять флюс марок АН-348А, АН-8, АН-14, АН-22.

3.6.7 Для обеспечения формирования расплавленного металла шва при выполнении стыковых сварных соединений, изображенных на эскизах 3, 4 таблицы 3.2, необходимо использовать инвентарные графитовые формы.

3.6.8 Инвентарную форму следует устанавливать на подготовленные для сварки концы стержней таким образом, чтобы были выдержаны установочные размеры (рисунок 3.8).

Рисунок 3.8 - Установка инвентарной формы на свариваемые арматурные стержни:

1 - стыкуемые стержни; 2 - элементы формы


Таблица 3.3 - Режимы сварки при выполнении крестообразных, стыковых и нахлесточных соединений

Тип соединения

Номер эскиза

Способ сварки

Диаметр

Режим сварки

Длина вылета электродной проволоки, мм

Особые указания

Электрода или сварочной проволоки, мм

Арматурного стержня, мм

Скорость подачи проволоки, м/ч

Напряжение на дуге, В

Сила сварочного тока, А

Крестообразное

1

Ручная дуговая точечными прихватками

4

-

-

-

150

 

Для соединений с ненормируемой прочностью

5

175

Стыковое

2

Ручная дуговая протяженными швами с парными круглыми накладками

4-5

8-20

-

-

150-175

-

Сварку стержней в вертикальном положении следует выполнять напроход снизу вверх, снижая ток на 10-15 % против рекомендуемого

5

22-32

200-225

5-6

32-40

225-275

3

Ванная одноэлектродная

5

20-28

-

-

Г*

220-250

В*

200-220

-

 

4

5-6

32-40

260-300

220-240

3

4

5

6

Механизированная порошковой проволокой при использовании полуавтоматов. А-1197П-5У, А-765У4

3

20-28

210-236

25-26

250-300

30-40

Соединения, изображенные на эскизах 6, 8а**, разрешается выполнять только при условии проведения ультразвукового контроля их качества (не менее 15 %)

32-40

296-337

26-30

350-400

40-50

3

Ванная механизированная под флюсом при использовании полуавтоматов

А-1197П5У

А-765У4

 

20-25

28-32

36-40

280-310

38-42

40-44

42-46

300-400

350-450

400-500

30-60

Для сварки горизонтально расположенных стержней арматуры рекомендуется применять разделку торцов с двусторонним скосом. Допускается применять прямую разделку торцов стержней

4

ПДФ502УХЛ-2

2

20-25

370-400

34-38

J1

J2

J3

30-80

40-80

Для сварки вертикально расположенных стержней арматуры рекомендуется применять прямую разделку нижнего стерня (эскиз 5а)**. Разделку с обратным скосом нижнего стержня (эскиз 5б)** рекомендуется применять только при сварке стержней диаметром ≥ 32 мм и допускается при условии, что сварку подготовленных стержней будут выполнять сварщики, имеющие удостоверение на право производства сварочных работ с подобной подготовкой нижнего стержня

28-32

460-500

36-40

180-200

350-400

550-600

 

36-40

 

38-42

200-220

 

 

 

220-250

400-450

5

Ванно-шовная

5

20-28

-

-

220-250

-

При скоплении большого количества шлака в скобе-накладке необходимо прожечь отверстие на 2-5 мм ниже зеркала жидкого шлака для его удаления, затем отверстие заварить

5-6

32-40

260-300

5

6

Дуговая механизированная полой легированной проволокой (А-1197П-5У; А-765У4)

1,6

20-40

Г

В

Г

В

Г

В

10-20

При сварке стержней (см. эскиз 7**) следует уделять особое внимание проплавлению правого стержня или левого при сварке левой рукой

295-312

208-229

28-30

25-26

240-280

180-220

2,0

304-312

-

29-30

-

260-300

-

6

Дуговая ручная многослойными швами

5

6

20-32

36-40

-

-

200-225

225-275

-

Сварку в вертикальном положении следует выполнять в направлении снизу вверх, при этом величина тока должна быть на 10-20 % ниже указанного в таблице.

4-5

5

10-20

22-32

150-175

200-225

Нахлесточное

7

8

Дуговая ручная швами

5-6

36-40

225-275

Примечания: *Г - при сварке горизонтально расположенных стержней;

*В - при сварке вертикально расположенных стержней;

** - эскизы приведены в таблице 3.2.


3.6.9 Закрепление инвентарных форм на стержнях должно быть выполнено с помощью струбцин или быстродействующих приспособлений, не допуская их проскальзывания.

3.6.10 Для выполнения стыковых сварных соединений арматурных стержней, изображенных на эскизах 5, 6 таблицы 3.2, необходимо использовать стальную скобу-накладку. Накладкой называется технологическая деталь, служащая формой для образования сварного шва (рисунок 3.9, таблица 3.4).

Рисунок 3.9 - Конструкция скобы-накладки для сварки горизонтально и вертикально расположенных арматурных стержней

Таблица 3.4 - Размеры скоб-накладок, мм

Условные обозначения конструктивного элемента

Диаметры стержня, dН

20

22

25

28

32

36

40

D

23,5

25,5

28,5

32,5

36,5

41,5

45,5

δ

 

6

 

 

 

8

 

Н

28

30

33

38

42

47

52

В

Горизонтальных стыков:

3 dн + (10 ÷ 20) - СОДГП

2 dн + (8 ÷ 12) - механизированная порошковой проволокой

2 dн + (12 ÷ 15) - ванно-шовная

Вертикальных стыков:

3 dн + (6 ÷ 8) - СОДГП

2 dн + (6 ÷ 8) - механизированная порошковой проволокой и многослойными швами

Закреплять скобы-накладки следует на концах стержней (рисунок 3.10).

Рисунок 3.10 - Установка стальных скоб-накладок:

1 - арматурный стержень; 2 - скоба; 3 - место расположения прихваток

3.6.11 Ванную одноэлектродную сварку стержней арматуры следует выполнять с использованием инвентарных форм (рисунок 3.11). Конструктивные размеры элементов форм приведены в таблице 3.5.

Рисунок 3.11 - Конструкция инвентарной графитовой формы для ванной одноэлектродной сварки вертикально расположенных стержней

Таблица 3.5 - Размеры конструктивных элементов форм, мм

Диаметр стыкуемых стержней

Условные обозначения конструктивного элемента

А

В

Н

D

в1

h

h1

h′

ε

ε

n

20

100

100

65

23,5

15

40

22

8

3

1-1,5

3

22

70

25,5

42

24

25

113

97

75

28,5

45

27

28

119

80

32,5

18

50

29

10

4

4

32

125

125

85

36,5

55

34

36

138

138

95

41,5

60

39

12

5

5

40

105

45,5

65

44

3.6.12 Для выполнения стыкового соединения, изображенного на эскизе 2 таблицы 3.2, необходимо использовать круглые накладки.

Суммарную площадь круглых накладок следует рассчитывать по формуле:

;

где: Fn - общая площадь поперечного сечения накладок в соединении;

F - площадь стыкуемого стержня;

Ra - расчетное сопротивление стали соединенного стержня;

Ran - расчетное сопротивление стали накладок;

γ - коэффициент, учитывающий условия работы накладок, который принимается равным для арматуры класса: A-I γ = 1,5

А-II        γ = 1,5

A-III       γ = 2

3.6.13 При сборке арматурных стержней под сварку накладки следует располагать так, чтобы их оси находились в одной плоскости с осью стержней. Положение накладок должно обеспечивать удобный доступ для выполнения прихваток и последующей сварки.

3.6.14 Арматурные стержни, свариваемые без дополнительных технологических элементов, при сборке следует скреплять двумя прихватками длиной 15-20 мм каждая, располагаемыми с одной стороны на расстоянии 2 dH от края нахлестки (эскиз 7 таблица 3.2).

3.6.15 Сборка арматурного стержня с плоским элементом внахлестку должна быть осуществлена с помощью двух прихваток, расположенных по диагонали с противоположных сторон на расстоянии (0,5-1,0) dH от краев нахлестки.

Требования к сварке элементов, покрытых слоем цинка

3.6.16 Оцинкованные элементы, собираемые внахлестку, должны плотно прилегать друг к другу. Зазор не должен превышать 0,5 мм, а при толщине элементов свыше 12 мм - не более 1,5 мм.

Сварку оцинкованных элементов следует выполнять на максимально рекомендуемом токе.

При ручной дуговой сварке следует использовать электроды с фтористо-кальциевым покрытием (УОНИ) или рутиловым покрытием (МР-3, АНО-4).

Цинковые покрытия, нарушенные сваркой, следует покрыть металлизацией или протекторной обмазкой в соответствии с указанием проекта.

Требования к сварке в зимних условиях

3.6.17 Рабочее место сварщика и свариваемые поверхности должны быть ограждены от атмосферных осадков, сильного ветра и сквозняков.

При температуре окружающего воздуха минус 10 °С и ниже вблизи рабочего места сварщика должно быть инвентарное помещение для обогрева.

3.6.18 Ручную и механизированную сварку конструкций при температуре окружающего воздуха до минус 30 °С следует производить по обычной технологии, но при этом следует:

- повышать сварочный ток на 1 % при падении температуры воздуха ниже 0 °С на каждые 3 °С;

- производить предварительный подогрев газовым пламенем стержней арматуры до 200-250 °С на длину 90-150 мм от стыка;

- подогрев стержней надлежит осуществлять после закрепления на них инвентарных форм, стальных скоб или круглых накладок;

- снижать скорость охлаждения выполненных ванными способами сварки соединений стержней посредством обмотки их асбестом;

- при наличии инвентарных формующих элементов следует снимать последние после остывания выполненного сварного соединения до 100 °С и ниже.

3.6.19 Допускается сварка стержневой арматуры при температуре окружающего воздуха до минус 50 °С по специальной технологии, разработанной в ППР и ППСР.

3.6.20 При отрицательной температуре воздуха сварку стержней следует производить без перерыва. В случае вынужденного перерыва соединение, выполнявшееся под флюсом, следует вырезать и заварить вновь. Допускается заварка таких соединений многослойными швами.

3.6.21 В соединении стержней с накладками или внахлестку, сваренных при отрицательных температурах, удаление дефектов в швах следует выполнять после подогрева прилегающего участка сварного соединения до температуры 200-250 °С. Заварку восстанавливаемого участка надлежит производить также после подогрева.

3.6.22 Прихватка дуговой сваркой в крестообразных соединениях стержней рабочей арматуры согласно ГОСТ 14098-91 при отрицательных температурах запрещается.

4. Укладка бетонных смесей

4.1. Общие положения по производству работ

4.1.1 Перед бетонированием основания и бетонные поверхности рабочих швов должны быть очищены от мусора, грязи, масел, снега и льда, цементной пленки и др. Непосредственно перед укладкой бетонной смеси очищенные поверхности должны быть промыты водой и просушены струей воздуха. Опалубка до укладки бетонной смеси должна быть очищена от наплывов раствора и бетона, мусора и грязи, а арматура - от отслаивающейся ржавчины.

4.1.2 Укладка бетонной смеси должна производиться при непосредственном наблюдении за состоянием опалубки и поддерживающих ее лесов. При деформации, смещении отдельных элементов опалубки, поддерживающих лесов и креплений следует немедленно принять меры по их устранению.

4.1.3 Высота свободного сбрасывания бетонной смеси в опалубку конструкций при их бетонировании должна быть не более, м:

колонн - 5,0;

перекрытий - 1,0;

стен - 4,5;

неармированных конструкций - 6,0;

слабоармированных подземных конструкций в сухих и связных грунтах - 4,5;

густоармированных - 3,0.

4.1.4 Условия выдерживания уложенного бетона и ухода за ним в начальный период его твердения должны обеспечить необходимый температурно-влажностный режим, предотвращение значительных температурно-усадочных деформаций и образование трещин, а также предохранение твердеющего бетона от ударов и сотрясений, ухудшающих качество бетона в конструкции.

4.1.5 Бетонные работы должны вестись в течение года с соблюдением соответствующих этому периоду требований, изложенных в нормативно-технической литературе и проектах производства работ.

4.2. Требования к бетонной смеси и ее составляющим

4.2.1 Выбор цементов для приготовления бетонных смесей следует производить в соответствии с требованиями приложений 6 и 7 СНиП 3.03.01-87 с учетом ГОСТ 969-91, ГОСТ 10178-85*, ГОСТ 22266-94. Приемку цементов следует производить по ГОСТ 22236-85, транспортирование и хранение цементов - по ГОСТ 22237-85 и СНиП 3.09.01-85. Цементы специального назначения - сульфатостойкие, расширяющиеся и др., должны применяться лишь при особых требованиях, указанных в проектах зданий и сооружений.

4.2.2 Щебень и гравий для строительных работ должен быть из плотных горных пород и отвечать требованиям ГОСТ 8267-93*. При выборе заполнителей для бетонов следует применять преимущественно материалы из местного сырья. Нельзя применять природную смесь песка и гравия без рассева на фракции (приложение 7 СНиП 3.03.01-87). Для получения требуемых технологических свойств бетонных смесей и эксплуатационных свойств бетонов следует применять химические добавки или их комплексы в соответствии с приложениями 7 и 8 СНиП 3.03.01-87.

4.2.3 Песок для бетонных смесей, используемый в качестве мелкого заполнителя, должен содержать до 5-7 % пылевидных частиц крупностью менее 0,14 мм и 15-20 % мелких частиц крупностью менее 0,3 мм от общей массы песка. Песок должен соответствовать требованиям ГОСТ 8736-93*.

4.2.4 Доля песка принимается равной 32-45 % при использовании гравия и 40-60 % при использовании щебня.

4.2.5 В качестве крупного заполнителя лучше применять щебень с гравием. Использование одного щебня ухудшает удобоукладываемость бетонной смеси.

4.2.6 Сыпучие исходные материалы для бетонной смеси дозируют по массе (кроме пористых заполнителей). Жидкие составляющие дозируют по массе или объему. Дозировку компонентов следует корректировать в процессе приготовления бетонной смеси с учетом данных контроля показателей свойств цемента, влажности, гранулометрии заполнителей и контроля прочности.

4.2.7 Увеличение расхода цемента сверх нормативного с целью улучшения удобоукладываемости смеси недопустимо. При оптимальном гранулометрическом составе заполнителей расход цемента в бетонной смеси, перекачиваемой бетононасосами, не отличается от расхода цемента для приготовления бетонных смесей, укладываемых другими методами.

4.2.8 Качество материалов, применяемых для приготовления бетонных смесей, должно обеспечивать выполнение технических требований, предъявленных к бетону конкретного вида.

4.2.9 Дозирование компонентов бетонных смесей следует производить по массе. Допускается дозирование по объему воды добавок, вводимых в бетонную смесь в виде водных растворов. Соотношение компонентов определяется для каждой партии цемента и заполнителей, при приготовлении бетона требуемой прочности и подвижности. Дозировку компонентов следует корректировать в процессе приготовления бетонной смеси с учетом данных контроля показателей свойств цемента, влажности, гранулометрии заполнителей и контроля прочности.

4.2.10 Порядок загрузки компонентов, продолжительность перемешивания бетонной смеси должны быть установлены для конкретных материалов и условий применяемого бетоносмесительного оборудования путем оценки подвижности, однородности и прочности бетона в конкретном замесе. При введении отрезков волокнистых материалов (фибр) следует предусматривать такой способ их введения, чтобы они не образовывали комков и неоднородностей.

При приготовлении бетонной смеси по раздельной технологии надлежит соблюдать следующий порядок:

в работающий скоростной смеситель дозируется вода, часть песка, тонкомолотый минеральный наполнитель (в случае его применения) и цемент, где все перемешивается;

полученную смесь подают в бетоносмеситель, предварительно загруженный оставшейся частью заполнителей и воды, и еще раз все перемешивают.

4.2.11 Бетонная смесь должна приготавливаться согласно ГОСТ 7473-94 и в соответствии с проектом и подбором состава, согласованным с заводом-изготовителем, в котором должно быть указано:

класс или проектная марка бетона и срок ее получения;

требования по водонепроницаемости, морозостойкости и др.;

наибольшая крупность заполнителя;

удобоукладываемость;

режим твердения;

специальные добавки для получения бетона с заданными свойствами и их количество.

4.2.12 Состав бетонной смеси должен устанавливаться заводской лабораторией на основе предварительных подборов, обеспечивающих соблюдение следующих требований:

а) получение в назначенный срок бетонов, предусмотренных проектом марок (классов);

б) получение при наименьшем расходе цемента однородной бетонной смеси с заданными проектом свойствами, удовлетворяющей условиям производства работ по подвижности и удобообрабатываемости.

4.2.13 Необходимая консистенция бетонной смеси обеспечивается правильным соотношением между ее растворной частью и расходом крупного заполнителя. При использовании крупного заполнителя фракции 5-20 мм объем растворной части на 1 м3 бетонной смеси должен быть не менее 550-650 л. Максимальная фракция заполнителя 20 мм.

4.2.14 Транспортирование и подачу бетонных смесей следует осуществлять специализированными средствами, обеспечивающими сохранение заданных свойств бетонной смеси. Запрещается добавлять воду на месте укладки бетонной смеси для увеличения подвижности.

4.2.15 Бетонные смеси, предназначенные для транспортирования по трубопроводам, должны обладать однородной структурой, удобоперекачиваемостью и обеспечивать получение требуемых физико-механических характеристик бетона. Такие бетонные смеси должны подбираться и контролироваться строительной лабораторией расчетно-экспериментальным путем (см. таблицу 4.1).

Таблица 4.1 - Основные характеристики бетонных смесей, пригодных для транспортирования по трубопроводам

Показатели бетонных смесей

Ед. изм.

Диаметр трубопроводов, мм

100

125

150

Количество крупного заполнителя по фракциям: диаметром 5-10 мм

%

40-60

30-40

30-40

диаметром 10-20 мм

%

40-60

50-60

50-60

Расход цемента

кг/м3

300-400

300-400

300-400

Расход песка

кг/м3

730-1000

700-900

600-800

Расход щебня (гравия)

кг/м3

850-1050

900-1000

1000-1200

Отношение

 

0,4-0,7

0,4-0,6

0,32-0,45

Осадка стандартного конуса

см

4-15

2-15

2-15

Водосодержание цемента ХЦ

 

1,2-2,4

1,2-2,4

1,2-2,4

Степень заполнения цементным тестом пустот в песке ХП

 

1,1-1,9

1,1-1,9

1,1-1,9

Степень заполнения раствором пустот в крупном заполнителе ХЩ(Г)

 

1,2-1,9

1,2-1,9

1,1-1,9

4.2.16 Тяжелые и легкие бетоны из бетонных смесей, приготовленных в соответствии с ГОСТ 7473-94, должны иметь заданные показатели по прочности, средней плотности (для легких бетонов), морозостойкости и водонепроницаемости (при необходимости). Расслаиваемость бетонной смеси должна быть не более:

5 % - для тяжелых бетонов;

10 % - для легких бетонов.

Составы бетонных смесей должны подбираться в соответствии с ГОСТ 27006-86.

4.2.17 Оптимальная подвижность бетонной смеси, с точки зрения ее удобоукладываемости, находится в пределах 6-8 см, а водоцементное отношение 0,4-0,6.

4.3 Применение сухих смесей

4.3.1 В зависимости от степени готовности бетонные смеси подразделяют на следующие виды:

- бетонные смеси, готовые к употреблению;

- бетонные сухие смеси.

Использование сухих бетонных смесей целесообразно, если радиус доставки превышает технологически допустимый (45 км), а также при использовании трубопроводного транспорта.

4.3.2 Сухие бетонные смеси готовят в стационарных смесителях. Влажность заполнителей для сухих бетонных смесей не должна превышать 0,1 % (ГОСТ 7473-94). Вода для затворения бетонных смесей и приготовления добавок - по ГОСТ 23732-79.

4.3.3 Наименьшая продолжительность смешивания в стационарных цикличных смесителях (время от момента окончания загрузки всех материалов в работающий смеситель до начала выгрузки готовой смеси) должна соответствовать для бетонной смеси на плотных заполнителях обязательному приложению 1 ГОСТ 7473-94, а для бетонной смеси на пористых заполнителях - обязательному приложению 2 ГОСТ 7473-94 или технологическому регламенту.

4.3.4 Приготовление бетонной смеси осуществляется в загруженных сухими составляющими автобетоносмесителях по пути следования на стройплощадку. Водитель, добавляя воду из мерного бачка, установленного на автобетоносмесителе, за 10-20 мин. до ее выгрузки из барабана, перемешивает сухую бетонную смесь.

4.3.5 Предназначенная для перекачки по трубопроводам сухая бетонная смесь должна подбираться расчетно-экспериментальным путем. Гранулометрический состав, пластичность и однородность смеси должны обеспечивать проектные характеристики бетона конструкции.

4.4 Применение бетонных смесей с пластифицирующими добавками в комплексе с ускорителями твердения

4.4.1 Для получения требуемых технологических свойств бетонных смесей и эксплуатационных свойств бетонов можно использовать химические добавки или их комплексы.

При выборе химических добавок необходимо руководствоваться требованиями СНиП 3.03.01-87, ГОСТ 24211-91. ОАО «ПКТИпромстрой» разработаны рекомендации по применению специальных химических добавок для управления физико-механическими и технологическими свойствами бетонов и растворов (1984 г.)

Классификация добавок:

Пластифицирующие добавки:

С-3 - «разжижитель С-3» (ТУ 14-652-81 с изменением № 1);

ЛТМ - лигносульфонат технический модифицированный (ТУ 65-08-74-86);

ЛСТМ-2 - лингосульфонат технический модифицированный (ТУ 13-287-85);

Пластифицирующе-воздухововлекающие добавки:

ВЛХК - омыленная растворимая смола (ТУ 61-05-34-75);

ГКЖ - метил (этил) силиконат натрия (ТУ 6-02-696-76);

НЧК - нейтрализованный черный контакт (натриевый) (ТУ 38-101615-76);

ПАЩ-1 - пластификатор адипиновый (ТУ 6-03-26-77);

М1 - мылонафт (ГОСТ 13302-77*);

Воздухововлекающие добавки:

СНВ - смола нейтрализованная воздухововлекающая (ТУ 81-05-7-80);

СПД - синтетическая поверхностно-активная добавка (ТУ 38-101253-77);

ЦНИПС-1 - омыленный древесный пек (ТУ 81-05-16-76);

Микрогазообразующие добавки:

ПГЭН - этилгидридсесквиоксан (ТУ 6-02-280-76);

Ускорители твердения бетона:

СН - сульфат натрия (натрий сернокислый, ГОСТ 6318-77*);

НН1 - нитрат натрия (натрий азотнокислый, ГОСТ 828-77*Е);

ХК - хлорид кальция (кальций хлористый, ГОСТ 450-77*);

ННК - нитрит-нитрат кальция (ТУ 6-03-704-74);

НК - нитрит кальция (ТУ 6-03-367-79);

ННХК - нитрит-нитрат-хлорид кальция (ТУ 6-18-194-76);

Противоморозные добавки:

ХК - хлорид кальция (ГОСТ 450-77*) в сочетании с ХН - хлоридом натрия (соль поваренная, ГОСТ 13830-97);

НН - нитрит натрия (ГОСТ 19906-74 *Е);

П - поташ (калий углекислый технический, ГОСТ 10690-73*Е);

НКМ - соединение нитрата кальция с мочевиной (ТУ 6-03-349-73).

(Измененная редакция, Изм. № 1).

4.4.2 Для повышения прочности и удобоукладываемости бетонной смеси рекомендуется вводить:

- Суперпластификатор С-3 в количестве до 0,3-0,7 % от массы цемента, что позволяет повысить подвижность до 20-22 см без снижения прочности бетона или повысить прочность, непроницаемость и морозостойкость бетонов со снижением водоцементного отношения. Возможно одновременное частичное получение нескольких эффектов, например, некоторое увеличение подвижности и одновременное увеличение прочности бетонов и т.д.

- Пластификатор ЛСТМ-2 в количестве 0,25-0,4 % от массы цемента (в расчете на сухое вещество). Применение добавки обеспечивает:

1) пластификацию бетонной смеси (изменение осадки конуса с 3-5 см до 12-20 см) без увеличения расхода цемента и снижения прочности бетона;

2) снижение водопотребности на 7-15 %, сохраняя за счет этого подвижность бетонной смеси и прочность бетона при пониженных расходах цемента;

3) повышение прочности бетона до 20 % без увеличения расхода цемента.

Пластификатор ЛСТМ-2 можно использовать в комплексе с ускорителями твердения, воздухововлекающими, пластифицирующе-воздухововлекающими, противоморозными и др. добавками. Целесообразность применения и состав комплексной добавки устанавливаются экспериментально. В качестве вяжущего для приготовления бетонов с добавкой ЛСТМ-2 следует применять портландцемента бездобавочные, портландцементы с минеральными добавками, портландцемента на основе клинкера нормированного состава, шлакопортландцементы, быстротвердеющие портландцементы и шлакопортландцементы, соответствующие требованиям ГОСТ 10178-85*, сульфатостойкие портландцементы и сульфатостойкие портландцементы с минеральными добавками, соответствующие требованиям ГОСТ 22266-94. Применяемые совместно с пластификатором ЛСТМ-2 цементы не должны обладать «ложным» схватыванием.

Бетонные смеси с добавкой ЛСТМ-2 сохраняют удобоукладываемость в течение 1-1,5 часа.

Добавка ЛСТМ-2 вводится в бетонную смесь в процессе дозирования материалов вместе с водой затворения в виде 5-10 % (50 %) водного раствора.

При транспортировании бетонных смесей с ЛСТМ-2 в автобетоносмесителях целесообразно первоначально перемешивать составляющие с 50-70 % воды затворения без добавки, а после транспортирования полученной бетонной смеси на месте укладки в смесь добавить оставшееся количество воды (30-50 %) и все количество добавки ЛСТМ-2, что позволяет повысить живучесть смеси и эффективность использования пластификатора.

- Суперпластификатор ЛТМ в количестве 0,3-0,9 % сухого вещества от массы цемента (или сложного вяжущего). Оптимальную дозировку применяемой добавки определяют по результатам испытаний. Применение добавки ЛТМ позволяет:

1) повысить подвижность бетонных смесей с 3-4 см до 18-22 см и улучшить их технологические свойства (нерасслаиваемость, удобоукладываемость, однородность и др.);

2) производить укладку бетонных смесей по маловибрационной или безвибрационной технологии;

3) сократить продолжительность тепловой обработки бетона и уменьшить расход теплоносителя на 25-35 % или ускорить твердение бетона в раннем возрасте при положительной температуре на 20-50 %;

4) повысить распалубочную, передаточную, отпускную или проектную прочность бетона на 30-70 %;

5) увеличить морозостойкость в 2-3 раза, понизить газо- и водопроницаемость в 2 раза;

6) снизить расход цемента в бетоне на 12-15 %.

Организация массового производства и применение ЛТМ не вызывает затруднений благодаря недефицитности исходных материалов, простоте и небольшой стоимости изготовления необходимого оборудования.

Для повышения водонепроницаемости бетонной смеси рекомендуется вводить добавки НК, ВЛХК, СНВ, СПД, С-3 и М1; для повышения морозостойкости вводят добавки СНВ, СПД, М1, ГКЖ, ВЛХК; для повышения солестойкости бетона - СНВ, СПД, М1, ВЛХК, ГКЖ.

Целесообразность применения той или иной добавки должна определяться экономическими показателями.

4.4.3 Принята следующая технология приготовления бетона с добавкой: в бетоносмеситель вместе с водой подается необходимое количество добавки, установленное при подборе состава бетона. Продолжительность перемешивания бетонной смеси не должна превышать 3 мин. для тяжелого бетона и 8 мин. для легкого.

4.4.4 Оптимальное количество добавок устанавливается экспериментальным путем и принимается в процентах от массы цемента в пересчете на сухое вещество (таблицы 4.2, 4.3 и 4.4).

Таблица 4.2 - Ориентировочное количество пластифицирующих и пластифицирующе-воздухововлекающих добавок

Вид цемента

Добавки в расчете на сухое вещество, % от массы цемента

СДВ, ССБ, УПБ

М1, ВЛХК, НЧК

Портландцемент, быстротвердеющий портландцемент

0,15-0,25

0,1-0,2

Сульфатостойкий портландцемент

0,1-0,2

0,05-0,15

Пластифицированный портландцемент

-

0,05-0,15

Гидрофобный портландцемент

0,1-0,2

-

Шлакопортландцемент, пуццолановый портландцемент

0,2-0,3

0,1-0,2

Таблица 4.3 - Ориентировочное количество воздухововлекающих и микрогазообразующих добавок

Добавки

Количество в расчете на сухое вещество, % от массы цемента при расходе его в кг/м3

до 300

300-450

более 450

СНВ, СПД, ЦНИПС-1

0,005-0,015

0,01-0,02

0,015-0,035

ПГЭН

0,06-0,08

0,05-0,07

0,03-0,05

Таблица 4.4 - Ускорители твердения

Вид цемента

Тяжелый бетон с В/Ц

Легкий бетон с подвижностью или жесткостью смеси

Добавки в расчете на сухое вещество, % от массы цемента

CH, НН1, ХК

НК, ННХК

НН, ННК

Портландцемент, быстротвердеющий портландцемент, сульфатостойкий портландцемент

0,35-0,55

10-60 с 2-6 см

1-1,5

1,5-2,5

2,5

0,55-0,75

0,5-1

1-2

2

Шлакопортландцемент, пуццолановый, портландцемент, пластифицированный портландцемент, гидрофобный портландцемент

0,35-0,55

10-60 с 2-6 см

1,5-2

2,5-3,0

2,5

0,55-0,75

1-1,5

1,5-2,5

3

4.4.5 При приготовлении бетонной смеси с использованием химических добавок необходимо принять меры к предупреждению ожогов кожи и повреждения глаз работающих.

4.5 Противоморозные добавки

4.5.1 В качестве противоморозных добавок используют:

нитрит натрия (НН) ГОСТ 19906-74*Е;

поташ (П) ГОСТ 10690-73*Е (калий углекислый технический);

нитрит натрия + поташ (НН + П);

комплексное соединение нитрата кальция с мочевиной (НКМ) ТУ 6-03-349-73;

комплексная пластифицирующая добавка (НК + ПАЩ-1, НН + ПАЩ-1) ТУ 6-03-367-79, ГОСТ 19906-74*Е;

хлорид натрия + хлорид кальция (ХН + ХК) ГОСТ 13830-97Е, ГОСТ 450-77*;

хлорид кальция (ХК) + нитрит натрия (НН);

нитрат кальция (НК) (ГОСТ 4142-77) + мочевина (М) (ГОСТ 2081-92);

нитрит-нитрат кальция (ННК) (ТУ 603-7-04-74) + мочевина (М);

нитрит-нитрат кальция (ННК) + хлорид кальция (ХК);

нитрит-нитрат-хлорид кальция (ННХК) + мочевина (М).

Конструкции, в бетоны которых не допускается вводить противоморозные добавки, указаны в СНиП 3.03.01-87.

4.5.2 При выборе добавок следует учитывать, что наиболее дешевыми из них являются хлориды натрия и кальция, наиболее дорогими - нитрит натрия и поташ. Хлорид кальция и в особенности поташ сокращают сроки схватывания бетонной смеси, в смеси с этими добавками следует вводить замедлители схватывания СДБ, мылонафт в количестве до 2 % по массе цемента. Нитрит натрия и НКМ несколько улучшают удобоукладываемость бетонной смеси.

4.5.3 Соли следует вводить в состав бетона в виде растворов рабочей концентрации, которые приготовляют смешением максимально концентрированного раствора солей с водой до введения в бетоносмеситель. Соотношение между концентрированным раствором соли и водой устанавливают при расчете состава бетона.

4.5.4 При приготовлении бетонной смеси с противоморозными добавками необходимо учитывать следующее:

бетонную смесь с добавкой хлорида или нитрита натрия рекомендуется применять с температурой - 10-35 °С, а с добавкой поташа с температурой - 10-15 °С;

температура бетона после укладки и уплотнения должна быть выше температуры замерзания раствора затворения не менее чем на 5°;

для приготовления бетонной смеси могут применяться неподогретые материалы, но без включения льда, снега и смерзшихся комьев; при необходимости подогрева составляющих бетона (воды и реже песка) температура определяется расчетом.

Рекомендуемые количества противоморозных добавок в зависимости от расчетной температуры твердения бетона и нарастание прочности бетонов на портландцементах с противоморозными добавками следует принимать в соответствии с следующими данными (таблицы 4.5 и 4.6).

4.5.5 Если добавки излишне пластифицируют бетонную смесь, то ее подвижность понижают за счет уменьшения воды без изменения количества солей.

4.5.6 При работе с холодными материалами рекомендуется следующий порядок: сначала загружают песок и щебень и одновременно заливают рабочий раствор с мылонафтом; после их перемешивания в течение 1,5-2 мин. загружают цемент и дополнительно перемешивают не менее 2-3 мин.

Таблица 4.5 - Рекомендуемые количества противоморозных добавок

Расчетная температура бетона, °С

Количество безводных добавок, % по массе цемента

НН

ХН+ХК

НКМ

НК+М

ННК + М,

НК+М

ННХК, НН + ХК

ХК + ННК

ННХК + М

П

0

-5

4-6

(3 + 0) - (3 + 2)

3-5

(3 + 1) - (4 + 1,5)

3-5

(2 + 1) - (4 + 1)

5-6

-6

-10

6-8

(3,5 + 3,5) - (4 + 2,5)

6-9

(5 + 1,5) - (7 + 2,5)

6-9

(4,5 + 1,5) - (7 + 2,5)

7-8

-11

-15

8-10

(3 + 4,5) - (5 + 3,5)

7-10

(6 + 2) - (8 + 3)

7-10

(6 + 2) - (8 + 3)

8-10

-16

-20

8-10

(2,5 + 6) - (3 + 7)

9-12

(7 + 3) - (9 + 4)

8-12

(7 + 2) - (9 + 4)

10-12

-21

-25

-

-

-

-

10-14

(8 + 3) - (10 + 4)

12-15

Примечания. 1. При температуре бетона до -5 °С вместо хлорида натрия (ХН) можно применять хлорид кальция (ХК) в количестве до 3 % массы цемента.

2. Концентрация добавок в растворе затворения (с учетом влажности заполнителей) не должна превышать 20 % для НН, 31 % для ХК, 23 % для ХН, 10 % + 10 % для ХК + НН, 26 % для НКМ и НК + М, ННК + М, ННКХ, ННХК + М, 30 % для П.

3. Количество добавок при расчетной температуре назначается:

при работе на холодных материалах - меньшее из указанных количеств при В/Ц < 0,5, большее - при В/Ц ≥ 0,5 независимо от содержания трехкальциевого алюмината в цементе;

при работе на подогретых заполнителях независимо от В/Ц меньшее из указанных количеств ХК + ХН, НК + М, ННК + М, ННХК + М и П - при использовании портландцементов с содержанием трехкальциевого алюмината 6 % и более, а меньшее из указанных количеств НН и ХК + НН - при использовании портландцементов с содержанием трехкальциевого алюмината до 6 %.

Таблица 4.6 - Нарастание прочности бетонов на портландцементах с противоморозными добавками, % R28

Добавки

Расчетная температура твердения бетона, °С

Время твердения на морозе, сут.

7

14

28

90

1

2

3

4

5

6

НН

-5

30

50

70

90

-10

20

35

55

70

-15

10

25

35

50

ХК + ХН

-5

35

65

80

100

-10

25

35

45

70

-15

15

25

35

50

-20

10

15

20

40

НК + М, НКМ, ННК + М

-5

30

50

70

90

-10

20

35

50

70

-15

15

25

35

60

-20

10

20

30

50

ХК + НН, ННХК, ННХК + М

-5

40

60

80

100

-10

25

40

50

80

-15

20

35

45

70

-20

15

30

40

60

-25

10

15

25

40

П

-5

50

65

75

100

-10

30

50

70

90

-15

25

40

65

80

-20

25

40

55

70

-25

20

30

50

60

Примечание. 1. При использовании быстротвердеющих портландцементов приведенные значения следует умножать на коэффициент 1,2; при использовании шлакопортландцементов - на 0,8.

2. При использовании нитрита натрия в виде жидкого продукта, а также при сочетании противоморозных добавок с поверхностно-активными (СДБ, мылонафт) приведенные величины умножают на коэффициент 0,8.

3. Интенсивность твердения бетона должна уточняться строительной лабораторией.

4.6 Доставка бетонных смесей на объект

4.6.1 Способы транспортирования бетонных смесей должны исключать возможность нарушения однородности смеси, потери цементного раствора и предохранять от воздействия на нее в пути атмосферных осадков, ветра и солнечных лучей.

Готовые бетонные смеси должны доставляться потребителю автобетоносмесителями, автобетоновозами, ленточными конвейерами, трубопроводным транспортом и другими специализированными видами транспорта, предназначенными для доставки бетонных смесей и обеспечивающими сохранение заданных свойств бетонной смеси.

Запрещается добавлять воду на месте укладки бетонной смеси для увеличения ее подвижности.

Сухие бетонные смеси должны доставляться в пакетах, контейнерами и в другой таре автомобильным, железнодорожным и другими видами транспорта.

По согласованию с потребителем допускается доставка сухих бетонных смесей автосамосвалами или железнодорожным транспортом в специальных бункерах.

4.6.2 При подаче готовой смеси к месту укладки бетононасосами транспортирование ее на площадку следует осуществлять автобетоносмесителями, которые практически незаменимы при перевозке смесей на расстояние более 30 км, необходимости поставки на строительные объекты высокоподвижных смесей, постепенной выдаче смеси (работа с бетононасосом) и в ряде других случаев (таблица 4.8).

4.6.3 Автосамосвалы могут применяться для перевозки бетонных смесей на короткие расстояния только при наращивании бортов кузова, уплотнении места примыкания заднего борта к кузову резиновыми прокладками, термоизоляции, а также теплообогреве выхлопными газами в зимний период. Высота свободного сбрасывания бетонной смеси при выгрузке из транспортных средств не должна превышать 1 м.

4.6.4 Каждая партия бетонной смеси должна иметь документ о качестве согласно приложения 3 ГОСТ 7473-94, а транспортирование бетонной смеси должно соответствовать требованиям приложения 4 ГОСТ 7473-94.

4.6.5 Учитывая изменения подвижности бетонной смеси при транспортировке, осадку конуса бетонной смеси на заводе вычисляем по формуле:

, где:

ОКзав, ОКоб - подвижность бетонной смеси на заводе (до перевозки) и на строительном объекте (после перевозки);

η - коэффициент потери подвижности от дальности транспортирования, определяемый по графику в соответствии с рисунком 4.1;

μ - коэффициент потери подвижности от температуры окружающей среды (таблица 4.7).

Рисунок 4.1 - График изменения подвижности бетонной смеси от дальности перевозок

Таблица 4.7 - Значения коэффициента потери подвижности

Тип автомашины

Значение μ при t° окружающей среды, °С

от -20 до -4

от -5 до +5

от +5 до +20

от +20 до +30

Автобетоновоз

1,1

1,25

1,1

1

Автосамосвал

1,25

1,4

1,25

1

4.6.6 Рекомендуемые дальность и продолжительность транспортирования смесей в автобетоносмесителях, а также режим перевозок и объем смесей, заполняющих его барабан, зависят от вида загружаемых материалов (сухая, полусухая, готовая).

Таблица 4.8 - Максимально допустимые расстояния транспортирования бетонной смеси в зависимости от транспорта, км

Подвижность бетонной смеси при приготовлении на заводе, см

Вид транспорта

Автобетоносмеситель при загрузке смеси

Автобетоновоз

Автосамосвал

сухой

смоченной

готовой

1-3

практически неограниченно

120

100

45

25

4-6

то же

100

80

30

15

7-9

-»-

80

60

20

10

10-14

-»-

60

45

10

8

4.7 Транспортирование бетонной смеси в пределах объекта. Подача и распределение бетонной смеси бункерами-сигарами

4.7.1 При подаче бетонной смеси в конструкцию с помощью крана рекомендуется пользоваться бункерами по ГОСТ 21807-76* или бункерами-сигарами емкостью 0,5-2 м3, при этом должны быть исключены потери цементного раствора, обеспечено удобство загрузки и очистки, а также постепенность опорожнения Емкость бадей целесообразно принимать равной объему одного или двух замесов бетономешалки. При загрузке бадья должна заполняться на 0,9-0,95 своего объема. Перемещение загруженного или порожнего бункера разрешается только при закрытом затворе.

Интенсивность укладки с использованием трехтонного крана составляет примерно 53 м3/ в смену.

4.7.2 Работа ведется в следующем порядке: в зоне действия крана укладывают настил из щитов, на котором вплотную друг к другу размещают бункера. Автомобиль-самосвал, автобетоновоз подъезжают задним ходом к бункерам, установленным на земле в ряд и загружают их смесью. Заполненные бункера поочередно перемещают с помощью крана к месту укладки бетона и выгружают в конструкцию.

4.7.3 Бетонщик на приемной площадке следит за выгрузкой бетона, стропует бункер к крюку крана и подает команду на подъем. Он же принимает и устанавливает порожние бункера под погрузку. На месте бетонирования двое бетонщиков принимают загруженный бункер и опорожняют непосредственно в конструкцию.

4.7.4 После каждого опорожнения бункер должен быть очищен от остатков бетонной смеси на месте выгрузки. При монолитных работах небольшого объема рекомендуется транспортировать бетонную смесь на этаже тележками, рикшами, автотележками.

4.7.5 Улучшению условий подачи и распределения бетонной смеси в конструкцию способствует распределительный лоток (разработчик ПКТИпромстрой). При укладке бетона из бункера (бадьи) расстояние между нижней кромкой бункера и ранее уложенным бетоном или поверхностью, на которой укладывается бетон, должно быть не более 1 м, если иные расстояния не предусмотрены ППР (рисунок 4.2).

Рисунок 4.2 - Направляющий лоток бункера для бетонирования тонкостенных монолитных конструкций

1 - направляющий лоток; 2 - бункер

4.7.6 Для производства работ используют те типы кранов, которые предусмотрены в ППР с учетом всех основных видов работ на объекте.

4.8 Подача и распределение бетонной смеси автобетононасосами

4.8.1 В ОАО ПКТИпромстрой разработана инструкция по транспортированию и укладке бетонной смеси в монолитные конструкции с помощью автобетоносмесителей и автобетононасосов. Способ подачи и распределения бетонной смеси автобетононасосами наиболее прогрессивный. Его рекомендуется применять для любых частей сооружения как низко, так и высокорасположенных, в густоармированных конструкциях и в труднодоступных для укладки бетонной смеси местах.

Наиболее рационально применение передвижных бетононасосов с распределительной стрелой, расположенных на автоходу (типа «Штеттер», «Вибау»). Их максимальная расчетная производительность до 80 м3/час.

4.8.2 Места стоянок и маршрут передвижения автобетононасосов, автобетоносмесителей на строительной площадке определяют согласно ППР.

4.8.3 Установка автобетононасоса на рабочей площадке разрешается только после:

обеспечения горизонтальности площадки для автобетононасоса;

подготовки подкладок под аутригеры (если площадки из дорожных плит, то подкладки не требуются);

подготовки цемента и воды для затворения цементного теста (для пусковой смеси);

очистки опалубки и арматуры от грязи и мусора в зоне бетонирования;

проверки прочности и герметичности опалубки;

сдачи арматуры и опалубки по акту на скрытые работы;

монтажа стационарного бетоновода;

заготовки пыжей для прочистки бетоноводов;

подготовки резервных мест приемки бетона из автобетоносмесителей.

4.8.4 Состав бетонной смеси, предназначенной для подачи бетононасосами, должен быть подобран лабораторией согласно требованиям СНиП 3.03.01-87 и приложения Б данных «Рекомендаций...».

4.8.5 Загрузку бетононасосов рекомендуется производить из автобетоносмесителя, обеспечивающего однородность бетонной смеси и стабильность ее свойств.

Для автобетоносмесителей должен быть обеспечен удобный подъезд. При этом следует предусмотреть возможность одновременной разгрузки двух автобетоносмесителей или разгрузки одного автобетоносмесителя и установки второго на запасной позиции.

4.8.6 При загрузке бетононасосов бетонной смесью из любого автотранспортного средства (автосамосвал, автобетоновоз, автобетоносмеситель) необходимо пользоваться решеткой, устанавливаемой над приемным бункером и предотвращающей попадание в бетононасос сверхразмерных частиц заполнителя.

4.8.7 Барабаны автобетоносмесителей должны промываться водой после каждой перевозки бетонной смеси и после каждой рабочей смены. С этой целью при разработке ППР необходимо предусматривать водоразборное устройство с гибким шлангом для заполнения барабана водой и места сливов отходов. Объем сливаемых отходов зависит от типа автобетоносмесителя и составляет 200-350 л за смену.

4.8.8 При подаче бетонной смеси по трубопроводу следует обращать особое внимание на его крепление и опирание.

Бетоновод следует укладывать на подкладки, козлы, стойки и пр., верхнее и нижнее колена вертикальных участков устанавливать на опоры запрещается. Каждое звено вертикального участка обязательно должно прочно закрепляться к несущему каркасу здания согласно указаниям ППР.

4.8.9. Выбор трассы бетоновода должен осуществляться так, чтобы возникало возможно меньшее сопротивление, что достигается сокращением длины бетоновода и количества его изгибов. Особенно следует избегать применения колен с углом 90°.

Вертикальные или наклонные участки бетоновода следует располагать не ближе 7-8 м от бетононасоса:

перед переходом с горизонтального участка на вертикальный необходимо установить игольчатый клапан или шиберную задвижку для предотвращения обратного потока бетонной смеси при остановке бетононасоса (с механическим приводом), ремонте или очистке бетоновода;

при необходимости перекладок бетоноводов в процессе бетонирования место установки бетононасоса должно быть выбрано таким образом, чтобы обеспечить кратчайшее расстояние до места укладки небольшого объема смеси.

Монтаж, демонтаж и ремонт бетоноводов, а также удаление из них задержавшегося бетона (пробок) допускается только после снижения давления до атмосферного.

4.8.10 Бетононасос с бетоноводами и вспомогательным оборудованием после сборки должен быть опробован и проверен.

4.8.11 Для промывки бетононасоса, а также для очистки и промывки бетоновода к бетононасосу должна быть подведена вода.

4.8.12 Распределение бетонной смеси, выходящей из трубопроводов, производится концевым гибким резинотканевым рукавом, снабженным ручкой на одного-двух рабочих, или с помощью поворотного стального лотка, звеньевого хобота.

4.8.13 Подачу и распределение бетонной смеси в конструкции насосами ведет бригада из 6 человек, специально прикрепленная к бетононасосу: механик-водитель 5 разряда - 1 чел., слесарь строительный 4 разряда - 1 чел., бетонщик по приему бетона 2 разряда - 1 чел., бетонщик по укладке и уплотнению бетонной смеси 4 разряда - 1 чел. и 2 разряда - 2 чел.

4.9 Уплотнение бетонной смеси

4.9.1 Уплотнение бетонной смеси - основная технологическая операция при бетонировании, от качества которой в основном зависит плотность и однородность бетона, а следовательно, его прочность и долговечность.

4.9.2 Уплотнение бетонной смеси производится вибрированием. Метод виброуплотнения заключается в передаче колебаний бетонной смеси от источника механических колебаний. Под воздействием вибрации происходит разжижение бетонной смеси, ее плотная укладка в опалубке конструкции и удаление содержащегося в бетонной смеси воздуха.

4.9.3 Уплотнение бетонной смеси может производиться глубинными, поверхностными или навешиваемыми на опалубку наружными вибраторами.

Глубинные вибраторы погружаются вибрирующим рабочим наконечником (конусом) в бетонную смесь и сообщают ей колебания. Не допускается опирание вибраторов на арматуру и закладные изделия, тяжи и другие элементы крепления опалубки.

Поверхностные вибраторы устанавливаются на поверхности уложенной бетонной смеси и передают ей колебания через рабочую площадку.

Наружные вибраторы передают колебания бетонной смеси через опалубку.

4.9.4 При уплотнении бетонной смеси глубинным вибратором последний погружается в уплотняемый слой вертикально или с небольшим наклоном. При этом конец вибронаконечника погружается в ранее уложенный слой (если он не схватился) на глубину 5-10 см. Погружение наконечника осуществляется быстро, после чего он, вибрируя, остается неподвижным в течение 10-15 сек., а затем медленно вытаскивается из бетонной смеси с тем, чтобы обеспечить заполнение смесью освобождаемого пространства. Уплотнение необходимо прекратить, когда оседание бетонной смеси не наблюдается, крупный заполнитель покрывается раствором, на поверхности появляется цементное молоко и прекращается выделение больших пузырьков воздуха.

Шаг перестановки глубинного вибратора не должен превышать полуторного радиуса действия вибратора, который устанавливается визуально и зависит от подвижности бетонной смеси, степени армирования, формы конструкции.

Зависимость радиуса действия глубинных вибраторов от частоты колебания представлена на графике. Из графика видно, что максимальный радиус действия вибратора 30-45 см достигается при частоте вибрации 150-200 Гц (рисунок 4.3).

Рисунок 4.3 - Влияние частоты колебаний на радиус действия глубинных вибраторов:

1 - осадка конуса смеси 4 см; 2 - осадка конуса смеси 1,56 см; 3 - показатель жесткости (по техническому вискозиметру) 30 с

4.9.5 Поверхностное вибрирование рекомендуется применять при уплотнении бетонной смеси, укладываемой в подготовки под полы, плиты перекрытий, дорожные покрытия и тому подобные конструкции, толщина которых не превышает 25 см.

4.9.6 Поверхностное вибрирование неармированных или армированных конструкций однорядной сеткой, толщина которых не превышает 25 см, производится с помощью виброреек, вибробрусьев, площадочных вибраторов. Скорость перемещения поверхностного вибратора - 0,5-1 м/мин, виброуплотнение ведут в 2-3 прохода. Шаг перестановки поверхностных вибраторов должен обеспечивать перекрытие на 100 мм площадкой вибратора границы уже провибрированного участка.

Таблица 4.9 - Толщина бетонируемого слоя

№ п/п

Вибрационное уплотнение бетонной смеси

Толщина слоя

1

2

3

1.

Глубинными вибраторами

Не более 1,25 длины рабочей части вибратора

2.

Поверхностными вибраторами, мм:

 

а) в неармированных конструкциях

Не более 400 мм

б) в конструкциях с одиночной арматурой

Не более 250 мм

в) в конструкциях с двойной арматурой

Не более 120 мм

3

Подвесными вибраторами, расположенными:

 

а) под углом к вертикали (до 30°)

Устанавливается опытным порядком, но не более вертикальной проекции длины рабочей части вибратора

б) вертикально

На 5-10 см меньше длины рабочей части вибратора

4.9.7 Наружную вибрацию опалубки можно эффективно применять при бетонировании вертикальных тонкостенных монолитных конструкций балок, ригелей, стен, резервуаров и т.п.

При большом насыщении арматурой бетонируемых стенок для лучшего заполнения опалубки бетонной смесью и обеспечения хорошего уплотнения необходимо дополнительное применение глубинных вибраторов.

4.9.8 Толщина бетонируемого слоя в зависимости от типа вибраторов указана в таблице 4.9.

4.10 Устройство набрызг-бетона и работы по торкретированию

4.10.1 Набрызг бетонной смеси может быть применен при бетонировании тоннелей, резервуаров, лотков и желобов очистных сооружений, обетонировании металлоконструкций, замоноличивании стыков железобетонных конструкций, возведении тонкостенных монолитных железобетонных конструкций и для исправления дефектов бетонирования на ремонтных работах.

Набрызг заключается в том, что на бетонируемую конструкцию под давлением сжатого воздуха наносят слой бетонной смеси или цементно-песчаного раствора.

4.10.2 Набрызг бетона может производиться бетоншприцмашиной, цемент-пушкой (торкрет-бетон) или модернизированным растворонасосом (установка конструкции Н. С. Марчукова).

4.10.3 Торкретирование производится в один или несколько слоев толщиной 3-5 мм по неармированной или армированной поверхности согласно проекту. Наименование конструкций, которые подлежат торкретированию, количество и толщина слоев устанавливаются проектом.

4.10.4 Растворы и бетонные смеси, применяемые при торкретировании, могут приготовляться на портландцементе любых видов, а также на расширяющемся и безусадочном цементах.

4.10.5 Заполнители для приготовления растворов и бетонных смесей для торкретирования и набрызг-бетона должны применяться в соответствии со следующими указаниями:

а) заполнители должны удовлетворять требованиям ГОСТ 8736-93*, ГОСТ 8267-93* только во фракционированном виде;

б) крупность заполнителей в растворах, наносимых с помощью цемент-пушки или установки конструкции Н. С. Марчукова, не должна превышать 8 мм, а в бетонной смеси, наносимых бетоншприцмашиной - 25 мм;

в) крупность заполнителя должна быть не более половины минимальной толщины каждого торкретируемого слоя и не более половины размера ячейки арматурных сеток;

г) влажность заполнителей при работе с цемент-пушкой и бетоншприцмашинами должна быть в пределах 2-6 % для обычных плотных заполнителей и 4-8 % для пористых.

4.10.6 Допускается введение в воду затворения добавок-ускорителей схватывания и твердения (хлористого кальция, жидкого стекла, алюминатов и ферментов натрия и др.), поверхностноактивных добавок, улучшающих смачивание сухой смеси в сопле и снижающих величину отскока (мылонафт и др.) в количествах, определяемых предварительными опытами, а также добавок, повышающих водонепроницаемость бетона (азотнокислого кальция).

4.10.7 Перед нанесением раствора или бетонной смеси должно быть проведено:

удаление крупных неровностей на поверхности, подлежащей торкретированию (очистка и промывка поверхности струёй воды под давлением);

установка и закрепление арматуры во время торкретирования;

установка защитных щитов на прилежащих к торкретируемым площадям сооружениях.

4.10.8 Набрызг осуществляется следующим образом:

а) перед началом работы отрегулировать подачу воды (в случае применения бетоншприцмашин и цемент-пушек) и величину давления воздуха в машине путем пробного нанесения смеси на переносный щит, устанавливаемый в рабочей зоне на расстоянии от машины, примерно равном расстоянию до бетонируемой конструкции;

б) при набрызге сопло цемент-пушек и установки конструкции Н. С. Марчукова должны находиться на расстоянии от бетонируемой поверхности 0,7-1 м, а сопло бетоншприцмашины - на расстоянии 1-1,2 м;

в) направление струи при нанесении бетона или раствора должно быть перпендикулярно торкретируемой поверхности; при нанесении бетонной смеси направление струи должно быть перпендикулярно поверхности.

При бетонировании арматурной конструкции сопло следует несколько наклонять, чтобы не допустить образования пустот или песчаных гнезд при заполнении пространства под сеткой;

г) во время бетонирования конструкций сопло следует непрерывно перемещать по окружности или спирали от одного места укладки к другому;

д) при торкретировании горизонтальной поверхности сверху вниз торкретный слой может быть образован сразу на всю его проектную толщину;

е) при торкретировании вертикальных, горизонтальных, наклонных или криволинейных поверхностей снизу вверх на проектную толщину, превышающую предельную толщину слоя, указанную в п. 4.10.3, должно вестись многослойное торкретирование в соответствии с подпунктами «ж» и «к» настоящего пункта;

ж) минимальный перерыв между нанесением на данной захватке смежных слоев бетона определяется практически из условия, чтобы под давлением струи свежей смеси не разрушался ранее уложенный слой бетона, а максимально допустимый перерыв - из условий втапливания свежего слоя в предыдущий и хорошего сцепления между ними, обеспечивающего монолитность всего покрытия; конкретные величины допускаемых перерывов устанавливаются строительной лабораторией;

и) при больших площадях покрытия и необходимости устройства рабочих швов набрызг на каждой захватке производится на всю проектную толщину, а стыки отдельных слоев располагаются вразбежку (с небольшим смещением относительно друг друга), образуя ступенчатый рабочий шов;

к) при нанесении торкрета на армированную поверхность арматура, оставшаяся не покрытой раствором или бетонной смесью, должна быть перед длительным перерывом в набрызге очищена от частиц раствора или бетона.

4.10.9 Обработка наружной поверхности слоя набрызг-бетона производится, как правило, до его затвердения.

4.11 Выдерживание бетона и уход за ним

4.11.1. Для защиты от действия прямых солнечных лучей и ветра в летнее и особенно жаркое время поверхность свежеуложенного бетона должна быть укрыта брезентом или мешковиной, которые должны поддерживаться во влажном состоянии, или закрыта слоем влажных опилок или песка, которые насыпают через 3-4 часа после укладки бетона и поливают рассеянной струей воды из брандспойта до 5 раз в день. Одновременно в теплое и жаркое время увлажняется и деревянная опалубка. Уход должен продолжаться в течение 7-14 дней в зависимости от погоды и вида применяемого цемента до достижения бетоном 50-70 % проектной прочности.

4.11.2. При выполнении значительных объемов работ по устройству полов, покрытий дорог и т.п. можно применять передвижные укрытия-колпаки из брезента, мешковины или пленки, которые надвигаются на свежеуложенный бетон по боковым ограждающим доскам. Количество таких колпаков должно обеспечивать выдерживание бетона до приобретения им проектной прочности 0,6-0,8 МПа, после чего поверхность бетона можно укрыть опилками, песком или залить водой.

Эти же колпаки защищают свежеуложенный бетон и от дождя. Колпаки должны быть закрыты со всех сторон, чтобы устранить сквозное продувание под ними и не допустить быстрого высыхания бетона. При отсутствии материалов для устройства укрытий поверхности бетона, не предназначенной для монолитного контакта с бетоном и раствором, могут вместо укрытия и поливки покрываться специальными пленкообразующими составами.

4.11.3 В осеннее и весеннее время года при температуре воздуха +5 °С и ниже, когда возможны заморозки, необходимо иметь материалы для утепления открытых поверхностей бетона.

4.11.4 Время выдерживания бетона при укрытии назначается с учетом роста прочности уложенного бетона, определяемого лабораторией по испытанию контрольных образцов, находящихся в условиях твердеющего бетона конструкции.

4.11.5 При возможности повреждения свежеуложенного бетона движущимися грунтовыми водами необходимо его оградить от размыва на 5-10 суток до достижения прочности не ниже 5 МПа.

Температура бетонной смеси при бетонировании конструкций с модулями поверхности более 3 в момент отправки ее с бетоносмесительного узла не должна превышать 30-35 °С, а для массивных конструкций с модулем поверхности менее 3 температура бетонной смеси должна быть возможно более низкой и не превышать 20 °С.

4.11.6 Движение людей по забетонированным конструкциям, а также установка на них лесов и опалубки для возведения вышележащих конструкций допускается при достижении бетоном прочности не ниже 1,5 МПа, что устанавливается строительной лабораторией.

4.11.7. Движение автотранспорта и других машин по забетонированным конструкциям разрешается на основании результатов определения фактической прочности бетона и соответствующих расчетов.

5 Производство работ в зимних условиях

5.1 Производство бетонных работ в зимних условиях и рекомендации по выбору рационального способа бетонирования

5.1.1 При всех способах производства бетонных работ при ожидаемой среднесуточной температуре наружного воздуха ниже 5 °С и минимальной суточной температуре ниже 0 °С необходимо обеспечивать указанные в проекте показатели качества бетона: прочность, морозостойкость, влагонепроницаемость и др.

5.1.2 Способы и средства транспортирования бетонных смесей от стационарных (централизованных) бетонных заводов до стройплощадки должны обеспечивать предотвращение снижения температуры бетонной смеси ниже требуемой по расчету.

5.1.3 Состояние основания, на которое укладывается бетонная смесь, а также температура основания и способ укладки должны исключать возможность замерзания смеси в зоне контакта с основанием. При выдерживании бетона в конструкции методом термоса, при предварительном разогреве бетонной смеси, а также при применении бетона с противоморозными добавками допускается укладывать смесь на неотогретое непучинистое основание или старый бетон, если по расчету в зоне контакта на протяжении расчетного периода выдерживания бетона не произойдет его замерзание. При температуре воздуха ниже минус 10 °С бетонирование густоармированных конструкций с арматурой диаметром более 24 мм, арматурой из жестких прокатных профилей или с крупными металлическими закладными частями следует выполнять с предварительным отогревом металла до положительной температуры или местным вибрированием смеси в приарматурной и опалубочной зонах, за исключением случаев укладки предварительно разогретых бетонных смесей (при температуре смеси выше 45 °С). Продолжительность вибрирования бетонной смеси должна быть увеличена не менее чем на 25 % по сравнению с летними условиями.

5.1.4 Неопалубленные поверхности конструкций следует укрывать паро- и теплоизоляционными материалами непосредственно по окончании бетонирования. Выпуски арматуры забетонированных конструкций должны быть укрыты или утеплены на высоту (длину) не менее чем 0,5 м.

5.1.5 В бетоне, замерзшем прежде чем он набрал необходимую прочность, называемую критической, под давлением образовавшегося льда нарушается сцепление цементного камня с заполнителями, в результате чего снижается конечная прочность.

В СНиПе 3.03.01-87 установлены следующие требования к производству работ при отрицательных температурах воздуха:

1

Прочность бетона монолитных и сборномонолитных конструкций к моменту замерзания:

 

1.1

для бетона без противоморозных добавок:

 

1.1.1

конструкций, эксплуатирующихся внутри зданий, фундаментов под оборудование, не подвергающихся динамическим воздействиям, подземных конструкций

не менее 5 МПа

1.1.2

конструкций, подвергающихся атмосферным воздействиям в процессе эксплуатации, для класса

Не менее % проектной прочности:

В 7,5 - В 10

50

В 12,5 - В 25

40

В 30 и выше

30

1.1.3

конструкций, подвергающихся по окончании выдерживания переменному замораживанию и оттаиванию в водонасыщенном состоянии или расположенных в зоне сезонного оттаивания вечномерзлых грунтов при условии введения в бетон воздухововлекающих или газообразующих ПАВ

70

1.1.4

в преднапряженных конструкциях

80

1.2

для бетона с противоморозными добавками

К моменту охлаждения бетона до температуры, на которую рассчитано количество добавок, не менее 20 % проектной прочности

2

Загружение конструкций расчетной нагрузкой допускается после достижения бетоном прочности

Не менее 100 % проектной

3

Температура воды и бетонной смеси на выходе из смесителя, приготовленной:

 

3.1

на портландцементе, шлакопортландцементе, пуццолановом портландцементе марок ниже М600

Воды не более 70 °С, смеси не более 35 °С

3.2

на быстротвердеющем портландцементе и портландцементе марки М600 и выше

Воды не более 60 °С, смеси не более 30 °С

3.3

на глиноземистом портландцементе

Воды не более 40 °С, смеси не более 25 °С

4

Температура бетонной смеси, уложенной в опалубку, к началу выдерживания или термообработки

 

при методе термоса

По расчету, но не ниже 5 °С

с противоморозными добавками

Не менее чем на 5 °С выше температуры замерзания раствора затворения

при тепловой обработке

Не ниже 0 °С

5

Температура в процессе выдерживания и тепловой обработки для бетона на:

По расчету, но не выше:

портландцементе

80 °С

шлакопортландцементе

90 °С

6

Скорость подъема температуры при тепловой обработки бетона:

Не более:

для конструкций с модулем поверхности:

 

до 4

5° С/ч

от 5 до 10

10° С/ч

свыше 10

15° С/ч

для стыков

20° С/ч

7

Скорость остывания бетона по окончании тепловой обработки для конструкций с модулем поверхности:

 

до 4

По расчету

от 5 до 10

Не более 5 °С

свыше 10

Не более 10 °С

8

Разность температур наружных слоев бетона и воздуха при распалубке с коэффициентом армирования до 1 %, до 3 % и более 3 % должны быть соответственно для конструкций с модулем поверхности:

 

от 2 до 5

Не более 20, 30, 40 °С

свыше 5

Не более 30, 40, 50 °С

5.1.6 Бетон приобретает полную прочность только после оттаивания и выдерживания при положительной температуре в течение не менее 28 суток, поэтому в случае, когда конструкции подлежат загружению нормативной нагрузкой до наступления положительных температур воздуха, необходимо провести мероприятия, обеспечивающие требуемую проектом прочность до замерзания бетона.

5.1.7 Существует несколько способов бетонирования в зимних условиях:

термос;

термос с добавками-ускорителями твердения и противоморозными добавками;

инфракрасный обогрев бетона;

электрообогрев бетона проволочными и пластинчатыми нагревателями;

электрообогрев бетона нагревательными проводами;

индукционный прогрев бетона;

электродный прогрев бетона;

электрообогрев бетона греющей опалубкой с трубчатыми электронагревателями;

обогрев бетона теплогенераторами на жидком топливе;

конвективно-лучевой обогрев бетона с помощью панельно-линейных переносных электронагревателей.

Наиболее эффективными являются способы термоса, горячего термоса и термоса с применением добавок. При отсутствии условий для осуществления этих способов производится термообработка бетона электроэнергией, паром или, в крайнем случае, горячим воздухом.

5.1.8 Выбор наиболее экономичного метода выдерживания бетона при зимнем бетонировании монолитных конструкций следует производить в соответствии с приведенными данными в таблице 5.1.

5.1.9 Рациональные области применения способов зимнего бетонирования для наиболее часто применяемых опалубок и теплоограждений приведены в таблице 5.2.

5.1.10 Модуль поверхности определяется отношением суммы площадей охлаждающихся поверхностей бетонируемой конструкции к ее объему:

причем отогретые поверхности в учет не принимаются.

Таблица 5.1 - Методы выдерживания бетона

Вид конструкций

Минимальная температура воздуха, °С до

Способ бетонирования

1

2

3

Массивные бетонные и железобетонные фундаменты, блоки и плиты с модулем поверхности до 3

-15

Термос

-25

Термос с применением ускорителей твердения бетона

Термос с применением противоморозных и пластифицирующих добавок

Фундаменты под конструкции зданий и оборудование, массивные стены и т.п. с модулем поверхности 3-6

-15

Термос, в том числе с применением противоморозных и пластифицирующих добавок и ускорителей твердения

-25

Обогрев в греющей опалубке

Предварительный разогрев бетонной смеси

-40

Обогрев в греющей опалубке

Периферийный обогрев

Колонны, балки, прогоны, элементы рамных конструкций, свайные ростверки, стены, перекрытия с модулем поверхности 6-10

-15

Термос с применением противоморозных и пластифицирующих добавок, обогрев в греющей опалубке нагревательными проводами

Предварительный разогрев бетонной смеси, индукционный нагрев

-40

Обогрев в греющей опалубке, нагревательными проводами и термоактивными гибкими покрытиями (ТАГП) с применением противоморозных добавок

Полы, перегородки, плиты перекрытий, тонкостенные конструкции с модулем поверхности 10-20

-40

То же

5.1.11 Термообработка бетона паром, горячим воздухом и инфракрасными лучами требует специального оборудования, больших подготовительных работ и применяется там, где невозможно применением остальных способов, однако при наличии дешевого пара (на крупных предприятиях и т.д.) способ термообработки паром становится рациональным.

Таблица 5.2 - Рациональные области применения способов бетонирования в зимних условиях

Модуль поверхности охлаждения

Конструкция

Температура среды, °С

№ теплоограждения

Минимальный класс бетона

Минимальный расход цемента, кг/м3 бетона

Ориентир, длительность термообработки, ч

Прочность бетона, % от марочной

Метод термообработки

Ориентир. Расход электроэнергии на 1 м3 бетона, кВт ч

Наличие эклектической мощности, кВт/м3 бетона

1

2

3

4

5

6

7

8

9

10

12

2

Массивные фундаменты, гидротехнические сооружения

от 0 до -10

1

15

226

129-137

70

Горячий термос

50-60

175

-«-

-«-

400

140-167

-«-

Термос

-

-

-«-

-«-

226

147-170

-«-

То же

-

-

-«-

-«-

300*

290-310

100

Горячий термос

50-60

175

-«-

-«-

226

500-550

-«-

Термос

-

-

от -11 до -20

1

25

450

59

40

То же

-

-

35

450

107

70

-«-

-

-

15

400

72-80

-«-

Горячий термос

50-60

175

2

-«-

226

60-88

40

Термос

-

-

-«-

400

117-130

70

То же

-

-

3

-«-

226

500

70-90

-«-

-

-

-«-

300

-«-

100

-«-

-

-

4

-«-

226

-«-

-«-

-«-

-

-

от -21 до -40

1

15

226

35-56

40

Горячий термос

50-60

175

25

450

72

70

То же

-«-

-«-

1-3

15

226

250-400

70-100

Периферийный электрообогрев

50-60

1-1,6

1-4

-«-

-«-

500

-«-

Термос с добавками (противоморозными или ускорителями твердения)

-

-

2

-«-

300

76-121

70

Горячий термос

50-60

175

3, 4

-«-

-«-

 

100

То же

-«-

-«-

4

Фундаменты зданий и крупного оборудования, массивные плиты, балки, стены толщиной 50 см и колонны сечением 100 × 100 см

от 0 до -10

1

15

300*

51-55

40

Термос

-

-

-«-

400

70-80

70

Горячий термос

50-70

175

2

-«-

226

54-96

40

Термос

-

-

-«-

-«-

90-133

70

Горячий термос

50-70

175

3, 4

-«-

400

280-400

100

Термос

-

-

4

-«-

300

328-570

-«-

То же

-

-

от -11 до -20

1

35

450

44

40

-«-

-

-

15

226*

38-36

-«-

Горячий термос

50-70

175

35

450

51

70

То же

-

-

2

15

300

44-51

40

Термос

-

-

-«-

400

63-75

70

Горячий термос

50-70

175

3, 4

25

500

274-425

100

Термос

-

-

от -21 до -40

1

15

300

28-33

40

Горячий термос

50-70

175

1-3

-«-

226

90-180

70-100

Периферийный электрообогрев

50-60

3-5

1-4

-«-

-«-

500

70-100

Термос с добавками

-

-

2

15

226

32-38

40

Горячий термос

50-70

175

25

450

48-60

70

То же

-«-

-«-

3, 4

15

400

161-176

100

-«-

-«-

-«-

-«-

226

150-250

-«-

-«-

-«-

-«-

4-6

15

226

90-180

100

Электрообогрев

50-90

3-5

Массивные балки и колонны сечением 100 × 100 см

от 0 до -40

1,2

4

15

226

 

100

Индукционный нагрев

100-120

5-10

6

Фундаменты, плиты, стены толщиной 35-400 см, балки и колонны сечением 60 × 60 см

от 0 до -10

1

15

400

43-54

40

Термос

-

-

-«-

226

50

-«-

Горячий термос

60-80

175

2

-«-

226*

49-50

-«-

Термос

-

-

-«-

226

80-113

70

Горячий термос

60-80

175

3, 4

-«-

226*

134-172

-«-

Термос

-

-

4

-«-

300-

246

-«-

То же

-

-

от -11 до -20

1

25

450

50

40

Горячий термос

60-80

175

2

35

450

38

-«-

Термос

-

-

-«-

-«-

47

70

Горячий термос

60-80

175

3, 4

15

300*

125

-«-

Термос

-

-

4

25

450

177-205

100

То же

-

-

от -21 до -40

1

35

450

50

40

Горячий термос

60-80

175

1-3

15

226

130-210

70-100

Периферийный электрообогрев

60-80

6

1-4

15

226

600

40-100

Термос с добавками

-

 

2

-«-

-«-

32-38

40

Горячий термос

60-80

 

3, 4

-«-

-«-

80-90

70

То же

-«-

 

4

25

450

177

100

-«-

-«-

 

4-6

10

226

130-210

-«-

Электрообогрев

50-90

 

Балки и колонны сечением 60 × 60 см

от 0 до -40

1, 2

4

10

226

 

100

Индукционный нагрев

110-130

 

8

Рамные конструкции, плиты и стены толщиной 25 см, балки и колонны

от 0 до -10

1

10

226

32-39

40

Горячий термос

70-90

 

2

-«-

300

40-54

-«-

Термос

-

 

-«-

226

32-39

-«-

Горячий термос

70-90

 

3, 4

-«-

-«-

145

70

Термос

-

 

4

-«-

400

189-216

106

Термос

-

 

от -11 до -20

1

35

500

23

40

Горячий термос

70-90

 

2

15

300

19-29

-«-

То же

-«-

 

3, 4

-«-

-«-

97-117

70

Термос

-

 

35

500

148

100

Горячий термос

70-90

 

от -21 до -40

1-3

15

226

25-80

40-70

Сквозной электропрогрев

70-90

 

1, 2

-«-

-«-

700

40-50

Термос с добавками

-

 

2

25

450

19-40

40

Горячий термос

70-90

 

3, 4

15

226

500

70-80

Термос с добавками

-

 

-«-

-«-

76

70

Горячий термос

70-90

 

4

35

500

136

100

Горячий термос

70-90

 

4-6

15

226

90-100

-«-

Электрообогрев

60-100

 

Балки и колонны сечением 40 × 40 см

 

1,2

15

226

90-100

100

Индукционный нагрев

120-140

 

10

Рамные конструкции - и стены толщиной 20 см, балки, колонны и столбы сечением 35 × 35 см

от 0 до -10

1

15

400

23-35

40

Горячий термос

80-90

 

2

-«-

-«-

39-55

-«-

Термос

-

 

-«-

226

28-51

 

Горячий термос

80-90

 

3,4

-«-

226

88-122

70

Термос

-

 

3

35

450

250

1090

Термос

-

 

4

15

400

214-235

-«-

-«-

-

 

от -11 до -20

2

15

400

25-26

40

Горячий термос

80-90

 

3, 4

-«-

226

30

-«-

Термос

-

 

-«-

400

95-99

70

То же

-

 

от -11 до -20

1-3

15

226

40-80

40-70

Сквозной электрообогрев

80-100

 

1, 2

-«-

-«-

500-900

40-50

Термос с добавками

-

 

2

35

450

19

40

Горячий термос

80-90

 

3, 4

15

226

400-500

70

Термос с добавками

-

 

-«-

-«-

42-47

70

Горячий термос

80-90

 

4-6

-«-

226

80-90

100

Электрообогрев

90-110

 

Балки, колонны и столбы сечением 35 × 35 см

 

1,2

4

15

226

75-85

100

Индукционный нагрев

130-150

 

15

Плиты, стены, столбы, балки, бетонная подготовка, цементная стяжка толщиной 6-7 см и другие тонкостенные конструкции

от 0 до -10

1-4

15

226

> 500

40-50

Термос с добавками

-

 

от 0 до -40

1-3

15

226

40-60

40-60

Сквозной электрообогрев

110-130

 

4-6

-«-

-«-

80-90

100

Электрообогрев

100-120

 

20

Плиты, стены, цементная стяжка толщиной 5 см

от 0 до -10

1-4

15

226

> 500

40-50

Термос с добавками

-

 

от 0

1-3

15

226

40-60

40-60

Электропрогрев

140-160

 

до -40

4-6

-«-

-«-

80-90

100

То же

130-150

 

Примечания: 1 Конструкции с модулем поверхности 4 и меньше, выдерживаемые способом термоса при температуре наружного воздуха не ниже минус 10 °С и температуре основания не ниже минус 15 °С, можно бетонировать при неотогретом основании. В остальных указанных в таблице случаях выдерживание способом термоса возможно только при отогретом основании.

2 Таблица составлена для бетонов класса 15, 25 на портландцементе марки 400, бетона класса 35 на портландцементе марки 500 и бетона класса 25 на шлакопортландцементе марки 400.

3 Номера примененных теплоограждений, их конструкции и коэффициент теплопередачи приведены в приложении Г, таблица Г.3.

4 В длительность термообработки входит: продолжительность выдерживания бетона способом термоса или горячего термоса до температуры 0-5 °С; суммарная продолжительность разогрева, изотермического прогрева и остывания при электропрогреве, электрообогреве и индукционном нагреве; общая продолжительность выдерживания при положительной и отрицательной температуре способом термоса с противоморозными добавками.

5 В графе, отмеченной *, бетон класса 25 на шлакопортландцементе марки 400 набирает прочность меньше указанной.

5.2 Выдерживание бетона методом «термоса»

5.2.1 Сущность способа заключается в использовании тепла бетона за счет подогрева заполнителей и воды или бетонной смеси до укладки ее в опалубку, а также использовании экзотермического тепла, выделяющегося при твердении цемента, для приобретения бетоном заданной прочности в процессе его медленного остывания в утепленной опалубке до 0 °С.

5.2.2 Метод «термоса» в соответствии с указаниями СНиП 3.03-01-87 целесообразно применять для следующих монолитных конструкций: массивных фундаментов, блоков, плит, стен, колонн, рамных конструкций с разными значениями модуля поверхности (Мn), а также температурных режимов подогрева и выдерживания бетонной смеси.

5.2.3 Устанавливается следующий порядок производства работ при выдерживании бетона способом «термоса»:

с основания удаляют снег и наледь, масляные, битумные, мазутные и нефтяные пятна;

опалубку и арматуру очищают от снега и наледи, цементной пленки, грязи и продувают горячим воздухом;

арматура диаметром более 25 мм или выполненная из профилей и крупные закладные детали при температуре наружного воздуха ниже минус 10 °С отогреваются до положительной температуры горячим воздухом, индукционным способом, электрообогревателями и т.д. (очищать от снега и наледи и отогревать арматуру паром или горячей водой запрещается);

все выступающие крупные закладные детали: трубы, анкера, металлические профили и т.д. утепляются;

промороженное скальное или бетонное основание отогревается до положительной температуры 10-35 °С электропрогревом, плоскими электронагревателями (электрическими, жидкостными, топливными) или инфракрасным обогревом (ориентировочные значения энергозатрат на отогрев основания приведены в приложении Г, таблицы Г.7, а время отогрева основания в приложении Д, таблицы Д.6);

укладывается бетонная смесь сразу на всю высоту конструкции или послойно с темпом укладки слоев не более 2,5-3 ч (для цементов с началом схватывания не меньше 1,5 ч предельно допустимая продолжительность укладки слоев назначается по таблице 5.5, кроме того, она должна быть такова, чтобы температура бетона к началу укладки следующего слоя не упала ниже расчетной);

открытые поверхности уложенного бетона утепляются;

сразу после укладки бетона измеряется его температура, далее через каждые два часа в первые сутки, затем не реже двух раз в смену в течение трех суток твердения, а в последующие сутки один раз в смену пока бетон остынет до 0 °С (для замеров температуры в бетоне устраиваются температурные скважины глубиной до 50-150 мм и диаметром 20 мм, устанавливаемые в наиболее охлаждаемых местах конструкции: в углах, около ребер, количество скважин должно быть не меньше 1 шт. на каждые 10 м3 бетона или 2 шт. на конструкцию объемом менее 20 м3, 1 шт. на каждые 6 пог. м конструкции или 1 шт. на 10 м2 плиты);

по достижении требуемой прочности производится распалубка (для конструкций с модулем поверхности Мn ≤ 2 распалубка допускается при разности температур поверхности бетона и воздуха, не превышающей допустимой в приложении Ж, таблицы Ж.8).

5.2.4 Выдерживание бетона способом «термоса» с укладкой бетона на неотогретое основание может производиться только при соблюдении следующих требований:

ширина конструкции должна быть не менее 2 м по основанию, высота 1,5 м;

температура основания должна быть не ниже минус 15 °С;

толщина первого укладываемого слоя при температуре основания до минус 10 °С должна быть не менее 20 см;

укладка слоев бетона должна производиться в течение 1 ч;

при температуре основания ниже минус 10 °С температура бетонной смеси у ребер и в углах бетонируемой конструкции должна быть в 1,5-2 раза выше, чем в остальных местах конструкции;

при температуре наружного воздуха ниже минус 10 °С над конструкцией должен быть установлен тепляк из пленки, брезента и т.д. с температурой внутри не ниже минус 10 °С;

при температуре основания ниже минус 15 °С следует производить электротермообработку бетона.

Основные параметры выдерживания бетона на неотогретом основании приведены ниже (таблица 5.4).

5.2.5 Расчет основных параметров бетонирования в зимних условиях с выдерживанием бетона способом «термоса» приведен в приложении Г.

5.2.6 В ОАО «ПКТИпромстрой» разработана технологическая карта на выдерживание бетона методом «термоса» и использование разогретых бетонных смесей.

Карта содержит организационно-технологические и технические решения по выдерживанию бетона методом «термоса», которым предусматривается укладка бетонной смеси в опалубку с начальной температурой 10, 20, 30 °С, и предварительный электропрогрев смеси при укладке ее в опалубку с начальной температурой 50 °С.

Метод «термоса» относится к числу наиболее эффективных и его использование при производстве бетонных работ при отрицательных температурах воздуха должно способствовать ускорению работ, снижению затрат труда и повышению качества возводимых конструкций.

Таблица 5.3 - Основные параметры выдерживания бетона на отогретом основании способом «термоса»

№ теплоограждения

Модуль поверхности

Прочность бетона, % R28

Скорость ветра, м/сек

Минимальная температура среды, °С, при которой можно выдерживать бетона класса

Продолжительность выдерживания, ч, бетона класса

15 на портландцементе марки 400 с расходом кг/м3 бетона

25 на портландцементе марки 400 с расходом кг/м3 бетона

35 на портландцементе марки 500 с расходом кг/м3 бетона

25 на шлакопортландцементе марки 400 с расходом кг/м3 бетона

15 на портландцементе марки 400 с расходом кг/м3 бетона

25 на портландцементе марки 400 с расходом кг/м3 бетона

35 на портландцементе марки 500 с расходом кг/м3 бетона

25 на шлакопортландцементе марки 400 с расходом кг/м3 бетона

226

400

300

500

450

390

226

400

300

500

450

390

1

2

3

4

5

6

7

8

9

10

11

12

13

14

15

16

1

2

40

0

-33

-40

-40

-40

-40

-29

59

 

55

 

 

94

5

-16

-30

-22

-35

-40

-12

61

57

57

56

 

104

15

-13

-24

-18

-28

-40

-9

62

58

58

57

50

108

> 15

-10

-15

-10

23

-30

-5

63

59

62

58

52

112

70

0

-8

-25

-17

-30

-40

-7

164

122

138

114

 

240

5

0

-9

-4

-13

-23

 

180

138

158

124

97

 

15

 

-6

-2

-8

-18

 

 

145

163

132

101

 

> 15

 

-5

9

-5

-12

 

 

148

167

140

107

 

100

0

 

 

 

-5

-4

 

 

 

 

315

322

 

4

40

0

-17

-31

-24

-40

-40

-8

53

49

51

47

 

93

5

-5

-13

-9

-15

-26

-4

56

52

53

50

42

101

15

-3

-10

-6

-12

-20

0

57

52

55

51

43

109

> 15

-1

-5

-5

-10

-15

 

59

54

55

51

44

 

70

0

 

-6

-2

-14

-25

 

 

119

135

95

74

 

5

 

 

 

0

-5

 

 

 

 

117

89

 

15

 

 

 

 

-1

 

 

 

 

 

95

 

6

40

0

-7

-17

-12

-22

-40

 

53

49

51

48

35

 

5

 

-5

-2

-6

-14

 

 

52

55

51

40

 

15

 

-3

0

-4

-10

 

 

53

56

51

42

 

> 15

 

0

 

-2

-7

 

 

54

 

53

43

 

70

0

 

 

 

-1

-9

 

 

 

 

111

80

 

8

40

0

-1

-9

-6

-12

-25

 

55

50

52

48

35

 

5

 

0

 

-2

-6

 

 

53

 

51

41

 

15

 

 

 

0

-3

 

 

 

 

52

43

 

10

40

0

 

-4

-2

-7

-14

 

 

49

51

47

36

 

5

 

 

 

 

-1

 

 

 

 

 

41

 

2

2

40

5

-27

-40

-35

-40

-40

-22

59

 

55

 

 

97

15

-24

-40

-33

-40

-40

-18

60

55

56

55

50

100

> 15

-20

-10

-15

-23

-30

-14

60

59

59

58

52

103

70

0

-14

-39

-25

-40

-40

-14

155

116

133

111

 

124

5

-6

-21

-15

-26

-40

-6

167

124

140

115

88

244

15

-4

-18

-10

-24

-38

-2

169

126

144

116

89

261

> 15

-3

-15

-9

-21

-32

0

170

130

147

117

98

280

4

40

0

-30

-40

-33

-40

-40

-17

51

 

50

 

 

84

5

-14

-26

-20

-34

-40

-6

53

50

51

48

 

93

15

-11

-22

-17

-30

-40

-5

54

50

52

48

40

99

> 15

-10

-19

-14

-26

-40

-3

54

51

53

49

40

103

70

0

-1

-15

-8

-25

-37

 

150

105

128

90

72

 

5

 

-3

 

-10

-20

 

 

126

 

98

75

 

15

 

0

 

-7

-16

 

 

132

 

104

79

 

6

40

0

-13

-26

-20

-31

-40

-6

51

48

49

46

 

90

5

-5

-13

-9

-16

-30

 

55

50

51

48

36

 

15

-3

-11

-7

-10

-26

 

55

50

52

49

37

 

> 15

-2

-8

-5

-10

-20

 

56

52

54

49

38

 

70

0

 

-2

 

-8

-18

 

 

121

 

100

74

 

5

 

 

 

 

4

 

 

 

 

 

87

 

15

 

 

 

 

0

 

 

 

 

 

93

 

8

40

0

-7

-16

-11

-20

-40

 

52

48

50

46

33

 

5

0

-6

-4

-9

-20

 

55

51

52

48

36

 

15

 

-4

-2

-6

-8

 

 

52

53

50

38

 

> 15

 

-3

0

-4

-10

 

 

53

54

51

40

 

70

0

 

 

 

0

-8

 

 

 

 

110

78

 

10

40

0

-2

-10

-6

-13

-27

 

52

47

50

45

33

 

5

 

-2

0

-5

-9

 

 

50

52

48

37

 

15

 

-1

 

-3

-6

 

 

51

 

49

39

 

> 15

 

0

 

-1

-5

 

 

52

 

49

39

 

3

2

100

0

-11

-40

-27

-40

-40

-22

495

 

359

 

 

457

15

-7

-40

-21

-40

-40

-15

548

 

366

 

 

483

> 15

-5

-40

-20

-40

-40

-12

549

 

367

 

-

500

4

70

0

-33

-40

-40

-40

-40

-33

125

 

 

 

 

170

15

-26

-40

-40

-40

-40

-24

128

 

 

 

 

180

> 15

-24

-40

-40

-40

-40

-22

128

 

 

 

 

182

100

0

 

-9

-4

-17

-40

 

 

322

404

269

195

 

15

 

-6

0

-12

-37

 

 

346

425

273

200

 

> 15

 

-5

0

-11

-33

 

 

350

425

274

205

 

6

70

0

-16

-40

-30

-40

-40

-12

130

 

112

 

 

167

15

-10

-39

-24

-40

-40

-8

134

93

113

 

 

191

> 15

-10

-37

-22

-40

-40

-7

134

94

114

 

 

193

100

0

 

 

 

 

-17

 

 

 

 

 

202

 

15

 

 

 

 

-10

 

 

 

 

 

215

 

> 15

 

 

 

 

-9

 

 

 

 

 

220

 

8

70

0

-7

-34

-18

-40

-40

 

133

93

115

85

 

 

15

-5

-30

-12

-38

-40

 

135

94

116

85

 

 

> 15

-4

-20

-11

-34

-40

 

145

97

117

86

 

 

100

0

 

 

 

 

-7

 

 

 

 

 

222

 

15

 

 

 

 

-3

 

 

 

 

 

242

 

> 15

 

 

 

 

-3

 

 

 

 

 

242

 

10

40

0

-32

-40

-40

-40

-40

 

47

 

44

 

 

 

15

-25

-40

-34

-40

-40

 

47

 

45

 

 

 

> 15

-24

-40

-33

-40

-40

 

47

 

45

 

 

 

70

0

-3

-18

-9

-32

-40

 

133

96

115

85

64

 

15

-1

-12

-5

-24

-38

 

135

99

121

87

64

 

> 15

0

-11

-5

-21

-35

 

136

99

121

88

66

 

100

0

 

 

 

 

-3

 

 

 

 

 

235

 

4

2

100

0

-16

-40

-39

-40

-40

-30

488

 

488

 

 

441

15

-13

-40

-30

-40

-40

-25

490

 

355

 

 

451

>15

-12

-40

-29

-40

-40

-24

497

 

356

 

 

453

4

70

15

-37

-40

-40

-40

-40

-37

124

 

 

 

 

167

> 15

-36

-40

-40

-40

-40

-35

124

 

 

 

 

169

100

0

 

-15

-8

-27

-40

-2

 

320

383

262

195

539

15

 

-11

-5

-20

-40

 

 

326

399

266

195

 

> 15

 

-10

-5

-19

-40

 

 

328

400

267

195

 

6

70

0

-23

-40

-40

-40

-40

-19

126

 

110

 

 

178

15

-19

-40

-34

-40

-40

-15

128

 

111

 

 

181

> 15

-17

-40

-31

-40

-40

-14

130

93

112

 

 

182

100

0

 

 

 

 

-28

 

 

 

 

 

201

 

15

 

 

 

 

-21

 

 

 

 

 

204

 

> 15

 

 

 

 

-20

 

 

 

 

 

205

 

8

70

0

-13

-38

-26

-40

-40

 

129

92

110

 

 

 

15

-9

-37

-20

-40

-40

 

131

93

112

 

 

 

> 15

-8

-36

-19

-40

-40

 

132

93

112

 

 

 

100

0

 

 

 

 

-14

 

 

 

 

 

204

 

15

 

 

 

 

-9

 

 

 

 

 

212

 

> 15

 

 

 

 

-9

 

 

 

 

 

212

 

10

40

15

-35

-40

-40

-40

-40

 

47

 

 

 

 

 

> 15

-34

-40

-40

-40

-40

 

47

 

 

 

 

 

70

0

-7

-34

-16

-40

-40

 

128

92

111

83

 

 

15

-4

-28

-11

-36

-40

 

131

93

113

84

 

 

> 15

-4

-20

-10

-34

-40

 

131

95

113

84

 

 

100

0

 

 

 

 

-8

 

 

 

 

 

210

 

15

 

 

 

 

-5

 

 

 

 

 

225

 

> 15

 

 

 

 

-4

 

 

 

 

 

230

 

Примечания: 1 Начиная с температур ниже минус 20 °С, бетон выдерживают способом термоса с противоморозными добавками.

2 Основание отогревают до положительной температуры на глубину не менее 30 см при теплоограждениях № 1 и 2, и 50 см при теплоограждениях № 3 и 4.

3 Начальная температура бетона (после укладки и уплотнения) должна быть не ниже -25 °С, конечная принята 5 °С.

4 Номера примененных теплоограждений, их конструкции и коэффициент теплопередачи приведены в приложении Г, таблица Г.3.

Таблица 5.4 - Основные параметры выдерживания бетона не неотогретом основании способом «термоса»

№ теплоограждения

Модуль поверхности

Прочность бетона, % R28

Скорость ветра, м/сек

Минимальная температура среды, °С, при которой можно выдерживать бетона класса

Продолжительность выдерживания, ч, бетона класса

15 на портландцементе марки 400 с расходом кг/м3 бетона

25 на портландцементе марки 400 с расходом кг/м3 бетона

35 на портландцементе марки 500 с расходом кг/м3 бетона

25 на шлакопортландцементе марки 400 с расходом кг/м3 бетона

15 на портландцементе марки 400 с расходом кг/м3 бетона

25 на портландцементе марки 400 с расходом кг/м3 бетона

35 на портландцементе марки 500 с расходом кг/м3 бетона

25 на шлакопортландцементе марки 400 с расходом кг/м3 бетона

226

400

300

500

450

390

226

400

300

500

450

390

1

2

3

4

5

6

7

8

9

10

11

12

13

14

15

16

1

2

40

15

-10

-10

-10

-10

-10

-9

 

 

 

 

 

108

> 15

-10

-10

-10

-10

-10

-5

63

 

62

 

 

112

70

0

-8

-10

-10

-10

-10

-7

164

 

 

 

 

240

5

0

-9

-4

-10

-10

 

180

138

158

 

 

 

15

 

-6

-2

-8

-10

 

 

163

163

132

 

 

> 15

 

-5

0

-5

-10

 

 

167

167

140

 

 

100

0

 

 

 

-3

-4

 

 

 

 

315

322

 

4

40

0

-10

-10

-10

-10

-10

-8

 

 

 

 

 

93

5

-5

-10

-9

-10

-10

-4

56

 

53

 

 

101

15

-3

-10

-6

-10

-10

0

57

52

55

 

 

109

> 15

-1

-5

-5

-10

-10

 

59

54

55

51

 

 

70

0

 

-6

-2

-10

-10

 

 

119

135

 

 

 

5

 

 

 

0

-5

 

 

 

 

117

89

 

> 15

 

 

 

 

-1

 

 

 

 

 

95

 

2

2

70

5

-6

-10

-10

-10

-10

-6

167

 

 

 

 

244

15

-4

-10

-10

-10

-10

-2

169

 

144

 

 

261

> 15

-3

-10

-9

-10

-10

0

170

 

147

 

 

280

4

40

5

-10

-10

-10

-10

-10

-6

 

 

 

 

 

93

15

-10

-10

-10

-10

-10

-5

 

 

 

 

 

99

> 15

-10

-10

-10

-10

-10

-3

54

 

 

 

 

103

70

0

-1

-10

-8

-10

-10

 

150

 

128

 

 

 

5

 

-3

 

-10

-10

 

 

126

 

98

 

 

15

 

0

 

-7

 

 

 

132

 

104

 

 

3

2

100

15

7

-10

-10

-10

-10

-10

495

 

 

 

 

 

> 15

-5

-10

-10

-10

-10

-10

548

 

 

 

 

 

4

100

5

 

-9

-4

-10

-10

 

 

332

404

 

 

 

15

 

-6

0

-10

-10

 

 

346

425

 

 

 

> 15

 

-5

0

-10

-10

 

 

350

425

 

 

 

4

4

100

5

 

-10

-8

-10

-10

-2

 

 

383

 

 

 

15

 

-10

-5

-10

-10

 

 

 

399

 

 

 

> 15

 

-10

-5

-10

-10

 

 

228

400

 

 

 

Примечания: 1 При температуре воздуха ниже минус 10 °С необходимо устраивать тепляк.

2 При температуре основания ниже минус 15 °С требуется производить термообработку бетона.

3 Начальная температура бетона (после укладки и уплотнения) должна быть не ниже 25 °С, конечная принята 5 °С.

4 Номера примененных теплоограждений, их конструкции и коэффициенты теплопередачи приведены в приложении Г, таблица Г.3.

Таблица 5.5 - Допустимая продолжительность укладки слоев бетонной смеси

Температура бетонной смеси, °С

Предельно допустимый возраст бетонной смеси к началу ее укладки

Предельно допустимая продолжительность укладки слоя

5-10

1 ч. 30 мин.

3 ч.

1-15

1 ч. 15 мин.

2 ч. 30 мин.

15-20

45 мин.

2 ч. 15 мин.

В технологической карте приведены области применения, рекомендации по организации и технологии производства работ, требования к качеству и приемке работ, потребность в материально-технических ресурсах, решения по технике безопасности и основные параметры термосного выдерживания монолитных конструкций.

5.3 Обогрев конструкций инфракрасными лучами

5.3.1 Сущность инфракрасного обогрева конструкций заключается в использовании тепловой энергии, выделяемой инфракрасными излучателями и направленной на открытые или опалубленные поверхности обогреваемых конструкций.

5.3.2 Обогрев конструкций инфракрасными лучами монолитных конструкций при производстве бетонных работ при отрицательных температурах воздуха включает:

- отогрев промороженных бетонных и грунтовых оснований, арматуры, закладных металлических деталей и опалубки, удаление снега и наледи;

- интенсификацию твердения бетона конструкций и сооружений, возводимых в скользящей либо объемно-переставной опалубках, плит перекрытий и покрытий, вертикальных и наклонных конструкций, бетонируемых в металлической или конструктивной опалубках;

- предварительный отогрев зоны стыков сборных железобетонных конструкций и ускорение твердения бетона или раствора при заделке стыков;

- ускорение твердения бетона или раствора при укрупнительной сборке большеразмерных железобетонных конструкций;

- создание тепловой защиты поверхностей, недоступных для утепления.

5.3.3 Чаще всего для инфракрасного обогрева применяются ТЭНы типа НВСЖ или НВС.

Инфракрасные излучатели, помещенные внутрь полусферического или трапецеидального отражателя, снабженного крепящим устройством, составляют инфракрасную установку (рисунок 5.1). Полусферические отражатели применяют при необходимости передачи энергии излучением на расстоянии до трех метров, а трапециидальные - до одного метра.

Рисунок 5.1 - Некоторые модификации установок инфракрасного нагрева закрытого типа

а - «короб»; б - установка-опалубка; в - нащельник; г - камера щелевидного типа; д - камера с излучаемыми поверхностями, нагреваемыми индукционным методом; е - «колпак»; ж - одиночные излучатели; з - излучатели столбчатого типа

1 - инфракрасный излучатель; 2 - рефлектирующая поверхность; 3 - воспринимающая поверхность; 4 - синтетическая пленка; 5 - бетон; 6 - ограждение; 7 - излучающая поверхность; 8 - индуктор; 9 - укрытие

5.3.4 В ОАО «ПКТИпромстрой» разработана технологическая карта по инфракрасному обогреву монолитных конструкций. Карта содержит организационно-технологические и технические решения по инфракрасному обогреву монолитных конструкций, реализация которых при производстве бетонных (железобетонных) работ в зимних условиях при отрицательных температурах воздуха имеет целью способствовать ускорению работ, снижению затрат труда и повышению качества возводимых конструкций.

В технологической карте приводятся:

- схемы обогревающих устройств;

- указания по подготовке конструкций к бетонированию и требования к готовности предшествующих работ и строительных конструкций;

- схемы организации рабочей зоны на время производства работ;

- методы и последовательность производства работ, описание процесса установки и подключения электрообогревающих устройств;

- электрические параметры обогрева и температурный режим, обеспечивающий необходимый набор прочности;

- профессиональный и численно-квалификационный состав рабочих;

- калькуляция трудовых затрат и графики производства работ.

5.3.5 Расчет параметров инфракрасного обогрева приведен в приложении Н.

5.4 Электродный прогрев монолитных конструкций

5.4.1 Сущность электродного прогрева заключается в том, что выделение тепла происходит непосредственно в бетоне при пропускании через него электрического тока.

Применение этого метода наиболее эффективно при бетонировании в зимних условиях фундаментов, колонн, стен и перегородок, плоских перекрытий, бетонных подготовок под полы.

В зависимости от принятой схемы расстановки и подключения электродов электродный прогрев разделяется на сквозной, периферийный и с использованием в качестве электродов арматуры.

Электродный прогрев монолитных конструкций может быть совмещен с другими способами интенсификации твердения бетона, например, предварительным прогревом бетонной смеси, использованием различных химических добавок (кроме добавок, в состав которых входит мочевина и поташ).

В ОАО «ПКТИпромстрой» разработана технологическая карта на электродный прогрев конструкций из монолитного бетона. В карте приводятся:

- схемы электродного прогрева;

- указания по подготовке конструкций к бетонированию, прогреву и требования к готовности предшествующих работ и строительных конструкций;

- схема организации рабочей зоны на время производства работ;

- методы и последовательность производства работ, описание установки и подключения электрооборудования и осуществления прогрева бетона;

- электрические параметры прогрева;

- профессиональный и численно-квалификационный состав рабочих;

- график выполнения работ и калькуляция затрат труда;

- указания по контролю качества и приемке работ;

- решения по технике безопасности;

- потребность в необходимых материально-технических ресурсах, электротехническом оборудовании и эксплуатационных материалах;

- рекомендации по энергосбережению;

- технико-экономические ресурсы.

5.5 Электрообогрев бетона

5.5.1 Сущность электрообогрева заключается в непосредственной теплопередаче от греющих поверхностей к бетону, нагревая его путем теплопроводности. Область применения электрообогрева приведена в таблице 5.2.

5.5.2 Электрообогрев бетона монолитных конструкций осуществляется:

- нагревательными проводами и греющими кабелями;

- проволочными и пластинчатыми нагревателями, установленными в металлической опалубке;

- греющей опалубкой, в которой используются трубчатые электронагреватели (ТЭНы);

- токопроводящих покрытий, располагаемых на внешней стороне палубы, соприкасающейся с бетоном (с внешним активным слоем);

- термоактивными гибкими покрытиями (ТАКП);

- стержневыми электронагревателями;

- сетчатыми электронагревателями.

Параметры электрообогрева монолитных конструкций приведены ниже (таблица 5.6).

Таблица 5.6 - Параметры электрообогрева стен, перекрытий и покрытий

№ п/п

Толщина покрываемого слоя, мм

Способ электрообогрева

Скорость электрообогрева, °С/ч

Температура термического прогрева, °С

Продолжительность электрообогрева, ч

Удельная электрическая мощность опалубки, кВт/м2

при разогреве

при изотермическом прогреве

при остывании

на разогрев

на изотерический прогрев

1

100

Односторонний

10

70

6,5

6, 11, 20

-

1,3

0,78

2

200

Двустор.

Одностор.

8

70

8

3

40

0,75

1,5

0,4

0,78

3

300

Двустор.

Одностор.

6

60

9

2

65

0,75

1,5

0,4

0,78

4

400

Двусторонний

5

50

9

9

80

0,74

0,3

5

500

То же

5

50

9

 

100

0,87

-

6

600

То же

5

40

8

-

120

0,84

-

7

700-800

То же

5

40

8

-

130

0,85

-

Продолжение таблицы 5.6 - Электрообогрев колонн, балок

№ п/п

Сечение колонн

Способ электрообогрева

Скорость электрообогрева, °С/ч

Температура термического прогрева, °С

Продолжительность электрообогрева, ч

Удельная электрическая мощность опалубки, кВт/м2

при разогреве

при изотермическом прогреве

при остывании

на разогрев

на изотерический прогрев

8

300 × 300

По контуру сечения

8

70

8

10

30

0,74

0,47

9

400 × 400

То же

8

70

8

8

40

0,79

0,47

10

500 × 500

То же

6

60

9

8

50

0,66

0,34

11

600 × 600

То же

5

50

9

14

65

0,692

0,3

12

800 × 800

То же

5

40

7

19

80

0,7

0,25

13

1000×1000

То же

5

40

7

1

120

0,74

0,25

Продолжение таблицы 5.6 - Электрообогрев ростверков, плит, ленточных фундаментов, подколонников

№ п/п

Толщина покрываемого слоя, мм

Способ электрообогрева

Скорость электрообогрева, °С/ч

Температура термического прогрева, °С

Продолжительность электрообогрева, ч

Удельная электрическая мощность опалубки, кВт/м2

при разогреве

при изотермическом прогреве

при остывании

на разогрев

на изотерический прогрев

14

400

Односторонний

5

40

7

19

80

0,85

0,25

15

500

То же

5

40

7

11

100

0,85

0,25

16

600

То же

5

40

7

10

4-5 сут.

0,85

0,25

17

700

То же

5

40

7

10

5-7 сут.

0,85

0,25

18

800

То же

5

40

7

10

-

0,85

0,25

19

1000 и более

То же

3

30

9

-

-

0,57

0,2

Продолжение таблицы 5.6 - Электрообогрев стыков

№ п/п

Модуль поверхности

Способ электрообогрева

Скорость электрообогрева, °С/ч

Температура термического прогрева, °С

Продолжительность электрообогрева, ч

Удельная электрическая мощность опалубки, кВт/м2

при разогреве

при изотермическом прогреве

при остывании

на разогрев

на изотерический прогрев

20

20

Сквозной

10

50

4,5

12, 18, 36

20

11,3

6

21

30

То же

10

50

4,5

12, 18, 36

14

13,4

9

22

40

То же

10

50

4,5

12, 18, 36

11

15,6

12

23

50

То же

10

50

4,5

12, 18, 36

8

17

15

24

60

То же

10

50

4,5

12, 18, 36

5

19,8

18

Примечания: 1 Первая цифра в графе - продолжительность изотермического °С прогрева обеспечивает прочность бетона к моменту остывания до 0 °С 40 % от марочной, вторая - 50 %, третья - 70 %.

2 Таблицы составлены на основании исходных данных:

а) температура наружного воздуха принята минус 15 °С;

б) начальная температура бетона после укладки 5 °С;

в) бетон класса 15 на портландцементе марок 400-500;

г) теплоограждения № 3, 4 (приложение Г, таблица Г.3).

3 При понижении температуры наружного воздуха для выполнения заданного режима нужно повысить напряжение на низкой стороне трансформатора на одну ступень, при повышении - понизить напряжение.

5.5.3 Электрообогрев нагревательными проводами целесообразно применять для монолитных колонн, балок, прогонов, свайных ростверков, перекрытий с модулем поверхности Мn = 6-10, бетонирование которых может производиться при минимальной температуре воздуха до минус 40 °С.

Провода с металлической токонесущей изолированной жилой, подключаемые в электрическую сеть, работают как нагреватели сопротивления. Нагревательные провода закладываются непосредственно в массив монолитной конструкции.

В ОАО «ПКТИпромстрой» разработана технологическая карта на электрообогрев нагревательными проводами монолитных конструкций.

5.5.4 Электрообогрев монолитных конструкций проволочными и пластинчатыми нагревателями целесообразно применять для фундаментов под конструкции зданий и оборудование, массивных стен и т.п. с модулем поверхности Мn = 3-6; колонн, балок, прогонов, элементов рамных конструкций, свайных ростверков, стен, перекрытий с модулем поверхности Мn = 6-10; полов, перегородок, плит перекрытий, тонкостенных конструкций с модулем поверхности Мn = 10-20, бетонирование которых может производиться при температуре воздуха до минус 40 °С.

В ОАО «ПКТИпромстрой» разработана карта на электрообогрев проволочными и пластинчатыми нагревателями монолитных конструкций.

В карте приводятся:

- схемы устройства и подключения проволочных и пластинчатых нагревателей;

- указания по подготовке конструкций к бетонированию и требования к готовности предшествующих работ и строительных конструкций;

- конструктивные решения опалубки, оборудованной проволочными и пластинчатыми нагревателями;

- описание процесса электрообогрева конструкций;

- расчет электрических параметров проволочных и пластинчатых нагревателей в зависимости от температуры наружного воздуха и т.д.

5.5.5 Электрообогрев монолитных конструкций греющей опалубкой с трубчатыми электронагревателями целесообразно применять для фундаментов под конструкции зданий и оборудование, массивных стен и т.п. с модулем поверхности Мn = 3-6; колонн, балок, прогонов, элементов рамных конструкций, свайных ростверков, стен, перекрытий с модулем поверхности Мn = 6-10; полов, перегородок, плит перекрытий, тонкостенных конструкций с Мn = 10-20, бетонирование которых может производиться при минимальной температуре воздуха до минус 40 °С.

В ОАО «ПКТИпромстрой» разработана технологическая карта на электрообогрев монолитных конструкций греющей опалубкой с трубчатыми электронагревателями.

В карте приводятся:

- конструкция греющей опалубки;

- указания по подготовке конструкций к бетонированию и требования к готовности предшествующих работ и строительных конструкций;

- схема организации рабочей зоны;

- описание процесса подключения греющей опалубки и осуществление с ее помощью обогрева монолитных конструкций и т.д.

5.5.6 Термоактивные гибкие покрытия используются для внешнего обогрева монолитных конструкций. Все операции по укладке ТАГП и электрообогреву бетона указаны в технологической карте на электрообогрев цементной стяжки под полы и кровлю, разработанной ОАО «ПКТИпромстрой».

5.5.7 Стержневые электронагреватели изготавливаются из круглой арматурной стали класса AI по ГОСТ 5781-82*, марки Ст. 3 группы II по ГОСТ 380-94, диаметром не менее 8 мм.

Стержневые электронагреватели выполняют зигзагообразной формы и крепят к опалубке с помощью кронштейнов из диэлектрика. Расстояние между нагревателем и опалубкой должно составлять 30-50 мм.

5.5.8 Сетчатые электронагреватели отличаются от пластинчатых тем, что вместо металлической ленты применена металлическая сетка (рисунок 5.2).

Рисунок 5.2 - Сетчатый нагреватель

1 - лист из металла или фанеры; 2 - электротеплоизоляция из асбеста; 3 - сетчатый нагреватель; 4 - разводящие шины; 5 - утеплитель; 6 - наружный лист из фанеры; 7 - болты крепления

5.6 Индукционный нагрев монолитных конструкций

5.6.1 Сущность индукционного нагрева монолитных конструкций заключается в использовании магнитной составляющей переменного электромагнитного поля для теплового действия электрического тока, наводимого электромагнитной индукцией.

При индукционном прогреве энергия переменного магнитного поля преобразуется в арматуре или стальной опалубке в тепловую и передается теплопроводностью бетону. Индукционный прогрев применим к конструкциям замкнутого контура, длина которых превышает размеры сечения, с густой арматурой с коэффициентом армирования более 0,5, при бетонировании которых имеется возможность обмотать их проводом (изготовить индуктор) или когда бетонирование производят в металлической опалубке.

5.6.2 Индукционный нагрев целесообразно применять для следующих монолитных конструкций: колонн, балок, прогонов, свайных ростверков, стен, перекрытий с модулем поверхности Мn = 6-10, бетонирование которых производится при минимальной температуре воздуха минус 15 °С.

5.6.3. В ОАО «ПКТИпромстрой» разработана технологическая карта на индукционный прогрев монолитных конструкций. В карте приводятся:

- схемы нагревающих устройств;

- указания по подготовке конструкций к бетонированию и требования к готовности предшествующих работ и строительных конструкций;

- схема организации рабочей зоны на время производства работ;

- методы и последовательность производства работ, описание установки и подключение нагревающих устройств и осуществление с их помощью индукционного нагрева монолитных конструкций;

- электротехнических характеристики и количество витков индуктора в зависимости от температуры наружного воздуха;

- профессиональный и численно-квалификационный состав рабочих;

- калькуляция трудовых затрат и график производства работ;

- указания по контролю качества и приемке работ;

- решения по технике безопасности;

- потребность в необходимости материально-технических ресурсах, электротехническом оборудовании и эксплуатационных материалах;

- рекомендации по энергосбережению;

- технико-экономические показатели.

5.6.4 Расчет параметров индукционного нагрева приведен в приложении М.

5.7 Обогрев монолитных конструкций теплогенераторами на жидком топливе

5.7.1 Сущность применения теплогенераторов на жидком топливе заключается в использовании тепловой энергии, выделяемой теплогенераторами и направленной на открытые или опалубленные поверхности конструкций для их термообработки при бетонировании в зимних условиях.

5.7.2 Область применения теплогенераторов включает:

- отогрев промороженных бетонных и грунтовых оснований, арматуры, закладных металлических деталей и опалубки удаление снега и наледи;

- интенсификацию твердения бетона конструкций и сооружений, возводимых в скользящей либо объемно-переставной опалубке, плит перекрытий и покрытий, вертикальных и наклонных конструкций, бетонируемых в металлической опалубке;

- предварительный отогрев зоны стыков сборных железобетонных конструкций и ускорение твердения бетона или раствора при заделке стыков;

- ускорение твердения бетона или раствора при укрупнительной сборке большеразмерных железобетонных конструкций;

- создание тепловой защиты поверхностей, недоступных для устройства теплоизоляции.

5.7.3 В ОАО «ПКТИпромстрой» разработана технологическая карта на обогрев монолитных железобетонных конструкций теплогенераторами на жидком топливе. Технологическая карта включает в себя:

- указания по подготовке к бетонированию и требования к готовности предшествующих работ и строительных конструкций;

- схемы организации рабочей зоны на время производства работ;

- методы и последовательность производства работ, описание процесса установки обогревающих устройств;

- температурный режим, обеспечивающий необходимый набор прочности;

- профессиональный численно-квалификационный состав рабочих;

- калькуляция трудовых затрат и график производства работ.

5.8 Конвективно-лучевой обогрев монолитных конструкций

5.8.1 Сущность конвективно-лучевого обогрева монолитных конструкций заключается в непосредственной передаче тепла от греющих поверхностей панельно-линейных переносных электронагревателей через опалубку к прогреваемому бетону. Распространение тепла в самом бетоне происходит путем его теплопроводимости.

5.8.2 Применять конвективно-лучевой обогрев монолитных конструкций с помощью панельно-линейных переносных электронагревателей целесообразно для фундаментов под конструкции и оборудование, для массивных стен и т.п. с модулем поверхности Мn = 3-6; колонн, балок, прогонов, элементов рамных конструкций, свайных ростверков, стен, перекрытий с модулем поверхности Мn = 6-10; полов, перегородок, плит перекрытий, тонкостенных конструкций с модулем поверхности Мn = 10-20, бетонирование которых производится при минимальной температуре воздуха до минус 40 °С.

5.8.3 В ОАО «ПКТИпромстрой» разработана технологическая карта на конвективно-лучевой обогрев монолитных конструкций. В технологической карте приведены:

- указания по подготовке конструкций к бетонированию и требования к готовности предшествующих работ и строительных конструкций;

- схема организации рабочей зоны на время производства работ;

- методы и последовательность производства работ по обогреву монолитных конструкций;

- теплотехнический расчет обогрева конструкций;

- профессиональный и численно-квалификационный состав рабочих;

- график производства работ и калькуляция трудовых затрат;

- указания по контролю качества и приемке работ;

- решения по технике безопасности;

- потребность в материально-технических ресурсах;

- рекомендации по энергосбережению;

- технико-экономические показатели.

6 Техника безопасности

6.1 Общие положения

6.1.1 При производстве работ должны соблюдаться требования техники безопасности согласно СНиП 12-03-2001, СНиП III-4-80*, СНиП 3.01.01-85*, государственных стандартов ССБТ, проекта производства работ, технологических карт, карт трудовых процессов и инструкций, утвержденных главным инженером строительной организации, производящей указанные работы.

(Измененная редакция, Изм. № 1).

6.1.2 Ответственность за соблюдение требований безопасности при эксплуатации машин, электро- и пневмоинструмента и технологической оснастки возлагается:

за техническое состояние машин, инструмента, технологической оснастки, включая средства защиты, - на организацию (лицо), на балансе (в собственности) которой они находятся, а при их передаче во временное пользование (аренду) - на организацию (лицо), определенную договором;

за выполнение требований безопасного производства работ - на организации, выполняющие работы, в штате которых состоят работающие или которыми привлекаются к работе.

6.1.3 Рабочие при производстве работ должны иметь удостоверение на право производства конкретного вида работ, а также пройти инструктаж по безопасности труда в соответствии с требованиями ГОСТ 12.0.004-90.

6.1.4 Допуск рабочих к выполнению работ разрешается только после их ознакомления (под расписку) с технологической картой, проектом производства работ и, в случае необходимости, с требованиями, изложенными в наряде-допуске на производство работ повышенной опасности.

6.1.5 К самостоятельным верхолазным работам на высоте свыше 5 м от поверхности земли, перекрытия или рабочего настила, над которыми производятся работы непосредственно с конструкцией при их монтаже или ремонте, допускаются лица (рабочие и инженерно-технические работники) не моложе 18 лет, прошедшие медицинский осмотр и признанные годными, имеющие стаж верхолазных работ не менее одного года и тарифный разряд не ниже 3-го. Рабочие, впервые допускаемые к верхолазным работам, в течение одного года должны работать под непосредственным надзором опытных рабочих, назначенных приказом руководителя организации. При выполнении верхолазных работ основным средством, предохраняющим работающих от падения с высоты, является предохранительный пояс.

6.1.6 Применяемые при производстве бетонных работ машины, оборудование и технологическая оснастка по своим техническим характеристикам должны соответствовать условиям безопасного выполнения работ.

6.1.7 При организации строительной площадки, размещении участков работ, рабочих мест, проездов строительных машин и транспортных средств, проходов для людей следует установить опасные для людей зоны, в пределах которых постоянно действуют или потенциально могут действовать опасные производственные факторы, обозначить их знаками безопасности, сигнальными ограждениями и надписями установленной формы.

6.1.8 При организации производства работ в темное время суток или в затемненных местах администрация должна обеспечить освещение рабочих мест, проездов и проходов к ним в соответствии с ГОСТ 12.1.046-85.

Освещенность должна быть равномерной, без слепящего действия осветительных приспособлений на работающих.

6.1.9 Рабочие места, в зависимости от условий работ и принятой технологии производства работ, должны быть обеспечены согласно нормокомплектам технологической оснасткой, а также средствами связи и сигнализации.

6.1.10 Подача материалов на рабочие места должна осуществляться в технологической последовательности, обеспечивающей безопасность работ.

Складировать материалы на рабочих местах следует так, чтобы они не создавали опасности при выполнении работ и не стесняли проходы.

6.1.11 Нахождение рабочих, работающих в местах, расположенных ближе 2 м от перепада по высоте на 1,3 м и более, допускается при условии ограждения рабочих мест и проходов к ним защитными ограждениями по ГОСТ 12.4.059-89.

Подъем на леса допускается только по специально установленным инвентарным лестницам.

6.1.12 Средства подмащивания должны иметь ровные рабочие настилы с зазором между досками не более 5 мм, а при расположении настила на высоте 1,3 м и более - ограждения и бортовые элементы. Соединения щитов настилов внахлестку допускается только по их длине, причем концы стыкуемых элементов должны быть расположены на опоре и перекрывать ее не менее чем на 0,2 м в каждую сторону.

6.1.13 Ширина опасной зоны возводимого в опалубке сооружения зависит от местных условий и определяется проектом, однако не должна быть менее 10 м. Проходы внутри сооружения и около него в пределах опасной зоны должны быть перекрыты навесом и снабжены боковыми ограждениями.

6.1.14 Линейные инженерно-технические работники обязаны периодически, не реже одного раза в год, проходить проверку знания ими правил техники безопасности и производственной санитарии с учетом характера выполняемых работ.

Проверку знаний осуществляет комиссия, назначенная руководителем строительно-монтажной организации с оформлением записи в журнале регистрации и в удостоверении, выдаваемом под расписку экзаменуемому.

Руководители организаций должны быть аттестованы на знание норм и правил техники безопасности в экспертных комиссиях, организованных территориальными органами государственной экспертизы условий труда.

6.2 Опалубочные работы

6.2.1 Опалубку, применяемую для возведения монолитных железобетонных конструкций, необходимо изготовлять и применять в соответствии с ППР, утвержденным в установленном порядке.

При установке опалубки в несколько ярусов каждый последующий ярус следует устанавливать только после закрепления нижнего яруса.

6.2.2 Подвесную опалубку железобетонных перекрытий зданий со стальными каркасами устанавливать лишь после окончательного закрепления элементов каркаса.

6.2.3 К разборке опалубки можно приступать только после достижения бетоном заданной прочности с разрешения производителя работ, а особо ответственных конструкций - с разрешения главного инженера.

При разборке опалубки необходимо придерживаться определенной последовательности и указаний, предусмотренных в проекте производства работ или в инструкции завода-изготовителя.

6.2.4 При удалении поэтажных стоек, поддерживающих опалубку забетонированных перекрытий многоэтажных зданий, стойки опалубки нижележащего перекрытия удаляют частично, оставляя под балками и прогонами пролетом 4 м и более «стойки безопасности» на расстоянии не более 3 м одна от другой, а также от опор распалубливаемых конструкций.

6.2.5 При производстве опалубочных работ запрещается:

- размещать на опалубке оборудование и материалы, не предусмотренные проектом производства работ, а также пребывание людей, непосредственно не участвующих в производстве работ, на настиле опалубки.

- работать неисправным инструментом и на неисправном оборудовании;

- ходить по смазанной поверхности форм;

- снимать ограждения с вращающихся частей машин и механизмов;

- складывать на подмостях или на рабочем настиле разбираемые элементы опалубки, а также сбрасывать их с сооружения;

- работать с приставных лестниц;

- загромождать проходы и доступы к противопожарному инвентарю, огнетушителям и гидрантам;

- курить в местах, специально не отведенных для курения;

- разводить огонь на опалубке или устанавливать нагревательные электроприборы, которые не предусмотрены проектом производства работ;

- скопление людей на рабочем полу опалубки и подвесных лесов;

- допуск посторонних лиц на строящийся объект;

- одновременное производство работ в двух и более ярусах по одной вертикали без защитных устройств;

- производить работы на опалубке во время грозы или при силе ветра более шести баллов.

6.3 Арматурные работы

6.3.1 При производстве арматурных работ необходимо:

- ограждать места, предназначенные для разматывания бухт и выпрямления арматуры;

- при резке стержней арматуры станками на отрезки длиной менее 0,3 м применять приспособления, предупреждающие их разлет;

- ограждать рабочее место при обработке стержней арматуры, выступающих за габариты верстака, а у двусторонних верстаков, кроме этого, разделять верстак посередине продольной металлической предохранительной сеткой высотой не менее 1 м;

- складировать заготовленную арматуру в специально отведенные для этого места;

- закрывать щитами торцевые части стержней арматуры в местах общих проходов, имеющих ширину менее 1 м.

6.3.2 При выполнении работ по натяжению арматуры необходимо:

- устанавливать в местах прохода работающих защитные ограждения высотой не менее 1,8 м;

- оборудовать устройство для натяжения арматуры сигнализацией, приводимой в действие при включении привода натяжного устройства;

- не допускать пребывания людей на расстоянии ближе 1 м от арматурных стержней, нагреваемых электротоком.

6.3.3 Элементы каркасов арматуры необходимо пакетировать с учетом условий их подъема, складирования и транспортирования к месту монтажа.

6.3.4 Во время армирования фундаментов, тоннелей и других железобетонных конструкций заглубленного типа арматурные стержни необходимо подавать в котлован только с помощью специальных траверс или спускать их по приспособленным для этих целей лоткам.

6.3.5 При изготовлении железобетонных конструкций высотой более 3 м арматуру следует устанавливать, применяя инвентарные или изготовленные по типовым проектам леса и подмости. Во избежание перегрузки лесов, подмостей и стремянок не допускается хранение на них запасов арматуры.

6.3.6 Для установки арматуры колонн, стен и других вертикальных конструкций через каждые 2 м по высоте следует устраивать подмости с настилом шириной не менее 1 м и защитным ограждением высотой не менее 1,1 м.

6.3.7 Арматуру колонн, устанавливаемую готовыми каркасами без опалубки, на время вывешивания верха каркаса и надежного соединения его с арматурой фундамента следует раскреплять инвентарными трубчатыми подпорками.

6.3.8 При производстве арматурных работ запрещается:

- работать с непроверенных лесов и подмостей, а также с настилов, уложенных на случайные неустойчивые опоры;

- находиться на каркасе до его окончательной установки и раскрепления;

- оставлять без закрепления установленную арматуру;

- чистить арматуру без защитных очков и плотных рукавиц;

- резать арматурные стержни, которые по прочности и диаметром превосходят технические показатели данного станка;

- резать арматурные стержни длиной менее 30 см, если отсутствуют специальные приспособления для этой цели;

- при работе на станках для гибки арматуры удлинять рычаги отрезками труб, а также опираться на эти рычаги;

- занимать проходы и рабочее место у станка арматурными заготовками;

- приступать к работе на неисправном оборудовании, применять неисправные инструменты и инвентарь.

6.4 Укладка бетона

6.4.1 Бункера для перемещения бетонной смеси должны удовлетворять ГОСТ 21807-76* и иметь исправные приспособления (затворы), не допускающие случайной выгрузки смеси. Перемещение загруженного или порожнего бункера разрешается только при закрытом затворе.

6.4.2 Расстояние от низа бадьи до поверхности, на которую производится выгрузка смеси, не должно превышать в момент выгрузки 1 м.

6.4.3 Тара (бадьи, бункера) для перемещения бетонной смеси должна соответствовать ГОСТ 12.3.010-82.

6.4.4 Все движущиеся и вращающиеся части механизмов, применяемые при транспортировании и приготовлении растворов и бетонов, должны быть ограждены.

6.4.5 При бетонировании сооружения в вертикально-скользящей опалубке настил рабочего пола следует регулярно очищать от пролитой бетонной смеси. Отверстия в рабочем полу должны быть ограждены перилами. Рабочие, укладывающие бетонную смесь на поверхности, имеющей уклон более 20°, должны пользоваться предохранительными поясами.

6.4.6 При укладке, подаче и уплотнении бетонной смеси опалубку и поддерживающие леса тщательно осмотреть, проверить на надежность установку стоек, лесов, а также убедиться в отсутствии щелей в опалубке, наличии закладных частей и пробок, предусмотренных проектом.

6.4.7 Во время прочистки (испытания, продувки) бетоноводов сжатым воздухом бетонщики, не занятые выполнением этих операций, должны отойти от бетоновода на расстояние не ближе 10 м, в направлении, перпендикулярном бетоноводу.

6.4.8 При уплотнении бетонной смеси электровибраторами перемещать вибратор за токоведущие шланги не допускается, а при перерывах в работе и при переходе с одного места на другое электровибраторы необходимо выключать.

6.4.9 К работе с электровибратором допускаются бетонщики, имеющие квалификационную группу по электробезопасности не ниже II.

Бетонщики, работающие с вибраторами, должны ежегодно проходить медицинское освидетельствование.

6.4.10 При производстве бетонных работ запрещается:

- обмывать вибратор водой во избежание попадания воды внутрь кожуха;

- перемещать вибратор за токоведущие провода;

- спускаться в траншею по распоркам, ходить по уложенной арматуре;

- использовать для подачи бетонной смеси непроверенные и неисправные бункера и другую тару;

- применять стационарные светильники в качестве переносных ручных ламп;

- работать при давлении сжатого воздуха, превышающем 0,5 МПа;

- пребывание рабочих под виброхоботом во время выгрузки из него бетонной смеси;

- производить продувку бетоноводов без предварительной установки отражающих экранов.

6.5 Бетонные работы в зимних условиях

6.5.1 При электропрогреве бетона монтаж и присоединение электрооборудования к питающей электросети должны выполнять только электромонтеры, имеющие квалификационную группу по электробезопасности не ниже III.

6.5.2 В зоне электропрогрева необходимо применять изолированные гибкие кабели или провода в защитном шланге. Не допускается прокладывать провода непосредственно по грунту или по слою опилок, а также провода с нарушенной изоляцией.

6.5.3 При электропрогреве бетона зона электропрогрева должна иметь защитное инвентарное ограждение в соответствии с проектом производства работ, удовлетворяющее ГОСТ 23407-78, звуковую или световую сигнализацию, загорающуюся при подаче напряжения на линию.

6.5.4 Сигнальные лампы должны подключаться так, чтобы при их перегорании отключалась подача напряжения.

6.5.5 На участках электропрогрева бетона должны быть вывешены предупредительные надписи, знаки безопасности и плакаты в соответствии с ГОСТ 12.4.026-76*.

6.5.6 В темное время суток участок электропрогрева должен быть хорошо освещен.

6.5.7 После подключения электродов к сети и зануления бункера закрывается вход в зону работ и включается звуковой и световой сигналы.

Зона электропрогрева бетона должна находиться под круглосуточным наблюдением электромонтеров.

6.5.8 Пребывание посторонних лиц и выполнение каких-либо работ на этих участках не разрешается, за исключением работ, выполняемых персоналом, имеющим квалификационную группу по электробезопасности не ниже II и применяющим соответствующие средства защиты.

6.5.9 Напряжение источника питания цепей электропрогрева при электродном прогреве армированного и неармированного бетона должно быть не выше 220 В.

6.5.10 Использование напряжения до 380 В допускается при электроразогреве бетонной смеси, при индукционном нагреве и обогреве железобетонных конструкций и изделий с помощью электронагревательных приборов, устройство которых исключает короткое замыкание на арматуру.

6.5.11 Рабочие, осуществляющие инфракрасный обогрев бетона с помощью открытых установок (типа сферических прожекторов и т.п.), обязательно должны пользоваться специальными очками.

6.5.12 Измерение температуры бетона с помощью технических термометров допускается при напряжении не более 60 В. Контролер температуры также должен быть снабжен диэлектрическими галошами и диэлектрическими перчатками.

6.5.13 Во избежание перегрева бетона и при невозможности выдержать необходимое расстояние между электродами и арматурой необходимо участки электродов, ближайшие к арматуре, изолировать (надеть на электрод эбонитовые трубки или обернуть его двумя слоями толя).

6.5.14 Для обеспечения равномерного прогрева необходимо соблюдать осторожность во время выгрузки и укладки бетонной смеси, чтобы не сместить электроды с первоначального положения и не допустить соприкосновения их с арматурой.

6.5.15 Открытая (незабетонированная) арматура железобетонных конструкций, связанная с участком, находящимся под электропрогревом, должна быть заземлена (занулена).

6.5.16 Корпуса бункеров и кузовов бетоновозов в процессе электроразогрева бетонной смеси должны быть заземлены. Бункер заземлять не требуется - достаточно подключить его к нулевому проводу щита, соединенному с заземленным контуром трансформатора.

6.5.17 После каждого перемещения электрооборудования, применяемого при прогреве бетона, на новое место следует визуально проверять состояние изоляции проводов, средств защиты, ограждений и заземления.

6.5.18 Электроустановки для электропрогрева бетона должны иметь защиту от токов короткого замыкания.

Все оголенные токоведущие части трансформаторов и распределительных щитов должны быть защищены от случайных прикосновений и атмосферных осадков. Рубильники необходимо оградить кожухами. Около трансформаторов и распределительных щитов должны быть установлены деревянные настилы на изоляторах, покрытые резиновыми ковриками. Предохранители должны иметь калиброванные плавкие вставки.

6.5.19 При производстве бетонных работ в зимних условиях запрещается:

- пребывание людей и проход вблизи стержней в процессе их нагрева и остывания;

- установка арматуры в местах, близко расположенных от электропроводов, находящихся под напряжением;

- использовать при электропрогреве напряжение сверх указанного в проекте;

- производить все виды электропрогрева в сырую погоду;

- при электропрогреве конструкций в термоактивной опалубке прикасаться к ней и опилкам;

- в зоне электропрогрева прокладывать провода непосредственно по грунту или по слою опилок;

- работать при обнаружении неисправности электропроводки;

- размещать легковоспламеняющиеся материалы вблизи установок для электропрогрева бетона;

- применять сгораемые материалы в качестве защиты голых токоведущих частей, нагревательных элементов, спиралей и других электронагревательных установок по электропрогреву бетона.

6.6 Противопожарные мероприятия

При производстве работ необходимо руководствоваться «Правилами пожарной безопасности в Российской Федерации» ППБ 01-93**, ГОСТ 12.1.004-91* и «Указаниями о мерах пожарной безопасности при эксплуатации временных служебно-бытовых помещений-фургонов на строительных объектах» ПСО Моспромстрой (ПКТИпромстрой, 1980 г.), «Правилами устройства электроустановок», 1996 г., «Правилами эксплуатации электроустановок потребителей», 1992 г., ПОТ РМ-016-2001, РД 153-34.0-03.150-00 «Межотраслевые правила по охране труда (правила безопасности) при эксплуатации электроустановок».

(Измененная редакция, Изм. № 1).

Все работающие должны быть проинструктированы по правилам пожарной безопасности.

В каждой смене должен быть назначен ответственный за противопожарную безопасность.

При необходимости устройства деревянной опалубки и строительных лесов одновременно более чем на 3 этажа следует проводить дополнительные противопожарные мероприятия (прокладка временных противопожарных водопроводов с установкой пожарных кранов на этажах и т.д.).

Каждое строительство должно быть обеспечено противопожарным оборудованием и инвентарем согласно нормам. Характер противопожарного оборудования устанавливается по согласованию с местными органами Государственного пожарного надзора в зависимости от степени пожарной опасности объекта и его государственного значения.

Кроме перечисленных в нормах первичных средств пожаротушения и противопожарного инвентаря на каждый 5000 м2 застроенной территории устанавливаются пожарные пункты (щит или шкаф, окрашенные в красный цвет с надписью «Пожарный пункт») со следующим набором первичных средств пожаротушения и инвентаря:

Огнетушители типа ОП-5                         - 2 шт.

Ведра пожарные                                        - 2 шт.

Лопаты                                                       - 4 шт.

Войлок (или асбестовое полотно)           - 2 полотна.

Огнетушители, ящики для песка, бочки для воды, ведра, щиты или шкафы для инвентаря, ручки для лопат, футляры для кошм и другое оборудование в отличие от хозяйственного инвентаря должны быть окрашены в красный цвет.

Сгораемые материалы (древесностружечные плиты, фанера, лесоматериалы, рубероид и т.д.) должны доставляться на рабочие места в количестве, не превышающем сменной потребности.

Сгораемые материалы на открытых площадках (толь, рубероид и т.п.) должны размещаться в штабелях площадью не более 100 м2. Разрывы между штабелями и строящимися подсобными зданиями, помещениями надлежит принимать согласно СНиП 12-03-2001, а проходы между штабелями (стеллажами) должны быть шириной не менее 1 м. Ширина проездов зависит от габаритов транспортных средств и погрузо-разгрузочных механизмов, обслуживающих склад.

(Измененная редакция, Изм. № 1).

Для теплозащиты бетона допускается применение только трудносгораемых и несгораемых материалов.

Применять солому, стружку и другие сгораемые материалы, за исключением увлажненных или обработанных известковым раствором опилок, не разрешается.

Нагреваемые элементы, спирали, электроды и т.п. должны быть защищены от попадания на них посторонних предметов металлическими кожухами или несгораемыми ограждениями.

Для отключения электросети в случае аварии или пожара отключающие устройства должны устанавливаться в доступных местах.

Подъезды к стройплощадке и проезды внутриквартальные и вокруг строящегося объекта должны быть свободны от машин, механизмов, материалов, конструкций и т.п. для обеспечения беспрепятственного проезда пожарного автотранспорта.

6.7 Охрана труда

6.7.1 Рабочие, независимо от форм собственности организаций, должны быть обеспечены спецодеждой, спецобувью и другими средствами индивидуальной защиты в соответствии с действующими типовыми нормами и характером выполняемой работы и степени риска.

6.7.2 Рабочие, руководители, специалисты и служащие, занятые на строительных объектах, должны быть обеспечены санитарно-бытовыми помещениями (гардеробными, сушилками для одежды и обуви, душевыми, помещениями для приема пищи, отдыха и обогрева, комнатами личной гигиены женщин и туалетами) в соответствии с действующими нормами, номенклатурой инвентарных зданий, сооружений и установок и их комплексов для строительных и монтажных организаций, утвержденной Госстроем СССР, и Гигиеническими требованиями по устройству и оборудованию санитарно-бытовых помещений, утвержденными Минздравом СССР.

Подготовка к эксплуатации санитарно-бытовых помещений и устройств для работающих на строительной площадке должна быть закончена до начала основных строительно-монтажных работ.

При реконструкции действующих предприятий санитарно-бытовые помещения следует устраивать с учетом санитарных требований, соблюдение которых обязательно при осуществлении производственных процессов реконструируемого предприятия.

6.7.3 На каждом объекте строительства необходимо выделять помещения или места для размещения аптечек с медикаментами, носилок, фиксирующих шин и других средств для оказания первой помощи пострадавшим.

6.7.4 Все работающие на строительной площадке должны быть обеспечены питьевой водой, качество которой должно соответствовать санитарным требованиям. Питьевые установки следует располагать на расстоянии не более 75 м по горизонтали и 10 м по вертикали от рабочих мест.

6.7.5 Руководители организаций обязаны обеспечить на строительной площадке и рабочих местах необходимые условия для выполнения подчиненными им рабочими и служащими требований правил и инструкций по охране труда. При возникновении угрозы безопасности лицо, назначенное приказом по организации руководителем работ, обязано прекратить работы и принять меры по устранению опасности, а при необходимости обеспечить эвакуацию людей в безопасное место.

Допуск посторонних лиц, а также работников в нетрезвом состоянии на территорию строительной площадки, на рабочие места, в производственные и санитарно-бытовые помещения запрещается.

6.7.6 Руководители генподрядной строительной организации должны обеспечить своевременное оповещение всех своих подразделений и субподрядных организаций, работающих на подконтрольных объектах, о резких переменах погоды (пурге, ураганном ветре, грозе, снегопаде и т.п.).

6.7.7 Руководители организаций обязаны соблюдать ограничения в применении труда женщин, установленные законодательством или действующими нормами. В случае привлечения женщин для выполнения работ, связанных с подъемом и перемещением грузов вручную, следует руководствоваться нормами переноски тяжести, утвержденными Минтрудом России.

6.7.8 Вновь привлекаемые рабочие должны быть обеспечены рабочими инструкциями по охране труда (под расписку), требования которых они обязаны выполнять в процессе трудовой деятельности. В течение месяца со дня зачисления на работу они должны быть обучены безопасным методам производства работ по соответствующим программам с выдачей удостоверений и только после прохождения обучения допускаются к самостоятельному выполнению работ.

6.8 Охрана окружающей среды

6.8.1 При производстве работ запрещается использование полимерных материалов и изделий с взрывоопасными и токсичными свойствами без ознакомления с инструкциями по их применению, утвержденными в установленном порядке.

Импортные полимерные материалы и изделия допускается применять только по согласованию с органами Госкомсанэпидемнадзора России.

6.8.2 Сброс воды, откачиваемой из котлованов, на рельеф не допускается.

6.8.3 Выпуск воды со стройплощадок непосредственно на склоны без надлежащей защиты от размыва не допустим. Производственные и бытовые стоки, образующиеся на стройплощадке, должны очищаться и обезвреживаться в порядке, предусмотренном в ПОС и ППР.

6.8.4 Мероприятия и работы по охране окружающей среды должны включать предотвращение потерь природных ресурсов, предотвращение или очистку вредных выбросов в атмосферу, водоемы и почву.

6.8.5 Не допускается при уборке отходов и мусора сбрасывать их с этажей зданий и сооружений без применения закрытых лотков и бункеров-накопителей.

6.8.6 На территории строящихся и реконструируемых объектов не допускается не предусмотренное проектной документацией сведение древесно-кустарниковой растительности и засыпка грунтом корневых шеек и стволов растущих деревьев и кустарника.

6.8.7 Временные автодороги другие подъездные пути должны устраиваться с учетом требований по предотвращению повреждений сельскохозяйственных угодий и древесно-кустарниковой растительности, лесопарковых зон и скверов.

6.8.8 Срезанный при планировочных работах слой почвы, пригодный для последующего использования, должен складироваться в специально отведенных местах.

6.8.9 В пределах охранных, заповедных и санитарных зон и территорий производство строительно-монтажных работ следует осуществлять в порядке, установленном специальными правилами и положениями о них.

6.8.10 Строительная площадка должна быть снабжена мойками для колес. Выезд автотранспорта, не прошедшего через мойку, категорически запрещен.

7 Технологические примеры производства работ по возведению монолитных бетонных и железобетонных конструкций зданий и сооружений

Таблица 7.1 - Рекомендации для конструкций из монолитного бетона и железобетона

№ п/п

Наименование конструкций

Краткая характеристика

опалубка

арматура

бетон класса

1

2

3

4

5

1

Фундаменты

а) отдельно стоящие

Система НОЕ СЛ2000 (Германия)

Модульная опалубка фирмы Далли (Германия)

Опалубка фирмы Мева - система опалубки Стар Тек

A-I, А-II, A-III;

диаметр стержней от 8 до 32 мм;

сварные сетки и каркасы

В15

В20

В30

б) ленточные фундаменты, монолитные пояса

То же

A-I, A-II, A-III;

диаметр стержней от 8 до 32 мм;

Сварные сетки и каркасы

То же

в) плита

Опалубка фирмы «Мева».

Опалубка фирмы Пери (Германия).

Система «Хандсет»

A-I, А-II, А-III;

диаметр стержней от 8 до 40 мм; сетки, каркасы, отдельные стержни

То же

2

Колонны:

а) с гибкой арматурой

Опалубка фирмы Пери (Германия): системы «Трио», «Пери рапид», «Пери Варио».

Опалубка фирмы Далли.

Опалубка для колонн конструкции ПКТИпромстрой

A-I, А-II, А-III;

диаметр 12-40 мм; сварные каркасы, прокатная сталь; сварной, коробчатый или сплошной профиль

В20

В30

б) с жесткой арматурой

3

Перекрытия и полы:

а) перекрытия плоские с ригелями и прогонами

Опалубка перекрытий фирмы Далли (Германия).

Опалубка перекрытий фирмы Мева, Мева-дек (Германия)

Опалубка Русская

Алюминиевая опалубка.

A-I, А-II, А-III, В-I;

диаметр от 6 до 18 и диаметр от 12 до 28 мм; сварные сетки и каркасы

В20

В30

перекрытия с применением профнастила

Профнастил

б) набетонка

в) полы с применением метода вакуумирования

Опалубка фирмы Тремикс

A-I диаметром 6-10 мм, сварные сетки

В20

В30

4

Стены жесткости и перегородки

а) толщиной от 200 до 500 мм с гибкой арматурой между сборными ж.б. колоннами

Опалубка стен фирмы Далли (Германия).

Опалубка фирмы Мева. Система Стартек (Германия).

Опалубка системы НОЕ

Топ 2000 (Германия)

Опалубка Русская

Алюминиевая опалубка

A-I, А-II, A-III;

диаметр от 8 до 16 мм; прокатные профили

В20

В30

б) толщиной от 400 до 600 мм с жесткой арматурой и каркасом из арматурных сеток

в) толщиной от 400 до 750 мм с гибкой арматурой

5

Ядра жесткости

Подвижная опалубка КЛК 230 фирмы Мева (Германия)

Самоподъемная опалубка фирмы Пери (Германия)

Система АКС-50

A-I, А-II, A-III;

сварные сетки и каркасы, отдельные стержни диаметром от 6 до 30 мм

В20

В30

6

Емкостные сооружения: резервуары, отстойники, очистные сооружения

Система Пери «Трио» (Германия).

Опалубка фирмы Далли (Германия).

Опалубка системы «Стартек» фирмы Мева (Германия)

A-I, А-II, A-III; сварные сетки и каркасы, диаметр арматуры от 10 до 32 мм

В20

7

Заглубленные сооружения ГО, подвалы

То же

A-I, А-II, A-III;

сварные сетки и каркасы, диаметр арматуры от 10 до 32 мм

В20

В30

8

Дороги и площадки

Опалубка фирмы «Тремикс» (Швеция)

-

В40

9

Стыки сборных конструкций

Инвентарная опалубка для определенных типов стыков (пресс-форма конструкции ПКТИпромстрой и др.)

-

В20

В30

7.1 Устройство фундаментов и фундаментных плит

7.1.1 Выполнение работ по устройству монолитных фундаментов и фундаментных плит следует осуществлять захватками или зонами, устанавливаемыми проектом производства работ.

7.1.2 Устройство фундаментов осуществляют в следующей технологической последовательности: установка опалубки, арматурных сеток и каркасов; бетонирование; уход за бетоном; снятие и перестановка опалубки.

В случае применения блок-форм или объемной опалубки установка арматурных сеток и каркасов производится в первую очередь.

7.1.3 Опалубку применяют щитовую и блочную, в зависимости от габаритных размеров фундаментов, объемов и поверхностей опалубливания.

Опалубку и арматурные изделия в зону производства работ подают с помощью крана и в зависимости от их массы устанавливают в проектное положение вручную или краном.

В случае применения анкерных болтов в фундаментах их устанавливают в кондукторах или фиксирующих устройствах.

Кондуктора или фиксирующие устройства представляют собой жесткие пространственные или плоские сварные конструкции из прокатных профилей, изготавливаемых в арматурных цехах или на строительных площадках в специально отведенных местах.

Тут же осуществляют выверку и закрепление анкерных болтов к кондукторам и фиксирующим устройствам в соответствии с проектом. Подготовленные приспособления транспортируют к месту установки, выверяют по осям сооружения и по высоте геодезическими инструментами и окончательно крепят в проектном положении.

Как правило, кондуктора или фиксирующие устройства остаются в теле бетонируемой конструкции.

7.1.4 Бетонирование фундаментов разрешается выполнять после приемки по акту бетонной подготовки, опалубки, арматуры и письменного разрешения авторского надзора в журнале работ.

7.1.5 Фундаменты бетонируют на всю высоту или слоями. Ступенчатые фундаменты следует бетонировать поэтапно. Бетонирование каждой ступени ведут непрерывно, а при больших объемах работ - согласно ППР.

7.1.6 Фундаментные плиты бетонируют блоками, которые образуются путем их разрезки в любом месте параллельно меньшей стороне плиты, образуя рабочий шов.

Рабочие швы (рисунок 7.1) образуются установкой в определенных проектом или ППР местах плоских каркасов, на которые с помощью вязальной проволоки крепят несъемную металлическую сетку с размерами ячеек не более 10 × 10 мм. Конструкция рабочих швов разрабатывается в проекте производства работ при согласовании с проектной организацией.

Рисунок 7.1 - Конструкция рабочего шва

1 - металлическая сетка; 2 - защитный слой бетона; 3 - места креплений сетки вязальной проволокой; 4 - верхняя арматура; 5 - плоский поддерживающий каркас; 6 - нижняя арматура; 7 - подкладка под нижнюю арматуру

Объем блоков назначают с учетом возможности непрерывного подвоза и укладки бетонной смеси в конструкцию.

7.1.7 Уплотнение бетонной смеси в малоармированных фундаментах и фундаментных плитах с шагом между стержнями арматуры 70-100 мм осуществляют глубинными вибраторами типа ИВ-117А, ИВ-116А, ИВ-102, при густом армировании - ИВ-66. Для поверхностного уплотнения бетонных смесей используются вибраторы типа ИВ-91.

7.1.8 Возведение монолитных железобетонных фундаментов под колонны одноэтажного промышленного здания с помощью автомобильного крана КС-2561Д со стрелой 8 м и гусеничного крана РДК-25 со стрелой 12,5 м рекомендуется осуществить по приведенной ниже схеме (рисунок 7.2).

Установку арматуры и опалубки осуществляют с помощью крана КС-2561Д.

Условные обозначения

 - монолитный железобетонный фундамент

 - установленная арматура

 - установленная опалубка

 - подготовленное основание

1, 2, 3 и т.д. - порядок бетонирования фундаментов

Рисунок 7.2 - Схема возведения монолитных железобетонных фундаментов под колонны одноэтажного промышленного здания

1 - автомобильный кран КС-2561Д; 2 - гусеничный кран РДК-25; 3 - автосамосвал ЗИЛ-ММЗ-555; 4 - бортовой автомобиль

7.1.9 Четыре бункера располагают плотно друг к другу в зоне действия стрелы крана РДК-25. Количество бункеров зависит от их емкости и ширины транспортных средств. Бетонную смесь с завода доставляют автосамосвалами ЗИЛ-ММЗ-555 или КАМАЗ-55111 и выгружают в бункеры. Бункер цепляют с помощью стропа к крюку крана, поднимают и перемещают к месту укладки бетона.

Доставку бетона на объект можно производить и автобетоносмесителями при их наличии на стройплощадке.

7.1.10 Устройство монолитной железобетонной плиты с помощью автобетононасоса показано ниже (рисунок 7.3). Вся плита разбита на блоки бетонирования объемом от 37 до 96 м3.


УСЛОВНЫЕ ОБОЗНАЧЕНИЯ

 - блок бетонирования

1 - порядковый номер бетонирования блока

60 - объем бетона в м3 в блоке

 - существующая бетонная стенка

Рисунок 7.3 Схема устройства монолитной железобетонной плиты с помощью автобетононасоса «Штеттер»

1 - плита ПАГ-14; 2 - автобетононасос «Штеттер»; 3 - стрела с бетоноводом; 4 - деревянные подкладки 200 × 400 (h = 200); 5 - стык трубопровода со стрелой «Штеттер»; 6 - арматурный каркас; 7 - трубопровод (7 × 3 м = 21); 8 - гибкий шланг


Армирование плиты осуществлялось сварными сетками, каркасами и отдельными стержнями.

Бетонную смесь с завода доставляют на строительный объект автобетоносмесителями и выгружают в бункер автобетононасоса. В блоки, расположенные на расстоянии более радиуса действия стрелы автобетононасоса, бетонная смесь подается по трубопроводу, собранному из трехметровых секций и распределяется с помощью гибкого концевого шланга. По мере заполнения блоков бетоном трубопровод демонтируют, трубы очищают и собирают в следующей зоне бетонирования плиты.

7.2 Бетонирование колонн

7.2.1 Бетонирование колонн каркасных зданий следует осуществлять захватками и в определенной последовательности в соответствии с технологическими схемами производства работ или ППР.

Колонны со стрежневой арматурой целесообразно бетонировать в объемной опалубке, собираемой из щитов. Возможно использование в качестве опалубки блок-форм, а армирование производить армоблоками.

Бетонирование колонн с жесткой арматурой рекомендуется производить в инвентарной разборно-переставной опалубке конструкции ПКТИпромстрой.

7.2.2 Бетонирование колонн с поперечными размерами от 400 до 800 мм при отсутствии перекрещивающихся хомутов осуществляют с высоты до пяти метров без перерыва.

Колонны любого сечения с перекрещивающимися хомутами бетонируют сбоку участками высотой не более двух метров. При больше высоте участков колонн устраивают перерывы для осаждения бетонной смеси. Продолжительность перерыва должна быть не менее 40 минут и не более двух часов.

7.2.3 При бетонировании колонн «сверху» предварительно следует заполнить нижнюю часть опалубки на высоту 100-200 мм цементным раствором состава 1:2 - 1:3.

7.2.4 Уплотняют бетонную смесь глубинными вибраторами с гибким валом.

7.2.5 Перед возведением монолитных железобетонных колонн в каркасных зданиях должны быть выполнены следующие работы:

- подготовлены средства подмащивания и инструменты;

- установлена и закреплена в соответствии с проектом арматура;

- установлена и закреплена опалубка;

- установлены металлические колонны на этаже и смонтировано перекрытие (в случае обетонирования металлических колонн).

7.2.6 Возведение монолитных колонн осуществляют в следующем порядке:

- на подготовленное и размеченное основание устанавливают и закрепляют в соответствии с проектом армокаркасы;

- устанавливают и закрепляют хомутами опалубку (в случае применения опалубочных блоков их закрепляют к армокаркасам);

- производится сдача-приемка арматурных и опалубочных работ с оформлением акта на скрытые работы;

- устанавливаются подмости;

- осуществляют бетонирование с помощью крана, подавая бетон в бункерах или бетононасосом;

- после выдержки бетона до необходимой прочности (согласно проекту) осуществляют распалубливание конструкций и очистку опалубки.

7.2.7 Бункер к месту укладки бетонной смеси подают краном. Если бетонную смесь невозможно подать непосредственно в конструкцию, то бункер подают краном в оставленные проемы в перекрытии, бетонную смесь выгружают в металлические ящики, которые перемещают электропогрузчиками к месту укладки (рисунок 7.4).

Рисунок 7.4 - Схема бетонирования колонн с помощью башенного крана КБ-160.2

1 - монтажный кран КБ-160.2; 2 - автосамосвал; 3 - бункер для бетона; 4 - электропогрузчик; 5 - глубинный вибратор; 6 - опалубка; 7 - опрокидная тележка; 8 - бетонируемая колонна; 1, 2, 3... - очередность бетонирования колонн

Рисунок 7.5 - Схема обетонирования колонн с применением УПТЖР

1 - автосамосвал; 2 - установка для транспортировки жестких растворов; 3 - компрессор; 4 - стояк трубопровода; 5 - резиновый шланг; 6 - опалубка колонн; 1, 2, 3... - очередность бетонирования

7.2.8 Бетонную смесь доставляют автосамосвалами на строительную площадку и разгружают в бункер насоса установки для транспортировки жестких растворов. Затем смесь дополнительно перемешивают и доводят до состояния транспортабельности для перемещения по трубам. Бетонную смесь с помощью насоса подают в струе сжатого воздуха во взвешенном состоянии к месту укладки (рисунок 7.5).

Резиновый шланг трубопровода опускают вниз и по мере заполнения бетоном опалубки постепенно поднимают его. Уплотнение бетона происходит за счет кинетической энергии струи сжатого воздуха. Бетонирование осуществляют методом «на себя», начиная с дальней колонны.

7.3 Бетонирование плит перекрытий с применением профнастила в качестве несъемной опалубки и несущей арматуры. Набетонка перекрытий

7.3.1 Устройство монолитных перекрытий с применением стального профилированного настила осуществляют поточным методом по захваткам в соответствии с рабочими чертежами, проектом производства работ и требованиями нормативных документов.

Работы по устройству монолитного перекрытия с применением профнастила выполняют в следующей технологической последовательности: раскладывают и крепят стальной профилированный настил; устанавливают арматуру; бетонируют перекрытие.

7.3.2 Подачу настилов в зону производства работ осуществляют с помощью крана, раскладку выполняют вручную. Крепление профнастила выполняют в следующей последовательности: листы профнастила укладывают вручную по стальным прогонам или железобетонным балкам и крепят к стальным прогонам самонарезающимися винтами или точечной электросваркой, к железобетонным балам - с помощью дюбелей. Между собой профилированный настил крепят комбинированными заклепками.

7.3.3 Перед армированием перекрытия устанавливают торцевую опалубку. При армировании в каждый гофр настила устанавливают арматурный каркас, а сетки укладывают сверху на проволочные фиксаторы, обеспечивающие проектную величину защитного слоя бетона (рисунок 7.6).

Перед укладкой бетона устанавливают направляющие, разделяющие площадь перекрытий на зоны бетонирования. Бетон укладывается с помощью автобетононасоса.

В данном случае применяют автобетононасос «Штеттер», выбирают автобетононасос по каталогу «Автобетононасосы и автобетоносмесители. Технические характеристики». ПКТИпромстрой, 1997 г.

7.3.4 Бетонирование монолитного перекрытия с применением профнастила осуществляют в соответствии со схемой, начиная с первой стоянки автобетононасоса. Сначала бетонируются карты 1, 2, 3, 4, затем 5, 6. Высота подачи бетонной смеси 15 м (рисунок 7.7).


Рисунок 7.6 - Технологическая схема армирования монолитных перекрытий с применением профнастила

1 - пакет с арматурными каркасами; 2 - пакет с нижней арматурой; 3 - пакет с верхней арматурной сеткой; 4 - ящик с поддерживающими подставками П1; 5 - ящик с поддерживающими подставками П2; 6 - торцевая опалубка; 7 - деревянный трап шириной 0,6 м; 8 - уложенный профилированный настил; 9 - направляющие для виброрейки

Рисунок 7.7 - Схема устройства монолитного железобетонного перекрытия с помощью автобетононасоса

1 - автобетононасос фирмы «Штеттер»; 2 - забетонированные карты; 3 - карты с уложенной арматурой; 4 - бетоновод; 5 - гибкий шестиметровый шланг; 6 - деревянный настил; 7 - виброрейка; 8 – автобетоносмеситель


При необходимости подачи бетонной смеси на более высокие отметки производится подбор соответствующих грузоподъемных механизмов или оборудования.

Автобетоносмесители, подъезжая к бункеру автобетононасоса, загружают бетонную смесь, которую сразу же перекачивают в конструкцию плиты перекрытия.

Бетонную смесь с помощью гибкого рукава шланга распределяют на площади бетонирования, начиная от наиболее удаленного места.

Бетонирование осуществляют на всю толщину перекрытия с одновременным уплотнением бетонной смеси глубинными вибраторами с последующим выравниванием виброрейкой.

7.3.5 Набетонка перекрытий промышленных зданий может быть выполнены как из тяжелого бетона (толщиной 120 мм), так и из раствора (толщиной до 60 мм). Выполняют набетонку после устройства перекрытий, до начала внутренней отделки.

Перед устройством набетонки осуществляют следующие подготовительные работы: снимают цементную корку и выполняют насечки (при необходимости); очищают поверхности перекрытия от загрязнений и промывают водой; укладывают и закрепляют арматуру; устанавливают направляющие рейки (деревянные или металлические), разделяющие перекрытие на зоны бетонирования и фиксирующие толщину набетонки.

7.3.6 Подачу бетонной смеси на перекрытия осуществляют с помощью автобетононасоса или крана, при этом товарную бетонную смесь доставляют на площадку в готовом виде и разгружают в бункеры. Затем монтажным краном через оставленные монтажные проемы бункер подают на перекрытие и выгружают в опрокидную тележку.

Дальнейшую транспортировку смеси по перекрытию осуществляют в опрокидной тележке.

Бетонную смесь укладывают вдоль направляющих реек в образованные ими полосы (через одну). Ширина полосы принимается по месту в зависимости от длины применяемых виброреек или устанавливается в ППР. После приобретения бетоном распалубочной прочности (см. пп. 8 и 9 таблица 10 СНиП 3.03.01-87) направляющие рейки снимают, а в незаполненные полосы укладывают бетонную смесь. Бетонную смесь уплотняют с помощью виброрейки или площадочных вибраторов до прекращения оседания смеси и появления цементного молока на поверхности.

Отставание работ по устройству набетонки от монтажных работ допускается не более чем на 1-2 этажа.

7.4 Устройство полов с применением вакуумирования

7.4.1 Вакуумирование бетона - прогрессивный метод, повышающий производительность труда, прочность, износостойкость и качество поверхности полов. Полы, изготовленные по этому методу, отвечают современным требованиям строительного производства - плотные, способные воспринимать значительные механические воздействия, бесшовные, беспыльные.

7.4.2 В ОАО ПКТИпромстрой разработана технологическая карта на устройство монолитных бетонных полов методом вакуумирования. Работы по устройству полов осуществляют в соответствии с технологической картой и проектом производства работ при соблюдении правил производства и приемки работ согласно СНиП 3.03.01-87.

7.4.3 Сущность метода вакуумирования заключается в удалении из бетона излишков воды (до 30 %) для обеспечения более быстрого уплотнения и набора прочности бетона. Это позволяет использовать более пластичные, удобоукладываемые бетонные смеси подвижностью 8-10 см.

7.4.4 Подачу бетонной смеси, как правило, осуществляют автобетононасосами или бункерами с помощью кранов.

Транспортировку бетонной смеси внутри закрытых помещений осуществляют по трубопроводам (при использовании бетононасосов) или тележками на пневмоходу.

7.4.5 Перед началом устройства полов необходимо:

- доставить оборудование и инструмент в места, указанные в ППР;

- подвести электроэнергию и воду;

- проверить исправность оборудования;

- организовать слив воды;

- подготовить основание под бетонирование;

- произвести разметку на захватки;

- установить направляющие по «маякам».

7.4.6 Процесс устройства бетонных полов (рисунок 7.8) состоит из следующих основных операций:

- установка направляющих, разметка основания, устройство маяков, промывка оборудования;

- подача, укладка и разравнивание бетонной смеси;

- уплотнение бетонной смеси поверхностными вибраторами (виброрейкой);

- вакуумирование уложенного бетонного слоя;

- заглаживание и затирка бетонной поверхности.

7.4.7 Устройство бетонных полов универсального хранилища может быть выполнено в два этапа (рисунок 7.9).

Бетонную смесь с завода доставляют на строительный объект автобетоносмесителями и выгружают в бункер автобетононасоса, а затем перекачивают по горизонтальному трубопроводу к месту укладки.

Площадь бетонирования разбивается на трехметровые (по ширине) полосы. Бетонирование осуществляется через полосу, начиная от наиболее удаленной точки от автобетононасоса методом «на себя», с разборкой и очисткой трубопровода по ходу бетонирования.


Рисунок 7.8 - Схема устройства монолитных бетонных полов методом вакуумирования

1 - стояк для отвода воды; 2 - заглаживающие машины с ножами; 3 - защитно-распределительный пункт; 4 - заглаживающая машина с диском; 5 - отвакуумированная поверхность бетона; 6 - трубы бетоновода, уложенные на третьей захватке; 7 - отсасывающий мат; 8 - вибрирующая балка; 9 - гибкий рукав; 10 - бетоновод; 11 - емкость для воды; 12 - шланг для отвода воды; 13 - вакуумный агрегат; 14 - направляющие рейки; 15 - стояк бетоновода

Рисунок 7.9 - Схема устройства бетонных полов универсального хранилища Краснопресненской плодоовощной базы

1 - автобетононасос «Штеттер»; 2 - автобетоносмеситель; 3 - дорожные плиты; 4 - трубопровод


7.5 Бетонирование ядер жесткости

7.5.1 Метод бетонирования монолитных железобетонных ядер жесткости в скользящей опалубке представляет собой высокоорганизованный и комплексно-механизированный поточно-скоростной процесс. Установка опалубки, армирование, укладка и уплотнение бетонной смеси, распалубка выполняются совмещенно и непрерывно в процессе подъема опалубки.

7.5.2 Бетонирование конструкций в скользящей опалубке следует начинать только при полной обеспеченности объекта рабочими и материально-техническими ресурсами, необходимыми для бесперебойного возведения сооружения темпами, предусмотренными проектом производства работ.

7.5.3 До установки скользящей опалубки необходимо:

- изучить техническую документацию;

- подготовить и очистить основание для установки опалубки;

- произвести разметку проектного контура возводимой конструкции;

- доставить на строительную площадку и подготовить к установке комплект скользящей опалубки;

- выполнить армирование конструкции на высоту одного яруса;

- установить и опробовать в сборе скользящую опалубку.

7.5.4 После установки и проверки скользящей опалубки в работе бетонируют конструкции.

Опалубку заполняют бетонной смесью двумя или тремя слоями на высоту, равную половине опалубки, по времени не более 3,5 часов. Второй и третий слой укладывают после окончания укладки предыдущего слоя по всему периметру опалубки. Дальнейшее заполнение опалубки бетоном возобновляется после начала ее подъема и заканчивается не позднее, чем через 6 ч. Бетонную смесь укладывают непрерывно слоями толщиной 200 мм. Последующие слои бетона укладывают только после укладки предыдущего слоя до начала его схватывания.

7.5.5 Уплотнение бетонной смеси осуществляют вибраторами с гибким валом. Диаметр наконечника вибратора должен быть до 35 мм при толщине стены до 200 мм и до 50 мм - при толщине более 200 мм.

Темп укладки бетонной смеси и подъема опалубки должен исключать возможность сцепления бетона с опалубкой и обеспечивать достаточную прочность бетона для сохранения формы сооружения.

7.5.6 Схема бетонирования ядра жесткости в скользящей опалубке на строительстве общежития Академии общественных наук приведена ниже (рисунок 7.10).

Рисунок 7.10 - Схема бетонирования ядра жесткости на строительстве общежития АОН

1 - бункер; 2 - направляющий лоток; 3 - скользящая опалубка конструкции ЦНИИпромзернопроект; 4 - подвесные подмости; 5 - ядро жесткости; 6 - кран КБ-573

Подъем опалубки осуществляли с помощью системы гидравлического оборудования, состоящего из одноцилиндровых домкратов, насосной станции и трубопровода, соединяющего насосную станцию с домкратами.

Домкраты, установленные на домкратные стержни, передвигаясь по ним вверх, осуществляли подъем опалубки. Скорость бетонирования ядра жесткости составляла 3 метра в сутки.

Армирование ядра жесткости производилось арматурными пространственными каркасами высотой 6 метров. Установка каркасов осуществлялась с помощью крана КБ-573. При монтаже каркасов промежуток стены между каркасами армировали отдельными стержнями. При монтаже пространственных каркасов промежуток стены между каркасами армировали отдельными стержнями. При монтаже пространственных каркасов подъем опалубки прекращался. Параллельно с установкой каркасов велся монтаж закладных деталей проемообразователей.

Доставка бетонной смеси с завода на строительный объект осуществлялась автосамосвалами ЗИЛ ММЗ-555. Бетон выгружался в бункеры, расположенные на специальной площадке в зоне действия стрелы крана. Бункер с помощью крана КБ-573 подавали к месту укладки бетона и выгружали через направляющий лоток в конструкцию.

Вибрирование бетонной смеси осуществляли с помощью глубинного вибратора с гибким шлангом. Осадка конуса составляла 8 см.

7.5.7 На рисунке 7.11 представлена схема бетонирования ядра жесткости в сетчатой и щитовой деревянной опалубке при строительстве учебного корпуса комплекса зданий МВТУ им. Баумана.


Рисунок 7.11 - Схема бетонирования ядра жесткости автобетононасосом «Штеттер» (учебный корпус комплекса зданий МВТУ им. Баумана)

1 - автобетоносмеситель; 2 - автобетононасос «Штеттер»; 3 - стояк бетоновода


Бетонная смесь с завода доставляется на строительную площадку автобетоносмесителями и выгружается в бункер автобетононасоса. Автобетононасос устанавливают на специально подготовленную площадку, расположенную в соответствии с ППР в непосредственной близости от ядра жесткости.

Армирование осуществляется пространственными каркасами заводского изготовления, высотой на этаж, монтируемые с помощью крана КБ-674А.

Сетчатую опалубку устанавливали на металлический каркас на высоту этажа.

Деревянную щитовую опалубку устанавливали на высоту яруса бетонирования, равного одному метру.

Бетонную смесь по трубопроводу транспортировали к месту укладки, и смесь поступала в опалубку.

Бетонирование осуществляли поярусно, методом «на себя», начиная от наиболее удаленной точки от стояка трубопровода.

Осадка конуса бетонной смеси, поставляемой с завода, соответствовала 12 см.

7.6 Возведение стен и перегородок

7.6.1 Стены и перегородки в зависимости от конструкции следует возводить ярусами, поэтажно или беспрерывным методом по ходу монтажа несущего каркаса, возможно отставание на один этаж. При этом применяют разборно-щитовую опалубку типа «Монолитстрой» Мосспецпромпроекта, объемно-блочную переставную, несъемную опалубку отечественного и зарубежного производства.

7.6.2 При бетонировании стен и перегородок высота участков, возводимых без перерыва, не должна превышать 3 м, а для стен и перегородок толщиной менее 15 см - 2 м. При большей высоте участков стен и перегородок, бетонируемых без рабочих швов, необходимо устраивать перерывы продолжительностью не менее 40 минут, но не более 2 часов (для осаждения бетонной смеси).

7.6.3 В случае наличия в бетонируемой стене оконного или дверного проема бетонирование следует прервать на уровне верхнего края или устроить в этом месте рабочий шов.

7.6.4 При подаче бетонной смеси с высоты более двух метров применяют звеньевых хоботы. Нижнюю часть опалубки стен и перегородок следует заполнять сначала слоем цементного раствора состава 1:2 - 1:3, а затем осуществлять бетонирование.

7.6.5 Перед бетонированием стен жесткости необходимо:

- установить и закрепить арматуру в соответствии с проектом;

- установить, выверить и закрепить опалубку;

- произвести сдачу-приемку арматуры и опалубки с оформлением акта на скрытые работы;

- доставить к месту укладки бетона и в соответствии с проектом производства работ расположить средства подмащивания, оснастку и инструменты.

7.6.6 Порядок работы по возведению монолитных стен или перегородок зависит от типа опалубки.

При использовании разборно-переставной щитовой опалубки необходимо:

- установить щиты опалубки с одной стороны стены на всю высоту этажа;

- установить и закрепить арматуру;

- установить щиты опалубки с другой стороны стены (при толщине стены более 250 мм опалубку устанавливают на всю высоту этажа, при толщине менее 250 мм - поярусно в соответствии с ППР);

- произвести сдачу-приемку арматуры и опалубки с оформлением акта на скрытые работы.

При использовании объемно-блочной опалубки необходимо:

- установить и закрепить арматуру в соответствии с проектом;

- установить, выверить и закрепить блоки опалубки;

- произвести сдачу-приемку арматуры и опалубки с оформлением акта на скрытые работы;

- осуществлять уход за бетоном;

- снять и переставить опалубку.

7.6.7 Схема бетонирования стены жесткости с помощью крана включает следующие основные работы (рисунок 7.12).

Бетонную смесь с завода на строительную площадку доставляют в автосамосвалах и выгружают в бункеры, установленные на специальной площадке. Бункер с помощью крана подают к месту укладки бетона. Бетон через специальную насадку, закрепленную к бункеру, подается в опалубку и равномерно распределяется по всей конструкции. Бетонирование стены жесткости осуществляют по ходу монтажа несущего каркаса здания с подмостей.

7.6.8 Бетонную смесь в стенах и перегородках уплотняют глубинными вибраторами с гибким валом типа ИВ-117А. В стенах толщиной более 200 мм уплотнение бетонной смеси производят вибраторами типа ИВ-98Б.


Рисунок 7.12 - Схема бетонирования стены жесткости с помощью башенного крана

1 - башенный кран; 2 - автосамосвал; 3 - бункеры; 4 - опалубка с подмостями; 5 - забетонированная стена жесткости


7.7 Строительство емкостных сооружений

7.7.1 В зависимости от объема емкостного сооружения и его конструктивных особенностей, а также имеющихся в наличии механизмов и приспособлений назначают захватки или зоны производства работ и определяют порядок бетонирования.

Опалубку и арматурные изделия поставляют на строительную площадку автотранспортом и загружают с помощью крана в зоне складирования материалов. Возможна установка арматурных сеток и каркасов с «колес».

В зависимости от способа укладки бетона в конструкции бетонную смесь с завода транспортируют автобетоносмесителями или автосамосвалами.

Подачу бетона к месту укладки осуществляют в бункерах с помощью крана или автобетононасосом. Уплотняют бетонную смесь с помощью глубинных вибраторов.

7.7.2 Перед устройством емкостного сооружения необходимо:

- закончить земляные работы:

- устроить подъездные пути и площадки;

- подвести электроэнергию и воду;

- наладить и принять механизмы, оснастку и приспособления;

- выполнить в соответствии с проектом основание под емкостное сооружение.

7.7.3 При возведении емкостного сооружения вначале выполняют работы по устройству днища, затем стен и перегородок и после этого бетонируют перекрытие.

7.7.4 Устройство монолитного железобетонного днища связано с предварительным устройством бетонной подготовки, монтажом арматурных сеток и бетонированием плиты.

7.7.5 Возведение монолитных стен емкостного сооружения осуществляют в следующем порядке:

- устанавливают арматуру;

- монтируют опалубку и навесные подмости;

- бетонируют;

- осуществляют уход за бетоном;

- снимают опалубку и подмости;

- обрабатывают поверхности бетона и рабочих швов после перерыва в процессе бетонирования;

- устанавливают и переставляют оборудование, инвентарь и приспособления в процессе выполнения работ.

7.7.6 Устройство перекрытия предусматривает следующие основные виды работ:

- обработка поверхностей рабочих швов после бетонирования стен;

- установка и закрепление арматуры;

- бетонирование перекрытия;

- уход за бетоном;

- снятие опалубки.

7.7.7 Схема возведения монолитного железобетонного емкостного сооружения с помощью крана РДК-25 и автобетононасоса показана на рисунке 7.13. Готовые арматурные изделия и опалубку поставляют с завода автотранспортом и устанавливают с помощью крана в проектное положение.

Бетонную смесь транспортируют автобетоносмесителями, перегружают в бункер автобетононасоса и подают к месту кладки. Уплотнение бетонной смеси осуществляют с помощью поверхностных и глубинных вибраторов.

Рисунок 7.13 - Схема возведения монолитного железобетонного емкостного сооружения с помощью крана РДК-25 и автобетононасоса

7.7.8 Схема возведения монолитного железобетонного емкостного сооружения, на котором установку арматуры, опалубки и бетонирование конструкций осуществляют с помощью крана КБ-404.2 представлена на рисунке 7.14. Бетонную смесь с завода поставляют в автосамосвалах и выгружают в бункеры, установленные на специально выделенной площадке.

Бункер с помощью крана подают к месту укладки бетона и выгружают непосредственно в конструкцию. Уплотнение бетонной смеси осуществляют с помощью поверхностных и глубинных вибраторов.


Рисунок 7.14 - Схема возведения монолитного железобетонного емкостного сооружения с помощью крана КБ-404.2


7.8 Замоноличивание стыков сборных железобетонных конструкций

7.8.1 Стыковые соединения сборных железобетонных конструкций, в зависимости от объема полостей, разделяют на две основные группы:

малые - 0,01-0,18 м3 (стыки конструкций каркасных зданий номенклатуры ТК1-3021, ТК1-1 и др.);

большие - 0,33-1,1 м3.

7.8.2 Стыки замоноличивают бетонной смесью или раствором после монтажа сборных железобетонных конструкций, сварки закладных деталей защиты их о коррозии, зачистки от мусора и грязи. Поверхность стыка очищают струей воды или сжатым воздухом. Стыки с большой полостью замоноличивания ограждают соответствующей инвентарной опалубкой (например, вертикальный стык наружных стеновых панелей или пресс-форма для стыка колонн).

7.8.3 Подачу раствора и бетонной смеси для замоноличивания стыков осуществляют пневматическими установками или бункерами на кране.

7.8.4 Перед бетонированием стык очищают, армируют сетками, которые приваривают к выпускам надколенных плит перекрытий. Бетонную смесь доставляют на объект по часовому графику и выгружают в бункера, которые с помощью крана подают к месту замоноличивания стыка.

Бетонную смесь выгружают, открыв заслонку в нижней части бункера, уплотняют глубинными вибраторами и заглаживают (рисунок 7.15).

Рисунок 7.15 - Технологическая схема замоноличивания полости капители

1 - замоноличенные полости капителей; 2 - башенный кран БКСМ-7-5; 3 - бункера; 4 - автосамосвал ЗИЛ-ММЗ-555

7.8.5 Замоноличивание стыка двух колонн осуществляют с помощью пресс-опалубки, устанавливаемой на стык. При этом бетонную смесь с помощью крана подают на этаж и разгружают в промежуточный бункер, затем тележками развозят к месту работы (рисунок 7.16).

7.8.6 Замоноличивание стыка колонн с помощью пресс-опалубки осуществляется в следующей последовательности:

- очищают стык колонн водой или сжатым воздухом;

- устанавливают и закрепляют опалубку;

- разгружают бетонную смесь для бетонирования камер опалубки;

- уплотняют бетонную смесь;

- снимают пресс-опалубку после достижения в стыке прочности бетона не менее 2,5 МПа;

- зачищают стык от наплывов бетона.

Рисунок 7.16 - Схема замоноличивания стыков колонн с помощью пресс-опалубки

1 - автосамосвал; 2 - бункера; 3 - башенный кран; 4 - пресс-опалубка; 5 - раздаточная тележка для бетона; 6 - промежуточный бункер

7.8.7 Универсальным способом подачи раствора для замоноличивания стыков с малым объемом полости является подача растворонасосами. При этом основной растворонасос располагается на уровне земли у строящегося объекта (рисунок 7.17). Раствор подают на этаж здания в промежуточный бункер, откуда ручными раствороносителями раствор перекачивают в стыки конструкций.

Рисунок 7.17 - Схема замоноличивания стыков с подачей раствора растворонасосной установкой

1 - автосамосвал; 2 - установка для подачи раствора; 3 - промежуточный бункер; 4 - ручной растворонасос

7.9 Бетонирование дорог и площадок

7.9.1 Устройство дорог осуществляют в соответствии с проектом поточным методом, обеспечивающим равномерное и непрерывное производство работ.

При небольших объемах работ и на участках малой протяженности, где применение поточного метода невозможно, применяют цикличный.

7.9.2 Технологические схемы устройства внутриквартальных дорог с шириной проезжей части 7,5 м с асфальтобетонным покрытием по основанию из пластичного цементобетона представлены на рисунках 7.18 и 7.19.

7.9.3 Перед бетонированием дорог и площадок должно быть выполнено: земляное полотно (корыто), песчаный подстилающий слой, бортики из камня и основание из тощего цементобетона.

7.9.4 При бетонировании дорог из пластичного цементобетона для обеспечения толщины заданного слоя по длине дороги на ширину полосы движения устанавливают бортовую опалубку, выполненную из досок 40-60 мм. Опалубка крепится металлическими штырями, забиваемыми с двух сторон в нижележащее основание из тощего цементобетона.

Пластичный цементобетон укладывают на слой тощего бетона, предварительно обработанного битумной мастикой с помощью автогудронатора.

Бетонную смесь на стройку доставляют в автосамосвалах ЗИЛ-ММЗ-555 по часовому графику и распределяют в основание дороги бетоноразравнивателем на базе экскаватора ЭО-2621А.

Бетоноразравниватель с помощью грейферного ковша распределяет бетонную смесь по заданной площади, а затем с помощью рамы, установленной на каретку, производит разравнивание.

Уплотнение бетонной смеси осуществляют виброрейками и площадочными вибраторами сразу же после укладки бетона. Особенно тщательно уплотняют бетонную смесь вдоль бортовой опалубки и металлического шаблона рабочего шва, обернутого толем. Металлический шаблон из шва удаляют после начала затвердения вновь укладываемого бетона.

Ложные швы сжатия устраивают, как правило, в свежеуложенном бетоне с помощью металлического шаблона, устанавливаемого на 1/3 толщины основания по аналогии с устройством рабочих швов. В отвердевшем бетоне швы нарезают нарезчиком швов Д-423А через трое суток после укладки; заполнение швов производят битумной мастикой.

На затвердевший бетон укладывают асфальтобетонные покрытия в два слоя из мелкозернистого и крупнозернистого асфальтобетона.


Рисунок 7.18 - Технологическая схема устройства дорог с асфальтобетонным покрытием по основанию из цементобетона


Рисунок 7.19 - Схема бетонирования основания дороги из пластичного цементобетона

1 - бетоноразравниватель; 2 - виброрейка; 3 - автосамосвал с бетонной смесью; 4 - бортовой камень; 5 - основание из тощего бетона; 6 - уложенный пластичный цементобетон; 7 - направляющие для виброрейки (бортовая опалубка)

7.10 Перечень оборудования, ручных машин, инструмента, приспособлений, оснастки и инвентаря для производства монолитных бетонных и железобетонных работ

Таблица 7.2 - Технологический комплект технических средств для производства работ по монтажу опалубки (на звено численностью 6 человек)

№ п/п

Наименование

Тип, марка, ГОСТ, ТУ, № рабочего чертежа

Назначение, краткая техническая характеристика

Срок службы, мес.

Потребность на звено, шт.

Организация-калькодержатель или (и) завод-изготовитель

1

2

3

4

5

6

7

 

1 Ручные машины и оборудование

 

 

 

 

 

1.1

Машина ручная сверлильная электрическая

ИЭ-1035

Предназначена для сверления отверстий в металле и других материалах

Техническая характеристика:

Диаметр сверла, мм                      14

Частота вращения шпинделя, с-1 10

Мощность, кВт                                                          0,4

Напряжение, В                                                          220

Частота тока, Гц                             50

Род тока однофазный

Класс защиты                                 11

Габаритные размеры, мм

385 × 208 × 133

Масса, кг                                                          2,5

24

1

Ростовское-на-Дону производственное объединение «Электроинструмент»

1.2

Машина ручная сверлильная пневматическая

ИП-1024

Предназначена для сверления отверстий в металле, пластмассе и древесине.

Техническая характеристика:

Диаметр сверла, мм                      14

Мощность на шпинделе, кВт                                                          0,44

Частота вращения шпинделя, с-1                                                          18,2

Расход сжатого воздуха, м3/мин.                                                          0,9

Габаритные размеры, мм

252 × 58 × 175

Масса, кг                                                          1,8

24

1

Конаковский завод механизированного инструмента

1.3

Гайковерт ручной электрический ударный

ИЭ-3119

Предназначен для завертывания, затяжки и отвертывания гаек и болтов резьбовых соединений при сборке и разборке опалубки.

Техническая характеристика:

Диаметр завинчиваемых резьб, мм

14-36

Энергия удара, Дж                       40

Род тока переменный

Потребляемая мощность, кВт                                                        0,45

Напряжение, В                              220

Частота тока, Гц                           50

Габаритные размеры, мм:

510 × 90 × 140

Масса, кг                                       7,4

24

1

Ростовское-на-Дону производственное объединение «Электроинструмент»

1.4

Краскораспылитель ручной пневматический

СО-44Б

Применяется для нанесения смазки на поверхность опалубки

Техническая характеристика:

Максимальное рабочее давление сжатого воздуха, МПа                                                      0,015

Расход смазки, л/мин                0,35

Производительность при однослойном покрытии, м2/час

100

Расход сжатого воздуха, м3/мин

0,8

Емкость бачка, л                       0,5

Габаритные размеры, мм

170 × 110 × 300

Масса, кг                                     0,5

24

1

Вильнюсское производственное объединение строительно-отделочных машин

1.5

Бак красконагнетательный

СО-12

Предназначен для подачи под давлением сжатого воздуха к краскораспылителям.

Техническая характеристика:

Полезный объем, л                                                            20

Максимальное рабочее давление воздуха в баке, МПа                                                            0,6

Габаритные размеры, мм

390 × 380 × 680

Масса, кг                                                            25

72

1

Назрановский завод «Электроинструмент»

1.6

Машина ручная зачистная угловая пневматическая

ИП-2104

Применяется при очистке щитов и рам опалубки от остатков бетона и грязи.

Техническая характеристика:

Производительность, м2/час     6

Диаметр проволочной щетки, мм

110

Частота вращения шпинделя с-1

100

Габаритные размеры, мм

438 × 120 × 146

Масса, кг                                       4

24

1

Ногинский опытный завод монтажных приспособлений

1.7

Установка компрессорная передвижная для малярных работ

СО-7Б

Предназначена для получения сжатого воздуха, используемого при нанесении краскораспылителем смазки

Техническая характеристика:

производительность, м3/мин                                                          0,5

давление сжатого воздуха, МПа                                                          0,6

Род тока электродвигателя переменный трехфазный

Мощность, кВ                                4

Напряжение, В                                                    220/380

Габаритные размеры, мм

920 × 480 × 820

Масса, кг                                                          140

108

1

Вильнюсское производственное объединение строительно-отделочных машин.

 

2 Ручной строительно-монтажный инструмент

 

Предназначен для сборки, монтажа, демонтажа и разборки опалубки

 

 

 

2.1

Ключи гаечные с открытыми зевами двусторонние

ГОСТ 2839-80*

Размеры, мм 17 × 19; 22 × 24; 27 × 30; 36 × 41.

24

4

 

2.2

Лом монтажный

ЛМ-24

ГОСТ 1405-83

Длина, мм                                   1180

Диаметр, мм                               24

Масса, кг                                     4,2

24

2

 

2.3

Кувалда кузнечная остроносая

ГОСТ 11402-75

Масса, кг                                     3

36

2

 

2.4

Валик малярный

ВМ

ГОСТ 10831-87

Длина корпуса, мм                    100

12

1

 

2.5

Щетка ручная из проволоки

ОСТ 17-830-80

Габаритные размеры, мм

310 × 90 × 56

Масса, кг                                     0,26

4

1

 

2.6

Зубило слесарное

ГОСТ 7211-86

20 × 60

9

2

 

2.7

Молоток плотничный с круглым бойком

МПЛ

ГОСТ 2310-77

Габаритные размеры, мм

300 × 30 × 132

Масса, кг                                                            0,8

24

2

 

 

3 Технологическая оснастка и приспособления

 

 

 

 

 

3.1

Строп кольцевой

СКК1-1,6/4000

ГОСТ 25573-82*

Грузоподъемность, кг                                                        1600

Длина, м                                        4

Масса, кг                                                        3,73

6

1

Завод Магистральный механосборочный (бывший башенных кранов ППСО Мосмонтажспецстрой)

3.2

Строп кольцевой

СКК 1-3,2/6000

ГОСТ 25573-82*

Грузоподъемность, кг                                                        3200

Длина, м                                        6,0

Масса, кг                                                        10,72

6

1

3.3

Лестница приставная

Р.ч. 3257.04.100

Применяется для подъема и спуска рабочих при монтаже и демонтаже опалубки.

Габаритные размеры, мм

3350 × 1127

Масса, кг                                       32

24

2

ЦНИИОМТП

3.4

Площадка передвижная

Р.ч. 601-76

Для подмащивания при опалубочных работах

Габаритные размеры, мм

1400 × 1280 × 2700

Масса, кг                                       48

24

2

ЦНИИОМТП

3.5

Ящик инструментальный трехсекционный

Р.ч. 1.111.00.

Для переноски и хранения инструмента.

Габаритные размеры, мм

350 × 170 × 130

Масса, кг                                       3

24

4

Пермский завод монтажных изделий

3.6

Ведро объемом 8-10 л

ГОСТ 20558-82

 

12

2

 

3.7

Устройство для установки и снятия опалубки

340-0.00.0

Устройство представляет собой рамную конструкцию, снабженную узлами крепления и отжимными винтами для принудительного отрыва щитов после заливки бетонной смеси. Предусматривается набор щитов для бетонирования монолитных блоков с размерами в плане от 1200 × 1500 мм до 2100 × 3600 мм. Установка устройства с опалубкой всего блока предусматривается с помощью крана - в один прием, так же как его снятие

 

 

ПКТИпромстрой

3.8

Сборно-разборная система поддержания опалубки монолитных бетонных конструкций

468.0.00.0

Комплект состоит из плоских трубчатых сварных элементов, нижних и верхних винтовых опор, доборных элементов и элементов-связей. В собранном виде сборно-разборная система образует пространственную решетчатую конструкцию размерами в плане 1,0 × 1,0 м и высотой до 8,0 м, с нагрузочной способностью до 12 т. Масса 1 комплекта 272 кг

 

 

ПКТИпромстрой

3.9

Площадка выносная грузоприемная грузоподъемностью 3 т

653-0.00.0

Предусмотрена для подачи на междуэтажное перекрытие длинномерных, сосредоточенных и штучных грузов, а также приемного бункера при подаче бетонной смеси на этаж.

Грузоподъемность, кг                                                        3000

Полезный вылет, м                      2,5

Ширина площадки, м                   2,0

 

 

ПКТИпромстрой

3.10

Передвижные временные опоры

505-0.00.0

Предназначены для монтажа сборных ж.б. конструкций и для опирания опалубки нависающих монолитных ж.б. конструкций с контрфорсами и т.п.

 

 

ПКТИпромстрой

3.11

Пресс-опалубка для замоноличивания стыка колонны с подколенником

965-0.00.0

Металлическая пресс-опалубка из двух полуформ, аналогичная конструкции пресс-опалубки для замоноличивания стыков колонн сечением 400 × 400 мм. В нижней части палубы полуформ имеют расширяющийся раструб, соответствующий верхней части подколенника

 

 

ПКТИпромстрой

3.12

Пресс-опалубка для замоноличивания стыков колонн 400 × 400 мм

183А-0.00.0

Металлическая пресс-опалубка состоит из двух скрепляемых между собой полуформ с камерами-дозаторами, поршнями и винтами для нагнетания. Пресс-опалубка снабжена изолирующими устройствами полуформ для установки индукционного прогрева стыка при минусовых температурах

 

 

ПКТИпромстрой

3.13

Отрывное устройство для отрыва опалубки

525-0.00.0

Состоит из балки с пазами для крепления объемной опалубки и закладных домкратов с пятой для упора в поверхность уложенного бетона

 

 

ПКТИпромстрой

3.14

Механизированный щит для бетонирования проемов

551-0.00.0

Щит в виде агрегатированной внутренней опалубки замкнутого контура, состоящей из двух шарнирно-ломающихся палуб, снабженных механизмом распора (в рабочем положении). Этот же механизм помогает отрыву палуб при распалубке и извлечении щита из образовавшегося проема. Привод механизма - ручной винтовой. Размеры проема 1700 × 4700; 3200 × 4700 мм

 

 

ПКТИпромстрой

3.15

Подмости универсальные сборно-разборные передвижные

Проект 1039 УМОР ПСО Мосстрой

Предназначены для подмащивания при опалубочных работах на высоте до 4 м.

Рабочая нагрузка, кг         до 150

Размер площадки в плане, мм

20 × 1550

Высота рабочего настила, мм

1200, 2200

Масса, кг                            120

 

 

Изготавливаются на заводе нестандартного оборудования им. А. Матросова ПСО Мосмонтажспецстроя

3.16

Площадка-подмости для каменной кладки и устройства монолитных бетонных перегородок

293-0.00.0

Площадка состоит из раздвижных телескопических рам со стойками, секционного настила и набора съемных опор, предназначается для опалубочных, каменных, бетонных и отделочных работ в лестничных шахтах основных типоразмеров, применяемых в промышленном строительстве

 

 

ПКТИпромстрой

3.17

Стремянка

Проект 0472.00

Высота, мм                                                        1500

Масса, кг                                                        7,34

 

 

 

 

4 Средства измерения и контроля

 

 

 

 

 

4.1

Рулетка измерительная

Р3-2

ГОСТ 7502-98

Предназначена для линейных измерений.

Длина ленты, м                             2

Масса, кг                                                        0,07

24

2

 

4.2

Рулетка измерительная металлическая в закрытом корпусе

Р3-10

ГОСТ 7502-98

Предназначена для линейных измерений.

Длина ленты, м                             10

Масса, кг                                       0,2

24

2

 

4.3

Отвес стальной строительный

ОТ-400

ГОСТ 7948-80

Для выверки опалубки в вертикальном положении

Масса, кг                                       0,4

36

2

 

4.4

Шнур разметочный в корпусе

ТУ 22-5076-81

Для разметки установки опалубки Габаритные размеры, мм

135 × 75 × 40

Длина шнура, м                            15

18

1

 

4.5

Уровень строительный

УС4-500

ГОСТ 9416-83

Для установки опалубки в горизонтальном положении.

Габаритные размеры, мм

500 × 25 × 56

Масса, кг 0,65

24

1

 

4.6

Уровень гибкий водяной

ТУ 25-11-760-72

Предназначен для пр

оверки горизонтальных отметок опалубки.

Длина шланга, мм            10000-12000

Высота визирной трубки, мм

255

Масса, кг                          1,6

24

1

 

4.7

Шнур разметочный в корпусе

ТУ 22-4633-80

Предназначен для разметки и проверки прямых линий

Техническая характеристика:

Длина шнура, м                              15

Габаритные размеры, мм:

128 × 77 × 45

Масса, кг                                       0,1

18

1

ВНИИСМИ Минстройдормаша СССР

4.8

Шнур капроновый

ГОСТ 1765-89

Предназначен для разметки осевых линий

Диаметр, мм                                   3

Длина, м                                          50

6

5

Покупное изделие

4.9

Карандаш

Р-7

Предназначен для разметочных операций

Габаритные размеры, мм     180 × 7

Масса, кг                                                      0,015

1

10

Славянская карандашная фабрика, НИИСП Госстроя УССР, г. Киев

4.10

Рейсмус реечный

ТУ 22-3951-77

Предназначен для нанесения разметочных рисок.

Габаритные размеры, мм

140 × 20 × 18

Масса, кг                                                          0,8

24

1

 

4.11

Метр складной деревянный

РСТ 149-76

Предназначен для измерения линейных величин.

Габаритные размеры, мм:

длина общая                               2000

габариты пластины              16 × 2,5

Масса, кг                                     0,25

12

2

 

4.12

Рейка с отвесом

Р.ч. № 175

Предназначена для проверки отклонений конструктивных элементов от вертикали при монтаже опалубки.

Габаритные размеры, мм

1850 × 360 × 36

Масса, кг                                     2,5

24

3

ВНИИСМИ Минстройдормаша СССР

4.13

Угольник металлический 500 × 240

ТУ 22-4400-79

Предназначен для разметки и проверки прямых углов.

Габаритные размеры, мм:

длина линейки                                                          500

длина основания                                                          240

Масса, кг                                                          0,48

36

2

ВНИИСМИ Минстройдормаша СССР

 

5. Средства коллективной и индивидуальной защиты

 

 

 

 

 

5.1

Каска строительная

ГОСТ 12.4.087-84

Предназначена для защиты головы от механических повреждений

24

6

 

5.2

Рукавицы специальные тип Г

ГОСТ 12.4.011-89

Предназначены для защиты рук от механических повреждений

2

6

 

5.3

Очки защитные закрытые с прямой вентиляцией

ЗП2

Предназначены для защиты глаз

12

2

 

5.4

Перчатки резиновые технические

ГОСТ 20010-93

Предназначены для защиты рук

12

2

 

5.5

Пояс предохранительный

ГОСТ Р 50849-96

Предназначен для защиты работающих при падении с высоты

6

3

 

5.6

Респиратор РУ-60 М

ГОСТ 17269-71*

Предназначен для защиты органов дыхания

6

2

 

5.7

Ограждения предохранительные инвентарные

ГОСТ 12.4.059-89

Предназначены для отгораживания рабочих мест производства работ на высоте и проходов к ним

Высота, м:

защитных и страховочных не менее

1,1

сигнальных                                 0,8-1,1

12

компл.

Собственное изготовление

5.8

Ограждения инвентарные строительных площадок и участков работ

ГОСТ 23407-78

Предназначены для ограждения стройплощадок и участков СМР.

Высота, м:

защитных (без козырька)                                                          1,6

защитных (с козырьком) и защитно-охранных                                                          2,0

12

компл.

Собственное изготовление

5.9

Устройство защитно-отключающее

ИЭ-9813

ТУ 22-4677-80

Предназначено для защиты от поражения током при пробивке фазы на корпус электроинструмента.

Мощность электродвигателя, кВт

4/2,2

Время срабатывания защиты, с

0,05

Напряжение, В                                                    380/220

Частота тока, Гц                      50

Габаритные размеры, мм

295 × 112 × 120

Масса, кг                                   3,0

24

1

 

(Измененная редакция, Изм. № 1).

Таблица 7.3 - Технологический комплект технических средств для производства арматурных и сварочных работ (на звено численностью 5 чел.)

№ п/п

Наименование

Тип, марка, ГОСТ, ТУ, № рабочего чертежа

Назначение, краткая техническая характеристика

Срок службы, мес.

Потребность на звено, шт.

Организация-калькодержатель или (и) завод-изготовитель

1

2

3

4

5

6

7

 

1 Ручные машины и оборудование

 

 

 

 

 

1.1

Машина ручная шлифовальная электрическая угловая

WSA-2300

Предназначена для резки арматурной стали

Диаметр диска, мм                                                          230

Мощность, кВт                                                          2,3

Частота вращения, об/мин                                                          6600

Напряжение, В                                                          220

Габаритные размеры, мм

565 × 200 × 350

Масса, кг                                                          6,0

24

1

Фирма «Элпром» Болгария

1.2

Трансформатор сварочный

СТ-500

Предназначен для ручной дуговой сварки переменным током арматурных стержней.

Напряжение питания, В                                                    380/220

Номинальный сварочный ток, А                                                    500

Диаметр электродов, мм        3...8

Габаритные размеры, мм

560 × 570 × 700

Масса, кг                                   155

96

2

Кокандский электромашиностроительный завод.

1.3

Универсальная электропечь

 

Предназначена для прокалки и сушки сварочных электродов.

Напряжение, В                              380

Мощность, кВт                             8

Диапазон регулирования температуры, °С                           50-400

Габаритные размеры печи, мм

970 × 820 × 870

Масса, кг                                       90

24

1

Фирма «Эконика техно»

 

2 Ручной строительно-монтажный инструмент.

 

 

 

 

 

2.1

Приспособление для вязки арматуры

Р.ч. 5Н-21А

Предназначено для крепления арматурных стержней между собой вязальной проволокой.

Габаритные размеры, мм        315 × 45

Масса, кг                                     0,35

12

2

 

2.2

Напильник плоский тупоносый

ГОСТ 1465-80*

Предназначен для очистки арматурных изделий.

6

1

 

2.3

Молоток слесарный с круглым бойком

ГОСТ 2310-77

Предназначен для обивки окалины сварных швов.

Масса, кг                                     0,8

24

2

 

2.4

Зубило слесарное

ГОСТ 7211-86

Предназначено для сопутствующих сварке работ.

20 × 60°

18

2

 

2.5

Кувалда кузнечная остроносая

ГОСТ 11402-75*

Предназначена для сопутствующих работ.

Масса, кг                                   3

24

1

 

2.6

Лом монтажный

ЛМ-24

ГОСТ 1405-83

Длина, мм                                                          1180

Диаметр, мм                                    24

Масса, кг                                                          4,2

24

2

 

2.7

Ключ гаечный разводной

ГОСТ 7275-75Е

Применяется для завертывания и отвертывания болтовых соединений оборудования.

Габаритные размеры, мм

160 × 98 × 10

Масса, кг                                                          0,3

24

1

 

2.8

Плоскогубцы комбинированные

ГОСТ 5547-93

Применяются для захвата и удержания сварочного кабеля.

Габаритные размеры, мм

180 × 50 × 11

Масса, кг                                                          0,2

24

1

 

2.9

Отвертка слесарно-монтажная.

ГОСТ 24437-93

Применяется для завертывания шурупов

24

1

 

2.10

Ключ газосварщика

Р.ч 716-78

ЕН 0.020

Применяется для завертывания и снятия вентилей и гаек на баллонах, редукторах и горелках.

Размер зевов под шестигранники, мм

7, 8, 10, 12, 17, 19, 24, 32

Размер отверстия под квадрат, мм

10

Масса, кг                                                          0,5

24

1

ЦНИИОМТП

2.11

Электрододержатель

ЭД-3105VI

ГОСТ 14651-78

Предназначен для закрепления электрода при ручной дуговой сварке.

Диаметр применяемых электродов, мм                                          4...6

Габаритные размеры, мм

270 × 39 × 46

Масса, кг                                                          0,42

12

1

 

2.12

Набор инструмента для ручной дуговой сварки

ЭНИ-300

ТУ 36-1162-81

Предназначен для оснащения электросварщика при выполнении сварочных работ.

Габаритные размеры футляра, мм

415 × 310 × 90

Масса, кг                                         10

24

1

Пермский завод монтажных изделий.

2.13

Резак инжекторный средней мощности

Р2А-01

ТУ 26-05-523-81 Е

Предназначен для ручной кислородной резки металла

Толщина разрезаемой стали, мм

3...200

Габаритные размеры, мм      550 × 100

Масса, кг                                   1,38

24

1

Кировский завод «Автогенмаш»

 

3 Технологическая оснастка и приспособления

-

 

 

 

 

3.1

Строп четырехветвевой

4СК1-10.0//5000

ГОСТ 25573-82* N 1028/4

Предназначен для подъема перемещения и опускания груза.

Длина стропа, м                                5

Грузоподъемность, т                                                            10

6

2

СКБ Мосстрой

3.2

Кондуктор универсальный

Р.ч. 80-268-001

Предназначен для сборки арматурных каркасов.

Габаритные размеры, мм

5000 × 1040 × 300

Масса, кг                                                          1890

24

1

МГЦНТИ.

3.3

Площадка передвижная

Р.ч. 601-76

Предназначена для установки арматурных каркасов и выполнения сварочных работ

Габаритные размеры, мм

1400 × 1280 × 2700

Масса, кг                                                            48

24

2

ЦНИИОМТП.

3.4

Ящик инструментальный трехсекционный

Р.ч. I.III.00.000

Предназначен для переноски и хранения ручного инструмента

Габаритные размеры, мм

350 × 170 × 130

Масса, кг                                           3

24

3

Пермский завод монтажных изделий.

3.5

Фиксатор для временного крепления арматурных сеток.

Р.ч. 615-76

Предназначен для фиксации двух арматурных сеток под углом 90° с диаметром арматуры:

от 16 мм

до 32 мм

Масса, кг                                   6,6

Расстояние между захватываемыми прутками, мм                                              1200 × 1800

12

4

ЦНИИОМТП.

3.6

Струбцина

Р.ч. 615-76

Предназначена для осевого совмещения свариваемых стержней арматуры.

Габаритные размеры, мм

445 × 46 × 40

Масса, кг                                                          4,09

12

2

ЦНИИОМТП.

3.7

Фиксаторы для временного крепления арматурных каркасов

Р.ч. 78-121-001

Предназначен для временного крепления и выверки арматурных каркасов.

Диаметр стыкуемых стержней, мм

25...38

Масса, кг                                       7,6

24

4

МГНЦТИ

3.8

Приспособление для сжима стержней

Р.ч. 615-76

Предназначено для фиксации 3-х стержней диаметром от 20 до 36 мм перед их сваркой внахлестку.

Габаритные размеры, мм

645 × 30 × 160

Масса, кг                                                          3,45

12

1

ЦНИИОМТП

3.9

Ящик-контейнер металлический для хомутов

 

Предназначен для хранения арматурных хомутов.

Размеры - по необходимости.

24

1

Изготавливается в мастерской СУ

3.10

Пенал для электродов

Р.ч. 649-76

Предназначен для хранения и переноски электродов.

Габаритные размеры, мм

160 × 100 × 475

Масса, кг                                                          1,6

24

2

ЦНИИОМТП

3.11

Редуктор ацетиленовый

ДАП-1-65

ГОСТ 13861-89Е

Предназначен для понижения давления и подачи кислорода в горелку.

24

1

 

3.12

Редуктор кислородный баллонный одноступенчатый

ДКП-1-65

ГОСТ 13861-89 Е

Предназначен для понижения давления и подачи кислорода в горелку.

Пропускная способность, м3/ч                                                               60

24

1

 

3.13

Фиксатор для временного крепления арматурных каркасов

486-0.00.0

Фиксатор состоит из двух кондукторных втулок, соединенных стяжным винтом, каждая из втулок разъемной конструкции снабжена набором вкладышей для настройки на любой диаметр стержней армокаркаса от 20 до 36 мм включительно

6

4

ПКТИпромстрой

3.14

Площадка выносная грузоприемная грузоподъемностью 3 т

653-0.00.0

Площадка предусмотрена для подачи на межэтажное перекрытие длинномерных, сосредоточенных и штучных грузов, а также приемного бункера при подаче бетонной смеси на этаж.

Грузоподъемность, кг                                                          3000

Полезный вылет, м                                                          2,5

Ширина площадки, м                                                          2,0

6

2

ПКТИпромстрой

3.15

Стремянка

Проект 0472.00

Высота, мм                                                          1500

Масса, кг                                                          7,34

12

4

 

3.16

Лестница-стремянка

Л-380

Лестница-стремянка из алюминиевого профиля.

Высота, мм                                                          3180

Ширина, мм                                                          750

Масса, кг                                         12

12

2

 

 

4 Средства измерения и контроля

 

 

 

 

 

4.1

Рулетка измерительная

Р3-2

ГОСТ 7502-98

Предназначена для линейных измерений.

Длина ленты, м                                 2

Масса, кг                                                            0,07

24

2

-

4.2

Рулетка измерительная металлическая в закрытом корпусе.

Р3-10

ГОСТ 7502-98

Предназначена для линейных измерений.

Длина ленты, м                                                            10

Масса, кг                                                            0,2

24

2

 

4.3

Отвес стальной строительный

ОТ-400

ГОСТ 7948-80

Предназначен для выверки арматурных сеток и каркасов по вертикали.

Масса, кг                                                            0,4

36

2

 

4.4

Уровень строительный

УС2-300

ГОСТ 9416-83

Предназначен для выверки арматурных изделий при их установке по горизонтали и вертикали.

Габаритные размеры, мм

300 × 22 × 40

Масса, кг                                                            0,24

24

1

 

4.5

Штангенциркуль

ШЦ-1-125

ГОСТ 166-89*

Предназначен для замера диаметра стержней арматуры.

36

1

 

4.6

Набор шаблонов сварщика

ШС-2

ТУ 36-1163-76

Для контроля кромок конструктивных элементов и деталей, подготовленных к сварке, и сварных швов при ручной электродуговой сварке.

Толщина свариваемого металла, мм

4 ÷ 26

Количество шаблонов в комплекте, шт                                 22

Габаритные размеры, мм

165 × 25 × 15,5

Масса, кг                                                          0,19

12

комплект

 

4.7

Клейма сварщика

 

Для клеймения свариваемых конструкций и деталей, требующих особо качественного сварного шва.

Длина, мм                            60 ÷ 110

Сечение держателя, мм

8 × 8 ÷ 22 × 22

Масса, кг                             0,4 ÷ 0,3

24

комплект

ВНИИ Минстанкопрома РФ

4.8

Метр складной деревянный

 

 

 

 

 

 

5 Средства коллективной и индивидуальной защиты

 

 

 

 

 

5.1

Каска строительная

ГОСТ 12.4.087-84

Предназначена для защиты головы от механических повреждений

24

5

 

5.2

Рукавицы специальные тип Г

ГОСТ 12.4.010-75*

Предназначены для защиты рук от механических повреждений

2

5

 

5.3

Очки защитные закрытые с прямой вентиляцией

3П2

ГОСТ 12.4.011-89

Предназначены для защиты глаз

12

2

 

5.4

Пояс предохранительный

ГОСТ Р 50849-96

Предназначен для защиты работающих при падении с высоты

6

4

 

5.5

Очки защитные закрытые с непрямой вентиляцией

3Н5-80

Предназначены для защиты глаз от механических повреждений

12

2

 

5.6

Щиток защитный лицевой для электросварщика, тип НН (со светофильтром)

ГОСТ 12.4.035-78*

Предназначен для защиты лица и глаз сварщика от светового излучения во время сварки и брызг расплавленного металла

12

2

 

5.7

Сапоги резиновые формовые общего назначения

ГОСТ 5375-79*

Предназначены для защиты от поражения электрическим током

12

4

 

5.8

Перчатки резиновые технические

ГОСТ 20010-93

Предназначены для защиты от поражения электрическим током

12

4

 

5.9

Коврик диэлектрический резиновый

ГОСТ 4997-75*

Предназначены для защиты от поражения электрическим током

12

2

 

5.10

Устройство защитно-отключающее

ИЭ-9813

ТУ 22-4677-80

Предназначено для защиты от поражения током при пробивке фазы на корпус электроинструмента.

Мощность электродвигателя, кВт

4/2,2

Время срабатывания защиты, с                                                      0,05

Напряжение, В                                                      380/220

Частота тока, Гц                         50

Габаритные размеры, мм

295 × 112 × 120

Масса, кг                                     3,0

24

1

 

(Измененная редакция, Изм. № 1).

Таблица 7.4 - Технологический комплект технических средств для производства работ по укладке бетона (на звено численностью 4 человека)

№ п/п

Наименование

Тип, марка, ГОСТ, ТУ, № рабочего чертежа

Назначение, краткая техническая характеристика

Срок службы, мес.

Потребность на звено, шт.

Организация-калькодержатель или (и) завод-изготовитель

1

2

3

4

5

6

7

 

1 Ручные машины и оборудование

 

 

 

 

 

1.1

Вибратор глубинный электрический с гибким валом

ИВ-117А

Предназначен для уплотнения бетона в армированных конструкциях с шагом между стержнями арматуры не менее 70 мм.

Наружный диаметр вибронаконечника, мм      51

Частота колебаний, Гц       285

Мощность, кВт                   0,75

Напряжение, В                    40

Частота тока, Гц                 50

Длина гибкого вала, мм                                              2995

Масса общая, кг                 30,5

24

2

Ярославский завод «Красный маяк»

1.2

Вибратор поверхностный электрический

ИВ-98Б

Предназначен для уплотнения бетона и выравнивания горизонтальных поверхностей.

Частота колебаний в мин.

3000

Мощность, кВт                   0,55

Напряжение, В                    40

Частота тока, Гц                 50

Габаритные размеры, мм

1100 × 600 × 300

Масса, кг                             55

25

1

-«-

1.3

Виброрейка

СО-132А

Предназначена для разравнивания и поверхностного уплотнения бетонной смеси при устройстве подготовок, полов, площадок.

Производительность, м2

130

Ширина обрабатываемой полосы, м                            3,0

Глубина проработки, мм   150

Габаритные размеры, мм

3300 × 500 × 300

Масса, кг                             68

Вибратор:

Мощность, кВт                   0,26

Частота тока, Гц                 50

Напряжение, В                    36

24

1

Костопольский завод «Стройинструмент»

1.4

Виброрейка

СО-163

Предназначена для разравнивания и поверхностного уплотнения бетонной смеси при устройстве полов, подготовок и площадок.

Ширина обрабатываемой полосы, м                            4,5

Толщина проработки, м     150

Габаритные размеры, мм

4800 × 500 × 300

Масса, кг                             85

Вибратор:

Мощность, кВт                   0,25

Частота тока, Гц                 50

Напряжение, В                    40

24

1

Костопольский завод «Стройинструмент»

1.5

Трансформатор понижающий

ТСЗИ-1.6

Предназначен для питания электрическим током пониженного напряжения электрических вибраторов.

Мощность, кВт                     1,5

Первичное напряжение, В

380; 220

Вторичное напряжение, В

42; 36; 12

Габаритные размеры, мм

370 × 230 × 290

Масса, кг                               29

96

1

Ярославский завод «Красный маяк»

 

2 Ручной строительно-монтажный инструмент

 

 

 

 

 

2.1

Лопата подборочная

ЛП-3

ГОСТ 19596-87*

Предназначена для подбора и перекидки бетонной смеси

Длина, мм                                              1150

Масса, кг                             1,5

9

2

Челябинский завод технологической оснастки.

2.2

Лопата совковая

ЛС-2

ГОСТ 19596-87*

Предназначена для распределения и разравнивания бетонной смеси.

Длина, мм                                              1150

Масса, кг                             1,9

9

2

Челябинский завод технологической оснастки.

2.3

Скребок для очистки кузовов автомобилей-самосвалов.

Р.ч. 568-75

Предназначен для очистки кузова автомобиля-самосвала от бетонной смеси.

Длина, мм                                              1500

Масса, кг                             2,3

12

1

ЦНИИОМТП

2.4

Гребок для бетонных работ

ТУ 224945-81

Предназначен для разравнивания бетонной смеси при устройстве подготовок и дорог.

Длина, мм                                              2000

Масса, кг                             3,3

12

2

Объединение «Электростройинструмент»

2.5

Кельма для бетонных и каменных работ

КБ 1

ГОСТ 9533-81

Предназначена для разравнивания и заглаживания бетонной смеси.

Масса, кг                             0,36

9

2

Объединение «Электростройинструмент»

2.6

Гладилка ленточная

ГЛК-1

ГОСТ 10403-80

Предназначена для заглаживания свежеуложенного бетона.

Длина, мм                            300

Масса, кг                             0,3

24

1

Объединение «Электростройинструмент»

2.7

Молоток слесарный

ГОСТ 2310-77

Применяется при сопутствующих работах.

Масса, кг                             1

24

1

 

2.8

Лом монтажный

ЛМ-24

ГОСТ 1405-83

Применяется при сопутствующих работах

24

1

 

2.9

Щетка ручная из проволоки

ОСТ 17-830-80

Применяется при сопутствующих работах

12

1

Горьковская щеточная фабрика

2.10

Молоток-кулачок

МКУ-1

ГОСТ 11042-90

Применяется при сопутствующих работах

36

1

Георгиевский завод «Стройинструмент»

2.11

Рейка-правило

-

Предназначена для разглаживания поверхности бетона

3

1

Изготавливается на строительной площадке

 

3 Технологическая оснастка и приспособления

 

 

 

 

 

3.1

Строп четырехветвевой исполнение 1

4СК1-10,0/3000

ГОСТ 25573-82* № 1028/4

Предназначен для подъема, перемещения и опускания груза

6

2

СКБ Мосстрой

3.2

Бадья-туфелька инвентарная 42184-20

 

Предназначена для приема бетонной смеси из автомобилей-самосвалов и транспортирования к месту укладки бетона с помощью подъемного крана

Габаритные размеры, мм:

длина                                              3100

ширина                                              1700

высота                                              1056

Масса, кг                             514

36

2

АО Строймаш г. Ростов-на-Дону

3.3

Бункер-сигара емкостью 1 м3

 

Предназначен для приема бетона из самосвала и транспортирования его краном к месту укладки.

Габаритные размеры, мм:

длина                                              3060

ширина                                              1305

высота                                              1040

Масса, кг                             329

36

2

СКБ Мосстрой

3.4

Лоток направляющий к поворотной бадье для бетонирования тонкостенных монолитных конструкций

217-0.00.0

Лоток предназначен для навешивания на бадью емкостью 1 м3. Лоток шарнирно закрепляется на оси затвора бадьи.

Длина лотка, мм                                              1000

Ширина, мм                         520

6

2

ПКТИпромстрой

3.5

Площадка выносная грузоприемная грузоподъемностью 3 т

653-0.00.0

Площадка предусмотрена для подачи на межэтажное перекрытие длинномерных, сосредоточенных и штучных грузов, а также приемного бункера при подаче бетонной смеси на этаж.

Грузоподъемность, кг                                              3000

Полезный вылет, м            2,5

Ширина площадки, м         2,0

6

2

ПКТИпромстрой

3.6

Площадка-подмости для каменной кладки и устройства монолитных бетонных перегородок

293-0.00.0

Площадка состоит из раздвижных телескопических рам со стойками, секционного настила и набора съемных опор, предназначается для опалубочных, каменных, бетонных и отделочных работ в лестничных шахтах основных типоразмеров, применяемых в промышленном строительстве

12

2

ПКТИпромстрой

3.7

Устройство навесного крепления вертикальных стояков бетоновода

622-0.00.0

Состоит из набора однотипных навесных лестниц - площадок с откидными решетчатыми люками и гнездами для крепления стремянками секций бетоноводов сечением 4" для установки типа «Штеттер» и 6"

12

1

ПКТИпромстрой

3.8

Переходные элементы для подключения разнотипных бетононасосных установок

640-0.00.0

Комплект переходных элементов включает переходники для подключения на единый стояк бетоновода наряду с автобетононасосными установками «Штеттер» и «Томсен»

12

1

ПКТИпромстрой

3.9

Тележка на пневмоходу

Проект 2751

Предназначена для перевозки раствора, бетона, сыпучих материалов.

Емкость кузова, м3            0,12

Грузоподъемность, кг       200

Габаритные размеры, мм:

длина                                              1250

ширина                                 770

высота                                  950

Масса, кг                             53

24

1

СКБ Мосстрой

3.10

Стремянка

Проект 0472.00

Высота, мм                                              1500

Масса, кг                             7,34

24

2

 

 

4 Средства измерения и контроля

 

 

 

 

 

4.1

Рулетка измерительная металлическая

Р3-2

ГОСТ 7502-98

Предназначена для линейных измерений.

Длина ленты, м                   2

Масса, кг                             0,07

24

2

 

4.2

Рулетка измерительная металлическая

Р3-10

ГОСТ 7502-98

Предназначена для линейных измерений.

Длина ленты, м                   10

Масса, кг                             0,2

24

2

 

4.3

Отвес стальной строительный

ОТ-600

ГОСТ 7948-80

Предназначен для проверки вертикальности элементов опалубки перед бетонированием.

Габаритные размеры, мм

132 × 30

Длина шнура, м               5

Масса, кг                         0,6

36

1

 

4.4

Уровень строительный

УС3-500

ГОСТ 9416-83

Предназначен для проверки горизонтальности бетонных поверхностей.

Габаритные размеры, мм:

500 × 25 × 50

Масса, кг                             0,48

24

1

 

4.5

Термометр

 

Для замера температуры бетона при контроле режима прогрева.

Предел измерений, °С         300

Габаритные размеры, мм:

длина                                      260

диаметр                                  28

Масса, кг                                                0,32

12

1

 

4.6

Уровень гибкий водяной

ТУ 25-11-760-72

Предназначен для проверки горизонтальных отметок опалубки.

Длина шланга, мм    10000-12000

Высота визирной трубки, мм

255

Масса, кг                             1,6

24

1

 

4.7

Шнур разметочный в корпусе

ТУ 22-4633-80

Предназначен для разметки и проверки прямых линий.

Длина шнура, м                 15

Габаритные размеры, мм:

128 × 77 × 45

Масса, кг                               0,1

18

1

ВНИИСМИ Минстройдормаша СССР

4.8

Шнур капроновый

ГОСТ 1765-89

Предназначен для разметки осевых линий

Диаметр, мм                            3

Длина, м                                   50

6

5

Покупное изделие

4.9

Карандаш

Р-7

Предназначен для разметочных операций

Габаритные размеры, мм

180 × 7

Масса, кг                           0,015

1

10

Славянская карандашная фабрика. НИИСП Госстроя УССР, г. Киев

4.10

Рейсмус реечный

ТУ 22-3957-77

Предназначен для нанесения разметочных рисок.

Габаритные размеры, мм

140 × 20 × 18

Масса, кг                               0,8

24

1

 

4.11

Метр складной деревянный

РСТ 149-76

Предназначен для измерения линейных величин.

Габаритные размеры, мм:

длина общая                    2000

габариты пластины       16 × 2,5

Масса, кг                         0,25

12

2

 

4.12

Угольник металлический 500 × 240

ТУ 4400-79

Предназначен для разметки и проверки прямых углов.

Габаритные размеры, мм:

длина линейки                     500

длина основания                 240

Масса, кг                             0,48

36

2

ВНИИСМИ Минстройдормаша СССР

 

5 Средства коллективной и индивидуальной защиты

 

 

 

 

 

5.1

Каска строительная

ГОСТ 12.4.087-84

Предназначена для защиты головы от механических повреждений

24

4

-

5.2

Сапоги резиновые формовые общего назначения

ГОСТ 5375-79*

Предназначены для защиты от поражения электрическим током

12

4

-

5.3

Рукавицы специальные тип Г

ГОСТ 12.4.010-75

Предназначены для защиты рук от механических повреждений

2

4

-

5.4

Очки защитные закрытые с прямой вентиляцией

3П2

ГОСТ 12.4.011-89

Предназначены для защиты глаз

12

4

-

5.5

Перчатки резиновые технические тип 1

ГОСТ 20010-93

Предназначены для защиты от поражения электрическим током

12

2

-

5.6

Пояс предохранительный

ГОСТ Р 50849-96

Предназначен для защиты работающих при падении с высоты

6

3

 

5.7

Ограждения предохранительные инвентарные

ГОСТ 12.4.059-89

Предназначены для огораживания рабочих мест производства работ на высоте и проходов к ним.

Высота, м:

защитных и страховочных не менее                               1,1

сигнальных                      0,8-1,1

12

комплект

Собственное изготовление

5.8

Ограждения инвентарные строительных площадок и участков работ

ГОСТ 23407-78

Предназначены для ограждения стройплощадок и участков СМР

Высота, м:

защитных (без козырьков) 1,6

защитных (с козырьком) и защитно-охранных               2,0

12

комплект

Собственное изготовление

5.9

Светильник сигнальный инвентарный красный

 

Для обозначения зоны электропрогрева бетона на стройплощадке

12

3

Заводы Минэлектротехпрома РФ

5.10

Устройство защитно-отключающее

ИЭ-9813

ТУ 224677-80

Предназначено для защиты от поражения током при пробивке фазы на корпусе электроинструмента.

Мощность электродвигателя, кВт                                  4/2,2

Время срабатывания защиты, с

0,05

Напряжение, В              380/220

Частота тока, Гц           50

Габаритные размеры, мм

295 × 112 × 120

Масса, кг                       3,0

24

1

 

5.11

Стойки инвентарного ограждения и установки сигнальных ламп (светильников)

 

Для ограждения места электропрогрева бетона на стройплощадке.

Высота стойки, мм                                              1300

12

комплект

Собственное изготовление

(Измененная редакция, Изм. № 1).

8. Контроль качества и приемка бетонных и железобетонных работ

8.1 Общие положения

8.1.1 В настоящем разделе излагается порядок осуществления контроля качества и приемки работ, выполняемых при возведении монолитных бетонных и железобетонных конструкций зданий, сооружений на стадиях производства опалубочных, арматурных и бетонных работ в соответствии с требованиями СНиП 3.03.01-87.

8.1.2 В зависимости от места и времени проведения контроля различают входной, операционный и приемочный контроль. При этом входной контроль предусматривает контроль поступающих материалов и технической документации преимущественно регистрационным методом (по сертификатам, паспортам, накладным и т.п.), и, при необходимости, измерительным методом. Операционный контроль должен выполняться в процессе производства работ или непосредственно после его завершения и осуществляется преимущественно измерительным методом или техническим осмотром. Приемочный контроль выполняется по завершении строительства объекта или его этапов, скрытых работ.

8.1.3 Применение специальных методов контроля должно предусматривать:

- измерительный контроль, выполняемый с применением средств измерений, в т.ч. лабораторного оборудования;

- визуальный контроль - по ГОСТ 16504-81;

- технический осмотр - по ГОСТ 16504-81;

- регистрационный контроль, выполняемый путем анализа данных, зафиксированных в документах (сертификатах, акта освидетельствования скрытых работ, общих или специальных журналах работ).

8.2 Опалубочные работы

8.2.1 Любой тип применяемой опалубки должен отвечать следующим требованиям:

- иметь необходимую прочность, жесткость, геометрическую неизменяемость и герметичность под воздействием технологических нагрузок, обеспечивая при этом проектную форму, геометрические размеры и качество возводимых конструкций;

- обеспечивать максимальную оборачиваемость и минимальную стоимость в расчете на один оборот;

- иметь минимальную адгезию и химическую нейтральность формообразующих поверхностей по отношению к бетону (кроме несъемной опалубки);

- обеспечивать минимизацию материальных, трудовых и энергетических затрат при монтаже и демонтаже, быстроразъемность соединительных элементов, удобство ремонта и замены вышедших из строя элементов;

- иметь минимальное число типоразмеров элементов;

- обеспечивать возможность укрупнительной сборки и переналадки в условиях строительной площадки.

8.2.2 В процессе изготовления и установки опалубки контролю подлежат применяемые материалы, изготовленные элементы опалубки, установка опалубки и соответствие ее конструкции проекту, надежность закрепления опалубки.

8.2.3 Инвентарная опалубка должна изготовляться, как правило, централизованно на специализированных предприятиях и поставляться комплектно с элементами крепления и соединения. Изготовитель должен сопровождать комплект опалубки паспортом с руководством по эксплуатации, в котором указывается наименование и адрес изготовителя, номер и дата выдачи паспорта, номенклатура и количество элементов опалубки, дата изготовления опалубки, гарантийное обязательство, ведомость запасных частей. Материалы опалубок должны отвечать соответствующим стандартам, а комплект опалубки должен иметь сертификат.

8.2.4 При приемке установленной опалубки проверяются плотность основания, гарантирующая отсутствие осадок, правильность установки опалубки, а также несущих и поддерживающих элементов, анкерных устройств и элементов крепления, геометрические размеры собранной опалубки, смещение осей опалубки от проектного положения, правильность установки пробок и закладных деталей. По результатам проверки установленной опалубки должен быть составлен акт на скрытые работы.

8.2.5 Точность изготовления и установки опалубки, а также допустимая прочность бетона при распалубке должны соответствовать требованиям, приведенным в таблице 8.1.

Таблица 8.1 - Требования, предъявляемые к опалубкам

Технические требования

Предельные отклонения

Контроль (метод, объем, вид регистрации)

1

2

3

1 Точность изготовления опалубки:

 

 

инвентарной

По рабочим чертежам и техническим условиям - не ниже Н14; h14; ±IТ16 по ГОСТ 25346-89 и 2 ГОСТ 25347-82*; для формообразующих элементов - h14

Технический осмотр, регистрационный

пневматической

По техническим условиям

 

2 Уровень дефектности

Не более 1,5 %

Измерительный по ГОСТ 18242-72*

3 Точность установки инвентарной опалубки:

в том числе:

±IT16 по ГОСТ 25346-89 и 2 ГОСТ 25347-82*

Измерительный, всех элементов, журнал работ

для конструкций, готовых под окраску без шпатлевки;

Перепады поверхностей не более 2 мм

для конструкций, готовых под оклейку обоями;

То же, не более 1 мм

малооборачиваемой и (или) неинвентарной при возведении конструкций, к поверхностям которых не предъявляют требования точности;

По согласованию с заказчиком может быть ниже

уникальных и спецсооружений

Определяется проектом

4 Точность установки и качество поверхности несъемной опалубки-облицовки

Определяется качеством поверхности облицовки

То же

5 Точность установки несъемной опалубки, выполняющей функции внешнего армирования

По проекту

То же

6 Оборачиваемость опалубки

По ГОСТ 23478-79

Регистрационный, журнал работ

7 Прогиб собранной опалубки:

 

 

вертикальных поверхностей

1/400 пролета

Контролируется при заводских испытаниях и на строительной площадке

перекрытий

1/500 пролета

 

8 Минимальная прочность бетона монолитных незагруженных конструкций при распалубке поверхностей:

 

Измерительный по ГОСТ 10180-90, ГОСТ 18105-86*, журнал работ

вертикальных;

0,2-0,3 МПа

горизонтальных и наклонных при пролете:

 

до 6 м

70 % проектной

свыше 6 м

80 % проектной

9 Минимальная прочность бетона при распалубке загруженных конструкций, в том числе от вышележащего бетона

Определяется ППР и согласовывается с проектной организацией

То же

8.2.6. Состав операционного контроля качества опалубочных работ приведен в таблице 8.2.

Таблица 8.2 - Состав операций и средств контроля

Этапы работ

Контролируемые операции

Контроль (метод, объем)

Документация

Подготовительные работы

Проверить:

 

Паспорт (сертификат), общий журнал работ (журнал бетонных работ)

- наличие документов о качестве и эксплуатации опалубки;

Визуальный

- наличие ППР на установку и приемку опалубки;

То же

- качество подготовки и отметки несущего основания;

Визуальный, измерительный

- наличие и состояние крепежных элементов, средств подмащивания

Визуальный

Сборка опалубки

Контролировать:

 

Общий журнал работ (журнал бетонных работ)

- соблюдение порядка сборки щитов опалубки, установки крепежных элементов, средств подмащивания, закладных элементов;

Технический осмотр

- плотность сопряжения щитов опалубки между собой и с ранее уложенным бетоном;

Измерительный, всех элементов

- соблюдение геометрических размеров и проектных наклонов плоскостей опалубки;

То же

- надежность крепления щитов опалубки

Технический осмотр

Приемка опалубки

Проверить:

 

Общий журнал работ (журнал бетонных работ)

- соответствие геометрических размеров опалубки проектным;

Измерительный, всех элементов

- положение опалубки относительно разбивочных осей в плане и по вертикалям, в т.ч. обозначение проектных отметок верха бетонируемой конструкции внутри поверхности опалубки;

Измерительный

- правильность установки и надежного закрепления пробок и закладных деталей, а также всей системы в целом

Технический Осмотр

8.2.7 Для проведения контроля качества опалубочных работ следует применять контрольно-измерительный инструмент: рулетку, отвес строительный, нивелир, теодолит, линейку металлическую, соответствующим образом аттестованные и поверенные установленным порядком.

8.2.8 Операционный контроль должен осуществлять мастер (прораб), а также геодезист в процессе выполнения работ. В свою очередь приемочный контроль осуществляют работники службы качества, мастер (прораб), представители технадзора заказчика.

8.2.9 На устройство опалубки сборно-монолитных конструкций составляется акт освидетельствования скрытых работ с инструментальной проверкой отметок и осей.

8.3 Арматурные работы

8.3.1 Арматурная сталь и сортовой прокат, арматурные изделия и закладные элементы должны соответствовать проекту, требованиям соответствующих стандартов и сертификатам соответствия.

8.3.2 В процессе заготовки арматурных стержней, изготовления сеток, каркасов и их установки контролируются:

- качество арматурных стержней;

- правильность изготовления и сборки сеток и каркасов;

- качество стыков и соединений арматуры;

- качество смонтированной арматуры.

8.3.3 Транспортирование и хранение арматурной стали следует осуществлять в соответствии с требованиями ГОСТ 7566-94*. Поступающие на строительную площадку арматурная сталь, закладные детали и анкера при приемке должны подвергаться внешнему осмотру и замерам, а также контрольным испытаниям в случаях, оговоренных в проекте или специальных указаниях по применению отдельных видов арматурной стали, а также в случаях сомнений в правильности характеристик арматурной сетки, закладных деталей и анкеров, отсутствия необходимых данных в сертификатах или паспортах заводов-изготовителей, применения арматуры в качестве напрягаемой.

(Измененная редакция, Изм. № 1).

8.3.4 Установка арматурных изделий в опалубку должна осуществляться в соответствии с ППР. Для обеспечения правильности положения арматуры в бетоне должны использоваться специальные фиксаторы, которые обеспечивают заданную толщину защитного слоя, расстояния между отдельными арматурными сетками и каркасами.

8.3.5 При устройстве арматурных конструкций следует соблюдать требования, приведенные ниже (таблица 8.3).

Таблица 8.3 - Требования, предъявляемые к арматурным работам

Технические требования

Предельные отклонения, мм

Контроль (метод, объем вид регистрации)

1

2

3

1 Отклонение в расстоянии между отдельно установленными рабочими стержнями для:

 

Технический осмотр всех элементов, журнал работ

колонн и балок;

±10

плит и стен фундаментов;

±20

массивных конструкций

±10

2 Отклонение в расстоянии между рядами арматуры для:

 

Технический осмотр всех элементов, журнал работ

плит и балок толщиной до 1 м

±10

конструкций толщиной более 1 м

±20

3 Отклонение от проектной толщины защитного слоя бетона не должно превышать:

 

То же

при толщине защитного слоя до 15 мм и линейных размерах поперечного сечения конструкции, мм

 

до 100;

+4

от 101 до 200;

+5

при толщине защитного слоя от 16 до 20 мм включительно и линейных размерах поперечного сечения конструкции, мм

 

до 100

+4; -3

от 101 до 200

+8; -3

от 201 до 300

+10; -3

свыше 300

+15; -5

при толщине защитного слоя свыше 20 мм и линейных размерах поперечного сечения конструкции, мм:

 

до 100

+4; -5

от 101 до 200

+8; -5

от 201 до 300

+10; -5

свыше 300

+15; -5

4 Длина нахлестки при армировании конструкций без сварки:

 

 

отдельными стержнями:

Не менее

для арматуры A-I;

40 d

для арматуры А-II;

40 d

для арматуры A-III;

50 d

сварными сетками и каркасами

По проекту, но не менее 250

5 Суммарная длина сварных швов на стыке стержней внахлестку или на каждой половине стыка с накладками:

 

Технический осмотр всех элементов, журнал работ

для арматуры A-I:

 

при двусторонних швах;

3

при односторонних швах;

6

для арматуры А-II, A-III:

 

при двусторонних швах;

4

при односторонних швах

8

8.3.6 Состав операционного контроля качества арматурных работ, включающий перечень контролируемых операций и средств контроля, представлен ниже (таблица 8.4).

Таблица 8.4 - Контролируемые операции и средства контроля

Этапы работ

Контролируемые операции

Контроль (метод, объем)

Документация

1

2

3

4

Подготовительные работы

Проверить:

 

Паспорт (сертификат), общий журнал работ

- наличие документа о качестве;

Визуальный

- качество арматурных изделий (при необходимости провести требуемые замеры и отбор проб на испытания);

Визуальный, измерительный

- качество подготовки и отметки несущего основания;

То же

- правильность установки и закрепления опалубки;

Технический осмотр

Установка арматурных изделий

Контролировать:

 

Общий журнал работ

- порядок сборки элементов арматурного каркаса, качество выполнения сварки (вязки) узлов каркаса;

Технический осмотр всех элементов

- точность установки арматурных изделий в плане и по высоте, надежность их фиксации;

То же

- величину защитного слоя бетона.

То же

Приемка выполненных работ

Проверить:

 

Акт освидетельствования скрытых работ

- соответствие положения установленных арматурных изделий проектному;

Визуальный, измерительный

- величину защитного слоя бетона;

Измерительный

- надежность фиксации арматурных изделий в опалубке;

Технический осмотр всех элементов

- качество выполнения сварки (вязки) узлов каркаса

То же

8.3.7 На арматурные работы необходимо составлять акт освидетельствования скрытых работ.

8.3.8 Операционный контроль качества арматурных работ должен осуществлять мастер (прораб), а приемочный - работники службы качества, мастер (прораб), представители технадзора заказчика. Для проведения работ используется контрольно-измерительный инструмент: рулетка, отвес, линейка металлическая.

8.4. Укладка бетонных смесей

8.4.1 Контроль качества выполнения бетонных работ предусматривает его осуществление на следующих этапах:

- подготовительном;

- бетонирования (приготовление, транспортировка и укладка бетонной смеси);

- выдерживания бетона и распалубливания бетонных и железобетонных конструкций;

- приемки бетонных и железобетонных конструкций или частей зданий и сооружений.

8.4.2 На подготовительном этапе необходимо контролировать:

- качество применяемых материалов для приготовления бетонной смеси и их соответствие требованиям ГОСТ;

- готовность бетоносмесительного, транспортного и вспомогательного оборудования к производству бетонных работ;

- правильность подбора состава бетонной смеси и назначение ее подвижности (жесткости) в соответствии с указаниями проекта и условиями производства работ;

- результаты испытаний контрольных образцов бетона при подборе состава бетонной смеси.

8.4.3 Составы бетонных смесей указываются в проекте и должны контролироваться строительной лабораторией. Состав бетонной смеси, приготовление, транспортирование и укладка бетонной смеси, правила приемки и методы контроля ее качества должны соответствовать ГОСТ 7475-94 и требованиям, приведенным ниже (таблица 8.5).

Таблица 8.5 - Требования к бетонным смесям при их приготовлении

Технические требования

Допускаемые отклонения

Контроль (метод, объем, вид регистрации)

1. Число фракций крупного заполнителя при крупности зерен, мм:

 

Измерительный, по ГОСТ 8267-93*, журнал работ

до 40 мм;

Не менее двух

свыше 40 мм

Не менее трех

2. Наибольшая крупность заполнителей:

 

То же

для железобетонных конструкций

Не более 2/3 наименьшего расстояния между стержнями арматуры

для плит

Не более 1/2 толщины плиты

для тонкостенных конструкций

Не более 1/3-1/2 толщины изделия

при перекачивании бетононасосом

Не более 0,33 внутреннего диаметра трубопровода

в том числе зерен наибольшего размера лещадной и игловатой форм

Не более 15 % по массе

при перекачивании по бетоноводам содержание песка (крупностью менее, мм):

 

Измерительный по ГОСТ 8736-93*, журнал работ

0,14

5-7 %

0,3

15-20 %

8.4.4 Транспортирование бетонной смеси необходимо осуществлять специализированными средствами, предусмотренными ППР. Принятый способ транспортирования бетонной смеси должен:

- исключить попадание атмосферных осадков и прямое воздействие солнечных лучей;

- исключить расслоение и нарушение однородности;

- не допустить потерю цементного молока или раствора.

8.4.5 Максимальная продолжительность транспортирования бетонной смеси устанавливается строительной лабораторией с условием обеспечения сохранности требуемого качества смеси в пути и на месте ее укладки.

8.4.6 Перед укладкой бетонной смеси должны быть проверены основания (грунтовые или искусственные), правильность установки опалубки, арматурных конструкций и закладных деталей. Бетонные основания и рабочие швы в бетоне должны быть тщательно очищены от цементной пленки, опалубка - от мусора и грязи, арматура - от налета ржавчины. Внутренняя поверхность опалубки должна быть покрыта специальной смазкой, не ухудшающей внешний вид и прочностные качества конструкций.

8.4.7 В процессе укладки бетонной смеси необходимо контролировать:

- состояние лесов, опалубки, положение арматуры;

- качество укладываемой смеси;

- соблюдение правил выгрузки и распределения бетонной смеси;

- толщину укладываемых слоев;

- режим уплотнения бетонной смеси;

- соблюдение установленного порядка бетонирования и правил устройства рабочих швов;

- своевременность и правильность отбора проб для изготовления контрольных образцов бетона.

Результаты контроля необходимо фиксировать в журнале бетонных работ.

8.4.8 Контроль качества укладываемой бетонной смеси должен осуществляться путем проверки ее подвижности (жесткости):

- у места приготовления - не реже двух раз в смену в условиях установившейся погоды и постоянной влажности заполнителей;

- у места укладки - не реже двух раз в смену.

8.4.9 При укладке и уплотнении бетонной смеси необходимо соблюдать требования, приведенные ниже (таблица 8.6).

Таблица 8.6 - Требования к бетонным смесям при их укладке

Технические требования

Допускаемые отклонения

Контроль (метод, объем, вид регистрации)

1

2

3

8.1 Прочность поверхности бетонных оснований при очистке от цементной пленки:

Не менее, МПа:

Измерительный по ГОСТ 10180-90, ГОСТ 18105-86*, ГОСТ 22690-88, журнал работ

водной и воздушной струей

0,3

механической металлической щеткой

1,5

гидропескоструйной или механической фрезой

5,0

8.2 Высота свободного сбрасывания бетонной смеси в опалубку конструкций:

Не более, м:

Измерительный, 2 раза в смену, журнал работ

колонн;

5,0

перекрытий;

1,0

стен;

4,5

неармированных конструкций;

6,0

слабоармированных подземных конструкций в сухих и связных грунтах;

4,5

густоармированных.

3,0

8.3 Толщина укладываемых слоев бетонной смеси:

 

Измерительный, 2 раза в смену, журнал работ

при уплотнении смеси тяжелыми подвесными вертикально расположенными вибраторами;

На 5-10 см меньше длины рабочей части вибратора

при уплотнении смеси подвесными вибраторами, расположенными под углом (до 30 градусов) к вертикали;

Не более вертикальной проекции длины рабочей части вибратора

при уплотнении смеси ручными глубинными вибраторами;

Не более 1,25 длины рабочей части вибратора

при уплотнении смеси поверхностными вибраторами в конструкциях:

Не более, см:

неармированных

40

с одиночной арматурой

25

с двойной арматурой

12

8.4.10 Контроль качества бетона предусматривает проверку соответствия фактической прочности бетона в конструкции проектной и заданной в сроки промежуточного контроля, а также морозостойкости и водонепроницаемости требованиям проекта.

8.4.11 При проверке прочности бетона обязательными являются испытания контрольных образцов на сжатие.

Контрольные образцы должны изготавливаться из проб бетонной смеси, отбираемых на месте ее приготовления и непосредственно на месте бетонирования конструкций. На месте бетонирования должно отбираться не менее двух проб в сутки при непрерывном бетонировании для каждого состава бетона и для каждой группы бетонируемых конструкций. Из каждой пробы должны изготавливаться по одной серии контрольных образцов (не менее трех образцов).

Испытания бетона на водонепроницаемость, морозостойкость следует производить по пробам бетонной смеси, отобранным на месте приготовления, а в дальнейшем - не реже одного раза в 3 месяца и при изменении состава бетона или характеристик используемых материалов.

Результаты контроля качества бетона должны отражаться в журнале и акте сдачи-приемки работ.

8.4.12 Состав операционного контроля качества бетонных работ с перечнем контролируемых операций и представлен в таблице 8.7.

Таблица 8.7 - Перечень контролируемых операций

Этапы работ

Контролируемые операции

Контроль (метод, объем)

Документация

1

2

3

4

Подготовительные работы

Проверить:

 

Общий журнал работ, акт освидетельствования скрытых работ

- наличие актов на ранее выполненные скрытые работы;

Визуальный

- правильность установки и надежность закрепления опалубки, поддерживающих лесов, креплений и подмостей;

Технический осмотр

- готовность всех механизмов и приспособлений, обеспечивающих производство бетонных работ;

Визуальный

- чистоту основания или ранее уложенного слоя бетона и внутренней поверхности опалубки;

То же

- наличие смазки на внутренней поверхности опалубки;

То же

- состояние арматуры и закладных деталей (наличие ржавчины, масла и т.д.), соответствие положения установленных арматурных изделий проектному;

Технический осмотр, измерительный

- выноску проектной отметки верха бетонирования на внутренней поверхности опалубки.

Измерительный

Укладка бетонной смеси, твердение бетона, распалубка

Контролировать:

 

Общий журнал работ

- качество бетонной смеси

Лабораторный (до укладки бетона в конструкцию)

- состояние опалубки

Технический осмотр

 

- высоту сбрасывания бетонной смеси, толщину укладываемых слоев, шаг перестановки вибраторов, глубину их погружения, продолжительность вибрирования, правильность выполнения рабочих швов;

Измерительный, 2 раза в смену

 

- температурно-влажностный режим твердения бетона согласно требованиям ППР;

Измерительный в местах, определенных ППР

- фактическую прочность бетона и сроки распалубки.

Измерительный.

Не менее одного раза на весь объем распалубки

Приемка выполненных работ

Проверить:

 

Общий журнал работ, исполнительная геодезическая схема

- фактическую прочность бетона;

Лабораторный

- качество поверхности конструкций, геометрические размеры, соответствие проектному положению всей конструкции, а также отверстий, каналов, проемов, закладных деталей.

Визуальный, измерительный, каждый элемент конструкции.

8.4.13 Приемку законченных бетонных и железобетонных конструкций или частей сооружений следует оформлять в установленном порядке актом освидетельствования скрытых работ или актом на приемку ответственных конструкций.

8.4.14 Требования, предъявляемые к законченным бетонным и железобетонным конструкциям или частям сооружений должны соответствовать следующим данным (таблица 8.8).

Таблица 8.8 - Требования, предъявляемые к законченным бетонным и железобетонным конструкциям или частям сооружений

Технические требования

Предельные отклонения

Контроль (метод, объем, вид регистрации)

1. Отклонения линий плоскостей пересечения от вертикали или проектного наклона на всю высоту конструкций для:

 

Измерительный, каждый конструктивный элемент, журнал работ

фундаментов;

20 мм

 

стен и колонн, поддерживающих монолитные перекрытия и покрытия;

15 мм

 

стен и колонн, поддерживающих сборные балочные конструкции;

10 мм

То же

стен зданий и сооружений, возводимых в скользящей опалубке, при отсутствии промежуточных перекрытий;

1/500 высоты сооружения, но не более 100 мм

Измерительный, всех стен и линий их пересечения, журнал работ

стен зданий и сооружений, возводимых в скользящей опалубке, при наличии промежуточных перекрытий;

1/1000 высоты сооружения, но не более 50 мм

То же

2. Отклонения горизонтальных плоскостей на всю длину выверяемого участка

20 мм

Измерительный, не менее 5 измерений на каждые 50-100 м, журнал работ

3. Местные неровности поверхности бетона при проверке двухметровой рейкой, кроме опорных поверхностей

5 мм

То же

4. Длина или пролет элементов

±20 мм

Измерительный, каждый элемент, журнал работ

5. Размер поперечного сечения элементов

+6 мм

-3 мм

То же

6. Отметки поверхностей и закладных изделий, служащих опорами для стальных или сборных железобетонных колонн и других сборных элементов

-5 мм

Измерительный, каждый опорный элемент, исполнительная схема

7. Уклон опорных поверхностей фундаментов при опирании стальных колонн без подливки

0,0007

То же, каждый фундамент, исполнительная схема

8. Расположение анкерных болтов:

5 мм

То же, каждый фундаментный болт, исполнительная схема

в плане внутри контура опоры;

10 мм

в плане вне контура опоры;

+20 мм

по высоте;

 

9. Разница отметок по высоте на стыке двух смежных поверхностей

3 мм

То же, каждый стык, исполнительная схема

Приложение А

(справочное)

Действующие нормативные материалы и инструкции

1      СНиП 3.01.01-85*. Организация строительного производства.

2      СНиП 3.03.01-87. Несущие и ограждающие конструкции.

3      СНиП III-4-80*. Техника безопасности в строительстве.

4      ГОСТ 12.0.004-90. ССБТ. Организация обучения безопасности труда. Общие положения.

5      ГОСТ 12.1.004-91*. ССБТ. Пожарная безопасность. Общие требования.

6      ГОСТ 12.1.046-85. ССБТ. Строительство. Нормы освещения строительных площадок.

7      ГОСТ 12.3.010-82. ССБТ. Тара производственная. Требования безопасности при эксплуатации.

8      ГОСТ 12.4.026-76. ССБТ. Цвета сигнальные и знаки безопасности.

9      ГОСТ 12.4.059-89. ССБТ. Строительство. Ограждения предохранительные инвентарные. Общие технические условия.

10    ГОСТ 380-94. Сталь углеродистая обыкновенного качества. Марки и технические требования.

11    ГОСТ 969-91. Цементы глиноземистые и высокоглиноземистые. Технические условия.

12    ГОСТ 1050-88*. Сталь углеродистая качественная конструкционная. Технические условия.

13    ГОСТ 2246-70*. Проволока стальная сварочная. Технические условия.

14    ГОСТ 5781-82. Сталь горячекатаная для армирования железобетонных конструкций. Технические условия.

15    ГОСТ 7473-94. Смеси бетонные. Технические условия.

16    ГОСТ 7566-94*. Металлопродукция. Приемка, маркировка, упаковка, транспортирование и хранение.

17    ГОСТ 8267-93*. Щебень и гравий из плотных горных пород для строительных работ. Технические условия.

18    ГОСТ 8478-81*. Сетки сварные для железобетонных конструкций. Технические условия.

19    ГОСТ 8736-93*. Песок для строительных работ. Технические условия.

20    ГОСТ 9087-81*Е. Флюсы сварочные плавленые. Технические условия.

21    ГОСТ 9467-75*. Электроды покрытые металлические для ручной дуговой сварки конструкционных и теплоустойчивых сталей. Типы.

22    ГОСТ 10178-85. Портландцемент и шлакопортландцемент. Технические условия.

23    ГОСТ 10180-90. Бетон. Методы определения прочности по контрольным образцам.

24    ГОСТ 10181.4-81. Смеси бетонные. Методы определения удобоукладываемости.

25    ГОСТ 10922-90. Арматурные изделия и закладные детали сварные для железобетонных конструкций. Технические требования и методы испытания.

26    ГОСТ 12730.0-78. Бетоны. Общие требования к методам определения плотности, влажности, водопоглощения, пористости и водонепроницаемости.

27    ГОСТ 14098-91. Соединения сварные арматуры и закладных изделий железобетонных конструкций. Типы, конструкции и размеры.

28    ГОСТ 16504-81. Система государственных испытаний продукции. Испытания и контроль качества продукции. Основные термины и определения.

29    ГОСТ 17624-87. Бетоны. Ультразвуковой метод определения прочности.

30    ГОСТ 18105-86*. Бетоны. Правила контроля прочности.

31    ГОСТ 18242-72*. Статистический приемочный контроль по альтернативному признаку. Планы контроля.

32    ГОСТ 21807-76*. Бункера (бадьи) переносные вместимостью до 2 м для бетонной смеси. Общие технические условия.

33    ГОСТ 22263-76. Щебень и песок из пористых горных пород. Технические условия.

34    ГОСТ 22266-94. Цементы сульфатостойкие. Технические условия.

35    ГОСТ 22690-88. Бетоны. Определение прочности механическим методом неразрушающего контроля.

36    ГОСТ 22904-93. Конструкции железобетонные. Магнитный метод определения толщины защитного слоя бетона и расположения арматуры.

37    ГОСТ 23279-85. Сетки арматурные сварные для железобетонных конструкций изделий. Общие технические условия.

38    ГОСТ 23407-78. Ограждения инвентарные строительных площадок и участков производства строительно-монтажных работ. Технические условия.

39    ГОСТ 23478-79. Опалубка для возведения монолитных бетонных и железобетонных конструкций.

40    ГОСТ 23732-79. Вода для бетонов и растворов. Технические условия.

41    ГОСТ 23735-79. Смеси песчано-гравийные для строительных работ. Технические условия.

42    ГОСТ 24211-91. Добавки для бетонов. Общие технические требования.

43    ГОСТ 25346-89. Основные нормы взаимозаменяемости. ЕСДП. Основные положения, ряды допусков и основных отклонений.

44    ГОСТ 25347-82. Основные нормы взаимозаменяемости. ЕСДП. Поля допусков и рекомендуемые посадки.

45    ГОСТ 26271-84*. Проволока порошковая для дуговой сварки углеродистых и низколегированных сталей. Общие технические условия.

46    ГОСТ 26633-91. Бетоны тяжелые и мелкозернистые. Технические условия.

47    ГОСТ 27006-86. Бетоны. Правила подбора состава.

48    СНиП 12-03-2001 «Безопасность труда в строительстве. Часть 1. Общие требования».

(Измененная редакция, Изм. № 1).

Приложение Б

(обязательное)

Требования к материалам и бетонным смесям, перекачиваемым по трубопроводу

Бетонная смесь, предназначенная для перекачки по трубопроводам, должна подбираться расчетно-экспериментальным путем. Гранулометрический состав, пластичность и однородность смеси должны обеспечивать проектные характеристики бетона конструкции (прочность, водонепроницаемость и т.д.).

Практикой работы автобетононасосов установлено, что бетонные смеси должны готовиться только на портландцементе с нормальным или замедленным сроками схватывания, по возможности, смеси должны быть пластифицированными. Минимальный расход цемента без добавок должен составлять не менее 300 кг/м3 бетона.

В качестве крупного заполнителя лучше применять гравий. Использование щебня ухудшает удобоукладываемость бетонной смеси и приводит к ускоренному износу деталей бетононасоса.

Максимальный размер крупного заполнителя не должен превышать 20 мм.

Выбирая крупный заполнитель, необходимо учитывать его абсорбирующую способность. Бетонная смесь, изготовленная на известковом щебне, обладает меньшей подвижностью и удобоперекачиваемостью, чем бетонная смесь, приготовленная на гранитном или кварцевом щебне, при равных расходах цемента и воды.

Количество пылевидной части песка крупностью менее 0,14 мм рекомендуется доводить до 5-7 %, а мелкого песка крупностью менее 0,3 мм в пределах 15-20 % от общей массы песка. Добавление в бетонную смесь пылевидного и мелкого песка сверх указанного может явиться причиной образования пробок в бетоноводе из-за отощания смеси. По данным ведущих фирм лучше всего перекачивать свежеприготовленные смеси, включающие одну часть песка крупностью до 0,3 мм на каждые три части цемента (по массе).

Бетонные смеси должны содержать от 32 до 45 % мелких (песочная мелочь и пылевидные частицы) и крупных заполнителей (гравий до 55 % или щебень до 60-65 %) по массе от общего их количества.

В состав бетонной смеси с крупным заполнителем должно входить такое количество цементного теста, микронаполнителей и растворной составляющей, при котором не только заполнялись бы пустоты в песке, щебне (гравии) и обволакивались зерна, но и обеспечивалась бы их некоторая раздвижка.

Расчет удобоперекачиваемости бетонной смеси по трубопроводам с учетом указанных выше требований должен выполняться в следующей последовательности:

а) определить объем компонентов бетонной смеси в литрах по следующим формулам:

Vт = Vц + Bц                             -  объем цементного теста, л;

где:

Вц = В - 0,01 [П + Щ(Г)]       -  объем воды, необходимый для образования коллоидной пленки на частицах цемента при его растворении, л;

Vp = Vт + Vп                             -  объем цементного раствора, л;

Vб = Vр + Vщ(г)                         -  объем бетона, л;

где: Vц; Vп; Vщ(г); В                 -  объем соответственно цемента, песка, щебня (гравия) и воды, л;

Ц; П; Щ(Г)                              -  масса соответственно цемента, песка, щебня (гравия) в килограммах.

Нормальная густота цементного теста изменяется в пределах Кн.г. = 0,19 - 0,33.

Пп - коэффициент пустотности песка;

Пщ/г - коэффициент пустотности щебня (гравия).

б) определить количественные и качественные параметры удобоукладываемости бетонной смеси:

;              ;                 ;

где:  - водоцементное отношение цементного теста;

Хц - содержание воды в цементе;

Хп - степень заполнения пустот в песке цементным тестом;

Хщ(г) - степень заполнения пустот в щебне (гравии) цементным раствором.

Между Хц, Хп, Хщ(г) существуют зависимости, определяющие пригодность растворных и бетонных смесей для подачи по трубам. Для транспортабельных бетонных смесей необходимо, чтобы значения Хц; Хп; Хщ(г) пересекались внутри многоугольников в соответствии с рисунком Б.1.

I - Взаимосвязь величин Хц и Хп смесей, пригодных для подачи по трубопроводам (многоугольник АБВГДЕ соответствуем значениям Хц и Хп при установившемся движении; АБВГДЕ - при неустановившемся движении);

II - Взаимосвязь величин Хщ(г) и Хп бетонных смесей, пригодных для подачи по трубам (а - диаметром 100 мм и б - диаметром 150 мм).

Рисунок Б.1 - Графики, определяющие зависимости растворных и бетонных смесей для подачи по трубам

Перекачиваемость бетонных смесей по трубам может быть повышена путем увеличения количества и улучшения качества цементного теста и растворной составляющей, т.е. в результате увеличения значения Хп и Хщ(г) и уменьшения значения Хц.

Количество цементного теста (величину) можно увеличить, если добавить некоторое количество песка фракции менее 0,14 мм (до 5 % от общего количества песка), а также молотых заполнителей при условии сохранения постоянного водоцементного отношения бетонной смеси.

Качество цементного теста улучшается в результате введения гидрофобных добавок - мылонафта, хлопкового масла и др. в количестве 0,1-0,2 % от массы цемента.

Приложение В

(справочное)

Основные технические характеристики

Таблица В.1 - Основные технические характеристики автобетононасосов отечественного производства

Показатель

Автобетононасосы

СБ-126Б (СБ-126Б-1)

СБ-170-1 (СБ-170-1А)

1. Наибольшая подача бетонной смеси на выходе из распределительного устройства, м3

65

65

2. Наибольшее давление нагнетания бетонной смеси, МПа

6

32

3. Тип качающего узла

поршневой

поршневой

4. Количество секций стрелы

3

3

5. Наибольшая высота подачи бетонной смеси со стрелы, м

21

22

6. Наибольшая дальность подачи бетонной смеси со стрелы, м

18

18 (21,5)

7. Наибольшая глубина подачи бетонной смеси со стрелы, м

9

9 (10)

8. Размеры машины в транспортном положении, м:

 

 

длина

10

10 (11)

ширина

2,5

2,5

высота

3,8

3,8

9. Масса автобетононасоса в транспортном положении, т

17 (19,1)

16,5 (18,5)

10. Высота загрузки, м

1,4

1,45

11. Базовый автомобиль

КАМАЗ-53213

КАМАЗ-53213


Таблица В.2 - Основные технические характеристики автобетононасосов фирмы «PUTZMEISTER»

Показатель

Автобетононасосы

BRF 22.09 ЕМ

BRF 24.08

BRF 28.09 ЕМ

BQF 24.08

BQF 28.08

BRF 32.09 ЕМ

BRF 36.09

BRF 43.09

1. Наибольшая подача бетонной смеси на выходе из распределительного устройства, м3

90

87

90

80

80

90

90

90

2. Наибольшее давление нагнетания бетонной смеси, МПа

7,1

5,4

7,1

2,5

2,5

7,1

7,1

7,1

3. Тип качающего узла

Поршневой

поршневой

поршневой

роторно-шланговый

роторно-шланговый

поршневой

поршневой

поршневой

4. Тип распределительной стрелы

М 22/19

M 24-RD

М 28 3-R-TRS45

М 24-TRD

М 28 3-R-RS 45

М 32-TRS

M 36-TRS65

M43-IR 104

5. Количество секций стрелы

3

4

3

4

3

4

4

4

6. Наибольшая высота подачи бетонной смеси со стрелы, м

22,3

23,2

27,3

23,2

27,3

32

35,7

42,1

7. Наибольшая дальность подачи бетонной смеси со стрелы, м

18,8

19,6

23,7

19,6

23,7

29

32,1

38,6

8. Наибольшая глубина подачи бетонной смеси со стрелы, м

11,8

14,6

16,2

14,6

16,2

22,5

24,3

29,2

9. Размеры машины в транспортном положении, м:

 

 

 

 

 

 

 

 

длина

9,1

8,615

10,837

8,615

10,837

12,556

10,11

11,606

11,16

13,729

ширина

2,48

2,48

2,48

2,48

2,48

2,65

2,48

2,65

2,5

2,5

высота

3,6

3,82

3,85

3,82

3,85

3,78

3,93

3,9

3,9

3,97

10. Масса автомобиля, т

18,2

17,84

19,3

17,84

19,3

21,72

25

22,86

26,3

33,89

11. Высота загрузки, м

1,35

1,35

1,35

1,35

1,35

1,25

1,35

1,33

1,4

1,4

12. Модель базового автомобиля*

MB 1824

MB 1824

MB 2024

MB 1824

MB 2024

КРАЗ-250 К

MB 263 1/41

КРАЗ-250 К

MB 2631

MB 3538

*МВ - «Мерседес-Бенц».


Таблица В.3 - Основные технические характеристики автобетононасосов фирмы «SCHWING»

Показатель

Автобетононасосы

BPL 500 HDR

BPL 580

BPL 500 HD

BPL 601 HD

1. Наибольшая подача бетонной смеси на выходе из распределительного устройства

45

55

60

66

2. Наибольшее давление нагнетания бетонной смеси, МПа

13,3

5,5

7

7

3. Тип качающего узла

поршневой

поршневой

поршневой

поршневой

4. Типы распределительных стрел

KVM 24-4Н

KVM 23

KVM 31/27

KVM 23

KVM 28

KVM 36

5. Количество секций стрелы

4

3

3

3

3

4

6. Наибольшая высота подачи бетонной смеси со стрелы, м

23,1

21 или 23

30,75

21 или 23

28 или 29

36

7. Наибольшая дальность подачи бетонной смеси со стрелы, м

19,5

17,55 или 19,55

27

17,55 или 19,55

24 или 25

32

8. Наибольшая глубина подачи бетонной смеси со стрелы, м

13

12,4 или 14,4

19,5

12,4 или 14,4

17 или 18,2

24,5

9. Размеры машины в транспортном положении, м:

 

 

 

 

 

 

 

длина

10,55

9,33

9,99

11,5

9,99

11,5

11,5

ширина

2,48

2,44

2,44

2,44

2,44

2,48

2,48

высота

3,86

3,705

3,72

3,85

3,72

3,85

3,85

10. Масса автобетононасоса, т

26

16,7

16,79

22,43

16,79

22

26,3

11. Высота загрузки, м

1,26

1,26

1,35

1,4

1,35

1,4

1,4

12. Модель базового автомобиля*

MB 2631

DB 1722

MB 1619

MB 2224

MB 1619

MB 2219

MAN 26-240

*MB - «Мерседес-Бенц»; DB - «Даймлер-Бенц».

Продолжение таблицы В.3

Показатель

Автобетононасосы

BPL 700 HDR

BPL 800 HD

BPL 801

1. Наибольшая подача бетонной смеси на выходе из распределительного устройства, м3

72

80

82

2. Наибольшее давление нагнетания бетонной смеси, МПа

13,3

5,7

5,7

3. Тип качающего узла

поршневой

поршневой

поршневой

4. Типы распределительных стрел

KVM 24-4Н

KVM 31/27

KVM 23

KVM 28

KVM 36

5. Количество секций стрелы

4

3

3

3

4

6. Наибольшая высота подачи бетонной смеси со стрелы, м

23,1

30,75

21 или 23

28 или 29

36

7. Наибольшая дальность подачи бетонной смеси со стрелы, м

19,5

27

17,55 или 19,55

24 или 25

32

8. Наибольшая глубина подачи бетонной смеси со стрелы, м

13

19,5

12,4 или 14,4

17 или 18,2

24,5

9. Размеры машины в транспортном положении, м:

 

 

 

 

 

 

длина

10,55

9,33

11,5

9,99

11,5

11,5

ширина

2,48

2,44

2,44

2,44

2,48

2,48

высота

3,86

3,705

3,85

3,72

3,85

3,85

10. Масса автобетононасоса, т

26

16,7

22

16,79

22

26,3

11. Высота загрузки, м

1,26

1,26

1,4

1,35

1,4

1,4

12. Модель базового автомобиля*

MB 2631

DB 1722

MB 2224

MB 1619

MB 2219

MAN 26-240

*MB - «Мерседес-Бенц»; DB - «Даймлер-Бенц».

Продолжение таблицы В.3

Показатель

Автобетононасосы

BPL 900 HDR

1. Наибольшая подача бетонной смеси на выходе из распределительного устройства, м3

90

2. Наибольшее давление нагнетания бетонной смеси, МПа

10,8

3. Тип качающего узла

поршневой

4. Типы распределительных стрел

KVM 24-4H

КVМ 25/22

KVM 26-4

KVM 28 X

KVM 31/27

KVM 32 XL

KVM 42

5. Количество секций стрелы

4

3

4

3

3

4

4

6. Наибольшая высота подачи бетонной смеси со стрелы, м

23,1

25,1

25,8

27,7

30,75

32,6

41,75

7. Наибольшая дальность подачи бетонной смеси со стрелы, м

19,5

21,5

22,1

24

27

29,05

38,05

8. Наибольшая глубина подачи бетонной смеси со стрелы, м

13

15

17

16,8

19,5

21

27,8

9. Размеры машины в транспортном положении, м:

 

 

 

 

 

 

 

 

длина

10,55

9,33

9,99

8,636

10,84

11,5

10,365

12,935

ширина

2,48

2,44

2,44

2,48

2,48

2,44

2,48

2,48

высота

3,86

3,705

3,72

3,65

3,66

3,85

3,77

3,93

10. Масса автобетононасоса, т

26

16,7

16,79

18,2

18,2

22,43

26,1

35,7

11. Высота загрузки, м

1,26

1,26

1,35

1,35

1,3

1,4

1,3

1,45

12. Модель базового автомобиля*

MB 2631

DB 1722

MB 1619

MB 1827

MB 1827

MB 2224

MB 2631

MB 3328

*MB - «Мерседес-Бенц»; DB - «Даймлер-Бенц».

Продолжение таблицы В.3

Показатель

Автобетононасосы

BPL 1000 HD

BPL 1001 HD

1. Наибольшая подача бетонной смеси на выходе из распределительного устройства, м3

110

104

2. Наибольшее давление нагнетания бетонной смеси, МПа

6,5

7

3. Тип качающего узла

поршневой

поршневой

4. Типы распределительных стрел

KVM 31/27

KVM 23

KVM 28

KVM 36

5. Количество секций стрелы

3

3

3

4

6. Наибольшая высота подачи бетонной смеси со стрелы, м

30,75

21 или 23

28 или 29

36

7. Наибольшая дальность подачи бетонной смеси со стрелы, м

27

17,55 или 19,55

24 или 25

32

8. Наибольшая глубина подачи бетонной смеси со стрелы, м

19,5

12,4 или 14,4

17 или 18,2

24,5

9. Размеры машины в транспортном положении, м:

 

 

 

 

длина

11,5

9,99

11,5

11,5

ширина

2,44

2,44

2,48

2,48

высота

3,85

3,72

3,85

3,85

10. Масса автобетононасоса, т

22,43

16,79

22

26,3

11. Высота загрузки, м

1,4

1,35

1,4

1,4

12. Модель базового автомобиля*

MB-2224

MB 1619

MB 2219

MAN 26-240

*МВ - «Мерседес-Бенц».

Продолжение таблицы В.3

Показатель

Автобетононасосы

1200 HDR

1201 HDR

1. Наибольшая подача бетонной смеси на выходе из распределительного устройства, м3

150

116

2. Наибольшее давление нагнетания бетонной смеси, МПа

9/5

7

3. Тип качающего узла

поршневой

поршневой

4. Типы распределительных стрел

KVM 26-4

KVМ-28 X

KVM 32 XL

KVM 42

KVM 52

KVM 25/22

KVM 31/27

5. Количество секций стрелы

4

3

4

4

4

3

3

6. Наибольшая высота подачи бетонной смеси со стрелы, м

25,8

27,7

32,6

41,75

51,2

25,1

30,75

7. Наибольшая дальность подачи бетонной смеси со стрелы, м

22,1

24

29,05

38,05

48

21,5

27

8. Наибольшая глубина подачи бетонной смеси со стрелы, м

17

16,8

21

27,8

38,9

15

19,5

9. Размеры машины в транспортном положении, м:

 

 

 

 

 

 

 

длина

8,636

10,84

10,365

12,935

13,345

9,99

11,5

ширина

2,48

2,48

2,48

2,48

2,5

2,44

2,44

высота

3,65

3,66

3,77

3,93

3,95

3,72

3,85

10. Масса автобетононасоса, т

18,2

18,2

26,1

35,7

45

16,79

22,43

11. Высота загрузки, м

1,35

1,3

1,3

1,45

1,4

1,35

1,4

12. Модель базового автомобиля*

MB 1827

MB 1827

MB 2631

MB 3328

MB 3336

MB 1619

MB 2224

*MB - «Мерседес-Бенц».


Таблица В.4 - Основные технические характеристики автобетоносмесителей

Показатель

Автобетоносмесители

СБ-230

СБ-92-1А

СБ-92-В1

СБ-159А

СБ-159Б

СБ-72-1

СБ-214

АБС-03

АБС-6

ТАМ260

Т26Б-БМ

СБ-211

СБ-234

1. Геометрический объем смесительного барабана, м3

7,5

8

8

8

8

8

10

10

10

10

10, 12

14

14

2. Емкость смесительного барабана по выходу готовой бетонной смеси, м3 (при объемной массе смеси, т/м3)*

4 (1,63)*

4 (2,25)*

4 (2,25)*

5 (1,95)*

4...5 (2,2)*

4,5...5 (2,2)*

5,4...5,9 (2...2,15)*

5...6

(2...2,4)*

5 и 6 (2,2 и 1,83)*

6 (1,8)*

6 (2,2)*

8 (2)*

8 (2,1)*

3. Полезная грузоподъемность по бетонной смеси, т

6,5

9,65

9,65

9,65

9,6...9,65

9,3

11,62

12

11

13,8

14

16

14,4

4. Время перемешивания, мин

15...20

15...20

15...20

15...20

15...20

15...20

15...20

15...20

25...30

до 20

15...20

15...20

15...20

5. Темп выгрузки, м3/мин

0,5...2

0,5...2

0,5...2

0,5...2

0,5...2

0,5...2

0,5...2

0,5...2

-

1...2

0,5...2

0,5...2

0,5...2

6. Высота, м:

 

 

 

 

 

 

 

 

 

 

 

 

 

загрузки

3,6

3,55

3,68

3,6

3,6

3,6

3,6

3,6

3,56

3,64

3,55

3,6

3,6

разгрузки (наибольшая)

1,43

1,43

1,65

2,2

2,2

2,2

2,2

1,65

1,65

1,2

1,43

1,65

0,05...2,2

7. Базовый автомобиль

МАЗ-5337

КамАЗ-55111

КРАЗ-258Б1

КамАЗ-55111

КамАЗ-55111

КамАЗ-55111

КамАЗ-55111

КАМАЗ-5410

КАМАЗ-53213

КРАЗ-65101 или КРАЗ-250

ТАМ 260

КАМАЗ-54112

МКЗТ-69237

8. Масса загруженного бетоном автобетоносмесителя, т

16

19,15

19,15

19,15

19,15

18,9

22,2

24,8

22

24 или 26

26

32,59

30

9. Размеры машины в транспортном положении, м:

 

 

 

 

 

 

 

 

 

 

 

 

 

длина

7,8

7,5

8,03

7,34

8

7,6

7,6

10,45

8,99

9,48 или 9,9

8,05

11,8

9,5

ширина

2,5

2,5

2,65

2,5

2,5

2,5

2,5

2,5

2,5

 

2,5

2,5

2,5

высота

3,6

3,6

3,68

3,6

3,6

3,6

3,6

3,6

3,56

 

3,55

3,55

3,6

* - в скобках приведена объемная масса бетонной смеси, т/м3


Приложение Г

(справочное)

Расчет основных параметров при выдерживании бетона способом термоса

Приняты следующие основные параметры бетонирования в зимних условиях:

tб.н. - температура бетона после укладки и уплотнения, обычно задается и равна 25-30 °С;

tб.из. - температура изготовления бетонной смеси, замеряемая сразу после выпуска с завода, обычно задается и равна 35-40 °С;

Δtтр - потери температуры бетонной смеси при транспортировании, °С, определяется по таблице Г.4;

Δty - потери температуры за время укладки и уплотнения бетона, при перепаде температур в 1 °С, определяется по таблице Г.5;

Δtоп. - потери температуры на нагрев опалубки и арматуры, °С, определяется по таблице Г.1;

τтр - продолжительность транспортирования бетонной смеси, мин., определяется по таблице Г.4;

τу - продолжительность укладки и уплотнения, мин.;

τо - продолжительность остывания, ч.;

R % от R28 - требуемая прочность к моменту замораживания бетона, задается или берется по СНиП.

Расчет сводится к определению либо τтр. - по заданной величине tб.н., либо tб.н. по заданной величине τтр. и определению τо.

τу - определяется опытным путем. По найденному τу в таблице Г.5 определяется Δty.

Потеря температуры за время укладки и уплотнения бетона при разности температур бетона и наружного воздуха равны

Δty (tб.н. - tн.в.)

При заданной величине tб.н.

Δtтр. = tб.из. - tб.н. - tб.оп. - Δty (tб.н. - tн.в.)

По найденному Δtтр. по таблице Г.4 определяется τтр.

При заданной величине τтр. по таблице Г.4 определяется Δtтр..

где: tн.в. - температура наружного воздуха, °С.

Продолжительность остывания бетона рассчитывается по формуле Скрамтаева Б. Г.:

,

где: Cб - удельная теплоемкость бетона, кДж/кг · °С;

γ - объемная масса бетона, кг/м3;

tб.к. - конечная температура бетона, до которой проводится расчет продолжительности остывания, °С;

q - тепловыделение 1 кг цемента за время остывания бетона.

Тепловыделение цементов различных видов и марок в зависимости от температуры твердения и времени твердения определяется по таблице Г.2.

ц - расход цемента в бетоне, кг/м3;

к - коэффициент теплопередачи опалубки, Вт/м2 · °С (таблица Г.3). При нескольких различных теплоограждениях одной конструкции с К1, К2, Кп и соответствующим площадям F1, F2, Fп

,

μn - модуль поверхности, равный 1/м;

tб.ср. - среднее значение температуры за время остывания, °С;

tб.ср. = (tб.н. + 36 - 2 μn) 0,5 (μп - подставляется без размерности).

Порядок расчета продолжительности остывания следующий: по формуле Б. Г. Скрамтаева определяется продолжительность остывания без учета тепловыделения бетона (q = 0);

по найденному τo, пользуясь таблицей Г.2, определяется q;

подставляя q в формулу Б. Г. Скрамтаева, снова определяется τo, которое будет больше предыдущего;

далее по таблице Г.2 уточняется q и снова подставляется в формулу;

так повторяется до тех пор, пока последнее τo не будет отличаться от предыдущего на величину 5 %. R - определяется по графикам на рисунке Г.1 в зависимости от τo и tб.ср.

Таблица Г.1 - Потери температуры бетона на нагрев арматуры и опалубки, °С (при перепаде температур 1 °С)

№ теплоограждения

Расход арматуры, кг/м3 бетона

Модуль поверхности, м-1

2

4

6

8

10

12

1

50

0,023

0,037

0,051

0,073

0,078

0,092

150

0,042

0,055

0,069

0,083

0,097

0,11

300

0,068

0,082

0,096

0,109

0,123

0,137

2

50

0,032

0,053

0,075

0,098

0,119

0,142

150

0,05

0,072

0,093

0,116

0,138

0,16

300

0,076

0,098

0,122

0,143

0,164

0,186

3

50

0,012

0,014

0,017

0,019

0,022

0,024

150

0,03

0,033

0,035

0,038

0,04

0,043

300

0,057

0,059

0,062

0,064

0,067

0,068

4

50

0,019

0,028

0,038

0,047

0,056

0,065

150

0,038

0,047

0,056

0,065

0,074

0,083

300

0,63

0,073

0,083

0,092

0,101

0,11

Таблица Г.2 - Тепловыделение цементов различных видов и марок в зависимости от температуры твердения и времени твердения

Вид и марка цемента

Температура, °С

Тепловыделение цементов в Дж/кг при времени их твердения, сут.

0,25

0,5

1

2

3

7

14

28

Портландцемент 300

5

-

-

25,2

58,6

83,8

167,6

209,5

230,5

10

8,4

25,2

41,9

83,8

125,7

188,6

230,6

272,4

20

25,2

41,9

75,4

125,7

167,6

230,5

251,4

293,3

40

50,3

83,8

146,7

188,6

230,5

251,4

293,3

-

60

83,8

146,7

188,6

230,5

272,4

293,3

-

 

Портландцемент 400

5

-

-

29,3

62,9

108,9

188,4

209,5

251,4

10

12,6

25,2

50,3

104,8

146,7

209,5

251,4

293,3

20

41,9

66,9

104,8

167,6

209,5

272,4

314,3

335,2

40

83,7

133,9

188,6

230,5

272,4

314,3

335,2

-

60

129,8

188,4

230,5

272,4

314,2

335,2

-

-

Портландцемент 500

5

12,6

25,2

41,9

88,8

125,7

188,6

230,5

272,4

10

25,2

41,9

62,9

104,8

167,6

251,4

393,3

314,3

20

41,9

83,8

125,7

188,6

251,4

293,3

335,2

377,1

40

104,8

167,8

209,5

272,4

293,3

356,2

377,1

-

60

188,6

230,5

272,4

314,3

356,2

377,1

-

-

Портландцемент быстротвердеющий 600

5

25,2

33,5

50,3

104,8

146,7

209,5

251,4

314,3

10

33,5

50,3

75,4

125,7

167,6

372,4

335,2

377,1

20

62,9

104,8

146,7

209,5

294,3

335,2

377,1

419

40

117,3

188,6

230,5

293,3

335,2

377,1

419

-

60

209,5

251,4

293,3

335,2

377,1

419

-

-

Шлакопортландцемент и пуццолановый портландцемент 300

5

-

12,6

25,2

41,9

62,9

125,7

167,6

188,6

10

-

25,2

33,5

62,9

104,8

167,6

209,5

230,5

20

-

33,5

62,9

125,7

146,7

209,5

251,4

272,4

40

41,9

75,4

117,3

167,6

209,5

251,4

272,4

-

60

62,9

104,8

146,7

209,5

230,5

272,4

-

-

Таблица Г.3 - Коэффициенты теплопередачи для различных типов теплоограждений опалубки

№ п/п

Конструкция теплоограждения опалубки

Схема

Коэффициент теплопередачи, Вт/м2 · °С при скорости ветра, м/сек

0

5

15

1.

Доска 25 мм

2,44

5,22

5,97

2.

Доска 40 мм

2,01

3,6

3,94

3.

Толь (или рубероид), 1 слой

Минераловатная плита или шлаковата, 40 мм

Толь (или рубероид), 1 слой

1,2

1,57

1,65

4.

Сталь, 3 мм

Минеральная вата, 50 мм

Фанера, 4 мм

1,02

1,27

1,33

5.

Электронагреватель, 3 мм

Доска, 25 мм

1,5÷23

 

 

6.

Электронагреватель, 3 мм

Доска, 40 мм

1,3÷2

 

 

7.

Электронагреватель, 3 мм

Сталь, 3 мм

1,9÷3,7

 

 

8.

Доска, 25 мм

Толь

Доска, 25 мм

1,8

3,02

3,25

9.

Доска, 25 мм

Пенопласт, 30 мм

Фанера, 4 мм

0,67

0,80

0,82

10.

Доска, 25 мм

Толь

Минеральная вата, 50 мм

Фанера, 4 мм

0,87

1,07

1,10

Таблица Г.4 - Ориентировочные потери температуры, °С, при перевозке в автомашинах с укрытием брезентом (Δtтp.)

Емкость кузовов, м3

Температура бетонной смеси, отпускаемой с завода

Температура наружного воздуха, ° С

0

-10

-20

-30

Время транспортирования, мин

10

20

30

40

50

60

10

20

30

40

50

60

10

20

30

40

50

60

10

20

30

40

50

60

1-1,4

35

1,5

2,8

4

5

6,5

7,5

2

3,5

5

6,5

8,5

9,5

2,5

4

6

8

10

12

3

5

7

10

12

14

2

35

1

2

3

4

5

6

1,5

3

4

5

6,5

8

2

3

5

7

9

10

2,5

4

6

8

10

12

Таблица Г.5 - Потери температуры бетона за время укладки и уплотнения (при перепаде температур 1 °С) (Δtу)

Наименование и размеры конструкции, см

Снижение температуры бетона в долях °С при длительности укладки и уплотнения, мин

1

5

10

15

Плиты и стены толщиной:

 

 

 

 

6

0,003

0,15

0,3

0,45

8

0,0022

0,11

0,22

0,33

10

0,0018

0,09

0,18

0,27

12

0,0015

0,075

0,15

0,23

15

0,0012

0,06

0,12

0,18

20

0,009

0,045

0,09

0,14

25

0,008

0,04

0,08

0,12

30

0,007

0,035

0,07

0,11

40

0,005

0,025

0,05

0,08

50

0,004

0,02

0,04

0,06

Балки высотой:

 

 

 

 

25

0,006

0,04

0,08

0,12

30

0,007

0,035

0,07

0,11

40

0,005

0,025

0,05

0,08

50

0,003

0,015

0,03

0,04

60

0,003

0,015

0,03

0,05

70

0,003

0,015

0,03

0,05

Рисунок Г.1 - Графики нарастания прочности бетона при различных температурах бетонной смеси

Приложение Д

(справочное)

Ориентировочное время оттаивания и отогрева оснований нормальной влажности до температуры на поверхности 5...10 °С

Материал основания

Температура наружного воздуха, °С

Глубина промерзания основания, мм

Время работы электродвигателей мощностью, Вт/м3 соединенных последовательно в группы мощностью, Вт/м2

1000

1200

1500

2000

при средней рабочей температуре на палубе, °С

45

55

60

70

80

95

Глинистые и суглинистые основания

До -15

300

7

6

5

4,5

4

3,5

500

10

8

6,5

6

5

4,5

700

10,5

9

7

6

5,5

4,5

1000

16

13

11

9,5

8,5

7

До -25

500

11

9

8

7

6

5,5

700

12

10,5

9

8

7

6

1000

18

16

13,5

12

10

9

1200

22

18,5

16

14

12

11

1500

27

23

20

18

15

13,5

До -35

500

11,5

10

9

7,5

6,5

6

700

13,5

11,5

10

8,5

8

7

1000

19

16

14,5

12,5

11

10

1200

24

20

18

15,5

14

13

1500

29

25

22

19

17

16

Песчаные и супесчаные основания

До -15

300

8

7

6

5

4,5

4

500

11

9

8

7

6

5

700

12

10

8,5

7

6,5

5,5

1000

19

15

13

11

10

8,5

До -25

500

13

11

9,5

8,5

7

6,5

700

15

12,5

10,5

9,5

8

7

1000

22

19

16

14

12

11

1200

26

22

19

17

14

13

До -35

500

13

11,5

10

8,5

8

7

700

16

13,5

12

10

9

8,5

1000

23

19

17

14,5

13

12

1200

28

24

22

18

16,5

15

1500

35

30

26,5

22,5

20,5

18,5

Приложение Е

(справочное)

Расход энергоресурсов в натуральных показателях

Средства отогревания

Ед. изм.

Расчет на отогревание 1 м2 основания на глубину 300 мм при температуре основания, °С

-10

-20

-30

и температуре наружного воздуха, °С

-10

-10

-20

-30

-50

Электрокалориферы

кВт/ч/м2

28,8

41,5

83,3

197

296

Парокалориферы

т/м2

0,048

0,07

0,141

0,331

0,5

Калориферы на жидком топливе - керосине

кг/м2

4,2

6,1

10

19,4

28,2

Плоские жидкостные топливные нагреватели на дизельном топливе

л/м2

2,7

3,9

7,5

11,4

11,4

Проволочные или пластинчатые электронагреватели

кВт-ч/м2

6

10,2

10,2

12

 

Приложение Ж

(справочное)

Допустимая разность температуры бетона и наружного воздуха при распалубке конструкций, к которым предъявляются специальные требования по трещиностойкости

Марка бетона

Конструкции

Скорость ветра

Модуль поверхности, м-1

2

4

6

8

10

Тяжелый бетон всех марок

С ребрами (брус, тавр и т.д.)

0

22

30

39

48

 

5

14

15

16

17

18

15

13

14

15

15

16

Без ребер (цилиндрические оболочки и т.д.)

0

38

63

89

 

 

5

16

19

22

25

28

15

15

16

18

20

22

Легкий (керамзитобетон)

С ребрами

0

34

46

 

 

 

5

21

22

24

25

27

15

20

21

22

23

24

Без ребер

0

57

 

 

 

 

5

24

28

32

37

42

15

22

25

27

30

33

Приложение И

(обязательное)

Расчет параметров предварительного электроразогрева бетонной смеси

Удельная электрическая мощность, необходимая для электроразогрева бетонной смеси, определяется по формуле:

; квт/м3

где: tp - конечная температура разогрева бетонной смеси, °С

tтр - температура после транспортирования бетонной смеси, °С, должна быть не ниже 2 °С при разогреве в бункерах и не ниже 0 °С при разогреве в кузовах автосамосвалов;

τр - время разогрева бетонной смеси (см. таблицу И.1)

Таблица И.1 - Удельные электрические мощности для тяжелой бетонной смеси

tp

Р, кВт/м3 бетона при продолжительности электроразогрева бетонной смеси, мин

5

10

15

20

50

437

219

146

114

60

534

267

178

134

70

632

316

211

158

80

729

364

243

182

90

826

413

275

207

Примечание - Температура после транспортирования принята 5 °С.

Расстояние между элементами рассчитывается по формуле:

; м

где: Vб - объем одновременно разогреваемой порции бетонной смеси, м3;

U - напряжение на электродах;

ρб - расчетное удельное сопротивление бетонной смеси зависит от состава бетона, вида цемента и в каждом конкретном случае определяется в лаборатории опытным путем.

При заземленном стальном корпусе бункера или кузова автосамосвала расстояние от корпуса или кузова до крайнего электрода равно:

Расстояние от нижней кромки электрода до дна корпуса или кузова составляет 0,52 Вэл., м.

Площадь одного электрода ; м2,

где: п - количество электродов, принимаемое кратным 3, чтобы загрузка фаз была равномерной.

Площадь электрода принимается обычно больше расчетной по конструктивным соображениям, чтобы вся смесь с учетом угла естественного откоса находилась между электродами.

Максимальная электрическая мощность для электроразогрева бетонной смеси определяется по формуле:

; кВт

Расчетная мощность трансформатора равна:

; кВт

где: η - к.п.д. трансформатора;

cos f - коэффициент мощности трансформатора, обычно η · cos f = 0,9;

kkn - коэффициент кратковременной допустимой перегрузки трансформатора (принимается kkn = 1,3 - 1,5).

При выборе трансформатора необходимо соблюдать условие:

Рном. ≥ Ррасч.;

где: Рном. - номинальная (паспортная) мощность выбранного трансформатора, кВт.

Максимальная сила тока для выбора типа и сечения подводящих кабелей определяется по формуле:

; А

Расход электрической энергии на разогрев 1 м3 бетонной смеси ориентировочно определяется по формуле:

; кВт · ч

Объем порции бетонной смеси выбирается с учетом наличия электрической мощности, грузоподъемности крана или другого транспортного средства, допустимых габаритов площадки, времени сохранения подвижности разогретой смеси до ее укладки (τр) и определяется по формуле:

Vб = П1р - τВ); м3

где: П1 - требуемая часовая производительность, м3

τВ - продолжительность вспомогательных операций от момента окончания разогрева одной порции смеси до начала разогрева следующей.

Количество бункеров определяется по формуле:

; шт.

где: П - суточная производительность, м3/сутки;

кц - коэффициент цикличности работы (0,7);

τсм - продолжительность всех смен работы, ч;

kтр - коэффициент использования трансформатора во времени (0,6 - 0,9).

Приложение К

(обязательное)

Расчет параметров электропрогрева. Сквозной электропрогрев

Требуемая удельная мощность в период подъема температуры определяется по формуле:

; кВт/м3 бетона

где: Р1, Р2, Р3 - удельные мощности, необходимые соответственно для нагревания самого бетона, опалубки и для восполнения теплопотерь в окружающую среду, кВт/м3;

Р4 - удельная мощность, соответствующая интенсивности тепловыделения при твердении цемента, осредненно принятая равной 0,8 кВт/м3;

tи - температура изотермического прогрева бетона, °С, принимаемая по таблице К.1;

Сon - удельная теплоемкость материала опалубки или укрытия неопалубленных поверхностей, кДж/кг; °С;

γon - плотность материала опалубки или укрытия неопалубленных поверхностей, Вт/м2 °С;

Мon - модуль опалубленной поверхности, для которой показатели опалубки равны;

Con · i; γon · i; δon · i; Mon · i = Fon · i / Vб

где: Fon · i - площадь указанной поверхности, м2;

Vб - объем бетона конструкции, м3;

V - скорость подъема температуры бетона (средняя по объему конструкции), °С принимается по таблице К.2.

В формуле скорость подъема температуры опалубки приближенно принята равной половине скорости подъема температуры бетона.

Требуемую удельную тепловую мощность в период подъема температуры бетонов на пористых заполнителях можно определить по формуле:

; кВт.

Руд.р. - требуемая удельная мощность для подъема температуры бетона на плотных заполнителях, кВт/м3.

γл.б. - объемная масса легкого бетона на пористых заполнителях, кг/м3.

Таблица К.1 - Наивысшие допустимые температуры бетона при сквозном электропрогреве

Вид цемента

Марка цемента

Наивысшая температура °С для конструкций с модулями поверхности

6-9

10-15

16-20

Шлакопортландцемент

300-500

80

65

50

Пуццолановый портландцемент

300-400

80

65

50

Портландцемент

300-400

70

60

50

Быстротвердеющий портландцемент (БТЦ)

500-600

65

55

40

Примечание - Максимальная температура прогрева монолитных каркасных и рамных конструкций с жесткой заделкой узлов сопряжений и при периферийном электропрогреве конструкций с модулем поверхности менее 6 не должна превышать 40 °С.

Требуемая тепловая мощность в период изотермического прогрева бетона определяется по формуле:

Руд.м. = 1,16 × 10 КМn (tu - tн.в.); кВт/м3

Удельный расход электроэнергии определяется по формуле:

W = Руд.р. · τр + Руд.и. · τи,

где: W - расход электроэнергии, кВт · ч/м3

τр, τи - соответственно продолжительность подъема температуры и изотермического прогрева, ч

; ч

tн.б. - начальная температура после укладки и уплотнения.

По формуле Б. Г. Скрамтаева определяется продолжительность остывания бетона после электропрогрева, при этом нужно учесть следующее:

tн - максимальная температура бетона после разогрева или температура изотермического прогрева, °С;

tб.ср. - средняя температура при электропрогреве вычисляется по формуле:

; °C

По графикам рисунка Г.1 приложения Г определяется продолжительность изотермического прогрева.

Для определения электрического напряжения необходимо знать величину удельного сопротивления бетона, которое меняется в широких пределах в зависимости от электросопротивления и исходных материалов бетонной смеси. Точное определение напряжения возможно только после экспериментального определения сопротивления конкретной бетонной смеси, что при проектировании электропрогрева практически невозможно, поэтому за начальное напряжение принимается наименьшее (Umin), которое в дальнейшем может быть повышено до оптимального.

Сила тока определяется по формуле:

; А

Расстояния между пластинчатыми, нашивными полосовыми и плавающими электродами могут быть в пределах 100 ÷ 400 мм, в зависимости от толщины конструкции. Наиболее оптимальное расстояние b = 200 ÷ 300 мм.

Расстояния между стержневыми электродами зависят от густоты арматуры и находятся в пределах b = 100 ÷ 200 мм между электродами в группе при прогреве плоскими группами и b = 200 ÷ 400 - между группами; при прогреве стержневыми электродами, установленными в шахматном порядке, b = 150 ÷ 400 мм. При прогреве струнными электродами расстояние между группой электродов и металлической опалубкой и группой электродов и арматурным каркасом равно b = 200 ÷ 500 мм (см. рисунок К.1).

Рисунок К.1 - Схема размещения струнных электродов при прогреве конструкций квадратного сечения:

а) с четырьмя арматурными стержнями в углах; б) с часто расположенными арматурными стержнями в металлической форме (либо в деревянной, обитой кровельной сталью)

В - размер стороны конструкции;

D - расстояние между крайними электродами;

d1 - диаметр арматурных стержней;

d2 - диаметр электродов

Расчет периферийного электропрогрева осуществляется в том же порядке, как и сквозной.

где: Vб - объем периферийного слоя бетона, м3. При расстоянии между электродами b = 200 ÷ 250 мм толщину периферийного слоя можно принять h = 200 мм, при b = 300 ÷ 400 мм h = 300 мм.

; кВт

tu - температура прогрева бетона не должна превышать 40 °С (см. примечание к таблице К.1).

Удельный расход электроэнергии, продолжительность остывания, определение напряжения и силы тока аналогичны сквозному прогреву.

Расстояния между нашивными полосовыми и плавающими электродами в соответствии с рисунками К.2 и К.3 составляют b = 100 ÷ 400 мм. Схему размещения струнных электродов при прогреве конструкций квадратного сечения см. на рисунке К.3. Максимально допустимая скорость подъема температуры равна 5 °С/ч - при Мп более 4 и 3 °С/ч и меньше - при Мп менее 4.

Таблица К.2 - Максимально допустимая скорость подъема температуры при сквозном электропрогреве

 

Модуль поверхности

от 2 до 4

от 4 до 6

от 6 до 10

более 10

стыки

Скорость разогрева °С в ч.

5

8

10

15

20

Рисунок К.2 - Расстановка и расфазировка полосовых электродов

а) на инвентарном щите опалубке; б) на нагревательной панели;

1 - полосовые электроды; 2 - деревянный щит; 3 - провод сечением 4 мм2; 4 - гвозди; 5 - болт М8; 6 - гайка-барашек; А, В, С - электрические фазы

Рисунок К.3 - Расстановка и расфазировка электродов

а) полосовых при электропрогреве перекрытий; б) плавающих сверху и полосовых снизу; в) полосовых при электропрогреве фундаментов;

1 - нагревательные панели; 2 - полосовые электроды; 3 - деревянная опалубка; 4 - плавающие электроды диаметром 6 мм; 5 - теплоограждение; А, В, С - электрические фазы

Приложение Л

(обязательное)

Расчет параметров электрообогрева

Расчет проволочных электронагревателей производится в следующем порядке:

- по выше приведенным формулам определяется удельная мощность в кВт/м3 бетона;

- удельная мощность в кВт/м2 обогреваемой поверхности определяется по формуле:

;

где: Р1 - площадь обогреваемой поверхности элемента конструкции объемом 1 м3;

- электрическое напряжение, подаваемое на нагреватель, задается из условия обеспечения безопасности производства работ;

- шаг (a1) витков нагревателя и нагрузки на единицу длины нагревателя определяются в приложении Л по таблицам Л.1 ÷ Л.3;

- длина (l) и диаметр (d) проволоки электронагревателя определяется по формуле:

, м

, мм

где: L - длина обогреваемого нагревателем участка, м;

В - ширина обогреваемого участка, м;

β - температурный коэффициент сопротивления проволоки электронагревателя в 1 °С (приложение Л, таблица Л.4);

ρо - удельное сопротивление проволоки электронагревателя при 20 °С, , определяется в приложении Л по таблицам Л.4 и Л.5;

- полученное значение диаметра проволоки округляется до ближайшего по ГОСТу и по формуле уточняется длина проводника;

- электрический ток определяется по формуле:

; А

Расчет пластинчатых электронагревателей производится по следующей методике:

- длина определяется по формуле: , м;

- сечение ленты определяется по формуле:

; мм2

- ширина ленты определяется , мм

где: δ - толщина ленты

- сила тока равна ; А

Расчет сетчатых электронагревателей аналогичен расчету пластинчатых, за исключением определения ширины ленты, определяемой по формуле:

; мм

где: с - размер ячейки сетки, мм;

d - диаметр проволоки сетки, мм (таблица Л.6 приложения Л).

Порядок расчета трубчатых электронагревателей следующий:

- определяется удельная мощность в кВт/м3 бетона и отыскивается требуемая мощность на разогрев данной конструкции в кВт/м2 прогреваемой поверхности;

- для заданной толщины опалубки в приложении Л по таблице Л.3 определяется шаг и нагрузка на единицу длины электронагревателя;

- по таблице Л.7 в зависимости от конфигурации опалубки и нагрузки выбирается ТЭН и определяются напряжение U и сила тока I.

Таблица Л.1 - Рекомендуемый шаг (мм) и нагрузка (Вт/м) на единицу длины проволочных электронагревателей, греющих кабелей и нагревательных проводов диаметром до 6 мм, устанавливаемых в стальную опалубку (с внутренним активным слоем)

Толщина стальной палубы, мм

Удельная мощность электронагревателя Вт/м2

200

400

600

800

1000

1200

1400

2

180/36

100/40-

65/40

50/40

40/40

 

 

3

180/36

150/60

100/60

70/56

55/55

45/50

30/42

4

180/36

170/66

135/80

95/53

75/75

60/70

50/70

5

180/36

180/72

160/96

120/96

90/90

75/90

65/92

6

180/36

180/72

180/108

140/114

115/115

90/108

80/112

7

180/36

180/72

180/108

160/63

130/130

110/133

95/133

Примечания: 1. Через дробь обозначено: в числителе шаг (мм), в знаменателе нагрузка, Вт/м.

2. Значения шага приемлемы для проволочных электронагревателей, греющих кабелей и нагревательных приборов, расположенных вплотную к палубе щита. При зазоре между нагревателями и палубой шаг и нагрузку следует увеличить на 15 %.

Таблица Л.2 - Допустимые шаг и нагрузка на единицу длины проволочных электронагревателей и греющих проводов диаметром 0,4 ÷ 0,8 мм с внешним активным слоем

Удельная мощность Вт/м2

Нагрузка на единицу длины электронагревателя, Вт/мм2

Шаг проволочного электронагревателя, мм

Максимальная температура нагрева палубы, °С

700

11-15

15-20

75

600

10-15

15-25

65

500

10-15

20-30

55

400

10-14

25-35

50

300

10-12

30-40

45

200

8-10

35-40

35

Таблица Л.3 - Рекомендуемый шаг (мм) и нагрузка на единицу длины (Вт/м) трубчатых, коаксиальных, стержневых, трубчато-стержневых и уголково-стержневых электронагревателей диаметром 12-16 мм, устанавливаемых в стальную опалубки с теплоотражающим экраном

Толщина стальной палубы, мм

Удельная мощность электронагревателя, Вт/м2

600

800

1000

1200

1300

2

100/60

90/75

80/85

70/90

70/95

3

135/80

130/105

120/120

100/120

85/115

4

180/100

170/130

160/155

120/145

110/145

5

200/110

190/145

180/170

140/165

130/165

6

220/120

210/160

190/180

170/200

160/200

Примечания: 1. Через дробь обозначено: в числителе шаг (мм), в знаменателе нагрузка, Вт/м.

2. Значения шага приемлемы для электронагревателей, расположенных вплотную к палубе щита. При зазоре между нагревателями нагрузку следует увеличить на 15 %.

Таблица Л.4 - Характеристика основных проводниковых материалов для изготовления проволочных, стержневых и пластинчатых электронагревателей

Материалы

ГОСТ

Марка

Удельное сопротивление при 20 °С,

Температурный коэффициент сопротивления, 1/°С

Сталь:

 

 

 

 

углеродистая обыкновенного качества

ГОСТ 380-94

Ст.2, Ст.3

0,12-0,25

0,005

углеродистая конструкционная

ГОСТ 1050-88*

15, 20, 15Г, 20Г

0,14-0,22

0,005

трансформаторная

ГОСТ 21427.1-83*

3-34, 344-347

0,5-0,8

0,03

ГОСТ 5582-75*

1 × 13, 2 × 13

0,8-1,1

0,0008

нержавеющая

ГОСТ 4986-79*

3 × 13, 4 × 13

-

-

Латунь

ГОСТ 15527-70*

Л62, Л68

0,06-0,09

0,002

Бронза оловянно-фосфористая

ГОСТ 5017-74*

Бр. ОФ 6.5-0.15

0,06-0,09

0,002

Алюминий

ГОСТ 4784-74*

АД и АД-1

0,02-0,04

0,004

Дюралюминий

ГОСТ 4784-74*

Д6, Д16

0,05

0,058

Нихром (лента)

 

Х15Н60

1,09

0,00014

Нихром (лента)

 

Х20Н80

1,08

0,000085

Таблица Л.5 - Характеристика греющих и нагревательных проводов

Марка кабеля провода

Технические условия изготовления

Материал изоляции

Максимальное рабочее напряжение, В

Максимально допустимая рабочая температура, °С

Число и сечение жил, мм

Диаметр жилы, мм

Наружный диаметр кабеля, мм

Удельное сопротивление жилы, Ом/м

из нержавеющей стали

из никелевой

из нихрома

из оцинкованной проволоки

КНМС

ТУ 16.505.564-75

Магнезиальная изоляция

До 115

600

1 × 0,07

0,3

1,5

13,5

1,5

2,1

 

До 220

1 × 0,159

0,45

2

6,2

0,7

9,2

1 × 0,283

0,6

3

3

0,5

4,5

1 × 0,502

0,8

4

1

0,3

2,5

1 × 0,785

1

5

0,9

0,2

1,5

1 × 1,131

1,2

6

0,7

0,15

1

4 × 0,7

0,95

6

0,75

0,2

-

ПОСХВ

ТУ 16.505.524-73

Поливинилхлоридный

70

 

1 × 0,95

1,1

2,9

-

-

-

0,13-0,27

ПОСХВТ

 

Пластинчатый

105

 

1 × 1,54

1,4

2,3

-

-

-

0,17-0,35

ПОСХП

 

Полиэтилен

70

 

1 × 0,95

1,1

3,4

-

-

-

0,13-0,27

Таблица Л.6 - Сетки, рекомендуемые для использования в качестве нагревателей

Наименование сетки

Заводской номер сетки

Размер ячейки, мм

Диаметр проволоки, мм

Материал сетки

Сетка тканая, ГОСТ 6613-86*

2,5

2,5

0,5

Латунь (Л-80)

2

2

0,5

1,6

1,6

0,45

1,25

1,25

0,4

1

1

0,35

0,9

0,9

0,35

0,8

0,8

0,3

Сетка тканая, ГОСТ 3826-82*

2,5

2,5

0,4

Сталь низкоуглеродистая

Таблица Л.7 - Технические характеристики прямолинейных трубчатых электронагревателей

№ нагревателей

Номинальное сопротивление, Ом

Номинальная мощность (Р) и ток (I) в нагревателе при напряжениях, В

Расчетное предельное напряжение, В/мощность, кВт

Диаметр нагревателя, мм

Масса, кг

40

60

70

Р, Вт

I, А

Р, Вт

I, А

Р, Вт

I, А

ЭТ-44                                         lгаб. = 500 мм                                         lакт.. = 340 мм

271

80,89

19,8

0,49

51,8

0,74

60,6

0,87

127/0,2

12

0,23

623

64,47

24,9

0,62

55,8

0,93

76

1,09

127/0,25

12

0,23

470, 622

50,4

31,8

0,79

83,3

1,19

97,7

1,39

127/0,32

12

0,23

624

38,06

42,1

1,05

94,5

1,57

128,6

1,84

110/0,32

12

0,23

151

32,23

49,7

1,24

ИЗ

1,86

152

2,17

127/0,5

12

0,23

152

25,6

62,7

1,56

140

2,34

191,4

2,74

127/0,63

12

0,23

ЭТ-90                                         lгаб. = 960 мм                                         lакт. = 800 мм

285

96,92

16,5

0,41

37,2

0,62

50,6

0,72

220/0,5

12

0,47

37, 461, 640

60,44

26,5

0,66

59,6

0,99

81

1,16

220/0,8

12-13

0,63 0,47

501

50,4

31,8

0,79

71,3

1,19

97,3

1,39

127/0,32

12

0,47

177

44

36,4

0,91

81,7

1,36

111,5

1,59

220/1,1

12

0,47

176

38,73

41,4

1,04

93

1,55

127

1,81

220/1,25

12

0,47

286

32,23

49,7

1,24

113

1,86

152

2,17

127/0,5

12

0,47

641

25,6

62,7

1,56

140

2,34

191,4

2,74

127/0,63

12

0,47

455, 503, 642

20,16

79,5

1,99

179

2,98

243

3,48

127/0,8

12-13

0,47, 0,63

504

16,14

99

2,48

223

3,7

315

4,33

127/1

12

0,47

507

12,1

132,5

3,31

297

4,95

405

5,8

110/1

12

0,47

ЭТ-140                                       lгаб. = 1460 мм                                       lакт. = 1240 мм

532

121

13,2

0,33

29,7

0,495

40,5

0,58

220/0,4

12

0,73

464

80,59

19,8

0,497

44,7

0,75

60,8

0,87

220/0,6

13

0,98

657

48,35

33,1

0,83

74,5

1,24

102

1,45

220/1

12

0,73

536

40,32

39,6

0,99

89,2

1,48

121,3

1,73

127/0,4

12

0,73

535

30,26

52,8

1,32

119

1,98

162

2,3

220/1,6

12

0,73

195, 540

24,2

66,2

1,65

148,9

2,48

202,5

2,89

220/2, 110/0,5

12

0,73

196

19,36

82,6

2,06

186

3,1

253,5

3,62

220/1,5

12

0,73

659

16,14

99

2,48

223

3,7

315

4,33

127/1

12

0,73

660

12,9

124

3,1

279

4,65

380

5,42

127/1,25

12

0,73

538

10,09

159

3,97

357

5,94

487

6,95

127/1,6

12

0,73

542

9,68

165

4,14

372

6,2

506

7,23

110/1,25

12

0,73

198

8,06

198,8

4,97

437

7,45

608

8,68

127/2

12

0,73

199

7,56

210,8

5,28

476

7,94

648

9,27

110/1,6

12

0,73

Приложение М

(обязательное)

Расчет индукционного нагрева

Порядок расчета параметров индукционного нагрева следующий:

- определяется требуемая для разогрева бетона активная электрическая мощность по формуле:

Рр = Руд.р. - Vб, кВт

где: Руд.р. - удельная мощность, кВт/м3, определяется по формуле;

- определяется поверхность источников тепла (арматуры, металлической опалубки или суммы арматуры с металлической опалубкой)

P = Пs · h,

где: Пs - сумма периметров загрузки (продольной арматуры и металлической опалубки), см;

h - высота (длина) конструкции (арматуры), см;

- удельная мощность теплового источника, необходимая для нагрева по заданному режиму, определяется по формуле:

, Вт/см2,

где: F - поверхность источника тепла.

По рисунку М.1 находится требуемая напряженность магнитного поля (Н, А/см) и удельное электросопротивление стали (ρн) при этой напряженности.

Число витков n определяется по формулам:

- для цилиндрического индуктора с медным проводом

где: U - заданное электрическое напряжение, В;

Ri - радиус индуктора, см;

α - коэффициент формы индуктора определяется по графику в соответствии с рисунком М.2;

- для цилиндрического индуктора с алюминиевым проводом:

;

- для индуктора прямоугольного сечения с медным проводом:

;

- для индуктора прямоугольного сечения с алюминиевым проводом;

;

где: ai, bi - стороны опалубки, см;

Сила тока в индукторе определяется по формуле:

, А,

по найденной силе тока в приложении П по таблицам П.2 ÷ П.4 подбирается сечение провода индуктора;

определяется удельная мощность при изотермическом прогреве и далее требуемая активная электрическая мощность:

Ри = Руд.и. · Vб, кВт;                          , Вт/см2

по рисунку М.1 определяются H и ρ;

при найденном ранее п определяется напряжение U и сила тока I;

Коэффициент мощности системы определяется по формуле:

полная мощность системы:

Рисунок М.1 - Зависимость ρн и ΔР от напряженности магнитного поля Н

1 - ρн = 10 · 10-6; 2 - ρн = 20 · 10-6; 3 - ρн = 30 · 10-6 Ом

Рисунок М.2 - Коэффициент формы индуктора m в зависимости от отношения высоты индуктора hi к его радиусу Ri

Приложение Н

(обязательное)

Расчет обогрева инфракрасными лучами

Порядок расчета обогрева инфракрасными лучами следующий: требуемая мощность на разогрев определяется по формуле:

где: Fн - площадь поверхностей, воспринимающих инфракрасное излучение, м2;

αр - коэффициент теплоотдачи излучением, Вт/м2 · °С;

αк - коэффициент теплоотдачи конвекции, Вт/м2 · °С;

Fот, Fон - площадь, соответственно открытой и опалубленной поверхностей конструкции, м2.

Мощность, требуемая на период изотермического прогрева, определяется по формуле:

Рп = [(αл + αк) · Fcm + к · Fon] · (tu - tн.в.) - Цд - Vб

Требуемая энергетическая освещенность на стадии подъема температуры определяется по формуле:

где: ε - степень черноты поверхностей, воспринимающих инфракрасное излучение, определяется по таблице Н.1.

Освещенность на стадии изотермического прогрева определяется по формуле:

Мощность инфракрасной установки рассчитывается по формуле:

;

где: f - коэффициент облученности, определяется по таблице Н.2.

Далее возможны два варианта расчета:

1. Зная требуемую энергетическую освещенность на поверхности нагрева Е, площадь этой поверхности Fн, задаются типом инфракрасных излучателей и их количеством, затем суммированием мощностей отдельных излучателей устанавливается общая мощность инфракрасной установки Wy и определяется допустимое значение коэффициента облученности f в соответствии с которым по таблице Н.2 подбирают необходимые значения геометрических параметров установки: расстояние между излучателями, между излучателями и отражающей поверхностью, между излучателями и поверхностью нагрева и т.д.

2. Задаются геометрическими параметрами установки, определяется коэффициент облученности в системе f и по определенным f1, P2 и Fн рассчитывается необходимая мощность инфракрасной установки Wт.

Таблица Н.1 - Степень черноты полного нормального излучения некоторых материалов

Наименование материалов

Температура, 0 °С

Степень черноты

Алюминий:

 

 

полированный

50-500

0,04-0,06

сильно окисленный

50-500

0,2-0,3

Бетон

20-100

0,65-0,85

Вода (слой толщиной более 0,1 мм)

0-100

0,95-0,98

Вольфрам

200

0,05

Древесина

20

0,7-0,8

Железо:

 

 

полированное

400-1000

0,14-0,38

окисленное

100

0,74

то же

125-525

0,78-0,82

листовое, оцинкованное, блестящее

30

0,23

листовое, оцинкованное, окисленное

20

0,28

Жесть белая старая

20

0,28

Керамзитобетон

20-150

0,7-0,9

Краски:

 

 

алюминиевые различной давности

100

0,3-0,35

масляные различных цветов

100

0,92-0,96

Лак черный матовый

40-100

0,96-0,98

Лед гладкий

0

0,97

Нихромовая проволока окисленная

50-500

0,95-0,98

Снег

-

0,8

Сталь:

 

 

листовая шлифованная

950-1100

0,55-0,61

с шероховатой плоской поверхностью

50

0,95-0,98

сильно окисленная

50-500

0,88-0,98

Таблица Н.2 - Зависимость коэффициента облученности f от схемы прогрева

№ п/п

Взаимное расположение и форма поверхностей

Значение коэффициента f

1.

Бесконечные параллельные плоскости

f1-2 = f2-1 = 1

2.

Поверхности образуют защитную систему

а) одна из поверхностей вогнутая

б) одно тело внутри другого тела

f1-2 = 1; f2-1 =

3.

Бесконечные параллельные полосы

a1/h

Значение f1-2 при a2/h

0,1

1

5

10

50

100

500

1000

0,1

0,05

0,45

0,935

1

1

1

1

1

1

0,045

0,414

0,926

0,98

1

1

1

1

5

0,015

0,185

0,82

0,947

0,999

1

1

1

10

0,01

0,098

0,487

0,905

0,998

1

1

1

50

0,002

0,032

0,099

0,199

0,975

0,995

1

1

100

0,000

0,01

0,054

0,102

0,508

0,985

0,999

1

500

0,000

0,005

0,01

0,021

0,107

0,23

0,998

1

1000

0,000

0,001

0,005

0,01

0,05

0,105

0,5

0,999

a2/h

0,1

1

5

10

50

100

500

1000

Значение f2-1 при a1/h

4.

Два одинаковых прямоугольника, расположенных в параллельных плоскостях друг против друга

a1/h

Значение f при a2/h

0,1

1

5

10

50

100

500

1000

0,1

0,000

0,013

0,032

0,034

0,041

0,048

0,049

0,049

1

0,015

0,195

0,358

0,388

0,411

0,412

0,413

0,414

5

0,032

0,299

0,564

0,793

0,8

0,815

0,818

0,819

10

0,04

0,385

0,729

0,812

0,882

0,895

0,9

0,905

50

0,044

0,469

0,813

0,886

0,959

0,963

0,977

0,98

100

0,045

0,6

0,815

0,893

0,967

0,972

0,98

0,985

500

0,046

0,681

0,818

0,9

0,974

0,983

0,993

0,998

1000

0,05

0,707

0,82

0,905

0,98

0,99

0,998

0,999

5.

Неограниченная плоскость (1) и ряд трубчатых излучателей в параллельной плоскости

S/d

1

2

5

10

20

50

f1-2

1

0,656

0,293

0,151

0,077

0,31

f2-1

0,318

0,417

0,466

0,48

0,482

0,49

Приложение П

(обязательное)

Расчет количества электрооборудования и материалов при электротермообработке бетона монолитных конструкций

Таблица П.1 - Расчет количества электрооборудования и материалов при электротермообработке бетона монолитных конструкций

№ п/п

Наименование

Метод электротермообработки бетона

Ед. изм.

Формула расчета

Примечание

1.

Комплектная трансформаторная подстанция КТП-63-ОБ напряжением 380/121-49В мощностью 63 кВА с установленным в ней масляным трансформатором ТМОБ-63 или применяемый отдельно трансформатор со ступенчатым или плавным переключением напряжения (см. таблицу П.5)

Электропрогрев. Контактный электрообогрев. Инфракрасный обогрев

Индукционный нагрев

шт.

Nктп = ,

где Р - общая мощность, потребная на электротермообработку, кВА

Nтр = ,

где Pтр - паспортная мощность трансформатора, кВА,

N - количество, шт.

При применении трансформатора инвентарное распределительное устройство ИРУ-2 дополняется измерительными приборами: амперметром и вольтметром.

2.

Ящик с трехполюсным рубильником на 100А и предохранителями ПН-2 с плавкими вставками на 100А типа ЯРВМ-6123

-«-

шт.

Nярвм = ,

 

3.

Инвентарное компенсирующее устройство типа АИКУ-75

Индукционный нагрев

шт.

Nанку = ,

мощность и емкость конденсаторной батареи приняты по расчету компенсации реактивной мощности

 

4.

Инвентарное распределительное устройство для приема и распределения электрической энергии на две отходящие линии ИРУ-2

Электропрогрев

Контактный электрообогрев

Инфракрасный обогрев

Индукционный нагрев

шт.

При 200 А ≥ Iгр

100 А

,

где: Iтр максимальная сила тока вторичной обмотки трансформатора,

Iгр. - сила тока I трехфазной группы электродов, электронагревателей, излучателей или индукторов, при Iгр. ≤ 100 А

При этом должны выполняться следующие условия:

и на одно подключение к ИРУ-2 можно подсоединить не более 3 трехфазных групп. Если

то вводятся дополнительные распределительные устройства (см. п. 5) между нагрузкой и ИРУ-2 и принимается

Если дроби  и  не равны целым числам, то округляются до большего числа

5.

Распределительное устройство со штепсельными соединениями на 6 групп служит для распределения электрической энергии от нагрузки (электродов, индукторов и т.д.) к ИРУ-2

Электропрогрев

Электрообогрев

Инфракрасный обогрев

Индукционный нагрев

шт.

Можно применять ИРУ-2, подключая по 3 трехфазных группы на одно подключение

6.

Кабель КРПТ от источника питания трансформаторов

То же

м

Длина кабеля определяется по проекту электроснабжения стройплощадки. При отсутствии данных условно принимается равной

Сечение кабеля зависит от мощности выбранного трансформатора и определяется по таблицам П2 ÷ П.4

7.

Кабель КРПТ от трансформатора до ИРУ-2

-«-

м

-«-

-«-

8.

Провод марки АПР сечением 35 мм2 от ИРУ-2 до распределительных устройств

Электропрогрев

м

При двухстороннем сквозном электропрогреве стен, балок, монолитных участков и поясов нашивными электродами

При одностороннем сквозном электропрогреве монолитных конструкций нашивными и плавающими электродами

При сквозном электропрогреве стержневыми электродами

При двустороннем периферийном электропрогреве стен, балок, монолитных участков и поясов

При одностороннем периферийном и комбинированном электропрогреве монолитных конструкций

Pуд.1 - удельная мощность на разогрев при сквозном электропрогреве, кВт/м3 бетона; Pуд.2 - удельная мощность на разогрев при периферийном и комбинированном электропрогревах, кВт/м2 прогреваемой поверхности; h - толщина конструкции, м; lэ - длина рабочей части электрода, м; аэ - расстояние между электродами, подключенными на разные фазы, Х1 - кратчайшее расстояние от условной линии, на которой расположены распределительные устройства до ИРУ-2

Для колонн и отдельно стоящих небольших фундаментов длина провода подсчитывается по плану колонн или фундаментов в каждом отдельном случае

При отсутствии данных принимается Х1 = 3 м

 

 

Контактный электрообогрев при Iгр = 20 А

шт.

При двухстороннем прогреве

При одностороннем прогреве

где Руд.3 - удельная мощность на разогрев, кВт/м2 прогреваемой поверхности; Вн - ширина прогреваемой поверхности электронагревателями, излучателями и т.д. (нагреватели последовательно соединены по длинам ан)

 

 

Групповые провода марки АПР сечением 6 мм2 от электродов до распределительных устройств

Электропрогрев

м

При Iгр = 15-20 А при сквозном двухстороннем электрообогреве стен, балок, монолитных участков и поясов

При одностороннем сквозном электропрогреве монолитных конструкций нашивными и плавающими электродами

При сквозном электропрогреве стержневыми электродами

При двухстороннем периферийном электропрогреве стен, балок, монолитных участков и поясов

При одностороннем периферийном электропрогреве монолитных конструкций

Для колонн и отдельно стоящих небольших фундаментов длина провода подсчитывается по плану колонн или фундаментов в каждом отдельном случае

При отсутствии данных принимается Х2 = 1 м

 

Групповые провода марки АПР сечением 6 мм от электронагревателей, излучателей до распределительных устройств

Контактный электрообогрев

Инфракрасный обогрев

м

При Iгр = 15-20 А

 

9.

Групповые провода марки АПР от нагрузки

Контактный электрообогрев

Инфракрасный обогрев

Индукционный нагрев

м

При Iгр = 40-100 А

При Iгр = 200 А

где Ргр - мощность трехфазной группы излучателей, электронагревателей, кВт.

Сечение провода подбирается по таблицам П.2 ÷ П.4

 

10.

Перемычки между электродами. Провод марки АПР сечением 4 мм2

Электропрогрев

м

При одностороннем сквозном электропрогреве плавающими и нашивными электродами

То же, при двухстороннем электропрогреве

При сквозном электропрогреве стержневыми электродами, соединенными рядами

То же, соединенными в шахматном порядке (аэ = вэ)

При периферийном и комбинированном электропрогревах

где Вэ - расстояние между двумя рядовыми электродами, соединенными перемычками

 

11.

Утепление верхней поверхности

Электропрогрев

м2

При сквозном электропрогреве

При подсчете для стен h - высота конструкции

м3

, где

h1 - толщина утепления

12.

Электроды. Количество плавающих или нашивных электродов

Электропрогрев

шт.

При одностороннем сквозном электропрогреве нашивными или плавающими электродами

То же, при двустороннем сквозном электропрогреве

При сквозном электропрогреве стержневыми электродами

При периферийном и комбинированном электропрогреве

 

Общая длина электродов

м

Плавающих или нашивных при одностороннем сквозном электропрогреве

То же, при двухстороннем сквозном электропрогреве

Стержневых электродов при сквозном электропрогреве

Нашивных и плавающих электродов при периферийном и комбинированном электропрогревах

 

Общая масса электродов

кг

При одностороннем сквозном электропрогреве нашивными или плавающими электродами

То же, при двустороннем электропрогреве

При сквозном электропрогреве стержневыми электродами

При периферийном электропрогреве

где р - масса 1 м электрода, выпускаемого из бетона для подключения к электрической сети

 

13.

Нагревательные панели. Количество панелей размерами 1 × 0,75 × 0,04 м

 

шт.

При сквозном электропрогреве

 или

 

14.

То же, размерами 1 × 1 × 0,04

 

шт.

При периферийном или комбинированном прогревах

 или

 

Таблица П.2 - Провода с алюминиевыми и медными жилами с резиновой или полихлорвиниловой изоляцией

Сечение токопроводящей жилы, мм2

Нагрузка, А жилы

Сечение токопроводящей жилы, мм2

Нагрузка, А жилы

алюминиевая

медная

алюминиевая

медная

2,5

24

-

35

130

170

4

32

41

50

165

215

6

39

50

70

210

270

10

60

80

95

255

330

16

75

100

120

295

385

25

105

140

150

340

440

185

390

510

Таблица П.3 - Кабели переносные шланговые тяжелые (марки КРПТ)

Сечение токопроводящей жилы, мм2

Нагрузка, А, провода и кабели

одножильный

двухжильный

трехжильный

2,5

40

33

28

4

50

43

36

6

65

55

45

10

90

75

60

16

120

95

80

25

160

125

105

35

190

150

130

50

235

185

160

70

290

235

200

Таблица П.4 - Поправочные коэффициенты для токовых нагрузок на изолированные провода и кабели в зависимости от температуры воздуха

Характеристика проводов

Поправочные коэффициенты, при температуре воздуха, °С

-10

-5

0

5

10

Провода и кабели с резиновой или полихлорвиниловой изоляцией марок АПР, КРПТ

1,47

1,41

1,35

1,29

1,23

Таблица П.5 - Технические характеристики трансформаторов

Марка трансформатора

Мощность, кВА

Напряжение, В

Сила тока, А

Масса, кг

Габаритные размеры, мм

первичное

вторичное

первичная

вторичная

ТСПК-20А

20

380, 220

12, 6, 22, 38, 48, 62, 101

-

480, 320, 240, 160, 120

260

775 × 775 × 740

ТМОА-50

50

380

49, 60, 70, 85, 103, 121

76, 65, 53

239, 418

473

980 × 930 × 1232

ТМОБ-63

63

380

49, 60, 70, 85, 103, 121

96, 82, 69

301, 520

900

1150 × 1200 × 890

ТМО-50/10

50

380, 220

50, 61, 87, 106

131, 76

670, 470, 320, 270

890

1450 × 1290 × 890

ТМ-75/6

50

380, 220

50, 61, 87, 106

131, 76

572, 470, 330, 272

650

1050 × 1290 × 740

Примечания. 1. Все трансформаторы трехфазные. ТСПК-20А с воздушным охлаждением, остальные - с масляным.

2. Трансформаторы ТМОБ-63 выпускаются также в виде комплектной подстанции КТП-63-ОБ со шкафом управления на общих салазках. В таблице указаны габаритные размеры КТП-63-ОБ.

3. Величины вторичного тока даны для температуры окружающего воздуха 25 °С.

Приложение Р

(информационное)

Некоторые организационно-технические мероприятия по совершенствованию бетонных и железобетонных работ.

1 В настоящее время в застройке Москвы прочно доминирует тенденция к максимальному применению сборного железобетона, являющегося сегодня основой индустриализации строительства.

Однако и объем применения монолитного бетона и железобетона на объектах Московского строительного комплекса в последние годы постоянно увеличивается.

2 Монолитный железобетон применяется главным образом для различных фундаментов, а также конструкций, обеспечивающих пространственную жесткость сборных зданий, т.е. узлов замоноличивания, ядер жесткости, стен и диафрагм жесткости, отдельных участков перекрытий и т.д.

3 В настоящее время доставка бетона осуществляется с помощью автосамосвалов, автобетоновозов и автобетоносмесителей.

Чтобы избежать ряда недостатков, возникающих при перевозке бетона автосамосвалами (утечка смеси, расслоение смеси, невозможность транспортировки в холодное время года и т.д.), строительные организации перешли к использованию автобетоновозов (для перевозки смеси на небольшие расстояния) и автобетоносмесителей (для перевозки готовой бетонной смеси с ее побуждением или для приготовления бетона из сухих смесей непосредственно в пути).

Внедрение автобетоновозов взамен автосамосвалов обеспечивает:

- частичную ликвидацию потерь бетона;

- сокращение времени маневрирования при разгрузке;

- ликвидацию ручного труда и высвобождение дополнительной рабочей силы.

Необходимость замены автобетоновозов автобетоносмесителями вызвана тем, что при перевозке бетона последними сохраняется качество бетона, исключаются потери бетона при доставке его на строительные площадки.

Выработка одного автобетоносмесителя в год при количестве ездок в день:

 ездки

Р = 3,5 · 4 · 264 = 3696 м3/год

Тогда для обеспечения ритмичной работы строителей количество автобетоносмесителей на выходе с учетом технического обслуживания подсчитывается по формуле:

, где Vб - предполагаемый объем укладываемого бетона в год.

4 Основная часть товарной арматуры производится и перерабатывается на производственных комбинатах и небольших мастерских общестроительных подразделений или непосредственно на строительных площадках с большими затратами труда и высокой стоимостью продукции.

На стройплощадки арматура должна поступать в максимально укрупненных монтажных единицах.

5 В настоящее время на стройках Московского строительного комплекса еще недостаточно применяют опалубку конструкции Мосспецпромпроекта и она мало удовлетворяет потребности и требованиям к ней строителей. Трудоемкость работ по устройству и разборке опалубки составляет около 20 % общей трудоемкости по возведению монолитных конструкций.

При наличии недостатков в отечественной опалубке широкое применение находит опалубка, изготовленная в других странах либо по закупленной лицензии на наших заводах. К ним относятся опалубки фирм «Дока», «Мева», «Пери» и некоторые другие. Однако при наличии собственной производственной базы и материалов при решении вопросов использования той или иной опалубки необходимо принимать экономически выгодный вариант: использование опалубки зарубежных фирм либо изготовление отечественной опалубки. Интенсивная эксплуатация опалубки возможна только при изготовлении ее в стационарных условиях и организации правильного ее учета и хранения.

6 В целях упорядочения применения монолитного бетона и железобетона и широкого его внедрения в прогрессивных индустриальных конструкциях на объектах строительства для зданий повышенной этажности с большими нагрузками промышленного и гражданского назначения необходимо предусмотреть:

- устройство набивных свай типа «Беното»;

- устройство завинчивающихся и буросекущих свай;

- сооружение ядер, стен и диафрагм для обеспечения пространственной жесткости рамно-связевых систем в сборных каркасно-панельных зданиях.

7 Для снижения трудоемкости, повышения индустриальности и качества опалубочных работ необходимо:

7.1 Осуществить окончательный переход на применение инвентарной многооборачиваемой, экономичной опалубки.

7.2 При разработке технологии проектируемого арматурно-опалубочного завода обеспечить централизованное изготовление всей инвентарной унифицированной опалубки, а именно:

унифицированной металлической и деревометаллической опалубки;

металлической объемно-переставной опалубки;

универсальных металлических блок-форм и щитов.

Целесообразность использования различных типов опалубки зарубежного изготовления должна быть подтверждена технико-экономическими расчетами.

7.3 При устройстве междуэтажных перекрытий с большими динамическими нагрузками, где требуется бетонирование большого количества некратных мест и монолитных участков, предусмотреть их выполнение полностью в монолитном железобетоне с использованием преднапряженной арматуры.

7.4 При строительстве зданий с индустриальным планировочным решением и свободным шагом колонн, возводимых в стесненных городских условиях, предусмотреть применение метода подъема монолитных железобетонных перекрытий (этажей) либо выдвижения этажей.

При возведении зданий и сооружений общественного назначения (спортивные сооружения, гаражи и т.д.) применять монолитный железобетон для опорных элементов (колец, балок и др.) большепролетных покрытий в виде сводов, оболочек и мембран.

8 В целях повышения индустриальности производства работ отказаться от применения, монолитного железобетона:

- для встроенных помещений первых этажей и подвалов;

- для бетонных подготовок в тех случаях, когда их выполнение сдерживает устройство большого количества инженерных коммуникаций, укладываемых на подготовку.

9 Предусмотреть выполнение из монолитного железобетона архитектурных элементов для придания разнообразия и эстетической выразительности монументальным общественным зданиям.

10 Внедрить комплексную механизацию всех процессов, начиная от приготовления полуфабрикатов, их транспортировки и укладки в дело.

11 Создать специализированное строительное управление, которое будет выполнять определенную часть годового объема работ по монолитному железобетону для промышленного и гражданского строительства.

Структура строительного управления определяется, исходя из структуры работ, функциональной и технологической обусловленности, входящих в состав работ процессов и операций и принятой для их осуществления технологии и методов производства работ.

При этом учитывается необходимость разделения и специализации процессов между структурными звеньями как основы высокопроизводительной и эффективной работы.

Исходя из этого, в составе строительного управления следует создать участки, специализирующиеся по видам работ и располагающие звеньями, специализирующимися по составляющим процессам:

- участок по монтажу сборных и сборно-монолитных железобетонных конструкций;

- участок бетонных работ;

- участок арматурно-опалубочных работ.

В последующем, после накопления необходимого опыта, предполагается организовать специализированную организацию - трест-фирму.

Трест-фирма должна осуществлять все основные виды работ в монолитном железобетоне для строительства уникальных объектов и объектов промышленного назначения в Москве и области.

Для производства работ при тресте-фирме создается производственная база в составе централизованного бетонного и арматурно-опалубочного заводов, а также базы механизации и транспорта.

В целях повышения технического уровня выполнения монолитных работ, индустриализации и централизации изготовления арматуры и опалубки необходимо создание арматурно-опалубочного завода.

Примерная годовая мощность и номенклатура завода должны составлять:

- арматура                                                                       61,7 тыс.т

- закладные детали (5 % от всей арматуры)               3,1 тыс.т

- технологическая оснастка                                         3,1 тыс.т

- инвентарная опалубка                                                104,4 тыс.м2

Особое внимание должно быть обращено к подбору технологического оборудования с тем, чтобы обеспечить возможность изготовления на нем крупноразмерных объемных элементов.

На заводе следует предусмотреть не только производство опалубки, но и ее ремонт, комплектацию на конкретные строительные объекты. Производство арматурных сеток и каркасов (в том числе пространственных), закладных деталей, инвентарной опалубки и другой технологической оснастки предполагается осуществить на высокопроизводительных технологических линиях, оснащенных современным отечественным и импортным оборудованием.

Приложение С

(информационное)

Перечень технологических карт по бетонированию конструкций

1. Технологическая карта на устройство сооружений ГО из монолитного железобетона. ОАО ПКТИпромстрой, 1994.

2. Операционно-технологическая карта на устройство монолитных бетонных полов методом вакуумирования. ОАО ПКТИпромстрой, 1994.

3. Технологическая карта по инфракрасному обогреву бетона монолитных конструкций. ОАО ПКТИпромстрой, 1998.

4. Технологическая карта на электротермообработку бетона при замоноличивании стыков сборных железобетонных конструкций. ОАО ПКТИпромстрой, 1997.

5. Технологическая карта на электрообогрев проволочными и пластинчатыми нагревателями монолитных конструкций. ОАО ПКТИпромстрой, 1997.

6. Технологическая карта на электрообогрев нагревательными проводами монолитных конструкций. ОАО ПКТИпромстрой, 1997.

7. Технологическая карта на выдерживание бетона методом «термоса». ОАО ПКТИпромстрой, 1998.

8. Технологическая карта на электрообогрев цементной стяжки под полы и кровлю. ОАО ПКТИпромстрой, 1998.

9. Технологическая карта на индукционный прогрев монолитных конструкций. ОАО ПКТИпромстрой, 1997.

10. Технологическая карта на электродный прогрев конструкций из монолитного бетона. ОАО ПКТИпромстрой, 1997.

11. Технологическая карта на электрообогрев монолитных конструкций греющей опалубкой с трубчатыми электронагревателями. ОАО ПКТИпромстрой, 1998.

12. Технологическая карта на бетонирование монолитных конструкций с использованием противоморозных добавок. ОАО ПКТИпромстрой, 1998.

13. Технологическая карта на обогрев монолитных железобетонных конструкций теплогенераторами на жидком топливе. ОАО ПКТИпромстрой, 1998.

14. Технологическая карта на конвективно-лучевой обогрев монолитных железобетонных конструкций с помощью панельно-линейных переносных электронагревателей. ОАО ПКТИпромстрой, 1998.

15. Технологическая карта на укладку бетонной смеси в перекрытие с помощью автобетононасоса. ОАО ПКТИпромстрой, 1999.

16. Технологическая карта на устройство несущей «стены в грунте» из монолитного железобетона. ОАО ПКТИпромстрой, 1999.

Список литературы

1.      Действующие нормативные материалы и инструкции. Приложение А.

2.      Баженов Ю. М., Комар А. Г. Технология бетонных и железобетонных изделий. М.; Стройиздат, 1984.

3.      Монолитные бетонные и железобетонные работы при строительстве сборных многоэтажных производственных зданий (Рекомендации по технологии работ). Изд. «Московский рабочий», 1973.

4.      Неразрушающие методы испытания бетона. М., Стройиздат, 1985.

5.      Рекомендации по применению опалубки «NOE» (Германия), Главмоспромстрой, М., 1986.

6.      Инструкция по транспортировке и укладке бетонной смеси в монолитные конструкции с помощью автобетоносмесителей и автобетононасосов. ПКТИпромстрой, 1995.

7.      Рекомендации по применению специальных химических добавок для управления физико-механическими и технологическими свойствами бетонов и растворов. ПКТИпромстрой, 1984.

8.      Руководство по подбору составов тяжелого бетона. М., Стройиздат, 1977.

9.      Руководство по производству арматурных работ. М., Стройиздат, 1977.

10.    Технологические карты по бетонированию конструкций - приложение С.

Состав авторского коллектива

В разработке, корректировке и издании «Рекомендаций по технологии возведения конструкций из монолитного бетона и железобетона» (2-я редакция) принимали участие сотрудники ОАО ПКТИпромстрой:

Генеральный директор, к.т.н. Едличка С. Ю.

Главный инженер Колобов А. В.

Зам. генерального директора, к.т.н. Шахпаронов В. В.

Зам. генерального директора, к.т.н. Филипенко Н. Н.

Начальник технического отдела Бычковский Б. И.

Директор БВИТ Обухова Л. В.

Зав. сектором Покровская Е. В.

Ведущий инженер Савина О. А.

Инженер Уханова Е. Б.

СОДЕРЖАНИЕ

Введение. 1

1 Общие положения. 2

2 Технические характеристики опалубочных систем и опалубочные работы.. 2

2.1 Общие указания. 2

2.2 Опалубочные системы фирмы «ПЕРИ» (Германия) 4

2.3 Опалубочные системы фирмы «Мева» (Германия) 16

2.4 Опалубка фирмы «Далли» (Германия) 20

2.5 Опалубочные системы фирмы «Doka» (Германия) 22

2.6 Несъемная опалубка. 34

2.7 Термоактивная опалубка. 35

2.8 Опалубка Русская. 37

2.9 Алюминиевая опалубка стен и перекрытий. 39

2.10 Опалубка для бетонирования вертикальных стыков. 40

2.11 Комплектная опалубка НОЕ. 41

2.12 Модульная облегченная опалубка «Оргтехстрой». 41

2.13 Общие требования к устройству опалубки, средствам подмащивания и производству опалубочных работ. 42

3 Арматурные работы.. 46

3.1 Общие требования к арматурным работам на строительных площадках. 46

3.2 Армирование отдельными стержнями. 47

3.3 Армирование сетками и плоскими каркасами. 48

3.4 Армирование блоками и пространственными каркасами. 50

3.5 Армирование сетками и каркасами, изготовленными в передвижной мастерской на строительной площадке. 53

3.6 Сварочные работы.. 53

4. Укладка бетонных смесей. 62

4.1. Общие положения по производству работ. 62

4.2. Требования к бетонной смеси и ее составляющим.. 62

4.3 Применение сухих смесей. 64

4.4 Применение бетонных смесей с пластифицирующими добавками в комплексе с ускорителями твердения. 65

4.5 Противоморозные добавки. 67

4.6 Доставка бетонных смесей на объект. 69

4.7 Транспортирование бетонной смеси в пределах объекта. Подача и распределение бетонной смеси бункерами-сигарами. 70

4.8 Подача и распределение бетонной смеси автобетононасосами. 71

4.9 Уплотнение бетонной смеси. 72

4.10 Устройство набрызг-бетона и работы по торкретированию.. 73

4.11 Выдерживание бетона и уход за ним.. 74

5 Производство работ в зимних условиях. 75

5.1 Производство бетонных работ в зимних условиях и рекомендации по выбору рационального способа бетонирования. 75

5.2 Выдерживание бетона методом «термоса». 79

5.3 Обогрев конструкций инфракрасными лучами. 83

5.4 Электродный прогрев монолитных конструкций. 84

5.5 Электрообогрев бетона. 85

5.6 Индукционный нагрев монолитных конструкций. 87

5.7 Обогрев монолитных конструкций теплогенераторами на жидком топливе. 88

5.8 Конвективно-лучевой обогрев монолитных конструкций. 89

6 Техника безопасности. 89

6.1 Общие положения. 89

6.2 Опалубочные работы.. 90

6.3 Арматурные работы.. 91

6.4 Укладка бетона. 92

6.5 Бетонные работы в зимних условиях. 92

6.6 Противопожарные мероприятия. 94

6.7 Охрана труда. 95

6.8 Охрана окружающей среды.. 96

7 Технологические примеры производства работ по возведению монолитных бетонных и железобетонных конструкций зданий и сооружений. 96

7.1 Устройство фундаментов и фундаментных плит. 97

7.2 Бетонирование колонн. 101

7.3 Бетонирование плит перекрытий с применением профнастила в качестве несъемной опалубки и несущей арматуры. Набетонка перекрытий. 103

7.4 Устройство полов с применением вакуумирования. 106

7.5 Бетонирование ядер жесткости. 110

7.6 Возведение стен и перегородок. 113

7.7 Строительство емкостных сооружений. 116

7.8 Замоноличивание стыков сборных железобетонных конструкций. 119

7.9 Бетонирование дорог и площадок. 120

7.10 Перечень оборудования, ручных машин, инструмента, приспособлений, оснастки и инвентаря для производства монолитных бетонных и железобетонных работ. 123

8. Контроль качества и приемка бетонных и железобетонных работ. 139

8.1 Общие положения. 139

8.2 Опалубочные работы.. 139

8.3 Арматурные работы.. 141

8.4. Укладка бетонных смесей. 143

Приложение А. Действующие нормативные материалы и инструкции. 146

Приложение Б. Требования к материалам и бетонным смесям, перекачиваемым по трубопроводу. 148

Приложение В. Основные технические характеристики. 149

Приложение Г. Расчет основных параметров при выдерживании бетона способом термоса. 156

Приложение Д. Ориентировочное время оттаивания и отогрева оснований нормальной влажности до температуры на поверхности 5...10 °С.. 159

Приложение Е. Расход энергоресурсов в натуральных показателях. 159

Приложение Ж. Допустимая разность температуры бетона и наружного воздуха при распалубке конструкций, к которым предъявляются специальные требования по трещиностойкости. 159

Приложение И. Расчет параметров предварительного электроразогрева бетонной смеси. 160

Приложение К. Расчет параметров электропрогрева. Сквозной электропрогрев. 161

Приложение Л. Расчет параметров электрообогрева. 165

Приложение М. Расчет индукционного нагрева. 169

Приложение Н. Расчет обогрева инфракрасными лучами. 170

Приложение П. Расчет количества электрооборудования и материалов при электротермообработке бетона монолитных конструкций. 173

Приложение Р. Некоторые организационно-технические мероприятия по совершенствованию бетонных и железобетонных работ. 178

Приложение С. Перечень технологических карт по бетонированию конструкций. 180

Список литературы.. 181

Состав авторского коллектива. 181

 



© 2013 Ёшкин Кот :-)