Скачать Серия 1.831.9-4 Выпуск 0. Материалы для проектированияДата актуализации: 10.08.2017 Серия 1.831.9-4
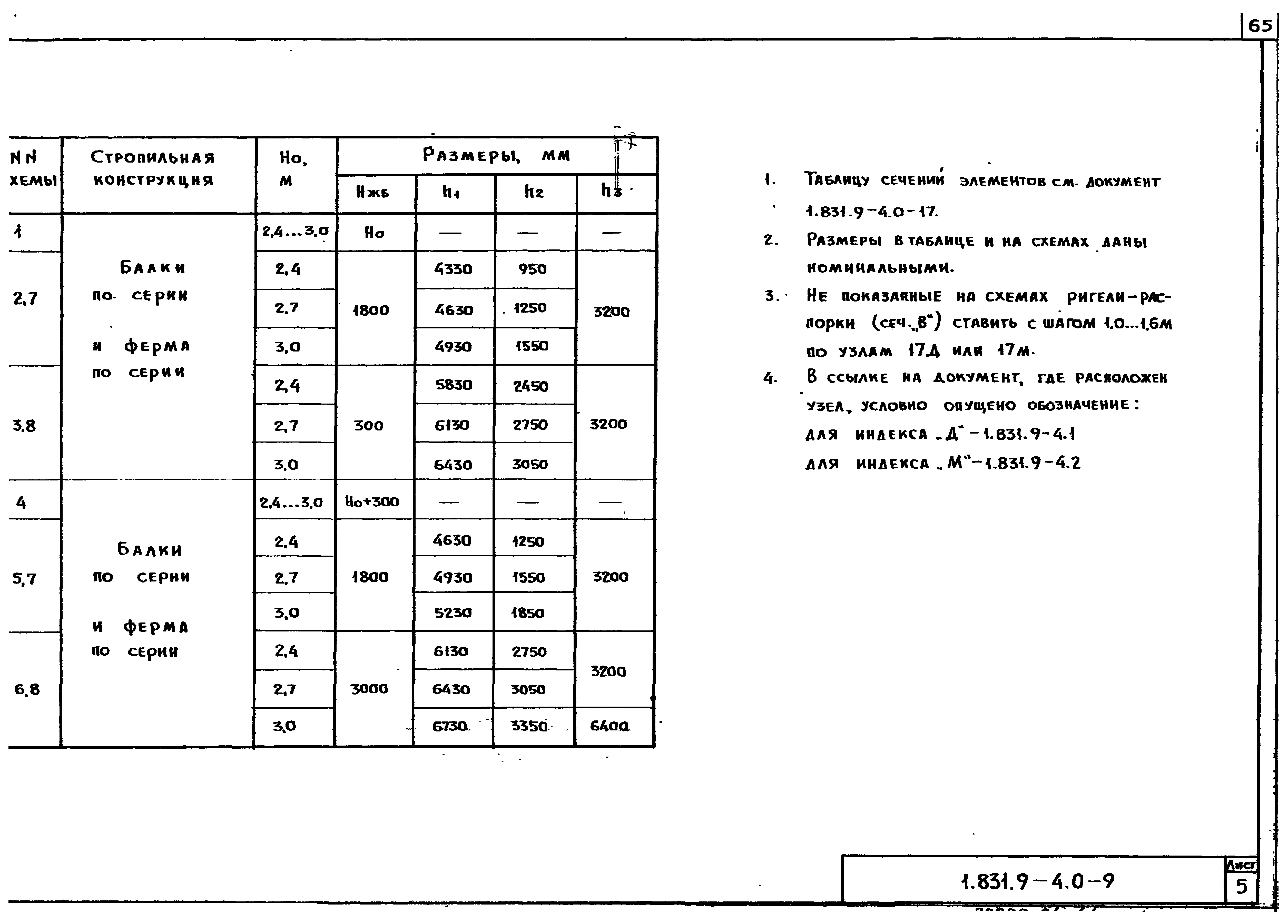
Выпуск 0. Материалы для проектирования| Обозначение: | Серия 1.831.9-4 | | Обозначение англ: | Series 1.831.9-4 | | Статус: | не определен законодательством | | Название рус.: | Выпуск 0. Материалы для проектирования | | Дата добавления в базу: | 01.09.2013 | | Дата актуализации: | 05.05.2017 | | Дата введения: | 15.01.1992 | | Область применения: | Настоящая серия содержит рабочие чертежи перегородок каркасных поэлементной сборки с различными видами обшивок для зданий сельскохозяйственных предприятий | | Оглавление: | 1.831.9-4.0-ПЗ Пояснительная записка 1.831.9-4.0-1 Пример решения поперечных перегородок с обшивкой из ЦСП или ДВП для зданий шириной 12 м 1.831.9-4.0-2 Пример решения поперечных перегородок с обшивкой из асбестоцементных листов для зданий шириной 12 м 1.831.9-4.0-3 Пример решения поперечных перегородок с обшивкой из ЦСП или ДВП для зданий пролетом 18 м 1.831.9-4.0-4 Пример решения поперечных перегородок с обшивкой из асбестоцементных листов для зданий пролетом 18 м 1.831.9-4.0-5 Пример решения поперечных перегородок с обшивкой из ЦСП или ДВП для зданий шириной 21 м 1.831.9-4.0-6 Пример решения поперечных перегородок с обшивкой из асбестоцементных листов для зданий шириной 21 м 1.831.9-4.0-7 Пример решения поперечных перегородок с обшивкой из ЦСП или ДВП для зданий шириной 24 м 1.831.9-4.0-8 Пример решения поперечных перегородок с обшивкой из асбестоцементных листов для зданий шириной 24 м 1.831.9-4.0-9 Пример решения поперечных перегородок с обшивкой из ЦСП или ДВП для зданий шириной 27 м 1.831.9-4.0-10 Пример решения поперечных перегородок с обшивкой из асбестоцементных листов для зданий шириной 27 м 1.831.9-4.0-11 Пример решения продольных перегородок с обшивкой из ЦСП или ДВП 1.831.9-4.0-12 Пример решения продольных перегородок с обшивкой из асбестоцементных листов 1.831.9-4.0-13 Пример решения поперечных перегородок с обшивкой из ЦСП или ДВП для зданий с металлодеревянными стропильными конструкциями 1.831.9-4.0-14 Пример решения поперечных перегородок с обшивкой из асбестоцементных листов для зданий с металлодеревянными стропильными конструкциями 1.831.9-4.0-15 Устройство проема ворот. Пример решения 1.831.9-4.0-16 Устройство дверного проема. Пример решения 1.831.9-4.0-17 Таблица элементов каркаса | | Разработан: | ГипроНИсельхоз (Институт Гипронисельхоз )
| | Утверждён: | 16.05.1991 Главпроект Госстроя СССР (5/6-137)
| | Издан: | ЦИТП Госстроя СССР (CITP, Gosstroy (USSR) 1991 г. )
| | Расположен в: |
| | Нормативные ссылки: |  СНиП III-4-80* «Техника безопасности в строительстве»  СНиП 2.01.07-85* «Нагрузки и воздействия»  СНиП 2.03.11-85 «Защита строительных конструкций от коррозии»  СНиП 3.03.01-87 «Несущие и ограждающие конструкции»  СНиП II-23-81* «Стальные конструкции»  СНиП II-25-80 «Деревянные конструкции»  ГОСТ 26816-86 «Плиты цементностружечные. Технические условия» ГОСТ 9573-82 «Плиты теплоизоляционные из минеральной ваты на синтетическом связующем. Технические условия»  ГОСТ 14791-79 «Мастика герметизирующая нетвердеющая строительная. Технические условия»  ГОСТ 19177-81 «Прокладки резиновые пористые уплотняющие. Технические условия»  ГОСТ 24064-80 «Мастики клеящие каучуковые. Технические условия»  ГОСТ 4598-86 «Плиты древесноволокнистые. Технические условия»  ГОСТ 4028-63 «Гвозди строительные. Конструкция и размеры»  ГОСТ 4029-63 «Гвозди толевые круглые. Конструкция и размеры»  ГОСТ 4030-63 «Гвозди кровельные. Конструкция и размеры»  ГОСТ 8240-89 «Швеллеры стальные горячекатаные. Сортамент»  ГОСТ 8278-83 «Швеллеры стальные гнутые равнополочные. Сортамент»  ГОСТ 27772-88 «Прокат для строительных стальных конструкций. Общие технические условия»  ГОСТ 8486-86 «Пиломатериалы хвойных пород. Технические условия»  ГОСТ 19414-90 «Древесина клееная массивная. Общие требования к зубчатым клеевым соединениям»  ГОСТ 23838-89 «Здания предприятий. Параметры»  ГОСТ 1145-80 «Шурупы с потайной головкой. Конструкция и размеры»  ГОСТ 11650-80 «Винты самонарезающие с полукруглой головкой и заостренным концом для металла и пластмассы. Конструкция и размеры»  ГОСТ 11652-80 «Винты самонарезающие с потайной головкой и заостренным концом для металла и пластмассы. Конструкция и размеры» ГОСТ 18124-75 «Листы асбестоцементные плоские» ГОСТ 19771-74 «Уголки стальные гнутые равнополочные. Сортамент» ГОСТ 21880-86 «Маты минераловатные прошивные для тепловой изоляции промышленного оборудования. Технические условия» Серия 1.831.9-3 «Перегородки панельных зданий сельскохозяйственных предприятий» Серия 1.831.9-3 «Выпуск 0. Материалы для проектирования» Серия 1.831.9-3 «Выпуск 1. Панели железобетонные. Технические условия. Рабочие чертежи» Серия 1.865.5-13 «Выпуск 1. Плиты с обшивками из асбестоцемента, фанеры, досок, ДВП. Технические условия. Рабочие чертежи» Серия 1.823.1-2 «Выпуск 0-1. Материалы для проектирования животноводческих, птицеводческих, подсобно-производственных и вспомогательных зданий» Серия 1.823.1-2 «Выпуск 1. Колонны. Рабочие чертежи» Серия 1.823.1-2 «Выпуск 2. Арматурные и закладные изделия. Рабочие чертежи» Серия 1.063.9-3 «Фермы металлодеревянные клееные треугольные пролетом 18 и 24 м для покрытий одноэтажных зданий межвидового назначения. Указания по применению. Технические условия. Рабочие чертежи» Серия 1.822.1-6 «Выпуск 1. Рамы пролетом 12, 18 и 21 м с высотой стойки 3,6 м. Указания по проектированию и рабочие чертежи» Серия 1.822.1-6 «Выпуск 2. Рамы пролетом 12, 18 и 21 м с высотой стойки 3,6 м. Арматурные и закладные изделия. Рабочие чертежи» Серия 1.822.1-6 «Выпуск 4. Рамы пролетом 12, 18 и 21 м с высотой стойки 3,75 м. Указания по проектированию и рабочие чертежи» Серия 1.822.1-6 «Выпуск 5. Рамы пролетом 12, 18 и 21 м с высотой стойки 3,75 м. Арматурные и закладные изделия. Рабочие чертежи» Серия 1.822.1-2/82 «Выпуск 4. Рамы прямоугольного сечения пролетом 24 м. Указания по проектированию и рабочие чертежи» Серия 1.822.1-2/82 «Выпуск 5. Арматурные и закладные изделия для рам прямоугольного сечения пролетом 24 м. Рабочие чертежи» Серия 1.822.1-5 «Выпуск 1. Рамы прямоугольного сечения пролетом 12, 18 и 21 м. Указания по проектированию и рабочие чертежи» Серия 1.822.1-5 «Выпуск 2. Арматурные и закладные изделия. Рабочие чертежи» Серия 1.812.1-1 «Фундаменты железобетонные сборные под колонны сельскохозяйственных зданий. Материалы для проектирования» Серия 1.063.1-1 «Выпуск 0. Материалы для проектирования» Серия 1.063.1-1 «Выпуск 1. Фермы пролетом 6, 9, 12 и 18 м. Рабочие чертежи» Серия 1.063.1-1 «Выпуск 2. Арматурные и закладные изделия. Рабочие чертежи» Серия 1.063.9-2 «Фермы металлодеревянные треугольные пролетом 9 и 12 м для покрытий одноэтажных зданий межвидового назначения. Указания по применению. Технические условия. Рабочие чертежи»
|
                                                                                      
|