Информационная система
«Ёшкин Кот»

Скачать базу одним архивом
Скачать обновления
История создания базы
Карта сайта

Скачать ГОСТ Р 50571.27-2003 Электроустановки зданий. Часть 7-740. Требования к специальным установкам или местам их расположения. Временные электрические установки для сооружений, устройств для развлечений и павильонов на ярмарках, в парках развлечений и цирках

Дата актуализации: 10.08.2017

ГОСТ Р 50571.27-2003

Электроустановки зданий. Часть 7-740. Требования к специальным установкам или местам их расположения. Временные электрические установки для сооружений, устройств для развлечений и павильонов на ярмарках, в парках развлечений и цирках

Обозначение: ГОСТ Р 50571.27-2003
Обозначение англ: GOST R 50571.27-2003
Статус:действует
Название рус.:Электроустановки зданий. Часть 7-740. Требования к специальным установкам или местам их расположения. Временные электрические установки для сооружений, устройств для развлечений и павильонов на ярмарках, в парках развлечений и цирках
Название англ.:Electrical installations of buildings. Part 7-740. Requirements for special installations or locations. Temporary electrical installations for structures, amusement devices and booths at fairgrounds, amusement parks and circuses
Дата добавления в базу:01.09.2013
Дата актуализации:05.05.2017
Дата введения:01.01.2004
Область применения:Стандарт в дополнение к требованиям комплекса ГОСТ Р 50571 на электроустановки зданий устанавливает специальные требования к электроустановкам мобильных, временно или постоянно устанавливаемых сооружений и механизмов со встраиваемым электрооборудованием. Сооружения и механизмы предполагают их повторное использование без снижения характеристик безопасности, временно или постоянно, на ярмарках, в парках развлечений, цирках или любых других местах. Стандарт устанавливает требования к электроустановкам указанных сооружений и механизмов, которые являются либо составной частью аттракциона, либо представляют собой аттракцион в целом.
Оглавление:1 Область применения
2 Нормативные ссылки
3 Определения
740.3 Общие требования
740.4 Требования по обеспечению безопасности
740.5 Выбор и монтаж электрооборудования
740.6 Приемо-сдаточные испытания
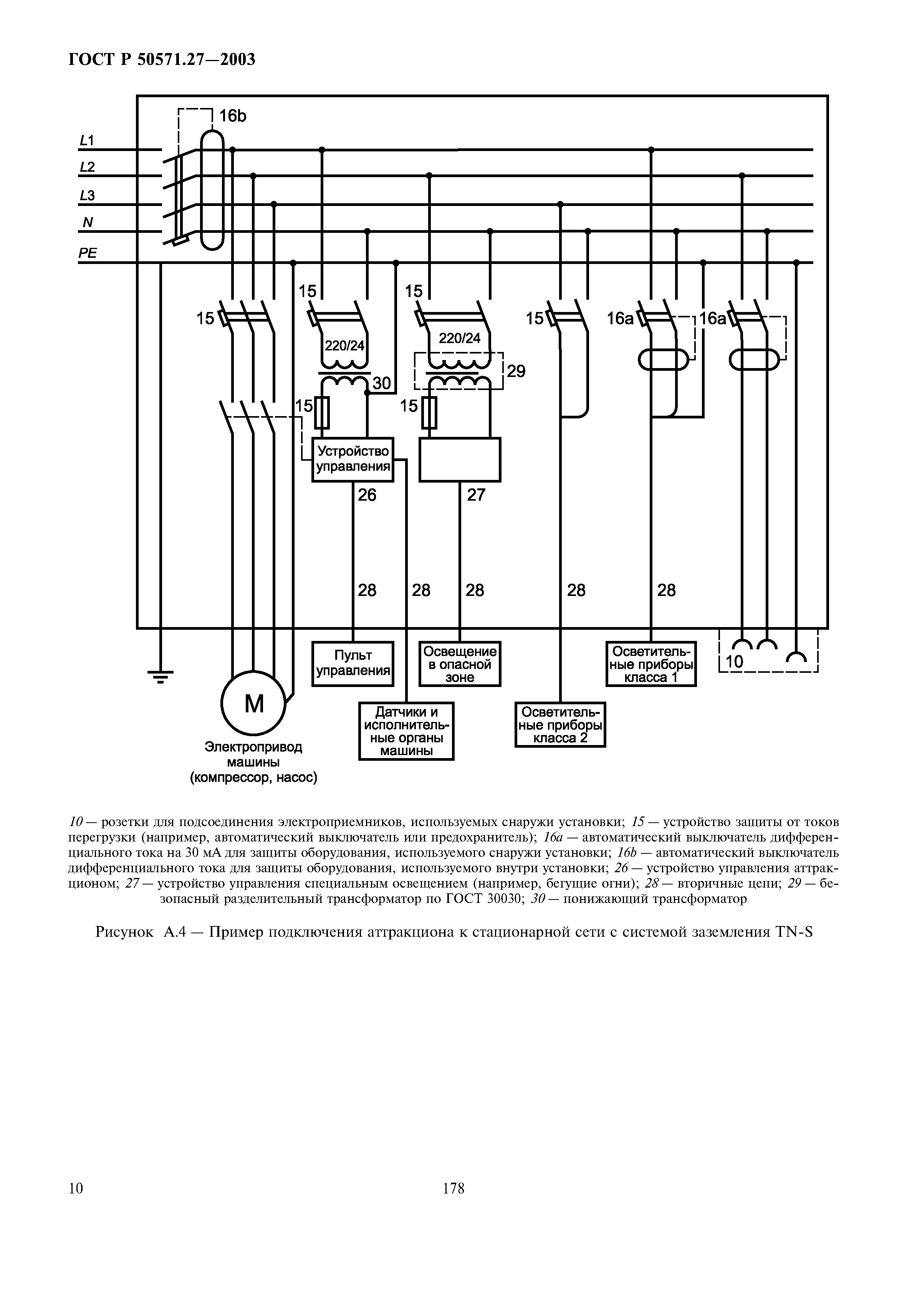
Приложение А Примеры выполнения схем электроснабжения объектов
Приложение В Библиография
Разработан: ВНИИНМАШ
ВНИПИ ТПЭП
ЗАО Парк-трейд
Утверждён:02.04.2003 Госстандарт России (Russian Federation Gosstandart 105-ст)
Издан: ИПК Издательство стандартов (2003 г. )
Стандартинформ (2012 г. )
Расположен в:Техническая документация Электроэнергия СТРОИТЕЛЬНЫЕ МАТЕРИАЛЫ И СТРОИТЕЛЬСТВО Установки в зданиях Системы электроснабжения ЭЛЕКТРОТЕХНИКА Электрическая арматура Плавкие предохранители и другие защитные устройства при перегрузках Экология СТРОИТЕЛЬНЫЕ МАТЕРИАЛЫ И СТРОИТЕЛЬСТВО Установки в зданиях Системы электроснабжения ЭЛЕКТРОТЕХНИКА Электрическая арматура Плавкие предохранители и другие защитные устройства при перегрузках Строительство Стандарты Другие государственные стандарты, применяемые в строительстве Строительные материалы и строительство Электротехника
Нормативные ссылки:
ГОСТ Р 50571.27-2003ГОСТ Р 50571.27-2003ГОСТ Р 50571.27-2003ГОСТ Р 50571.27-2003ГОСТ Р 50571.27-2003ГОСТ Р 50571.27-2003ГОСТ Р 50571.27-2003ГОСТ Р 50571.27-2003ГОСТ Р 50571.27-2003ГОСТ Р 50571.27-2003ГОСТ Р 50571.27-2003ГОСТ Р 50571.27-2003ГОСТ Р 50571.27-2003ГОСТ Р 50571.27-2003ГОСТ Р 50571.27-2003ГОСТ Р 50571.27-2003

© 2013 Ёшкин Кот :-) Карта сайта